Help us help you. By posting the year, make, model and engine near the beginning of your help request, followed by the symptoms (no start, high idle, misfire etc.) Along with any prevalent Diagnostic Trouble Codes, aka DTCs, other forum members will be able to help you get to a solution more quickly and easily!

2003 Cadillac CTS with high voltage on the 5 v reference line

  • Marti
  • Marti's Avatar Topic Author
  • Offline
  • Premium Member
  • Premium Member
More
4 years 1 week ago #55215 by Marti
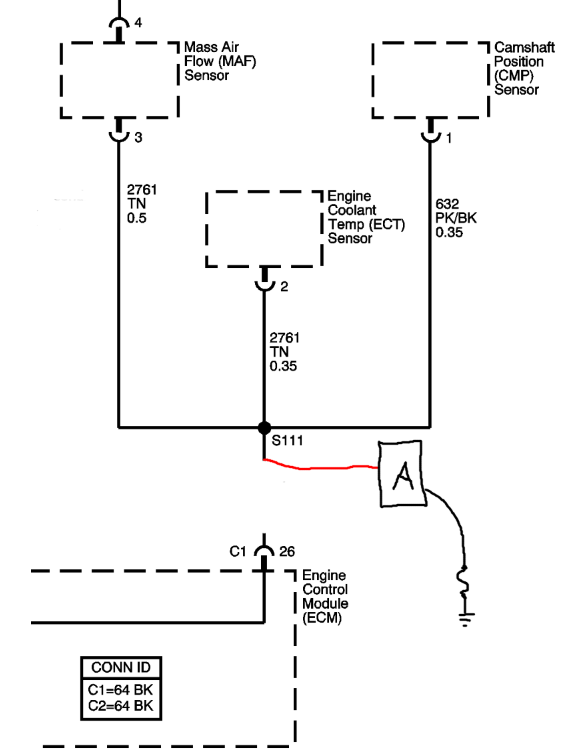
Yes, your diagram looks like my car. I'll check that pin 26 again but I've checked it with C1 disconnected before for continuity and it showed (using a brake light bulb for a loaded test) continuity to each of the 3 sensor grounds on that low reference circuit. Should I back probe C1 with it connected and check again to see if the computer is grounding this circuit?

Please Log in or Create an account to join the conversation.

  • Marti
  • Marti's Avatar Topic Author
  • Offline
  • Premium Member
  • Premium Member
More
4 years 1 week ago #55216 by Marti
I just bought the Power Probe ECT3000B (tracer for shorts and opens) so you can guide me on how to proceed.

Please Log in or Create an account to join the conversation.

  • Marti
  • Marti's Avatar Topic Author
  • Offline
  • Premium Member
  • Premium Member
More
4 years 1 week ago #55218 by Marti
found 8.8 volts at the C1 pin 26 wire with connector to the ECM connected. It's high all along this low reference to the MAF and CPS. I think also the ECT low reference is at 8.8 v but did not check it again. The high v on this common ground line is about 1 v higher if I unplug the MAF. Is the computer not grounding this? Or is there a short to power along the line?

Please Log in or Create an account to join the conversation.

More
4 years 1 week ago #55219 by jreardon
what is the difference in potential between the computer and the MAF on this wire? Setup your volt meter leads at the MAF ground (middle wire at the MAF) and at the computer C1, pin 26. Leave everything connected. Any reading of voltage here would mean current flow.

Sorry to ask again but, while this is happening you're saying the TPS ground is good? If this is true, I want you to cut the wire off at the computer to eliminate a possible short to power. Cut if off so it can be repaired if needed later of course.

We will know if we're chasing a bad computer or a wiring problem at this point.

Please Log in or Create an account to join the conversation.

More
4 years 1 week ago #55220 by jreardon
Also don't rely on just a reading at the TPS, check the other sensors ground too while you have 8.8V.

Please Log in or Create an account to join the conversation.

  • Marti
  • Marti's Avatar Topic Author
  • Offline
  • Premium Member
  • Premium Member
More
4 years 1 week ago #55221 by Marti
So if there is a significant voltage between C1 pin 26 and the middle tan line at the MAF with all connectors connected, then you want me to cut the MAF tan middle line? Note that this line was at one time bare and touching other lines on the MAF so I have a crimp on the repaired line.

Please Log in or Create an account to join the conversation.

More
4 years 1 week ago - 4 years 1 week ago #55222 by jreardon
I want you to cut this low reference wire near the computer harness because I want to know where this high voltage is coming from. A short to voltage is a possibility but I cannot reconcile how you have low voltage at the TPS but high voltage at this low reference at the computer.
Last edit: 4 years 1 week ago by jreardon.

Please Log in or Create an account to join the conversation.

More
4 years 1 week ago - 4 years 1 week ago #55223 by jreardon

So if there is a significant voltage between C1 pin 26 and the middle tan line at the MAF with all connectors connected, then you want me to cut the MAF tan middle line?
No, it's just a curiosity.
edit: Well, not just a curiosity. There should be more voltage towards the source than towards the ground. What I mean is if you probe the meter's black lead at the ECM and the red lead towards the MAF, or the load, you should have a miniscule positive voltage reading, so long as the ground in the ECM is somewhat good. This indicates conventional current flow from positive to negative. This may be all I need to know that the voltage is definitely NOT coming out of the computer, but I'm not sure on that.

I still think you should cut this wire and hook up your ammeter in series straight to ground and see what kind of current is on this wire that's supposedly just a ground path for the CMP, MAF and ECT.
Last edit: 4 years 1 week ago by jreardon.

Please Log in or Create an account to join the conversation.

More
4 years 1 week ago #55224 by jreardon
What do you have in terms of current flow? I recommend installing a fuse because no one likes to burn out the fuse in their meter lol.

Please Log in or Create an account to join the conversation.

More
4 years 1 week ago #55227 by jreardon

found 8.8 volts at the C1 pin 26 wire with connector to the ECM connected. It's high all along this low reference to the MAF and CPS. I think also the ECT low reference is at 8.8 v but did not check it again. The high v on this common ground line is about 1 v higher if I unplug the MAF. Is the computer not grounding this? Or is there a short to power along the line?
Please disregard my post about checking the difference in potential between MAF and ECM. We already know there's current flow since you write that the voltage is 8.8V at C1 pin 26. A difference in voltage before and after the load means there's current flow. And you wrote previously that you load tested this wire. A no ground situation would show battery voltage before and after the load and that's not what's happening.

Now we need to know how much current is flowing which is why I want you to measure current. Since we know the computer cannot provide a sufficient ground, please setup the ammeter to an external known good ground for this next test. I would like to know how much current is present with MAF, CMP and ECT connected. Then disconnect them one at a time and the current should go to zero.

Please Log in or Create an account to join the conversation.

  • Marti
  • Marti's Avatar Topic Author
  • Offline
  • Premium Member
  • Premium Member
More
4 years 1 week ago #55232 by Marti
I cut tan line with C1 connected and measured v with KOEO. Still 8 v everywhere on the common low ref. I used a fuse 30.0 amp (meter device for measuring fuse box current at a fuse) to measure amps on the line to battery neg. Got 0.0 A while I got 12 mv on the MAF pin 3 tan line, and 9 mv on the low ref line at the CMP (rd/bk) line. When I used a multimeter to ground the cut tan line near C1, it provided an insufficient ground and I got 0.3 v on the MAF pin 3 (tn low ref line). Unplugging sensors did not seem to vary the low ref v on this common line and always reads 0.0 Amps using the first amp meter. Can you determine if the ECU is grounded to the ECM body, along with the ground strap on the ECU (has a torqx screw on the ground line which is bk/wh color). I guess the ground strap goes to the fender somewhere.

Please Log in or Create an account to join the conversation.

  • Marti
  • Marti's Avatar Topic Author
  • Offline
  • Premium Member
  • Premium Member
More
4 years 1 week ago #55233 by Marti
I think the multimeter read about 10 mA when it was connected between the cut tn line and the batt. neg. with all connectors connected.

Please Log in or Create an account to join the conversation.

More
4 years 1 week ago #55234 by jreardon
10 mA is really low. This is in the realm of LED test light current and the computer should have no issue grounding this wire that you had cut.

Visually check for a bad connection between the computer and the connector and confirm with a test light if there's a ground.

With such a low current draw coupled with a high voltage reading on this wire before you had cut it, along with the low voltage reading at the TPS ground (I would like more readings at other sensor grounds though) I think I can reasonably assume at this point the ground leg to pin 26 is poor to non existent.

Perhaps as a last resort you can ohm check directly at the computer pins for continuity with the rest of the low reference designated pins. If this fails you could get away with a jumper wire to another sensor ground as a band-aid.

Please Log in or Create an account to join the conversation.

  • Marti
  • Marti's Avatar Topic Author
  • Offline
  • Premium Member
  • Premium Member
More
4 years 6 days ago #55235 by Marti
The 10 mA may have been with the meter set on AC.

Please Log in or Create an account to join the conversation.

More
4 years 6 days ago - 4 years 5 days ago #55245 by jreardon

The 10 mA may have been with the meter set on AC.

Can you get another reading just to be safe? I'm scared of too much current potentially hurting the computer again should you decide on the jumper wire fix to another sensor ground.

I cut tan line with C1 connected and measured v with KOEO. Still 8 v everywhere on the common low ref.

Unplugging sensors did not seem to vary the low ref v on this common line

Do you still have voltage on this low ref wire with the CMP, MAF and ECT unplugged and the wire cut at the ECM? If not, I think it was just a bad ground.
Last edit: 4 years 5 days ago by jreardon. Reason: added more words

Please Log in or Create an account to join the conversation.

  • VegasJAK
  • VegasJAK's Avatar
  • Offline
  • Platinum Member
  • Platinum Member
  • Silencing the Parts Cannon
More
4 years 4 days ago #55283 by VegasJAK


At the end Paul show where the body to block ground location is and broken ground wire at eyelet on block.

"an open mind let's knowledge flow in and wisdom flow out for a man who has neither never listens to those who have both".
Being wrong doesn't bother me, it's being right and not understanding why that does

Please Log in or Create an account to join the conversation.

  • Marti
  • Marti's Avatar Topic Author
  • Offline
  • Premium Member
  • Premium Member
More
4 years 3 days ago #55294 by Marti
No voltage only when the MAF is unplugged and the ECM side pin 26 is cut and grounded to battery neg. The ECT and CMP make no difference unplugged or plugged in with this.

I redid the amp readings: all sensors plugged in, Pin 26 grounded to battery neg., reads 65 mA in DC mode on my multimeter. Only when I unplug the MAF, amps go to zero, then creep up to 3.8 mA after a little while. In this condition, the volts drop to 13 mV.

I thought I would simulate before cutting the pin 26 wire by taking away the battery ground on the cut line. The volts went back up to 8 V on the shared ground lines for ECT, CMP and MAF sensors. Seems to need a replacement ground don't you think?

Please Log in or Create an account to join the conversation.

  • VegasJAK
  • VegasJAK's Avatar
  • Offline
  • Platinum Member
  • Platinum Member
  • Silencing the Parts Cannon
More
4 years 3 days ago #55296 by VegasJAK
My thoughts at this time would be to create a new ground for the ECT, CMP and MAF. Use a good block ground.

"an open mind let's knowledge flow in and wisdom flow out for a man who has neither never listens to those who have both".
Being wrong doesn't bother me, it's being right and not understanding why that does

Please Log in or Create an account to join the conversation.

More
4 years 3 days ago #55313 by jreardon

I redid the amp readings: all sensors plugged in, Pin 26 grounded to battery neg., reads 65 mA in DC mode on my multimeter.
I don't have a known good number in my head but that previous reading of 10mA did seem low but i'm okay with 65 mA too. Not too high.

Seems to need a replacement ground don't you think?

Yep. Do what scannerjohn suggested and see what codes you're getting now.

Please Log in or Create an account to join the conversation.

  • Marti
  • Marti's Avatar Topic Author
  • Offline
  • Premium Member
  • Premium Member
More
4 years 2 days ago #55318 by Marti
First I'll take a good look at pin 26 on C1, and also the female side on the ECM to see if I can improve that connection and if not connect the ground (tn line that was cut) to the external ECM ground connection. Could it be that in the ECM at pin 26 has an internal problem making a good ground there?

I expected the problem would be something I did when replacing the radiator and new valve cover gaskets. I had to remove C1 and C2 on the ECM to get to the valve cover gaskets. Perhaps Pin 26 got damaged. I didn't notice anything when replacing the connectors on the ECM but the car is a 2003.

Please Log in or Create an account to join the conversation.

Time to create page: 0.556 seconds