*** Restricting New Posts to SD Premium Members ONLY *** (09 May 2025)

Just made a new account? Can't post? Click above.

Help us help you. By posting the year, make, model and engine near the beginning of your help request, followed by the symptoms (no start, high idle, misfire etc.) Along with any prevalent Diagnostic Trouble Codes, aka DTCs, other forum members will be able to help you get to a solution more quickly and easily!

(Solved) 2018 Mazda CX-5: no crank, no start

  • vallis
  • vallis's Avatar Topic Author
  • Offline
  • Senior Member
  • Senior Member
More
4 years 10 months ago - 4 years 10 months ago #45934 by vallis
2018 Mazda CX-5: no crank, no start was created by vallis
Greetings everyone,
New to the forum. I have been watching ScannerDanner videos and learned a lot. Very detailed and informative. So I just wanted to say thank you Paul Danner for everything!

I bought a 2018 Mazda CX-5 Grand Touring AWD with 18K miles, that was involved in a minor accident. There were no starting issues for about a month until recently; it won't crank or start, only ignition comes on.

In normal starting condition, the push button illuminates in green when ready to fire up the engine. In my case, there is no communication between the keyfob and he computer as the button lights up in blinking orange when I depress the brake pedal, the shifter is stuck in Park, and the "Keyless system malfunction" error lights up in the dash. In addition, the last 3 times it started, I had the serpentine belt removed, so I received the charging system malfunction since the alternator wasn't charging the battery, as expected. Now that it's having starting issues, I still see the same malfunction warning "Charging system malfunction. Stop vehicle immediately in a safe place", as if the engine is running, but obviously it is not. This malfunction error pops up when the ignition is on. This, to me, indicates that 1) it thinks the engine is running as there is no other way for the computer to check if the alternator is charging the battery unless the pulley is spinning. 2) The malfunction is stored from last time it started even though I disconnected the battery several times.


Here is what I tried so far:
1. I inspected and tested the brake switch. Resistance is good, per the service manual, and the brake lights come on when the pedal is depressed.
2. I could not test the shifter switch as I can't find the diagram, I only found the 2016 model, which has a different connector. (I will get back to it later)
3. Fuses and relays are in good order and there is no corrosion anywhere.
4. The push button turns the ignition to ON if the brake pedal is not depressed, as expected.
5. I jumped the starter relay and it cranked. It did not start as everything is turned off, ignition, fuel, etc.

As I am looking into the starting system and testing all components individually, I wanted to make sure that the PCM is in working order. I hooked up a regular $30 OBD code reader, but it won't communicate with the vehicle. It says linking error, which I believe is a generic error for no communication with the PCM?

I have watched several videos of ScannerDanner about similar issues and I tried the 5v reference from the MAF sensor; I get 0.1 and 0.0 volts and 0.0 in all three pins. I scoured the service manual to pull the schematics for the PCM but can't find it. I wanted to test the PCM for power and ground. It has two connectors and I just checked pin by pin until I found the harness that's coming from the fuse box reading 12v in 2 different pins, and 1 ground. I am not sure if I am testing the right pins and if this is an indication that the PCM is receiving power as it should and just not outputting anything.

Sorry for the lengthy post, I just wanted to share as much information as possible. Any help on PCM diagnosis would be appreciated!

Thank you!!

- Dean
Last edit: 4 years 10 months ago by vallis.

Please Log in or Create an account to join the conversation.

More
4 years 10 months ago - 4 years 10 months ago #45938 by CalitechT.J.
Replied by CalitechT.J. on topic 2018 Mazda CX-5: no crank, no start
So before trying anything else, have you made sure the battery in the FOB is good? Because on push button start systems, without detection of the FOB, it will not crank. I know it's a very simple check, but that needs to be verified before moving on, especially with a keyless system malfunction message. The other thing you could try, if you haven't already, is hold the FOB up against the push button to see if that makes a difference. I had one push button FOB that had a weak battery and the transmitter signal was not strong enough to be seen unless I held the FOB against the push button. Just an idea. And for the charging system message, that will probably stay as a hard fault unless you clear it with a scanner or the computer sees no faults once the engine runs again. I would not worry too much about that warning until after the no crank issue is resolved.

--T.J.
Last edit: 4 years 10 months ago by CalitechT.J..
The following user(s) said Thank You: vallis

Please Log in or Create an account to join the conversation.

More
4 years 10 months ago #45941 by Wightscope
Replied by Wightscope on topic 2018 Mazda CX-5: no crank, no start
... and try the other key (which you probably have done but just in case!)
The following user(s) said Thank You: vallis

Please Log in or Create an account to join the conversation.

  • vallis
  • vallis's Avatar Topic Author
  • Offline
  • Senior Member
  • Senior Member
More
4 years 10 months ago #45948 by vallis
Replied by vallis on topic 2018 Mazda CX-5: no crank, no start
Thank you both for replying. I forgot to mention that I tried holding the keyfob to the push button, and I changed the keyfob battery, but the issue persists. By the way, no issues with locking and locking all doors remotely.

Unfortunately, the car came with one key only.

That 'Keyless system Malfunction' is misleading as I remember one time the battery was low and I received it. I disconnected it, charged it then the car started and it went away. Is it a generic message for when there is a power issue?

Please Log in or Create an account to join the conversation.

More
4 years 10 months ago #45951 by Wightscope
Replied by Wightscope on topic 2018 Mazda CX-5: no crank, no start
You mentioned that it had the belt removed, can you give us information on any electrical/mechanical work that was done recently - especially if anything was done just before the no-start issue.

My only other "quick and easy" thought at this point would be an earth jumper from block to body.

Please Log in or Create an account to join the conversation.

  • vallis
  • vallis's Avatar Topic Author
  • Offline
  • Senior Member
  • Senior Member
More
4 years 10 months ago #45955 by vallis
Replied by vallis on topic 2018 Mazda CX-5: no crank, no start

Wightscope wrote: You mentioned that it had the belt removed, can you give us information on any electrical/mechanical work that was done recently - especially if anything was done just before the no-start issue.

My only other "quick and easy" thought at this point would be an earth jumper from block to body.


Most of the work done is body-related; nothing mechanical or electrical. I removed the belt because it was on my way as I needed to bend the radiator support bracket back in place. I carefully inspected all the wires and connectors including ground, everything is in place.

Please Log in or Create an account to join the conversation.

More
4 years 10 months ago - 4 years 10 months ago #45956 by Wightscope
Replied by Wightscope on topic 2018 Mazda CX-5: no crank, no start
I'm not familiar with the car but just to confirm the sequence - when you enter the car with the fob and push the start button with no brake applied all is normal (green light). When you apply the brake without touching the start button it faults ? Or does it fault when you press the button to start with the brake applied.
Last edit: 4 years 10 months ago by Wightscope.

Please Log in or Create an account to join the conversation.

More
4 years 10 months ago #45959 by Matt T
Replied by Matt T on topic 2018 Mazda CX-5: no crank, no start

vallis wrote: That 'Keyless system Malfunction' is misleading as I remember one time the battery was low and I received it. I disconnected it, charged it then the car started and it went away. Is it a generic message for when there is a power issue?


It's likely to be a generic message that displays for numerous different problems with the keyless system. Kinda like the money light.

You really need to scan the vehicle to get some direction with this. Forscan is by far the cheapest option for that. Not sure whether you'll need MS-Can capability for a Mazda.

forscan.org/forum/viewtopic.php?t=6142

Probably also gonna need SI once you pull the codes. Personally I'd go O.E. for that.

www.mazdaserviceinfo.com/electronic-service
The following user(s) said Thank You: vallis

Please Log in or Create an account to join the conversation.

  • vallis
  • vallis's Avatar Topic Author
  • Offline
  • Senior Member
  • Senior Member
More
4 years 10 months ago #45960 by vallis
Replied by vallis on topic 2018 Mazda CX-5: no crank, no start

Wightscope wrote: I'm not familiar with the car but just to confirm the sequence - when you enter the car with the fob and push the start button with no brake applied all is normal (green light). When you apply the brake without touching the start button it faults ? Or does it fault when you press the button to start with the brake applied.



I don't get the green light, which I should, in either case.

No brake applied, push button is pushed, I get the ignition/accessories on, which works fine. When I apply the brake, the push button should illuminate in green (ready to fire up) which I don't; I get the blinking amber light instead.
The following user(s) said Thank You: Wightscope

Please Log in or Create an account to join the conversation.

  • vallis
  • vallis's Avatar Topic Author
  • Offline
  • Senior Member
  • Senior Member
More
4 years 10 months ago - 4 years 10 months ago #45961 by vallis
Replied by vallis on topic 2018 Mazda CX-5: no crank, no start

Matt T wrote:

vallis wrote: That 'Keyless system Malfunction' is misleading as I remember one time the battery was low and I received it. I disconnected it, charged it then the car started and it went away. Is it a generic message for when there is a power issue?


You really need to scan the vehicle to get some direction with this. Forscan is by far the cheapest option for that. Not sure whether you'll need MS-Can capability for a Mazda.

forscan.org/forum/viewtopic.php?t=6142

Probably also gonna need SI once you pull the codes. Personally I'd go O.E. for that.

www.mazdaserviceinfo.com/electronic-service


I have Forscan and its adapter. The problem is there is no communication to the vehicle. I tried the generic OBDII code reader, same issue. That's why I need to diagnose the PCM.
Last edit: 4 years 10 months ago by vallis.

Please Log in or Create an account to join the conversation.

More
4 years 10 months ago #45963 by Matt T
Replied by Matt T on topic 2018 Mazda CX-5: no crank, no start

vallis wrote: I have Forscan and its adapter. The problem is there is no communication to the vehicle. I tried the generic OBDII code reader, same issue. That's why I need to diagnose the PCM.


If you've got no comm with the vehicle you need to diag the network, unless the PCM acts as a gateway. Forscan should've found several modules on something that new. Do you have a 'scope?

Please Log in or Create an account to join the conversation.

More
4 years 10 months ago - 4 years 10 months ago #45965 by Wightscope
Replied by Wightscope on topic 2018 Mazda CX-5: no crank, no start
Have you tried a force start (from the manual)

• (Forced engine starting method)

If the KEY warning light (red) illuminates, or the push button start indicator light (amber) flashes, this could indicate that the engine may not start using the usual starting method. Have your vehicle inspected at an Authorized Mazda Dealer as soon as possible. If this occurs, the engine can be force-started. Press and hold the push button start until the engine starts.

Other procedures necessary for starting the engine such as having the key in the cabin, and depressing the clutch pedal (manual transaxle) or the brake pedal (automatic transaxle) are required.

• When the engine is force-started, the KEY warning light (red) remains illuminated and the push button start indicator light (amber) remains flashing.

www.mcx5.org/starting_the_engine-70.html
Last edit: 4 years 10 months ago by Wightscope.

Please Log in or Create an account to join the conversation.

  • vallis
  • vallis's Avatar Topic Author
  • Offline
  • Senior Member
  • Senior Member
More
4 years 10 months ago - 4 years 10 months ago #45966 by vallis
Replied by vallis on topic 2018 Mazda CX-5: no crank, no start

Matt T wrote:

vallis wrote: I have Forscan and its adapter. The problem is there is no communication to the vehicle. I tried the generic OBDII code reader, same issue. That's why I need to diagnose the PCM.


If you've got no comm with the vehicle you need to diag the network, unless the PCM acts as a gateway. Forscan should've found several modules on something that new. Do you have a 'scope?


The adapter I'm using is the ELM327, which I got here . It should work for this Mazda with the FORScan software. I too thought that it should read other modules if the PCM is down, but not sure if it's the gateway. Is there any way I can confirm this?

I don't have an oscilloscope, if I read the 'scope correctly.
Last edit: 4 years 10 months ago by vallis.

Please Log in or Create an account to join the conversation.

  • vallis
  • vallis's Avatar Topic Author
  • Offline
  • Senior Member
  • Senior Member
More
4 years 10 months ago #45967 by vallis
Replied by vallis on topic 2018 Mazda CX-5: no crank, no start

Wightscope wrote: Have you tried a force start (from the manual)

• (Forced engine starting method)

If the KEY warning light (red) illuminates, or the push button start indicator light (amber) flashes, this could indicate that the engine may not start using the usual starting method. Have your vehicle inspected at an Authorized Mazda Dealer as soon as possible. If this occurs, the engine can be force-started. Press and hold the push button start until the engine starts.

Other procedures necessary for starting the engine such as having the key in the cabin, and depressing the clutch pedal (manual transaxle) or the brake pedal (automatic transaxle) are required.

• When the engine is force-started, the KEY warning light (red) remains illuminated and the push button start indicator light (amber) remains flashing.

www.mcx5.org/starting_the_engine-70.html


I tried that before. It won't start.

Please Log in or Create an account to join the conversation.

More
4 years 10 months ago #45969 by Matt T
Replied by Matt T on topic 2018 Mazda CX-5: no crank, no start

vallis wrote: The adapter I'm using is the ELM327, which I got here . It should work for this Mazda with the FORScan software. I too thought that it should read other modules if the PCM is down, but not sure if it's the gateway. Is there any way I can confirm this?

I don't have an oscilloscope, if I read the 'scope correctly.


Seems to have a decent star rating so I guess it should work. Have you successfully connected to any other vehicles with it? You could try switching it to MS-CAN to see if Forscan picks up anything on that network.

Also noticed that adapter has several LEDs on it. They might give some clue if you've got documentation on what lights each one up.

PCM being a gateway is unlikely IMO, but the only "Mazdas" I've worked on were rebadged Fords. The only way to know for sure is O.E. service data.

Please Log in or Create an account to join the conversation.

  • vallis
  • vallis's Avatar Topic Author
  • Offline
  • Senior Member
  • Senior Member
More
4 years 10 months ago #45974 by vallis
Replied by vallis on topic 2018 Mazda CX-5: no crank, no start

Matt T wrote:

vallis wrote: The adapter I'm using is the ELM327, which I got here . It should work for this Mazda with the FORScan software. I too thought that it should read other modules if the PCM is down, but not sure if it's the gateway. Is there any way I can confirm this?

I don't have an oscilloscope, if I read the 'scope correctly.


Seems to have a decent star rating so I guess it should work. Have you successfully connected to any other vehicles with it? You could try switching it to MS-CAN to see if Forscan picks up anything on that network.

Also noticed that adapter has several LEDs on it. They might give some clue if you've got documentation on what lights each one up.

PCM being a gateway is unlikely IMO, but the only "Mazdas" I've worked on were rebadged Fords. The only way to know for sure is O.E. service data.



I contacted the seller and they told me it should work. I will search for the documentation as I do see lights illuminate when it tries to connect.

I switch between MS-CAN and HS-CAN, but I get nothing. I don't have other Mazda/Ford to try Forscan on, but I will see if I can find one.

The reason I wanted to focus on PCM is, let's say I get the Forscan to bring up all modules. There is a high chance that the PCM wouldn't be there because the regular code reader can't access it. That's if the link error that the reader outputs is directly related to communication with the PCM. Safe to assume?


I

Please Log in or Create an account to join the conversation.

  • RJMARRA
  • RJMARRA's Avatar
  • Offline
  • Junior Member
  • Junior Member
  • 2018 NAPA/ASE Parts Specialist of the Year
More
4 years 10 months ago #46004 by RJMARRA
Replied by RJMARRA on topic 2018 Mazda CX-5: no crank, no start
Did you try checking the MAF for 5V ref with it unplugged? Not sure on that model if it needs to be unplugged our not. Maybe even confirm 5v ref by checking it on the TPS?

Please Log in or Create an account to join the conversation.

  • RJMARRA
  • RJMARRA's Avatar
  • Offline
  • Junior Member
  • Junior Member
  • 2018 NAPA/ASE Parts Specialist of the Year
More
4 years 10 months ago #46005 by RJMARRA
Replied by RJMARRA on topic 2018 Mazda CX-5: no crank, no start
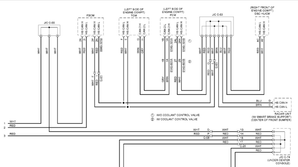
also check your grounds at odb2 connector. Diagram attached.
Attachments:
The following user(s) said Thank You: vallis

Please Log in or Create an account to join the conversation.

  • RJMARRA
  • RJMARRA's Avatar
  • Offline
  • Junior Member
  • Junior Member
  • 2018 NAPA/ASE Parts Specialist of the Year
More
4 years 10 months ago #46007 by RJMARRA
Replied by RJMARRA on topic 2018 Mazda CX-5: no crank, no start
also it doesn't appear that the pcm is the gateway
Attachments:
The following user(s) said Thank You: vallis

Please Log in or Create an account to join the conversation.

  • vallis
  • vallis's Avatar Topic Author
  • Offline
  • Senior Member
  • Senior Member
More
4 years 10 months ago #46008 by vallis
Replied by vallis on topic 2018 Mazda CX-5: no crank, no start

RJMARRA wrote: Did you try checking the MAF for 5V ref with it unplugged? Not sure on that model if it needs to be unplugged our not. Maybe even confirm 5v ref by checking it on the TPS?


I checked the connecter while it's disconnected. The power does go to the throttle body because I can hear it buzzing/calibrating. Sometimes it sounds like it's staying on for too long.

Please Log in or Create an account to join the conversation.

Time to create page: 0.364 seconds