*** Restricting New Posts to SD Premium Members ONLY *** (09 May 2025)
Just made a new account? Can't post? Click above.
Bias on ground wire: o2 sensor
- Cameron76
-
Topic Author
- Offline
- New Member
-
Less
More
- Posts: 15
- Thank you received: 1
4 years 7 months ago - 4 years 7 months ago #47825
by Cameron76
Bias on ground wire: o2 sensor was created by Cameron76
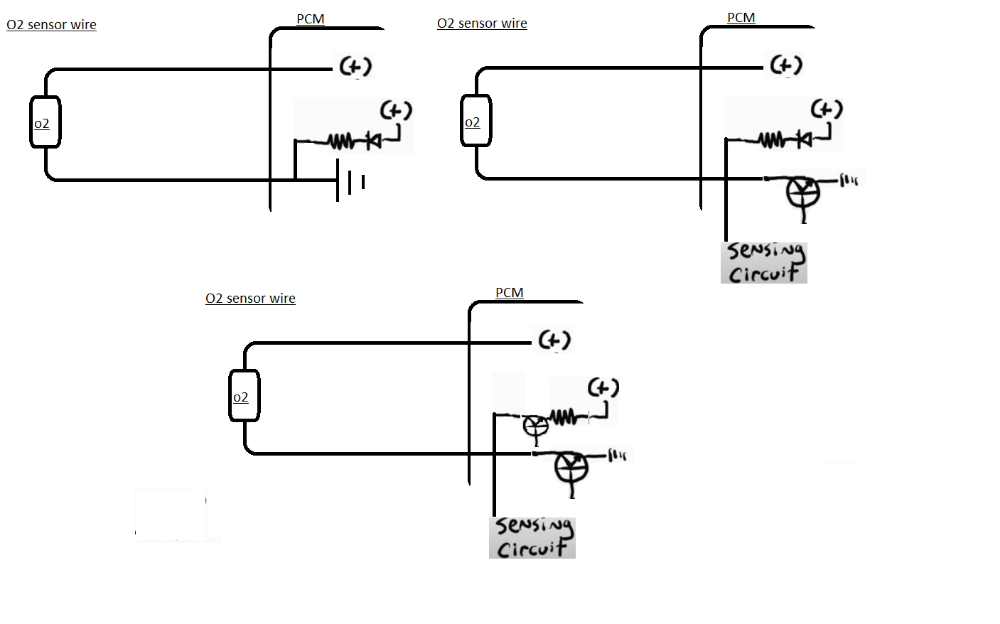
I am confused how there can be a bias voltage on a ground wire. It seems it would just get pulled to ground all the time. The only way that I can see it is if there was a transistor on the ground wire that would allow/block current flow like on an output with a bias. See picture.
Last edit: 4 years 7 months ago by Cameron76. Reason: I want to post a different picture
Please Log in or Create an account to join the conversation.
- Andy.MacFadyen
-
- Offline
- Moderator
-
Less
More
- Posts: 3353
- Thank you received: 1037
4 years 7 months ago - 4 years 7 months ago #47850
by Andy.MacFadyen
" We're trying to plug a hole in the universe, what are you doing ?. "
(Walter Bishop Fringe TV show)
Replied by Andy.MacFadyen on topic Bias on ground wire: o2 sensor
Chrysler vehicle ?
A normal 0.1 to 0.9v O2 sensor is really a sensor in the normal way of thinking it is fuel cell --- it generates a voltage so if the ground is floating at some bias voltage above 0v the 0.1 to 0.9v will add to this bias voltage.
A normal 0.1 to 0.9v O2 sensor is really a sensor in the normal way of thinking it is fuel cell --- it generates a voltage so if the ground is floating at some bias voltage above 0v the 0.1 to 0.9v will add to this bias voltage.
" We're trying to plug a hole in the universe, what are you doing ?. "
(Walter Bishop Fringe TV show)
Last edit: 4 years 7 months ago by Andy.MacFadyen.
Please Log in or Create an account to join the conversation.
- Cameron76
-
Topic Author
- Offline
- New Member
-
Less
More
- Posts: 15
- Thank you received: 1
4 years 7 months ago #47853
by Cameron76
Replied by Cameron76 on topic Bias on ground wire: o2 sensor
I understand voltage being on the ground wire in a floating ground situation. But if you unplug the sensor and there is still a bias on the ground, it could not be from a floating ground. And Paul Danner said that sometimes there is a bias ONLY on the ground wire. This is the situation that confuses me.
Please Log in or Create an account to join the conversation.
- Andy.MacFadyen
-
- Offline
- Moderator
-
Less
More
- Posts: 3353
- Thank you received: 1037
4 years 7 months ago - 4 years 7 months ago #47855
by Andy.MacFadyen
" We're trying to plug a hole in the universe, what are you doing ?. "
(Walter Bishop Fringe TV show)
Replied by Andy.MacFadyen on topic Bias on ground wire: o2 sensor
It isn't a floating ground probably best to describe it as an elevated ground.
The sensor dosen't care what voltage it grounds it at it simply adds to the voltage, think of it as two batteries in series.
Floating crank sensors are a bit different the ecu treats those as a AC signal.
The sensor dosen't care what voltage it grounds it at it simply adds to the voltage, think of it as two batteries in series.
Floating crank sensors are a bit different the ecu treats those as a AC signal.
" We're trying to plug a hole in the universe, what are you doing ?. "
(Walter Bishop Fringe TV show)
Last edit: 4 years 7 months ago by Andy.MacFadyen.
Please Log in or Create an account to join the conversation.
- Cameron76
-
Topic Author
- Offline
- New Member
-
Less
More
- Posts: 15
- Thank you received: 1
4 years 7 months ago #47857
by Cameron76
Replied by Cameron76 on topic Bias on ground wire: o2 sensor
Yes. The dc voltage elevates the ac voltage. The ac "rides" on top of dc voltage that is produced by the sensor. But to have voltage on a ground wire UNPLUGGED would require a positive voltage coming from the computer on the ground wire. Unplugged implies that voltage from the computer on the (+) wire could not be on the ground wire. It also implies that there would be no sensor voltage because it is unplugged. So how can there be a positive bias voltage on the ground wire unplugged?
Please Log in or Create an account to join the conversation.
- Cameron76
-
Topic Author
- Offline
- New Member
-
Less
More
- Posts: 15
- Thank you received: 1
4 years 7 months ago - 4 years 7 months ago #47858
by Cameron76
Replied by Cameron76 on topic Bias on ground wire: o2 sensor
Last edit: 4 years 7 months ago by Cameron76.
Please Log in or Create an account to join the conversation.
- Flatrater
-
- Offline
- Senior Member
-
Less
More
- Posts: 48
- Thank you received: 18
4 years 7 months ago #48114
by Flatrater
Replied by Flatrater on topic Bias on ground wire: o2 sensor
Where is this "AC" voltage coming from? It's all DC.
Consider a two D cell batteries connected in series like you'd find in a flashlight. What's the voltage testing from the two ends?
Now place a voltmeters negative lead in between the two cells and the positive lead on the seconds cell positive. Now imagine that the second battery fluctuates in voltage. What does your meter read?
Part of the problem here is the nebulous and changing way the term "bias" is used to describe automotive circuits.
Consider a two D cell batteries connected in series like you'd find in a flashlight. What's the voltage testing from the two ends?
Now place a voltmeters negative lead in between the two cells and the positive lead on the seconds cell positive. Now imagine that the second battery fluctuates in voltage. What does your meter read?
Part of the problem here is the nebulous and changing way the term "bias" is used to describe automotive circuits.
Please Log in or Create an account to join the conversation.
- stephd
-
- Offline
- New Member
-
Less
More
- Posts: 2
- Thank you received: 0
1 year 3 months ago - 1 year 3 months ago #66383
by stephd
Replied by stephd on topic Bias on ground wire: o2 sensor
Flatrater:
Not being sarcastic, just looking to learn.
What do you mean by “it’s all DC”?
Even a variable reluctance sensor?
Not being sarcastic, just looking to learn.
What do you mean by “it’s all DC”?
Even a variable reluctance sensor?
Last edit: 1 year 3 months ago by stephd.
Please Log in or Create an account to join the conversation.
Time to create page: 0.310 seconds