wiring diagram question?

More
9 years 2 months ago #5238 by nori
wiring diagram question? was created by nori
printed out a wiring diagram from Mitchell on a 2006 5.3 liter 4x4 Tahoe under engine performance and pasted all five pages togather according to wire numbers. Page 1 on one end has a picture of PCM with 80 pins and page 5 on the other end has a picture of a PCM with 80 pins and wires.
what I don't understand is that pin 74 on page 1 at PCM is a ect sig with yellow wire but page 5 at the PCM pin 74 is a lt grn wire/ho2s low control. What don't I understand?















9

Please Log in or Create an account to join the conversation.

  • Tyler
  • Tyler's Avatar
  • Offline
  • Moderator
  • Moderator
  • Full time HACK since 2012
More
9 years 2 months ago #5241 by Tyler
Replied by Tyler on topic wiring diagram question?
Good question, nori! The answer is that this PCM has two 80-pin connectors, C1 and C2. I don't have access to Mitchell, but I looked this up on the BBB Industries site to be sure.

Here's the ECT sensor wiring:



Sure enough, pin 74 of C1. Note the CONN ID box in the upper right, identifying the two connectors by color.

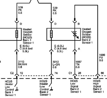
Then there's the O2 wiring:



And there's the other pin 74, on C2. It's easy to get confused when the diagrams get this big! :lol:
Attachments:

Please Log in or Create an account to join the conversation.

More
9 years 2 months ago #5245 by nori
Replied by nori on topic wiring diagram question?
Hi, Tyler
thanks for the quick response-does that mean that the PCM has 160 pins?

Please Log in or Create an account to join the conversation.

  • Tyler
  • Tyler's Avatar
  • Offline
  • Moderator
  • Moderator
  • Full time HACK since 2012
More
9 years 2 months ago #5247 by Tyler
Replied by Tyler on topic wiring diagram question?
No problem!

nori wrote: does that mean that the PCM has 160 pins?


Total, yep. I dunno if the PCM actually uses all those pins, but they're there.

Please Log in or Create an account to join the conversation.

More
9 years 2 months ago #5248 by nori
Replied by nori on topic wiring diagram question?
thanks again TYLER,
YOU'RE A WEALTH of KNOWLEDGE! Didn"t think a PCM would have to that many pins -retired mechanic ( I am definitely getting older).
The following user(s) said Thank You: Tyler

Please Log in or Create an account to join the conversation.

  • ScannerDanner
  • ScannerDanner's Avatar
  • Offline
  • Administrator
  • Administrator
  • Religion says do, Jesus says done!
More
9 years 2 months ago #5250 by ScannerDanner
Replied by ScannerDanner on topic wiring diagram question?
Thank you Tyler!

Don't be a parts changer!

Please Log in or Create an account to join the conversation.

  • Tyler
  • Tyler's Avatar
  • Offline
  • Moderator
  • Moderator
  • Full time HACK since 2012
More
9 years 2 months ago #5264 by Tyler
Replied by Tyler on topic wiring diagram question?

nori wrote: thanks again TYLER,
YOU'RE A WEALTH of KNOWLEDGE! Didn"t think a PCM would have to that many pins -retired mechanic ( I am definitely getting older).


My pleasure! We're you chasing a specific issue on the ECT or O2?

Please Log in or Create an account to join the conversation.

More
9 years 2 months ago #5310 by nori
Replied by nori on topic wiring diagram question?
I just replaced my oil pressure sending unit on my 2006 Tahoe 5.3 liter by braille! I was just thinking how bad it would be if you had a wiring problem with that circuit and had to back probe it-lucky for me chev still places their oil pressure switches back where the distributors used to be (showing my age ).Printed the complete engine performance wiring diagram for future reference.

Please Log in or Create an account to join the conversation.

  • Tyler
  • Tyler's Avatar
  • Offline
  • Moderator
  • Moderator
  • Full time HACK since 2012
More
9 years 2 months ago #5324 by Tyler
Replied by Tyler on topic wiring diagram question?
Ah yeah, the ones behind the intake! Those are always fun to replace. :lol: I quit trying to probe those, and just go directly to unplugged tests.

Please Log in or Create an account to join the conversation.

Time to create page: 0.268 seconds