*** Restricting New Posts to SD Premium Members ONLY *** (09 May 2025)

Just made a new account? Can't post? Click above.

Purpose internal resistor pcm potentiometer

  • autojoe
  • autojoe's Avatar Topic Author
  • Offline
  • Elite Member
  • Elite Member
More
6 years 11 months ago #24360 by autojoe
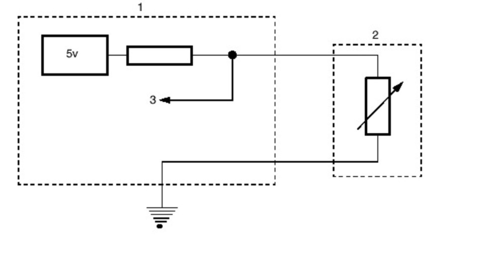
The internal pcm resistor between 5 volt ref and signal circuit.... Purpose. There is a internal Voltage sensing circuit that does not support current flow. The voltage sensing circuit is for monitoring the potentiometer for problems to trip a code..... Correct? Is it there for signal circuit integrity from pcm to connector? That's if it is there. Not all vehicles use it correct? Would it also protect the 5 volt regulator in case of a short in the signal wire? Just curios why it is there. Thanks

Please Log in or Create an account to join the conversation.

More
6 years 11 months ago - 6 years 11 months ago #24370 by Andy.MacFadyen
Replied by Andy.MacFadyen on topic Purpose internal resistor pcm potentiometer
I suspect you guys are getting hold of the wrong end of the stick here, the two circuits both function like potentiometers but they are different.
The first type of circuit found most commonly in throttle position sensors is a true potentiometer real easy to understand.
Another name for a potentiometer is a voltage divider and that is probably a more meaningful way to think of it.
The other thing to keep in mind the ECM is measuring these signals as changes voltages not currents
I am not going to into much detail but the circuits used are called a Wheatstone Bridge, Wheatstone like Samuel Morse was an developer of the early telegraph system.

Quoting Wikipedia
"A potentiometer is a three-terminal resistor with a sliding or rotating contact that forms an adjustable voltage divider. If only two terminals are used, one end and the wiper, it acts as a variable resistor or rheostat. "

In a Throttle Postion Sensor we have a closely controlled 5v ref voltage at one ended terminal and straight ground at the other end terminal while the centre pin is our variable output.



The way to think of this is if we have 2 towns connected by a telegraph wire at town A the wire is connected to a 5v reference and at town B the wire is simply connected straight to ground.


" We're trying to plug a hole in the universe, what are you doing ?. "
(Walter Bishop Fringe TV show)



Attachments:
Last edit: 6 years 11 months ago by Andy.MacFadyen.

Please Log in or Create an account to join the conversation.

More
6 years 11 months ago - 6 years 11 months ago #24371 by Andy.MacFadyen
Replied by Andy.MacFadyen on topic Purpose internal resistor pcm potentiometer
If the resistance of the sweep of the throttle position sensor is constant it is really easy for the engine computer to measure the throtlle position.




" We're trying to plug a hole in the universe, what are you doing ?. "
(Walter Bishop Fringe TV show)



Attachments:
Last edit: 6 years 11 months ago by Andy.MacFadyen.

Please Log in or Create an account to join the conversation.

More
6 years 11 months ago #24372 by Andy.MacFadyen
Replied by Andy.MacFadyen on topic Purpose internal resistor pcm potentiometer
The other type of circuit is the type used in automotive temperature sensors has a fixed value resistor (built into the ECM) connected through ground through a variable resistor (actually a thermistor) and sensor output voltage is measured at a point between the two.



" We're trying to plug a hole in the universe, what are you doing ?. "
(Walter Bishop Fringe TV show)



Attachments:

Please Log in or Create an account to join the conversation.

More
6 years 11 months ago - 6 years 11 months ago #24374 by Andy.MacFadyen
Replied by Andy.MacFadyen on topic Purpose internal resistor pcm potentiometer
The coolant sensor is an NTC Thermistor (Negative Temperature Coefficient Thermistor) this a resistor that reduces in resistance when its' temperature is increased. At a normal cold start most automotive temperature sensors have a resistance of between 3,000 and 4,000 ohms.but when hot this reduces to a few hundred ohms.




" We're trying to plug a hole in the universe, what are you doing ?. "
(Walter Bishop Fringe TV show)



Attachments:
Last edit: 6 years 11 months ago by Andy.MacFadyen.

Please Log in or Create an account to join the conversation.

  • autojoe
  • autojoe's Avatar Topic Author
  • Offline
  • Elite Member
  • Elite Member
More
6 years 11 months ago #24375 by autojoe
Replied by autojoe on topic Purpose internal resistor pcm potentiometer
Thanks for the reply. I know about voltage dividing circuits and thermistor..... And the pcm voltage sensing and no current flow on signal wire. What is the fixed resistor between the five volt ref and the signal wire internal inside the pcm used for? Am I missing something?

Please Log in or Create an account to join the conversation.

More
6 years 11 months ago - 6 years 11 months ago #24376 by Andy.MacFadyen
Replied by Andy.MacFadyen on topic Purpose internal resistor pcm potentiometer

autojoe wrote: Thanks for the reply. I know about voltage dividing circuits and thermistor..... And the pcm voltage sensing and no current flow on signal wire. What is the fixed resistor between the five volt ref and the signal wire internal inside the pcm used for? Am I missing something?


It really is all to do with voltage drop across the ECM's fixed value resistor and share of the volts drop across the thermistor.
The same current flows through both the fixed resistor in the ECU and the Temperature sensor but the way the volts drop across each resistor changes, at low temperatures more of the voltage is dropped across the temperature sensor but at higher tempersture most of the 5v is dropped across the fixed resistor inside the ECM.


" We're trying to plug a hole in the universe, what are you doing ?. "
(Walter Bishop Fringe TV show)



Attachments:
Last edit: 6 years 11 months ago by Andy.MacFadyen.

Please Log in or Create an account to join the conversation.

  • autojoe
  • autojoe's Avatar Topic Author
  • Offline
  • Elite Member
  • Elite Member
More
6 years 11 months ago #24377 by autojoe
Replied by autojoe on topic Purpose internal resistor pcm potentiometer
I know how a thermistor works with voltage dividing circuit but I am talking about the potentiometer circuit with the fixed resistor between the 5 volt ref and the signal wire of the potentiometer and the purpose of the 5 volts on the signal wire with it disconnected.

Please Log in or Create an account to join the conversation.

More
6 years 11 months ago #24381 by Andy.MacFadyen
Replied by Andy.MacFadyen on topic Purpose internal resistor pcm potentiometer
Open circuit = No current = No Voltage Drop = 5v

" We're trying to plug a hole in the universe, what are you doing ?. "
(Walter Bishop Fringe TV show)



Please Log in or Create an account to join the conversation.

  • autojoe
  • autojoe's Avatar Topic Author
  • Offline
  • Elite Member
  • Elite Member
More
6 years 11 months ago #24382 by autojoe
Replied by autojoe on topic Purpose internal resistor pcm potentiometer
Thanks Andy....isn't the voltage sensing circuit do this with or without the fixed resistor with the two types of potentiometers designs? The voltage sensing circuit without the fixed resistor have the capability to detect opens and shorts that's basically what it is looking for. Thanks

Please Log in or Create an account to join the conversation.

More
6 years 11 months ago #24409 by Deejay
Replied by Deejay on topic Purpose internal resistor pcm potentiometer
The internal resistor allow for MORE ENHANCED diagnostics basically.

The voltage sensing circuit without the fixed resistor would see the 0 volts on the signal wire as either a short or an open, it doesn't know for sure which one.

On the other design, with the fixed resistor, with the presence of 5v on the signal wire, the computer knows that's an open or the sensor is unplugged. If it sees 0v, it knows right away there's a short somewhere on the signal wire. It may flag a more specific DTC.

Please Log in or Create an account to join the conversation.

  • autojoe
  • autojoe's Avatar Topic Author
  • Offline
  • Elite Member
  • Elite Member
More
6 years 11 months ago #24416 by autojoe
Replied by autojoe on topic Purpose internal resistor pcm potentiometer
The internal voltage sensing circuit has the same capabilities for open and short in the circuit without the fixed resistor.

Please Log in or Create an account to join the conversation.

  • ScannerDanner
  • ScannerDanner's Avatar
  • Away
  • Administrator
  • Administrator
  • Religion says do, Jesus says done!
More
6 years 10 months ago #24984 by ScannerDanner
Replied by ScannerDanner on topic Purpose internal resistor pcm potentiometer

autojoe wrote: I know how a thermistor works with voltage dividing circuit but I am talking about the potentiometer circuit with the fixed resistor between the 5 volt ref and the signal wire of the potentiometer and the purpose of the 5 volts on the signal wire with it disconnected.

Are you a premium member? This would be the lecture you want to watch. I do my best to explain this internal resistor.
www.scannerdanner.com/scannerdanner-prem...Potentiometers-10-15

Don't be a parts changer!

Please Log in or Create an account to join the conversation.

Time to create page: 0.440 seconds