*** Restricting New Posts to SD Premium Members ONLY *** (09 May 2025)
Just made a new account? Can't post? Click above.
Chapter 2 & 3 Question
- DaveG
-
Topic Author
- Offline
- New Member
-
Less
More
- Posts: 3
- Thank you received: 0
7 years 9 months ago #17426
by DaveG
Chapter 2 & 3 Question was created by DaveG
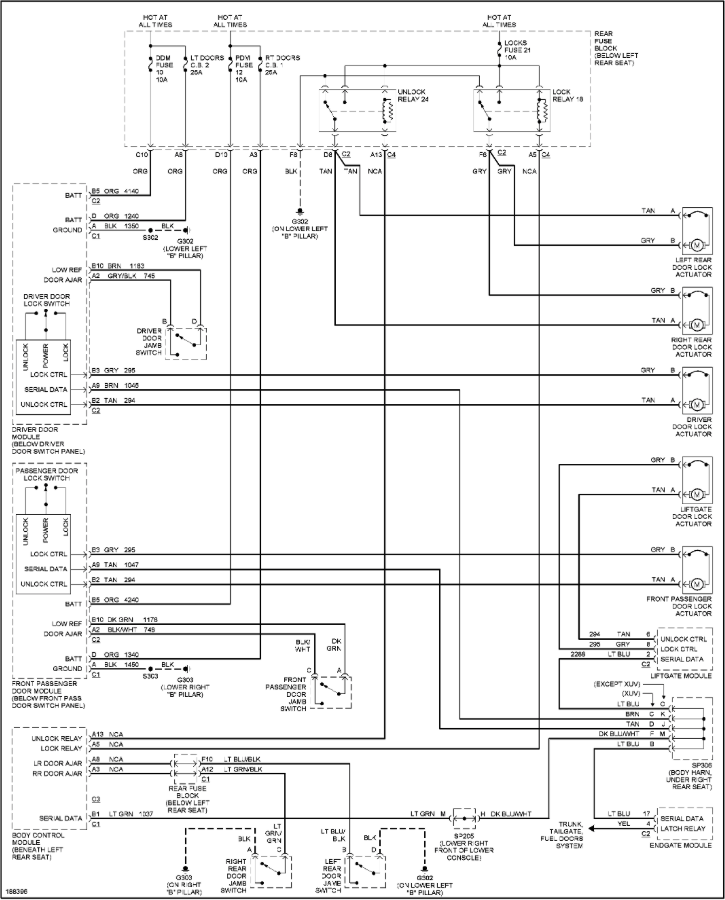
After finishing chapter 2&3 I wanted to put into practice what I have learned. So I pulled a diagram for my 2004 Chevy Trailblazer. I started with window motors and found they are more complex than expected. There are modules with class 2 serial data and both motor wires go to the module. Im sure how to test these. So I then tried to test rear wiper motor and then door locks and found the same thing. Can what Ive learned be applied here or will this type of circuit be covered at some point?
Please Log in or Create an account to join the conversation.
- Tyler
-
- Offline
- Moderator
-
- Full time HACK since 2012
Less
More
- Posts: 6052
- Thank you received: 1523
7 years 9 months ago #17429
by Tyler
Replied by Tyler on topic Chapter 2 & 3 Question
Hey DaveG! The door lock and power window circuits on your Trailblazer can definitely be tested with SD methods, but (as you noted) they're a couple levels more complex than the simple circuits shown in the book.
The trouble in your example is that you won't be able to simulate switch inputs to run the locks or the windows, because the switches themselves are integral to their respective modules (drivers door, passenger door, ect). The motors used in the locks and windows are also reverse polarity, meaning that power and ground gets switched depending on which direction you want the motor to spin. That means, in the case of a door lock, that one wire will have power when unlocking, and the same wire will have ground when locking. :silly:
I'm not sure that reverse polarity motors get covered in the book, but Paul does have several videos out covering them if you're interested:
www.scannerdanner.com/scannerdanner-prem...ght=WyJ3aW5kb3ciXQ==
What engine does your Trailblazer have? 4.2, 5.3? Let us know, and we can suggest some easier (and easier to access) circuits to test.
The trouble in your example is that you won't be able to simulate switch inputs to run the locks or the windows, because the switches themselves are integral to their respective modules (drivers door, passenger door, ect). The motors used in the locks and windows are also reverse polarity, meaning that power and ground gets switched depending on which direction you want the motor to spin. That means, in the case of a door lock, that one wire will have power when unlocking, and the same wire will have ground when locking. :silly:
I'm not sure that reverse polarity motors get covered in the book, but Paul does have several videos out covering them if you're interested:
www.scannerdanner.com/scannerdanner-prem...ght=WyJ3aW5kb3ciXQ==
What engine does your Trailblazer have? 4.2, 5.3? Let us know, and we can suggest some easier (and easier to access) circuits to test.
Please Log in or Create an account to join the conversation.
- DaveG
-
Topic Author
- Offline
- New Member
-
Less
More
- Posts: 3
- Thank you received: 0
7 years 9 months ago #17430
by DaveG
Replied by DaveG on topic Chapter 2 & 3 Question
I have the 4.2L. I will definitely check the videos you linked. Thank you.
Please Log in or Create an account to join the conversation.
Time to create page: 0.293 seconds