Help us help you. By posting the year, make, model and engine near the beginning of your help request, followed by the symptoms (no start, high idle, misfire etc.) Along with any prevalent Diagnostic Trouble Codes, aka DTCs, other forum members will be able to help you get to a solution more quickly and easily!
1994 Dodge Viper V10 (car shuts down after 1 hour of driving
- SK
-
Topic Author
- Offline
- Senior Member
-
Less
More
- Posts: 42
- Thank you received: 8
4 years 3 weeks ago - 4 years 3 weeks ago #54813
by SK
1994 Dodge Viper V10 (car shuts down after 1 hour of driving was created by SK
History:
1. Car shuts down after 1 hour of operation ... almost as if it has a 1 hour timer and you have to put a quarter in the slot to drive it another hour.
2. Arm the alarm system and then disarm the alarm system and it will restart.
3. After the "hot" restart, if you floor it (high RPM), the car will die again; if you dive it at low rpm, it won't die
What's been done:
1. Owner has sent the PCM to "The Viper Store" for testing. Was told PCM was no good, and not repairable. Owner then takes PCM to local MB repair facility, where they find several bad capacitors on the MB. Car starts & runs after this repair, but will shut down after 1 hour of driving.
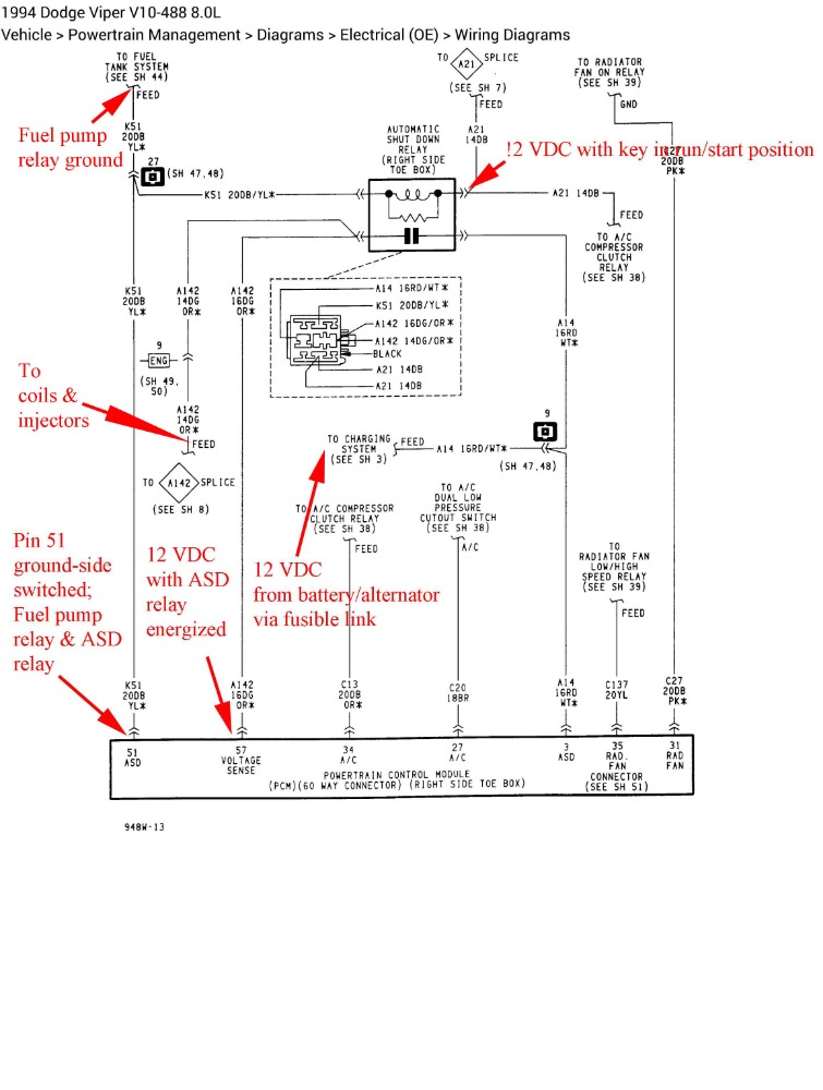
2. Customer calls me, and we start reviewing the power distribution and engine control system theory of operation from All Data.com. The viper uses Chrysler's famous ASD relay to prevent engine operation (no ignition, injectors, or fuel pump), if the PCM doesn't see cam and crank sensor data.
3. Car sets DTC for camshaft sensor; owner changes camshaft sensor; problem persists.
4. Connected lab scope (4 circuits)
4a. Connected scope to power feed to ASD relay to see if we were losing 12 DC from fusible link to ASD relay. (all good)
4b. Connected to pin 9 of PCM to monitor 12 VDC from ignition switch to ASD (energize) relay. Ignition switch provides 12 VDC; the PCM grounds this circuit when it sees cam and crank sensors.
4c. Connected to Pin 51 at PCM; this should be 12 volts, but drop to near zero when the the PCM provides the ground to energize the ASD and fuel pump relays.
4d. Pin 57 at PCM (ASD voltage sense circuit).
Observations: While driving, voltage at pin 51 (4c above) would fluctuate between 800 MV and 2.5 VDC; when the owner would come to a stop, the voltage would rise (Min) 4 volts (max 6 volts). From what I've learned from Paul, these ground-side switched circuits should be about 100 mV.
After driving for 1 hour (car is nice and hot now), the voltage (monitoring min and max with the lab scope), I witnessed over 13VDC on this circuit and the car shut down.
Since a new Dodge Viper PCM is $2000.00 (and that's for a rebuilt unit), we changed out the ASD relay ($9.00) thinking that with electrical current flowing through the ASD relay at all times that the contacts may be getting hot, causing excess resistance, and my voltage rise on the ground side of the circuit. We drove the car again, and monitored the circuit; we didn't have any problems until the owner pulled in to refuel; as soon as we left the gas station, the car died. We could induce another stall by performing full throttle acceleration.
Now for my next thought. Is it possible the driver circuit in the PCM is getting hot after 1 hour of driving and then opens the circuit? (See schematic below). I've ruled out a faulty fusible link (4a above), and the ignition switch (4b above) because I never lost power on those circuits when the car died.
So, I'm thinking if I provide my own ground for the ASD relay (effectively bypassing the PCM), I can prove it's a faulty PCM driver if the car continues to run past the 1 hour mark.
Thoughts?
1. Car shuts down after 1 hour of operation ... almost as if it has a 1 hour timer and you have to put a quarter in the slot to drive it another hour.
2. Arm the alarm system and then disarm the alarm system and it will restart.
3. After the "hot" restart, if you floor it (high RPM), the car will die again; if you dive it at low rpm, it won't die
What's been done:
1. Owner has sent the PCM to "The Viper Store" for testing. Was told PCM was no good, and not repairable. Owner then takes PCM to local MB repair facility, where they find several bad capacitors on the MB. Car starts & runs after this repair, but will shut down after 1 hour of driving.
2. Customer calls me, and we start reviewing the power distribution and engine control system theory of operation from All Data.com. The viper uses Chrysler's famous ASD relay to prevent engine operation (no ignition, injectors, or fuel pump), if the PCM doesn't see cam and crank sensor data.
3. Car sets DTC for camshaft sensor; owner changes camshaft sensor; problem persists.
4. Connected lab scope (4 circuits)
4a. Connected scope to power feed to ASD relay to see if we were losing 12 DC from fusible link to ASD relay. (all good)
4b. Connected to pin 9 of PCM to monitor 12 VDC from ignition switch to ASD (energize) relay. Ignition switch provides 12 VDC; the PCM grounds this circuit when it sees cam and crank sensors.
4c. Connected to Pin 51 at PCM; this should be 12 volts, but drop to near zero when the the PCM provides the ground to energize the ASD and fuel pump relays.
4d. Pin 57 at PCM (ASD voltage sense circuit).
Observations: While driving, voltage at pin 51 (4c above) would fluctuate between 800 MV and 2.5 VDC; when the owner would come to a stop, the voltage would rise (Min) 4 volts (max 6 volts). From what I've learned from Paul, these ground-side switched circuits should be about 100 mV.
After driving for 1 hour (car is nice and hot now), the voltage (monitoring min and max with the lab scope), I witnessed over 13VDC on this circuit and the car shut down.
Since a new Dodge Viper PCM is $2000.00 (and that's for a rebuilt unit), we changed out the ASD relay ($9.00) thinking that with electrical current flowing through the ASD relay at all times that the contacts may be getting hot, causing excess resistance, and my voltage rise on the ground side of the circuit. We drove the car again, and monitored the circuit; we didn't have any problems until the owner pulled in to refuel; as soon as we left the gas station, the car died. We could induce another stall by performing full throttle acceleration.
Now for my next thought. Is it possible the driver circuit in the PCM is getting hot after 1 hour of driving and then opens the circuit? (See schematic below). I've ruled out a faulty fusible link (4a above), and the ignition switch (4b above) because I never lost power on those circuits when the car died.
So, I'm thinking if I provide my own ground for the ASD relay (effectively bypassing the PCM), I can prove it's a faulty PCM driver if the car continues to run past the 1 hour mark.
Thoughts?
Attachment not found
Attachment not found
Last edit: 4 years 3 weeks ago by SK. Reason: Updating schematic
Please Log in or Create an account to join the conversation.
- Ben
-
- Offline
- Platinum Member
-
Less
More
- Posts: 1098
- Thank you received: 215
4 years 3 weeks ago #54814
by Ben
Replied by Ben on topic Re:1994 Dodge Viper V10 (car shuts down after 1 hour of driving
If I understand your post correctly the asd relay ground control side makes it up to 13v and car dies? Was this measurement taken at pcm connector or asd connector? May be worth rechecking at pcm to verify its not a worn/corroded wire if you haven't done so already. I would verify power and ground feeding the pcm , 2nd maybe an amp clamp on all powers or all grounds and see if the pcm is being overloaded by something it is supplying . Currently pcm looks pretty suspect but powers and grounds need verified and that it isn't overloaded.
Sent from my SM-G781V using Tapatalk
Sent from my SM-G781V using Tapatalk
Please Log in or Create an account to join the conversation.
- SK
-
Topic Author
- Offline
- Senior Member
-
Less
More
- Posts: 42
- Thank you received: 8
4 years 3 weeks ago #54817
by SK
Replied by SK on topic Re:1994 Dodge Viper V10 (car shuts down after 1 hour of driving
Correct. The ASD ground side voltage is all over the place; when installed the new ASD relay, the min/max went from 800mv/2.5v to min/max 100mv/1.5v, so I thought we had a good fix. But again, as soon as you come to a stop (stop sign/red light etc), the voltage would rise. The only thing I could think of was that airflow while driving was keeping the PCM and other things cool. When you stop, heat builds and electrical resistance with the heat.
I checked the ASD ground circuit voltage at the PCM.
I will recheck powers and ground, but don't think I'll find anything because I believe this problem is heat related ... something is getting hot, resistance rises, and then some circuit (car killing circuit) opens.
I'm thinking that I'll install my test relay in place of the ASD so I can keep the relay powered on, and then drive the car to see if it dies again.
I checked the ASD ground circuit voltage at the PCM.
I will recheck powers and ground, but don't think I'll find anything because I believe this problem is heat related ... something is getting hot, resistance rises, and then some circuit (car killing circuit) opens.
I'm thinking that I'll install my test relay in place of the ASD so I can keep the relay powered on, and then drive the car to see if it dies again.
Please Log in or Create an account to join the conversation.
- Ben
-
- Offline
- Platinum Member
-
Less
More
- Posts: 1098
- Thank you received: 215
4 years 3 weeks ago #54818
by Ben
Replied by Ben on topic Re:1994 Dodge Viper V10 (car shuts down after 1 hour of driving
Good no need to repeat test if that was at pcm , however I don't believe supplying the ground for the asd relay is going to be very conclusive as #1 that doesn't rule out the power and grounds (I would use scope on powers and grounds and take the measurements when the car is acting up) to verify your high resistance/heat issue isn't before the power gets to the pcm, #2 it doesn't rule out a shorted load that the pcm doesn't have enough current to give causing pcm to shutdown. On a 4channel scope you'll need to do it in several test drives to get all the powers and grounds if they all check out then a amp clamp across all the supply powers or supply grounds would put the icing on the cake to verify the issue is 100% inside the pcm
Sent from my SM-G781V using Tapatalk
Sent from my SM-G781V using Tapatalk
Please Log in or Create an account to join the conversation.
- SK
-
Topic Author
- Offline
- Senior Member
-
Less
More
- Posts: 42
- Thank you received: 8
4 years 3 weeks ago - 4 years 3 weeks ago #54819
by SK
Replied by SK on topic Re:1994 Dodge Viper V10 (car shuts down after 1 hour of driving
Disagree, if I lose the PCM supplied ground to the ASD relay, I lose the fuel pump, injectors, and ignition coils ... car shuts off.
In my original post (4a and 4b), I was monitoring power to the PCM and ASD relay circuits; I never lost power; I checked grounds previously ... all zero ohms from PCM harness connector to ground.
Next test drive is Saturday; I'll try the ASD test relay first; if that doesn't work, I'll try your suggestion.
Oh, I forgot to mention ... on a previous test drive, I was monitoring Cam and Crank sensor waveforms; I never lost those signals even when the car shut off. I was watching those two sensors because the PCM opens the ASD ground circuit if it loses cam/crank signals.
In my original post (4a and 4b), I was monitoring power to the PCM and ASD relay circuits; I never lost power; I checked grounds previously ... all zero ohms from PCM harness connector to ground.
Next test drive is Saturday; I'll try the ASD test relay first; if that doesn't work, I'll try your suggestion.
Oh, I forgot to mention ... on a previous test drive, I was monitoring Cam and Crank sensor waveforms; I never lost those signals even when the car shut off. I was watching those two sensors because the PCM opens the ASD ground circuit if it loses cam/crank signals.
Last edit: 4 years 3 weeks ago by SK.
Please Log in or Create an account to join the conversation.
- Ben
-
- Offline
- Platinum Member
-
Less
More
- Posts: 1098
- Thank you received: 215
4 years 3 weeks ago #54820
by Ben
Replied by Ben on topic Re:Re:1994 Dodge Viper V10 (car shuts down after 1 hour of driving
I'm not saying keeping the asd relay grounded may not keep the car from stalling, im saying that doesn't prove the pcm is what's causing the asd to lose its ground it could be caused by a problem in wiring or load causing the pcm to lose control of the asd .to clarify you did have the scope on powers to the pcm and did not see powers drop during your stall event? If so good just need to check grounds and amperage during stall event
Sent from my SM-G781V using Tapatalk
Sent from my SM-G781V using Tapatalk
Please Log in or Create an account to join the conversation.
- SK
-
Topic Author
- Offline
- Senior Member
-
Less
More
- Posts: 42
- Thank you received: 8
4 years 3 weeks ago - 4 years 3 weeks ago #54841
by SK
Replied by SK on topic Re:Re:1994 Dodge Viper V10 (car shuts down after 1 hour of driving
Correct, I didn't see any drop in 12 VDC PCM input circuits during the stall event; grounds have been inspected for corrosion, looseness, and continuity. No defects noted.
However, I did read up on the factory alarm system this morning. The alarm module (SAM), if an alarm condition is met (or there is a malfunction with SAM), will send a signal to the PCM over the serial data buss, and the PCM will shut down the fuel system. Since the only way for the PCM to shut off the fuel system is for it to open the ASD relay (disconnect the ground), the stall events could be caused by a faulty alarm module too. That would explain why the car won't start after a stall unless we arm and disarm the system. The text of the manual also goes on to state that if the battery (12 VDC source to SAM), is disconnected, SAM will latch "in the alarm triggered condition", and it can only be corrected by disarming the system.
In the service procedure for SAM, the manual says you can disconnect it, but you have to do so while the engine is running or it will cause a no-start condition. So, that's where I'm thinking I'll go next ... start the car, disconnect SAM, drive it, and see if it still dies. I'll keep you posted.
Thanks for the replies Ben!
However, I did read up on the factory alarm system this morning. The alarm module (SAM), if an alarm condition is met (or there is a malfunction with SAM), will send a signal to the PCM over the serial data buss, and the PCM will shut down the fuel system. Since the only way for the PCM to shut off the fuel system is for it to open the ASD relay (disconnect the ground), the stall events could be caused by a faulty alarm module too. That would explain why the car won't start after a stall unless we arm and disarm the system. The text of the manual also goes on to state that if the battery (12 VDC source to SAM), is disconnected, SAM will latch "in the alarm triggered condition", and it can only be corrected by disarming the system.
In the service procedure for SAM, the manual says you can disconnect it, but you have to do so while the engine is running or it will cause a no-start condition. So, that's where I'm thinking I'll go next ... start the car, disconnect SAM, drive it, and see if it still dies. I'll keep you posted.
Thanks for the replies Ben!
Last edit: 4 years 3 weeks ago by SK.
Please Log in or Create an account to join the conversation.
- Ben
-
- Offline
- Platinum Member
-
Less
More
- Posts: 1098
- Thank you received: 215
4 years 3 weeks ago #54845
by Ben
Replied by Ben on topic Re:Re:Re:1994 Dodge Viper V10 (car shuts down after 1 hour of driving
Wow I'm suprised the theft system has control over the car to shut it down while it's running?!! That seems dangerous by design....
Sent from my SM-G781V using Tapatalk
Sent from my SM-G781V using Tapatalk
Please Log in or Create an account to join the conversation.
- SK
-
Topic Author
- Offline
- Senior Member
-
Less
More
- Posts: 42
- Thank you received: 8
4 years 1 week ago - 4 years 1 week ago #55128
by SK
Replied by SK on topic Re:Re:Re:1994 Dodge Viper V10 (car shuts down after 1 hour of driving
Ben, here's the update from today's run.
We started by monitoring the crankshaft, camshaft, and the 12 volt "voltage sense" circuit. the voltage sense circuit is the 12 VDC signal from the ASD relay back to the PCM.
Results; at about the 1:15 hour mark of driving, we lost both the cam and cranks sensor signals, and just milliseconds later the PCM deenergized the ASD relay and the car shut down.
Next, I monitored the 8 volt reference signal to the cam and crank sensors, and we went for another drive. At about the 30 minute mark, the 8 VDC signal from the PCM dropped to zero, and the car died.
All signals obtained by back-probing the PCM connectors.
So, what we are seeing is the 8 VDC signal to the cam/crank sensors dropping to zero; in turn, the PCM can't see the cam/crank sensors, and it de-energizes the ASD relay and the car dies.
After further review of the sensor circuits, I discovered the vehicle speed sensor (VSS) (on the transmission) shares the 8 VDC signal from the PCM with the cam/cranks sensors. According to the theory of operation in All Data, the VSS has contacts that open & close 8000 times per mile, and signals the PCM that the car is decelerating so the PCM can control the IAC valve and maintain proper MAP pressure. It goes on to say that if the VSS contacts close, the 8 VDC reference signal will drop to zero. And that means if the contacts close, the cam/crank sensors will lose their 8 VDC signal too, and the PCM will shut down the car by de-energizing the ASD relay.
So now, I just need to figure out how to test an intermittent VSS.
We started by monitoring the crankshaft, camshaft, and the 12 volt "voltage sense" circuit. the voltage sense circuit is the 12 VDC signal from the ASD relay back to the PCM.
Results; at about the 1:15 hour mark of driving, we lost both the cam and cranks sensor signals, and just milliseconds later the PCM deenergized the ASD relay and the car shut down.
Next, I monitored the 8 volt reference signal to the cam and crank sensors, and we went for another drive. At about the 30 minute mark, the 8 VDC signal from the PCM dropped to zero, and the car died.
All signals obtained by back-probing the PCM connectors.
So, what we are seeing is the 8 VDC signal to the cam/crank sensors dropping to zero; in turn, the PCM can't see the cam/crank sensors, and it de-energizes the ASD relay and the car dies.
After further review of the sensor circuits, I discovered the vehicle speed sensor (VSS) (on the transmission) shares the 8 VDC signal from the PCM with the cam/cranks sensors. According to the theory of operation in All Data, the VSS has contacts that open & close 8000 times per mile, and signals the PCM that the car is decelerating so the PCM can control the IAC valve and maintain proper MAP pressure. It goes on to say that if the VSS contacts close, the 8 VDC reference signal will drop to zero. And that means if the contacts close, the cam/crank sensors will lose their 8 VDC signal too, and the PCM will shut down the car by de-energizing the ASD relay.
So now, I just need to figure out how to test an intermittent VSS.
Last edit: 4 years 1 week ago by SK.
Please Log in or Create an account to join the conversation.
- SK
-
Topic Author
- Offline
- Senior Member
-
Less
More
- Posts: 42
- Thank you received: 8
4 years 16 hours ago #55378
by SK
Replied by SK on topic 1994 Dodge Viper V10 (car shuts down after 1 hour of driving
Dodge Viper shutdown solved:
It was an intermittent short in the Crankshaft sensor.
It was an intermittent short in the Crankshaft sensor.
Please Log in or Create an account to join the conversation.
- Cheryl
-
- Offline
- Platinum Member
-
Less
More
- Posts: 1216
- Thank you received: 215
4 years 13 hours ago #55388
by Cheryl
Replied by Cheryl on topic 1994 Dodge Viper V10 (car shuts down after 1 hour of driving
Nice work I’ve never worked on a viper probably never will but was an interesting post
Please Log in or Create an account to join the conversation.
- SK
-
Topic Author
- Offline
- Senior Member
-
Less
More
- Posts: 42
- Thank you received: 8
4 years 11 hours ago #55391
by SK
Replied by SK on topic 1994 Dodge Viper V10 (car shuts down after 1 hour of driving
Thanks Cheryl!
Please Log in or Create an account to join the conversation.
Time to create page: 0.325 seconds