*** Restricting New Posts to SD Premium Members ONLY *** (09 May 2025)
Just made a new account? Can't post? Click above.
[FIXED] Bank two miss
- Rm370
-
Topic Author
- Offline
- New Member
-
- Posts: 14
- Thank you received: 2
Please Log in or Create an account to join the conversation.
- Tyler
-
- Offline
- Moderator
-
- Full time HACK since 2012
- Posts: 6042
- Thank you received: 1519
I'd also suggest examining the Freeze Frame data if possible. GM normally has excellent Freeze Frame captures that can really help out in cases like this.
Which fault code did you start out with?
Please Log in or Create an account to join the conversation.
- Rm370
-
Topic Author
- Offline
- New Member
-
- Posts: 14
- Thank you received: 2
P0021 intake camshaft position system performance bank two
P0300 engine misfire detected
P0020 intake camshaft position actuator solenoid control circuit bank two
P0171 fuel trim system lean bank one
P0202 injector two control circuit
P0204 injector four control circuit
P0206 injector six control circuit.
Using my scanner I tested the VVT by advancing it in increments of 5°. All of them passed except for bank two intake cam actuator. Upon inspection it was dirty and slightly gummed up. That’s when I did the engine flush and completely cleaned the actuator. After installing it, I could run the active test and advance all of the camshafts accordingly.
The remaining remaining codes were:
P0300
P0202
P0204
P0206
It should be noted it took about 45 minutes of run time before the car would go into open loop and trigger the codes. I think I have mistakenly listed the injector codes incorrectly on my initial post. I will attempt to go back and edit that if that is the case. I will know for sure when I have the vehicle back and can run another scan.
Please Log in or Create an account to join the conversation.
- Tyler
-
- Offline
- Moderator
-
- Full time HACK since 2012
- Posts: 6042
- Thank you received: 1519
I think I have mistakenly listed the injector codes incorrectly on my initial post. I will attempt to go back and edit that if that is the case.
No worries, I can go back and edit the opening post.

I will know for sure when I have the vehicle back and can run another scan.
Sweet! Let us know when you get the vehicle again.
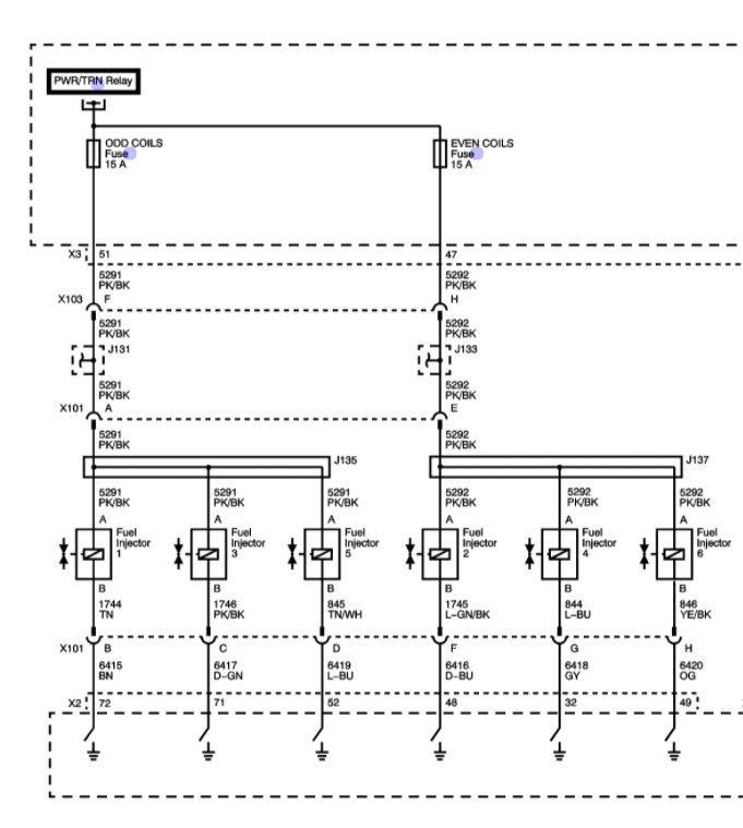
When you do, I'd be interested to monitor the injector power feed when the misfire shows up. The power feeds for the injectors are broken up between two fuses. One for bank one, the other for bank two:
Since the injectors are beneath the intake, you can't monitor the voltage directly. BUT, X101 is out in the open and easy to access.

Please Log in or Create an account to join the conversation.
- Rm370
-
Topic Author
- Offline
- New Member
-
- Posts: 14
- Thank you received: 2
Please Log in or Create an account to join the conversation.
- Rm370
-
Topic Author
- Offline
- New Member
-
- Posts: 14
- Thank you received: 2
Please Log in or Create an account to join the conversation.
- Tyler
-
- Offline
- Moderator
-
- Full time HACK since 2012
- Posts: 6042
- Thank you received: 1519
Prior to seeing your last post, I was able to get the customer to drop the car off. I pulled it in the shop and it was running and idling just fine. I let it sit for about 10 minutes and then I grabbed the wiring harness next to the fuse box under the hood and pulled up on it and was able to get the engine to start missing. So the wiggle test proved there’s something wrong with the integrity of the wiring or a connection.
Very nice.

I did notice the bracket under the fuse box was broken and the wiring harness is not routed correctly. It was kind of just laying all over the place. I was able to repair the bracket but I still suggested to the customer to try and get a used fuse box and engine wiring harness if he can.
Sounds like the fuse box may have been disassembled previously. That by itself isn't surprising, since most techs I know (including me) disassemble the box to allow the engine harness to come out with the powertrain during timing chain service.
It may be worth getting the fuse box out and in your hands to inspect for corrosion/spread pins/burnt contacts on the box AND the bulk connectors beneath.
Please Log in or Create an account to join the conversation.
- Rm370
-
Topic Author
- Offline
- New Member
-
- Posts: 14
- Thank you received: 2
I did strip the covering from the harness in that area and found nothing that jumped out. There were way too many wires to do voltage drop tests/wiggle tests on each one individually. I never thought to pull the entire box and inspect it. I will certainly report back even if I find the culprit. I am a very appreciative person. Thanks again for the guidance.
Please Log in or Create an account to join the conversation.
- Rm370
-
Topic Author
- Offline
- New Member
-
- Posts: 14
- Thank you received: 2
Please Log in or Create an account to join the conversation.
- Tyler
-
- Offline
- Moderator
-
- Full time HACK since 2012
- Posts: 6042
- Thank you received: 1519
The owner is picking up a used engine wire harness tomorrow night ($265!!) ouch! I got tied up on suspension work today and some waaaay overdue shop cleaning. I did not get a chance to pull the fuse box. Thought I would tackle it after he drops off the parts.
No worries.

Please Log in or Create an account to join the conversation.
- Rm370
-
Topic Author
- Offline
- New Member
-
- Posts: 14
- Thank you received: 2

Please Log in or Create an account to join the conversation.
- Rm370
-
Topic Author
- Offline
- New Member
-
- Posts: 14
- Thank you received: 2
Please Log in or Create an account to join the conversation.
- Rm370
-
Topic Author
- Offline
- New Member
-
- Posts: 14
- Thank you received: 2
Please Log in or Create an account to join the conversation.
- Rm370
-
Topic Author
- Offline
- New Member
-
- Posts: 14
- Thank you received: 2
Please Log in or Create an account to join the conversation.
- Tyler
-
- Offline
- Moderator
-
- Full time HACK since 2012
- Posts: 6042
- Thank you received: 1519
I wish I could tell you what the exact problem was but I simply could not pinpoint it.
Don't sweat it!

I would not call this 'parts darts' at all. You knew to a certainty there was a problem in the harness or the fuse box. Sure, you could have narrowed it down further. But what if you got down to an internal connection in the fuse box itself? Plus, you don't know what other kind of monkey business the wiring has been through.
I have no problem with the way this one got repaired. Playing parts darts would have been six injectors, an alternator and a PCM.

Please Log in or Create an account to join the conversation.
- juergen.scholl
-
- Offline
- Platinum Member
-
- Active partschanger
- Posts: 1230
- Thank you received: 462
I am going to call this one fixed. I ran the car through four heat cycles and everything is working as it should. Thank you for your assistance. I wish I could tell you what the exact problem was but I simply could not pinpoint it.
As Tyler said, don't sweat it..... Your approach looks reasonable to me ☺️, some times we're efficient and other times we're effective only.
An expert is someone who knows each time more on each time less, until he finally knows absolutely everything about absolutely nothing.
Please Log in or Create an account to join the conversation.