*** Restricting New Posts to SD Premium Members ONLY *** (09 May 2025)
Just made a new account? Can't post? Click above.
[FIXED] 2011 Chevy Express 2500 6.0L No Communication
- Tourres
-
Topic Author
- Offline
- New Member
-
- Posts: 10
- Thank you received: 1
Just reposting here for the issue that im having. Any and all help would be appreciated this thing has been stumping me for 2 days now and everything i have tried has gotten me no further to the cause of the issue. I am getting coms on the serial network but nothing on the CAN network.
Please Log in or Create an account to join the conversation.
- Cheryl
-
- Offline
- Platinum Member
-
- Posts: 1214
- Thank you received: 215
Please Log in or Create an account to join the conversation.
- Cheryl
-
- Offline
- Platinum Member
-
- Posts: 1214
- Thank you received: 215
Please Log in or Create an account to join the conversation.
- Tourres
-
Topic Author
- Offline
- New Member
-
- Posts: 10
- Thank you received: 1
Please Log in or Create an account to join the conversation.
- Tyler
-
- Offline
- Moderator
-
- Full time HACK since 2012
- Posts: 6043
- Thank you received: 1519
Cheryl is right on about doing some quick checks at pins 6 and 14 of the DLC. I'd like to see:
1.) Resistance across both pins with the key off.
2.) Voltage between pin 16 and pin 4/5.
3.) Voltage between pin 6 and 4/5 with the key on.
4.) Voltage between pin 14 and 4/5 with the key on.
Please Log in or Create an account to join the conversation.
- Tourres
-
Topic Author
- Offline
- New Member
-
- Posts: 10
- Thank you received: 1
Please Log in or Create an account to join the conversation.
- Tyler
-
- Offline
- Moderator
-
- Full time HACK since 2012
- Posts: 6043
- Thank you received: 1519
Yes i have no communication on the high speed but have comms on the low side will get pictures of the things you requested as soon as I can.
Love it.

I also need to clarify, you have no communication with ANY module on the high speed GMLAN? Or only select modules?
15.7K ohms across 6 and 14 is way too high. That may also explain why the voltage is too high on CAN High pin 6. Would you be able to take this reading again? Key off, open and shut the drivers door and wait a minute. I'm sorry to ask you to redo this, I just want to make darn sure.
If the high resistance remains, we'll want to break the network in two and test resistance in both directions. You said you have access to the BCM? We can use that as a testing point if the connectors are easy to get to.
Please Log in or Create an account to join the conversation.
- Tourres
-
Topic Author
- Offline
- New Member
-
- Posts: 10
- Thank you received: 1
Please Log in or Create an account to join the conversation.
- Tyler
-
- Offline
- Moderator
-
- Full time HACK since 2012
- Posts: 6043
- Thank you received: 1519
yes i have no comms to any high speed module.
Gotcha, thank you.

That reading was taken first thing this morning before anything was turned on and with the door latch tripped so that i could get to everything.
Excellent.
I can access the BCM very easily as i have already been there for testing.
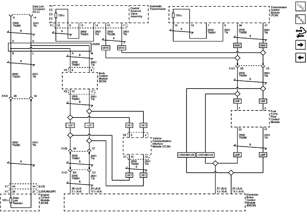
Awesome, we'll use that. Key off and out, cycle the door and latch it. Disconnect X3 (light blue). One resistance measurement between 8 and 9. Another between 16 and 17. That'll point us either towards the ECM, or towards the transmission/TCM.
I'm guessing we're gonna end up at X100 or X101 before we're done. :silly: But this'll work for now.
this things has been a nightmare for the last 2 days and am about at my wits end with it lol.
Don't yeet this one into the lake just yet. :lol:
Please Log in or Create an account to join the conversation.
- Tourres
-
Topic Author
- Offline
- New Member
-
- Posts: 10
- Thank you received: 1
Please Log in or Create an account to join the conversation.
- Tyler
-
- Offline
- Moderator
-
- Full time HACK since 2012
- Posts: 6043
- Thank you received: 1519
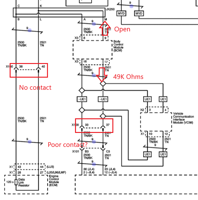
Ok so here are my readings from the X3 connector at the BCM. The connector was disconnected of course.
No offense, but are you sure the ohm meter in your Verus is working correctly? Do you have another meter handy? Again, I'm not questioning you, just making sure.
If those readings check out, we have at least two problems. :silly: A open circuit between the BCM and the ECM, and excessive resistance towards the EBCM.
My preference would be to go for the open circuit first. Fewer variables, easier access. As I said earlier, I believe X100 or X101 is gonna be the next best bet. Let me know which one is easier to get ahold of, and we can restest.
Please Log in or Create an account to join the conversation.
- Tourres
-
Topic Author
- Offline
- New Member
-
- Posts: 10
- Thank you received: 1
Please Log in or Create an account to join the conversation.
- Tourres
-
Topic Author
- Offline
- New Member
-
- Posts: 10
- Thank you received: 1
Please Log in or Create an account to join the conversation.
- Tyler
-
- Offline
- Moderator
-
- Full time HACK since 2012
- Posts: 6043
- Thank you received: 1519
I retested with my other meter still got an open on one side and 49 kOhms on the other.
I appreciate the recheck.

X100 would be the way to go to track the open, IMO. Reconnect X3 at the BCM, then disconnect X100 and measure resistance across pins 36 and 40 in both directions.
Please Log in or Create an account to join the conversation.
- Tourres
-
Topic Author
- Offline
- New Member
-
- Posts: 10
- Thank you received: 1
Please Log in or Create an account to join the conversation.
- Tourres
-
Topic Author
- Offline
- New Member
-
- Posts: 10
- Thank you received: 1
Please Log in or Create an account to join the conversation.
- Tourres
-
Topic Author
- Offline
- New Member
-
- Posts: 10
- Thank you received: 1
Please Log in or Create an account to join the conversation.
- Tyler
-
- Offline
- Moderator
-
- Full time HACK since 2012
- Posts: 6043
- Thank you received: 1519
After seating the connector the right way I got full communication signal back. The vehicle then started and all the resistance test came out spot on. I guess lesson learned check connections!!!! Thank all of you especially Tyler for all your help while i was dealing with this issue. It was much appreciated!!!!!
:woohoo:

Now that it's up and running, do you think X100 being loose was the original problem? Or just an installed problem?
Speaking of X100, I wanted to revisit something I said earlier:
If those readings check out, we have at least two problems. :silly:
Well, those readings did check out. But we DIDN'T have two problems.

Does this make sense? Or did I miss something else?
Please Log in or Create an account to join the conversation.