*** Restricting New Posts to SD Premium Members ONLY *** (09 May 2025)
Just made a new account? Can't post? Click above.
Help us help you. By posting the year, make, model and engine near the beginning of your help request, followed by the symptoms (no start, high idle, misfire etc.) Along with any prevalent Diagnostic Trouble Codes, aka DTCs, other forum members will be able to help you get to a solution more quickly and easily!
2008 escalade electronic suspension control module
- bizz2222
-
Topic Author
- Offline
- Senior Member
-
Less
More
- Posts: 41
- Thank you received: 1
3 years 9 months ago #53040
by bizz2222
2008 escalade electronic suspension control module was created by bizz2222
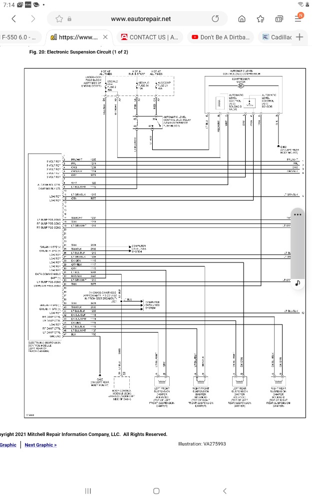
My problem is that my compressor is not running I have a good power and ground to the electronic suspension control module and also have 5 volt ref on pin 2-6 just checked them to see if the electronic suspension control module was responding but when I check pin #8 alc excust solenoid control I have nothing here is a wire diagram I guess what I'm wondering is pin #8 controlled by the electronic suspension control module ? I have a code c0660 level control exhaust valve circuit short to ground or open (symptom 6). Any help would be appreciated
Please Log in or Create an account to join the conversation.
- Tyler
-
- Offline
- Moderator
-
- Full time HACK since 2012
Less
More
- Posts: 6042
- Thank you received: 1519
3 years 9 months ago #53044
by Tyler
Replied by Tyler on topic 2008 escalade electronic suspension control module
So, with the engine running, you have 0V at pin #8 of the suspension control module?
To answer your question, yes, pin #8 is controlled directly by the ESCM. It uses a ground side switched driver to energize the exhaust solenoid in the compressor assembly.
If you did find 0V at pin #8, then I'd say the code description is accurate. Short to ground on the white wire, open in the white wire, open in the solenoid, or missing power feed to the solenoid. Exhaust solenoid failure is the prime suspect, IMO. BUT, we're not parts changers. :lol:
We'll need a few more voltage checks at the compressor assembly to make a call. KOEO, voltage at pin B and C, backprobed at the compressor. If you find 0V on pin C and 12V on pin B, disconnect the compressor and install a test light from B+ to pin C. If the bulb does not light, the solenoid is open.
You might be able to find the solenoid separately somewhere? But last time I knew, it was only available as part of the compressor assembly.
To answer your question, yes, pin #8 is controlled directly by the ESCM. It uses a ground side switched driver to energize the exhaust solenoid in the compressor assembly.
If you did find 0V at pin #8, then I'd say the code description is accurate. Short to ground on the white wire, open in the white wire, open in the solenoid, or missing power feed to the solenoid. Exhaust solenoid failure is the prime suspect, IMO. BUT, we're not parts changers. :lol:
We'll need a few more voltage checks at the compressor assembly to make a call. KOEO, voltage at pin B and C, backprobed at the compressor. If you find 0V on pin C and 12V on pin B, disconnect the compressor and install a test light from B+ to pin C. If the bulb does not light, the solenoid is open.
You might be able to find the solenoid separately somewhere? But last time I knew, it was only available as part of the compressor assembly.

Please Log in or Create an account to join the conversation.
- bizz2222
-
Topic Author
- Offline
- Senior Member
-
Less
More
- Posts: 41
- Thank you received: 1
3 years 9 months ago #53048
by bizz2222
Replied by bizz2222 on topic 2008 escalade electronic suspension control module
No I didn't check with it running just with key on I never thought of it running but your right it'll check it running. Thank you
Please Log in or Create an account to join the conversation.
- bizz2222
-
Topic Author
- Offline
- Senior Member
-
Less
More
- Posts: 41
- Thank you received: 1
3 years 9 months ago #53051
by bizz2222
Replied by bizz2222 on topic 2008 escalade electronic suspension control module
Also do you know if I have to change the ESCM will it need reprogrammed
Please Log in or Create an account to join the conversation.
- Tyler
-
- Offline
- Moderator
-
- Full time HACK since 2012
Less
More
- Posts: 6042
- Thank you received: 1519
3 years 9 months ago #53114
by Tyler
Key on should be fine, too! Did you find the solenoid electrically open? :huh:
I can't say I've ever seen an ESCM fail.
But to answer your question, yes, the ESCM will require programming and calibration if replaced.
Replied by Tyler on topic 2008 escalade electronic suspension control module
No I didn't check with it running just with key on I never thought of it running but your right it'll check it running. Thank you
Key on should be fine, too! Did you find the solenoid electrically open? :huh:
I can't say I've ever seen an ESCM fail.

Please Log in or Create an account to join the conversation.
- bizz2222
-
Topic Author
- Offline
- Senior Member
-
Less
More
- Posts: 41
- Thank you received: 1
3 years 9 months ago - 3 years 9 months ago #53127
by bizz2222
Replied by bizz2222 on topic 2008 escalade electronic suspension control module
Tyler, I had 12 v at pin b but nothing on the pin c the white wire and the air ride motor and whole unit are new well aftermarket the whole problem started when motor rotted away and froze up and it melted the plug and the ALC relay its located under the fuse box so i replaced all that to and i have got 2 different ESCM used from salvage yard but never reprogrammed either 1 of them so thats probably my problem what threw me off was i had a good ground and power to the ESCM i had the 5 volt ref just nothing on the white wire ALC EXH solenoid coming from the ESCM just seamed like i had everything but power to the white wire so wasn't sure it had to be programed. Thanks again Tyler for the help
Last edit: 3 years 9 months ago by bizz2222.
Please Log in or Create an account to join the conversation.
- Tyler
-
- Offline
- Moderator
-
- Full time HACK since 2012
Less
More
- Posts: 6042
- Thank you received: 1519
3 years 9 months ago #53133
by Tyler
Right, I got that. But did you determine if the solenoid was open, the wire was open, or if there's a short to ground?
If I'm reading you right, you've tried two different used ESCM's. Programming is important, sure. But I'm inclined to think both of the used ESCM's are telling you the truth about that solenoid circuit. Especially given the voltage readings you took.
Try this for me. Key off, disconnect the ESCM and measure voltage on pin #8. If it's zero, the problem is NOT in the ESCM.
Replied by Tyler on topic 2008 escalade electronic suspension control module
Tyler, I had 12 v at pin b but nothing on the pin c the white wire
Right, I got that. But did you determine if the solenoid was open, the wire was open, or if there's a short to ground?
If I'm reading you right, you've tried two different used ESCM's. Programming is important, sure. But I'm inclined to think both of the used ESCM's are telling you the truth about that solenoid circuit. Especially given the voltage readings you took.
Try this for me. Key off, disconnect the ESCM and measure voltage on pin #8. If it's zero, the problem is NOT in the ESCM.
Please Log in or Create an account to join the conversation.
- bizz2222
-
Topic Author
- Offline
- Senior Member
-
Less
More
- Posts: 41
- Thank you received: 1
3 years 9 months ago #53170
by bizz2222
Replied by bizz2222 on topic 2008 escalade electronic suspension control module
Tyler I haven't got back to the escalade yet probably a day next week I will let you know I will try what you said and get back to you. Thanks again
Please Log in or Create an account to join the conversation.
- Hardtopdr2
-
- Offline
- Platinum Member
-
Less
More
- Posts: 849
- Thank you received: 148
3 years 9 months ago - 3 years 9 months ago #53287
by Hardtopdr2
Replied by Hardtopdr2 on topic 2008 escalade electronic suspension control module
If you have power on one side of solenoid but not the other and fuses are good then load test the wire going to the solenoid from fuse box. The white wire is the control (switched to ground by escm). So with it unplugged you shouldn't have voltage on it. With it plugged in it should have voltage unless it's shorted to ground. So to see if that's the case hook test light to battery positive touch white wires pin and see if it lights. If nothing when not commanded then try back probing both wires in place of solinoid and see if it lights when commanded. If not then it's the module. If it does light then the solenoid is bad on the used parts.
Last edit: 3 years 9 months ago by Hardtopdr2.
Please Log in or Create an account to join the conversation.
- bizz2222
-
Topic Author
- Offline
- Senior Member
-
Less
More
- Posts: 41
- Thank you received: 1
3 years 9 months ago #53311
by bizz2222
Replied by bizz2222 on topic 2008 escalade electronic suspension control module
Thank you I will try that
Please Log in or Create an account to join the conversation.
Time to create page: 0.418 seconds