Help us help you. By posting the year, make, model and engine near the beginning of your help request, followed by the symptoms (no start, high idle, misfire etc.) Along with any prevalent Diagnostic Trouble Codes, aka DTCs, other forum members will be able to help you get to a solution more quickly and easily!
2005 mazda 6 2.3 automatic transmission not charging the battery
- AlexCJ
-
Topic Author
- Offline
- New Member
-
Less
More
- Posts: 1
- Thank you received: 0
4 years 5 months ago #52085
by AlexCJ
2005 mazda 6 2.3 automatic transmission not charging the battery was created by AlexCJ
2005 Mazda 6 2.3 automatic transmission not charging the battery we replace the alternator twice plus a new pcm still not working.
Please Log in or Create an account to join the conversation.
- Mitchroberson
-
- Offline
- Senior Member
-
Less
More
- Posts: 76
- Thank you received: 12
4 years 5 months ago #52088
by Mitchroberson
Replied by Mitchroberson on topic 2005 mazda 6 2.3 automatic transmission not charging the battery
What testing has been done? Has there been a voltage drop test between the alternator and the battery? And by chance have you checked the signal from PCM to alternator. I think the signal is based on frequency so you may need to get an occiliscope on it to see it is being commanded. But could be wrong.
Please Log in or Create an account to join the conversation.
- Cheryl
-
- Offline
- Platinum Member
-
Less
More
- Posts: 1216
- Thank you received: 215
4 years 5 months ago #52090
by Cheryl
Replied by Cheryl on topic 2005 mazda 6 2.3 automatic transmission not charging the battery
Do you have power at the large battery wire??
Please Log in or Create an account to join the conversation.
- Chad
-
- Offline
- Moderator
-
- I am not a parts changer.
Less
More
- Posts: 2173
- Thank you received: 727
4 years 5 months ago - 4 years 5 months ago #52093
by Chad
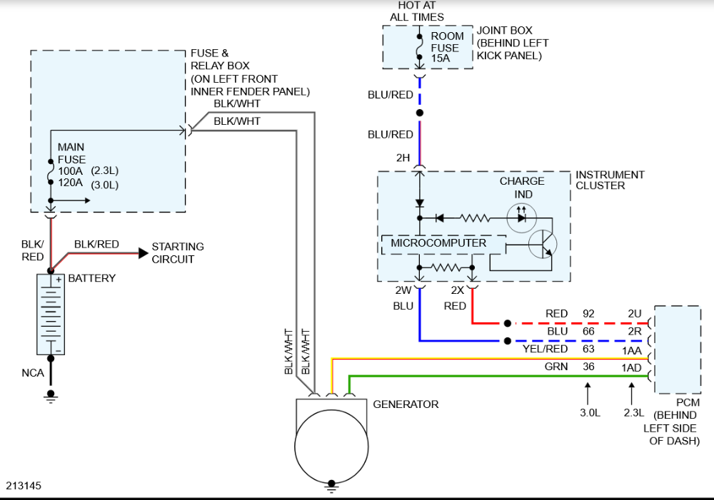
I am assuming (you know what they say about assuming) that this works the same as Ford's ComMon (command and monitor) systems. IF that is the case, The PCM will send (command) a Duty Cycle (square wave) to the alternator on one of the two wires that run between. The PCM will also look for (Monitor) the Alternator to "echo" the command, as confirmation, on the other wire. I found an image of the command square wave.
It suggests that the signal should toggle between 0 and 8 volts.
"Knowledge is a weapon. Arm yourself, well, before going to do battle."
"Understanding a question is half an answer."
I have learned more by being wrong, than I have by being right.
Replied by Chad on topic 2005 mazda 6 2.3 automatic transmission not charging the battery
I am assuming (you know what they say about assuming) that this works the same as Ford's ComMon (command and monitor) systems. IF that is the case, The PCM will send (command) a Duty Cycle (square wave) to the alternator on one of the two wires that run between. The PCM will also look for (Monitor) the Alternator to "echo" the command, as confirmation, on the other wire. I found an image of the command square wave.
It suggests that the signal should toggle between 0 and 8 volts.
"Knowledge is a weapon. Arm yourself, well, before going to do battle."
"Understanding a question is half an answer."
I have learned more by being wrong, than I have by being right.
Last edit: 4 years 5 months ago by Chad.
Please Log in or Create an account to join the conversation.
Time to create page: 0.285 seconds