*** Restricting New Posts to SD Premium Members ONLY *** (09 May 2025)
Just made a new account? Can't post? Click above.
Help us help you. By posting the year, make, model and engine near the beginning of your help request, followed by the symptoms (no start, high idle, misfire etc.) Along with any prevalent Diagnostic Trouble Codes, aka DTCs, other forum members will be able to help you get to a solution more quickly and easily!
No crank no start
- gmoriggi
-
Topic Author
- Offline
- New Member
-
Less
More
- Posts: 2
- Thank you received: 0
4 years 3 weeks ago #51664
by gmoriggi
No crank no start was created by gmoriggi
I have a 09 pontiac g6 2.4l. A few weeks ago a p0128 tc showed up suggesting i may need a new thermostat. Figuring it would be ok to drive it for a while since it wasn't an overheating issue I put it off. A week later I noticed that the ac wasn't working and that my temp gauge bottomed out. Found out that's a safety measure. However, the gauge would start working intermittently and everything would be fine. One day the gauge completely stopped. I started the car drove one place, started it again, drove it to another, started it a third time no prob. The 4th time, after i stopped for gas, no crank with "error" on the odometer. I know my starter turns when i jump the relay, but Im not getting bat voltage in crank. Ive pulled off every ground except the one behind the ac and cleaned them. Nothing. I pulled off the tps to measure a ref v. I got .70. What else do i need to do?
Please Log in or Create an account to join the conversation.
- Cheryl
-
- Offline
- Platinum Member
-
Less
More
- Posts: 1214
- Thank you received: 215
4 years 3 weeks ago #51665
by Cheryl
Replied by Cheryl on topic No crank no start
Start unplugging the 5 volt reference sensors or cutting the wires at the pcm to eliminate sensors and wiring. Need to check power and grounds at the pcm to
Please Log in or Create an account to join the conversation.
- Tyler
-
- Offline
- Moderator
-
- Full time HACK since 2012
Less
More
- Posts: 6042
- Thank you received: 1519
4 years 3 weeks ago - 4 years 3 weeks ago #51667
by Tyler
Replied by Tyler on topic No crank no start
I'd want to check communication with the ECM/PCM. If you don't have communication with that, do you have communication with anything else? That'll help narrow your search.
Does the check engine light come on when you turn the key on?
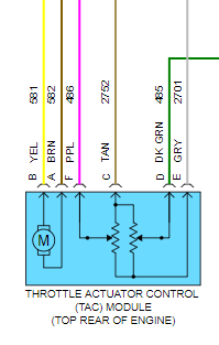
Which wire at the TPS were you checking, exactly? Here's a shot of the throttle, for reference:
Does the check engine light come on when you turn the key on?
Which wire at the TPS were you checking, exactly? Here's a shot of the throttle, for reference:
Last edit: 4 years 3 weeks ago by Tyler.
Please Log in or Create an account to join the conversation.
- gmoriggi
-
Topic Author
- Offline
- New Member
-
Less
More
- Posts: 2
- Thank you received: 0
4 years 2 weeks ago #51729
by gmoriggi
Replied by gmoriggi on topic No crank no start
There is no check engine light. It showed .71v at the purple wire key on. .002 key off. I have a cheap scan tool and it says no comm. There is a ground behind the ac compressor that i can't get to yet but I don't know if that's the computer ground.
Please Log in or Create an account to join the conversation.
- Grouchyoldman
-
- Offline
- Junior Member
-
Less
More
- Posts: 30
- Thank you received: 1
4 years 2 weeks ago #51739
by Grouchyoldman
Replied by Grouchyoldman on topic No crank no start
Check the power feeds to the pcm. No light and no comm, that's where I would start. Did someone work on it? How are the UBEC's in these(asking other techs as I retired in 08 and we had quite a few failures)? Just check all the fuses under the hood.
Please Log in or Create an account to join the conversation.
Time to create page: 0.325 seconds