*** Restricting New Posts to SD Premium Members ONLY *** (09 May 2025)
Just made a new account? Can't post? Click above.
96 mercury grand marquis bank 2 lean code
- guafa
-
Topic Author
- Offline
- Platinum Member
-
- Posts: 477
- Thank you received: 80
V8 engines seem now are chassing me and i'd say i have more experience in L4. Anyway here we go.
This car has been in few shops before came here. Has bank 2 lean code P0174 and cylinder1 misfire P0301. They have replaced intake manifold gasket a couple of times, aplied silicone to double seal. The car has hesitation on aceleration and few times engine stalls.
STFT's are 38% and LTFT's 25%. Upstream O2 sensors are bouncing up and down (bank 2 bounces a little leaner). Maf is reporting 3.4 g/s at idle (which is low for me, since this engine is 4.6 liter). If i rev up engine to 2500 rpm, STFT's go to 18% (which is screaming vacuum leak)
If i unplug Maf sensor LTFT's go to 0% and STFT starts in -22% and then steady about 4%. Also the engine feels smoother.
Although tomorrow I'm going to chase a vacuum leak, I wanted to ask if I'm missing something, since fore sure you have more experience than me.
Is that plastic intake manifold prone to crack, bend, leak?
Is there any other detail i am jumping?
P.S i blocked pvc hoses, vacuum lines, egr and nothing changed. Also Maf was replaced.
Thanks in advance
Please Log in or Create an account to join the conversation.
- VegasJAK
-
- Offline
- Platinum Member
-
- Silencing the Parts Cannon
- Posts: 566
- Thank you received: 140
Pulling the MAF in a Ford puts it into a default strategy and supplies extra fuel.
Check your MAP readings especially your baro. Also check fuel pressure.
You can crack those plastic intakes if you over torque. You can check for internal vacuum leaks by pinching off the PCV line and the breather line at air cleaner. Check for vacuum at the dipstick. If it's bad you'll feel it with your finger over the dipstick tube. Not sure, attach a vacuum gauge to the dipstick tube. If any vacuum, you have an internal leak.
MAF at idle is low. Check powers and ground and signal voltages. Snap throttle voltage high should be 4v or more.
"an open mind let's knowledge flow in and wisdom flow out for a man who has neither never listens to those who have both".
Please Log in or Create an account to join the conversation.
- guafa
-
Topic Author
- Offline
- Platinum Member
-
- Posts: 477
- Thank you received: 80
Actually i need to go more in deep about baro interpretation for this system. I used to read pressure in KPa and this system is reporting 140hz (if i remember well) and baro pressure here is 82kpa or 820mbar.
Should be my scanner but is not reporting Map pressure. Maf voltage is 0.7v at idle (also low to me but i suppose is corresponding to that low g/s reading)
Another test i did today is spraying propane at rear side of engine. It turned STFT from 43% to 35%
Fuel pressure is within specs (38 psi if i remember well).
Please Log in or Create an account to join the conversation.
- VegasJAK
-
- Offline
- Platinum Member
-
- Silencing the Parts Cannon
- Posts: 566
- Thank you received: 140
Sea level is 160Hz or 29.91 in Hg. MAF gets reading for baro at WOT.
That's if conversions are correct and I'm bad at math.
"an open mind let's knowledge flow in and wisdom flow out for a man who has neither never listens to those who have both".
Please Log in or Create an account to join the conversation.
- guafa
-
Topic Author
- Offline
- Platinum Member
-
- Posts: 477
- Thank you received: 80
Thanks ScannerJohn.
Please Log in or Create an account to join the conversation.
- VegasJAK
-
- Offline
- Platinum Member
-
- Silencing the Parts Cannon
- Posts: 566
- Thank you received: 140
"an open mind let's knowledge flow in and wisdom flow out for a man who has neither never listens to those who have both".
Please Log in or Create an account to join the conversation.
- VegasJAK
-
- Offline
- Platinum Member
-
- Silencing the Parts Cannon
- Posts: 566
- Thank you received: 140
"an open mind let's knowledge flow in and wisdom flow out for a man who has neither never listens to those who have both".
Please Log in or Create an account to join the conversation.
- guafa
-
Topic Author
- Offline
- Platinum Member
-
- Posts: 477
- Thank you received: 80
Thanks again. We have found it. Is intake manifold gasket again. It's like if they installed the wrong gasket reference. There are some little areas which those gaskets dont cover.
Once we solve it and verify it (with a very long ride), i'll let you know.
I'll do that clear thing. Thanks.
Please Log in or Create an account to join the conversation.
- guafa
-
Topic Author
- Offline
- Platinum Member
-
- Posts: 477
- Thank you received: 80
After clear pcm and gasket replace, STFT's around 20% and LTFT 0%
Now baro pid is 154hz (i think baro pressure needs to be relearned)
Maf never rises 2.6v or about 60g/s (then i cleaned Maf but nothing changed)
Battery voltage pid is 0.35v lower than battery voltage at voltmeter.
The line which powers pcm is the same that powers Maf sensor. That line come from fuse box to relay center (i'm guessing that line has a problem)
Please Log in or Create an account to join the conversation.
- VegasJAK
-
- Offline
- Platinum Member
-
- Silencing the Parts Cannon
- Posts: 566
- Thank you received: 140
MAP and MAF use each other. That Baro is going to cause you problems. It updates on WOT. For your altitude has to be the 142.
Is that MAF of 60 g/s at idle?
"an open mind let's knowledge flow in and wisdom flow out for a man who has neither never listens to those who have both".
Please Log in or Create an account to join the conversation.
- VegasJAK
-
- Offline
- Platinum Member
-
- Silencing the Parts Cannon
- Posts: 566
- Thank you received: 140
Has to be in wiring. Check all the connections you disconnected when you took off intake especially ground.
"an open mind let's knowledge flow in and wisdom flow out for a man who has neither never listens to those who have both".
Please Log in or Create an account to join the conversation.
- guafa
-
Topic Author
- Offline
- Platinum Member
-
- Posts: 477
- Thank you received: 80
Those 60g/s (now 67g/s) and 2.6v (now 3.1v) are the peak values at wot (that's the reason for lack of power i guess)
Fixing that vacuum leak improved trims and maf readings but not completely (idle 3.4g/s before and 4g/s now)
Please Log in or Create an account to join the conversation.
- Tyler
-
- Offline
- Moderator
-
- Full time HACK since 2012
- Posts: 6042
- Thank you received: 1519

What do the upstream O2 sensors do while you're at WOT through 1st and into 2nd gear?
Please Log in or Create an account to join the conversation.
- guafa
-
Topic Author
- Offline
- Platinum Member
-
- Posts: 477
- Thank you received: 80
Thank you Tyler for getting into the thread. I need to verify and then let you know (I have seen lots of numbers which are messed in my mind). Maybe I need to follow an specific path since I have been detecting lots of separated details (PID´s) which i consider wrong, so i need to make a priorization. Here's what i've found.
1. Vacuum leak improved, but you are right. When i rev up engine to 2500 rpm, STFT still decrease (from 20% to 15% (in park or neutral). LTFT stays at 0%
2. Maf sensor still underreporting (never goes above 67g/s or 3.1v). I cheated pcm (just for testing) by pulling up voltage (20k resistor between 12v and signal line). In closed loop and idle with resistor LTFT 0% and STFT 0% (bank 1), 8% (bank 2). At wot still some misfires but O2 sensor voltage never went below 0.8v. So now it´s supposed i have enough fuel but still misfiring? Without 20k resistor O2 sensors were lean (more bank 2 than bank 1)
That made me think maybe is not just a fuel delivery issue (due to underreporting maf) but a spark issue. So i unpluged Maf, did the test again and even with O2 sensors all the time above 0.8v she was still misfiring. So it´s not only fuel issue
BTW. In one of Maf test at wot today, Maf reported only 37g/s, but misfires didn't become worst (would you believe it?)
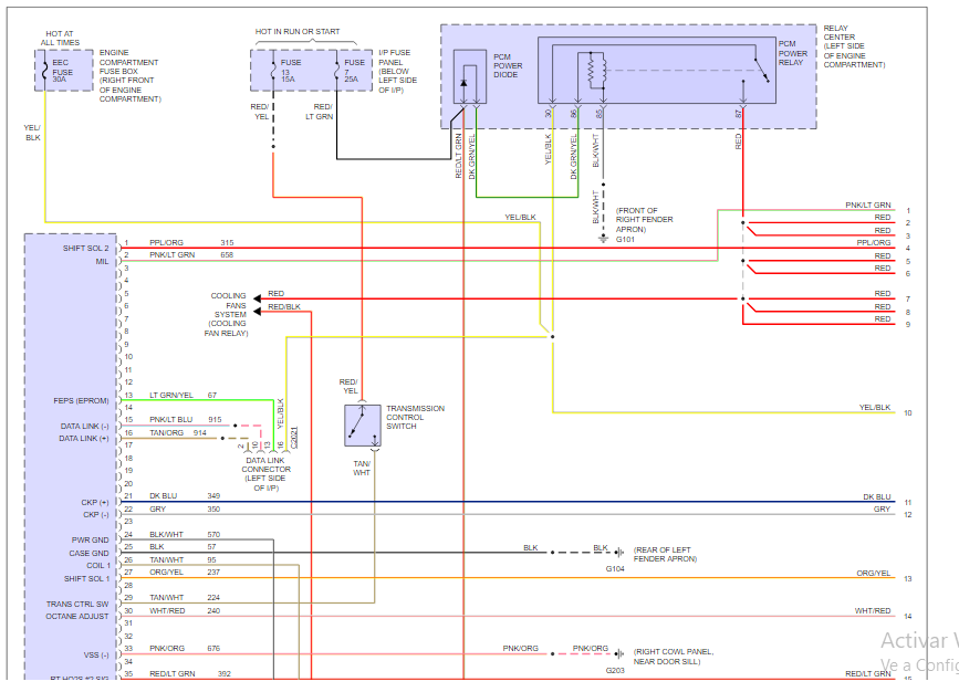
3. Voltmeter battery voltage is 0.35v (0.5v today) above PID. Line between EEC fuse and pin 30 of center relay is having that voltage drop (see attached). Now i'm going to check fuse 7, which is the power line for coils.
4. Baro pressure is still reporting 157hz (should be about 140hz since i'm at 5800 feet above sea level). I tried wot KOEO before and after turn swith on and it doesn't want to update
Question. In a good system without any other issue but a bad Maf. If i unplug Maf sensor it shouldn't misfire at wot, right?
It is supposed without Maf sensor and only working with Map, if you have a vacuum leak it increases fuel delivery. This fact and O2 sensors staying rich, make me think i have not only one issue.
Please Log in or Create an account to join the conversation.
- Tyler
-
- Offline
- Moderator
-
- Full time HACK since 2012
- Posts: 6042
- Thank you received: 1519
The improvement from +20% to +15% IS an improvement, just not enough for me to think vacuum leak. I'd be more convinced if it went down to around +5%.
I see that the upstream O2's go above 800mV at WOT with the MAF disconnected, which is great. What do they do with the MAF connected?
I agree you likely have another issue at work, likely spark. Does this year of Ford support Mode $06 and TID $53? Probably not. :silly: But it's worth a look. Just to help you narrow down a suspect cylinder.
Assuming the vehicle in question has good back up strategies for an absent MAF signal, yes. In my experience, anyway.Question. In a good system without any other issue but a bad Maf. If i unplug Maf sensor it shouldn't misfire at wot, right?
Please Log in or Create an account to join the conversation.
- guafa
-
Topic Author
- Offline
- Platinum Member
-
- Posts: 477
- Thank you received: 80
While car was sitting, everything closed and pcm sleeping, something was draining 3 amps from battery. The battery voltage dropped to 10.9v
There is a starter/generator fuse which goes to internal generator regulator which is draining that current.
This could be related to misfires and underreporting maf readings but i need to verify.
Please Log in or Create an account to join the conversation.