*** Restricting New Posts to SD Premium Members ONLY *** (09 May 2025)
Just made a new account? Can't post? Click above.
Help us help you. By posting the year, make, model and engine near the beginning of your help request, followed by the symptoms (no start, high idle, misfire etc.) Along with any prevalent Diagnostic Trouble Codes, aka DTCs, other forum members will be able to help you get to a solution more quickly and easily!
2003 gmc serria 2500 a/c clutch wont kick on
- harold.powell
-
Topic Author
- Offline
- New Member
-
Less
More
- Posts: 4
- Thank you received: 0
4 years 3 months ago #50109
by harold.powell
2003 gmc serria 2500 a/c clutch wont kick on was created by harold.powell
So i was sent here by scanner danner himself for alil help from the group here problem is my ac clutch wont engauge things i found when i bought the truck is someone over filled ac system so i vaccumed it all out and put the right amount back in and tryed ac and ac clutch still will not kick on so i then checked all ac fuses and relay and all are good so i put my scanner on it and no problems came back with ac no fault codes so i them commaned to scanner to turn on ac clutch and ac worked so i then tryed agin without scanner and agin it dont kick clutch on but when i command clutch on thru scanner ac blows nice and cold till i unhook scanner so i replaces ac pressure sensor and that never fixed it so im wondering if its this other sensor on the ac line down by the ac pump its a 3 wire sensor that looks just like the 2 wire ac pressure sensor no one on u tube or google seems to say anything about this sensor or what its job is thank u all for ur time and thoughts in this matter i can post what i see in scanner if needed
Please Log in or Create an account to join the conversation.
- harold.powell
-
Topic Author
- Offline
- New Member
-
Less
More
- Posts: 4
- Thank you received: 0
4 years 3 months ago #50110
by harold.powell
Replied by harold.powell on topic 2003 gmc serria 2500 a/c clutch wont kick on
I forgot to add the motor is a lq4 6.0 ls motor
Please Log in or Create an account to join the conversation.
- Chad
-
- Offline
- Moderator
-
- I am not a parts changer.
Less
More
- Posts: 2120
- Thank you received: 709
4 years 2 months ago #50111
by Chad
"Knowledge is a weapon. Arm yourself, well, before going to do battle."
"Understanding a question is half an answer."
I have learned more by being wrong, than I have by being right.
Replied by Chad on topic 2003 gmc serria 2500 a/c clutch wont kick on
Is this Manual temperature control? Or, Automatic Temperature control?
"Knowledge is a weapon. Arm yourself, well, before going to do battle."
"Understanding a question is half an answer."
I have learned more by being wrong, than I have by being right.

Please Log in or Create an account to join the conversation.
- Chad
-
- Offline
- Moderator
-
- I am not a parts changer.
Less
More
- Posts: 2120
- Thank you received: 709
4 years 2 months ago - 4 years 2 months ago #50112
by Chad
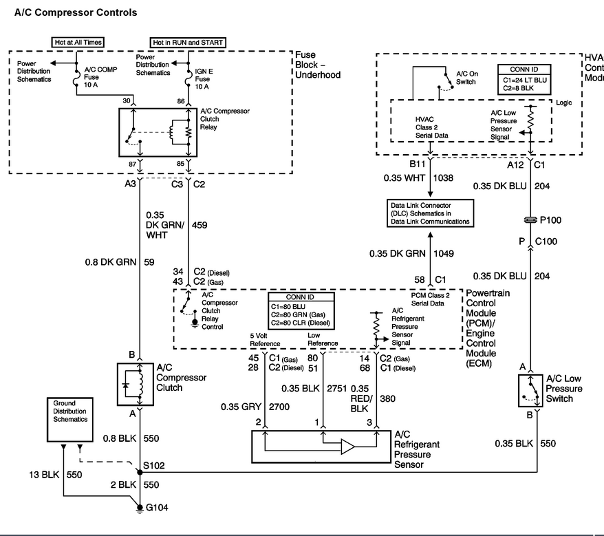
Check the voltages on the Refrigerant Pressure Sensor. You should have 5 volts on the Gray wire, and 0 volts on the Black wire. The Red/Black wire is the signal wire. Low voltage is low pressure. High voltage (5 volts) is high pressure.
A/C Refrigerant Pressure Sensor
The A/C refrigerant pressure sensor is a 3-wire piezoelectric pressure transducer . A 5-volt reference, low reference, and signal circuits enable the sensor to operate. The A/C pressure signal can be between 0-5 volts. When the A/C refrigerant pressure is low, the signal value is near 0 volts. When the A/C refrigerant pressure is high, the signal value is near 5 volts. The PCM converts the voltage signal to a pressure value.
The A/C refrigerant pressure sensor protects the A/C system from operating when an excessively high pressure condition exists. The PCM disables the compressor clutch if the A/C pressure is more than 2957 kPa (429 psi). The clutch will be enabled after the pressure decreases to less than 1578 kPa (229 psi).
Also, Check for a ground, that comes from the Low Pressure switch, on pin A12 (DK BLU) of the HVAC Control Module.
A/C Low Pressure Switch
The A/C low pressure switch protects the A/C system from a low pressure condition that could damage the A/C compressor or cause evaporator icing. The HVAC control module applies 12 volts to the A/C low pressure switch signal circuit. The switch will open when the A/C low side pressure reaches 124 kPa (18 psi). This prevents the A/C compressor from operating. The switch will then close when A/C low pressure side reaches 275 kPa (40 psi). This enables the A/C compressor to turn back ON.
"Knowledge is a weapon. Arm yourself, well, before going to do battle."
"Understanding a question is half an answer."
I have learned more by being wrong, than I have by being right.
Replied by Chad on topic 2003 gmc serria 2500 a/c clutch wont kick on
Check the voltages on the Refrigerant Pressure Sensor. You should have 5 volts on the Gray wire, and 0 volts on the Black wire. The Red/Black wire is the signal wire. Low voltage is low pressure. High voltage (5 volts) is high pressure.
A/C Refrigerant Pressure Sensor
The A/C refrigerant pressure sensor is a 3-wire piezoelectric pressure transducer . A 5-volt reference, low reference, and signal circuits enable the sensor to operate. The A/C pressure signal can be between 0-5 volts. When the A/C refrigerant pressure is low, the signal value is near 0 volts. When the A/C refrigerant pressure is high, the signal value is near 5 volts. The PCM converts the voltage signal to a pressure value.
The A/C refrigerant pressure sensor protects the A/C system from operating when an excessively high pressure condition exists. The PCM disables the compressor clutch if the A/C pressure is more than 2957 kPa (429 psi). The clutch will be enabled after the pressure decreases to less than 1578 kPa (229 psi).
Also, Check for a ground, that comes from the Low Pressure switch, on pin A12 (DK BLU) of the HVAC Control Module.
A/C Low Pressure Switch
The A/C low pressure switch protects the A/C system from a low pressure condition that could damage the A/C compressor or cause evaporator icing. The HVAC control module applies 12 volts to the A/C low pressure switch signal circuit. The switch will open when the A/C low side pressure reaches 124 kPa (18 psi). This prevents the A/C compressor from operating. The switch will then close when A/C low pressure side reaches 275 kPa (40 psi). This enables the A/C compressor to turn back ON.
"Knowledge is a weapon. Arm yourself, well, before going to do battle."
"Understanding a question is half an answer."
I have learned more by being wrong, than I have by being right.

Last edit: 4 years 2 months ago by Chad.
The following user(s) said Thank You: juergen.scholl, harold.powell
Please Log in or Create an account to join the conversation.
- harold.powell
-
Topic Author
- Offline
- New Member
-
Less
More
- Posts: 4
- Thank you received: 0
4 years 2 months ago #50113
by harold.powell
Replied by harold.powell on topic 2003 gmc serria 2500 a/c clutch wont kick on
Please Log in or Create an account to join the conversation.
- harold.powell
-
Topic Author
- Offline
- New Member
-
Less
More
- Posts: 4
- Thank you received: 0
4 years 2 months ago #50114
by harold.powell
Replied by harold.powell on topic 2003 gmc serria 2500 a/c clutch wont kick on
First screen shot is me pushing the snow flake ac botton and ac get whithheld and ac clutch dont kick on and second screen shot is if i turn off ac snow flake ac pump will kick on ac clutch i changed out 3 wire ac pressure sensor and it does the same so all sensors are now new but i bellive ac system has a leak somewhere cause if i command everthing on now ac aint blowing as cold as it did yesterday so im guessing thats why snow flake ac is being whithheld cause of a leak if i start all over and pull a vacume back down to 30 and then turn it off and let it sit and it moves back up should tell if there is a leak right ?then run dye back thru it to find where the leak is at
Please Log in or Create an account to join the conversation.
- Hardtopdr2
-
- Offline
- Platinum Member
-
Less
More
- Posts: 851
- Thank you received: 148
4 years 2 months ago #50115
by Hardtopdr2
Replied by Hardtopdr2 on topic 2003 gmc serria 2500 a/c clutch wont kick on
Make sure your vent setting is not showing defrost on the display. It will not let ac run with it in that position. This applies to auto ac as I have similar model
Please Log in or Create an account to join the conversation.
Time to create page: 0.375 seconds