*** Restricting New Posts to SD Premium Members ONLY *** (09 May 2025)
Just made a new account? Can't post? Click above.
Help us help you. By posting the year, make, model and engine near the beginning of your help request, followed by the symptoms (no start, high idle, misfire etc.) Along with any prevalent Diagnostic Trouble Codes, aka DTCs, other forum members will be able to help you get to a solution more quickly and easily!
LOST, Spark at coil not at plugs
- urso6566
-
Topic Author
- Offline
- New Member
-
Less
More
- Posts: 6
- Thank you received: 0
4 years 4 months ago #49229
by urso6566
LOST, Spark at coil not at plugs was created by urso6566
My daily driver has been no start for 2 months. 2000 2wd GMC Safari van 4.3 L stopped running on a 3 lane highway and coasted into a gas station. It's had a common Astro/Safari history of not starting in heavy rain and hurricanes but that issue was resolved 3-4 yrs ago at a garage that did a tune-up, cap, rotor, plugs, wires. I thought it was the same problem again so I did a tune up and realized it had jumped timing so I changed the stretched out timing chain and sprockets, CKP sensor, and oil pump since the pan was off.
The main problem is there's no spark at the plugs, but there is spark coming from the coil. I'm not a pro so that makes no sense to me.
Clue: ground short? When cranking engine the Fuel gauge loses power and goes to empty, let off the key and it goes back to accurate reading.
Also no 5v signal at camshaft pos sensor or crankshaft pos. sens. During one voltage test of the cmp I found 11.8v on the signal return. but now it's 150mv. There is a 5v ref at the MAF, and EGR and I'm getting com with OBD11 so I assume the VCM is not fried.
DTC's:
P0452 EVAP pressure sensor/switch circuit low,
P0463 fuel level sensor "A" circuit high,
P0713 transmission fluid temp sens "A" circuit high
P1122 Throttle pos. circuit signal intermittent low
P0122 throttle/pedal pos sensor/switch "A" circuit low
U1016 History lost comm with engine control system
U1016 History airbag lost comm with engine control system
According to the wiring diagram a lot of this stuff shares a ground wire and a power wire. I'm brand new to this only studying Scanner Danner for a couple weeks so I'm a bit overwhelmed.
The main problem is there's no spark at the plugs, but there is spark coming from the coil. I'm not a pro so that makes no sense to me.
Clue: ground short? When cranking engine the Fuel gauge loses power and goes to empty, let off the key and it goes back to accurate reading.
Also no 5v signal at camshaft pos sensor or crankshaft pos. sens. During one voltage test of the cmp I found 11.8v on the signal return. but now it's 150mv. There is a 5v ref at the MAF, and EGR and I'm getting com with OBD11 so I assume the VCM is not fried.
DTC's:
P0452 EVAP pressure sensor/switch circuit low,
P0463 fuel level sensor "A" circuit high,
P0713 transmission fluid temp sens "A" circuit high
P1122 Throttle pos. circuit signal intermittent low
P0122 throttle/pedal pos sensor/switch "A" circuit low
U1016 History lost comm with engine control system
U1016 History airbag lost comm with engine control system
According to the wiring diagram a lot of this stuff shares a ground wire and a power wire. I'm brand new to this only studying Scanner Danner for a couple weeks so I'm a bit overwhelmed.
Please Log in or Create an account to join the conversation.
- Tyler
-
- Offline
- Moderator
-
- Full time HACK since 2012
Less
More
- Posts: 6043
- Thank you received: 1519
4 years 4 months ago #49237
by Tyler
Replied by Tyler on topic LOST, Spark at coil not at plugs
So, it sounds to me like there's two separate problems? The spark and the 5V reference. They might be tied together. BUT, for now, I would suggest following the spark path. It's easier, more accessible, and not intermittent.
You have spark out of the coil, but not out of the distributor cap. OK, we can work with that. Have you checked all six plug wire towers? Does the coil wire have spark at the distributor end? We're looking for good snappy spark, 1/2" arc or better.
Does the distributor rotor spin during cranking?
You have spark out of the coil, but not out of the distributor cap. OK, we can work with that. Have you checked all six plug wire towers? Does the coil wire have spark at the distributor end? We're looking for good snappy spark, 1/2" arc or better.
Does the distributor rotor spin during cranking?
Please Log in or Create an account to join the conversation.
- urso6566
-
Topic Author
- Offline
- New Member
-
Less
More
- Posts: 6
- Thank you received: 0
4 years 4 months ago #49263
by urso6566
Replied by urso6566 on topic LOST, Spark at coil not at plugs
Thanks for replying Tyler! There had been spark at the distributer side of the coil, but not now. It did rain pretty hard last night. So many people with Astro/safari have experienced no start during or after rain. I don't no why. Anyway ,at the coil there's 11.9v key on and 9.8v during crank. At the ICM there's 11.9v key on, and on the ground .2V during crank. Does .2v on the ground show it's restricted? too much
The distributor, cap, rotor, and CMP are new. The CMP is attached to the distributor and came with it. The rotor does spin, and there's oil pressure while cranking.
The distributor, cap, rotor, and CMP are new. The CMP is attached to the distributor and came with it. The rotor does spin, and there's oil pressure while cranking.
Please Log in or Create an account to join the conversation.
- Tyler
-
- Offline
- Moderator
-
- Full time HACK since 2012
Less
More
- Posts: 6043
- Thank you received: 1519
4 years 4 months ago #49267
by Tyler
Replied by Tyler on topic LOST, Spark at coil not at plugs
"Thanks for replying Tyler! There had been spark at the distributer side of the coil, but not now."
So, there's spark coming out of the coil tower, but not out of the coil wire? That'd suggest there's a short to ground in the coil wire, or in the coil itself.
So, there's spark coming out of the coil tower, but not out of the coil wire? That'd suggest there's a short to ground in the coil wire, or in the coil itself.
Please Log in or Create an account to join the conversation.
- urso6566
-
Topic Author
- Offline
- New Member
-
Less
More
- Posts: 6
- Thank you received: 0
4 years 4 months ago #49276
by urso6566
Replied by urso6566 on topic LOST, Spark at coil not at plugs
Thanks for pointing me at the coil again. Originally I checked it with a spark plug tester 'light' not the arc kind.
I studied chapter 22 "no start, no spark diagnosis" and the video "how to test ignition coil...Nissan part 1". So I had coil control on one wire and 12v on both but no arc at all. I couldn't find a kid to hold his finger on the coil wire while I cranked it, like in the video so I did it myself and got a small shock. I took off the original 21 year old coil and going to change it now. I'll let you know if that fixed my no start problem.
I studied chapter 22 "no start, no spark diagnosis" and the video "how to test ignition coil...Nissan part 1". So I had coil control on one wire and 12v on both but no arc at all. I couldn't find a kid to hold his finger on the coil wire while I cranked it, like in the video so I did it myself and got a small shock. I took off the original 21 year old coil and going to change it now. I'll let you know if that fixed my no start problem.
Please Log in or Create an account to join the conversation.
- urso6566
-
Topic Author
- Offline
- New Member
-
Less
More
- Posts: 6
- Thank you received: 0
4 years 4 months ago #49315
by urso6566
Replied by urso6566 on topic LOST, Spark at coil not at plugs
Good call Tyler to relook at the coil. So I changed the bad/weak coil and now it has great spark at the coil distributor wire. It arced across 1/2" airgap to my 12" screwdriver then jumped up that to my arm, but still no spark at the plug wires.
When cranking the fuel gauge needle drops to empty then jumps back up when I stop cranking. And there's DTC's P0463 fuel level sensor "A" circuit high,
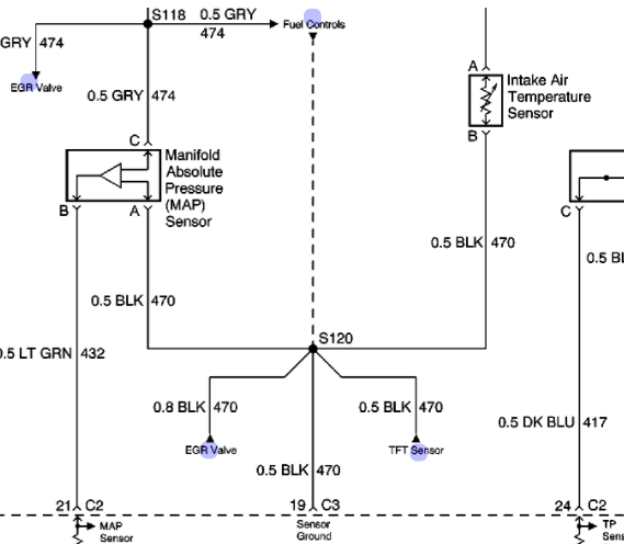
and P0713 transmission fluid temp sensor "A" circuit high. which share a ground circuit 470. The GM service manual says P0713 is set when a short is detected. I suspect there's a ground short in circuit 470, which comes from the computer then splits in 7 directions at S120 next to the ICM. 2 weeks ago I didn't even know what any of this stuff was so I'm not sure how to track down a short on a circuit that goes to so many components. I've been looking for contact points, heat, and vibration like Danner the Manner teaches but so far...no luck. Trying to do voltage drop testing as well but I'm just learning the technique. Do you think I'm looking in the right direction? Or any suggestions would be much appreciated. Thanks for your help!
When cranking the fuel gauge needle drops to empty then jumps back up when I stop cranking. And there's DTC's P0463 fuel level sensor "A" circuit high,
and P0713 transmission fluid temp sensor "A" circuit high. which share a ground circuit 470. The GM service manual says P0713 is set when a short is detected. I suspect there's a ground short in circuit 470, which comes from the computer then splits in 7 directions at S120 next to the ICM. 2 weeks ago I didn't even know what any of this stuff was so I'm not sure how to track down a short on a circuit that goes to so many components. I've been looking for contact points, heat, and vibration like Danner the Manner teaches but so far...no luck. Trying to do voltage drop testing as well but I'm just learning the technique. Do you think I'm looking in the right direction? Or any suggestions would be much appreciated. Thanks for your help!
Please Log in or Create an account to join the conversation.
- Tyler
-
- Offline
- Moderator
-
- Full time HACK since 2012
Less
More
- Posts: 6043
- Thank you received: 1519
4 years 4 months ago - 4 years 4 months ago #49329
by Tyler
Replied by Tyler on topic LOST, Spark at coil not at plugs
Based on those codes alone, I'd suspect you have an OPEN in circuit 470. I attached the best example of S120 I could find in service info. That'd explain the circuit high code descriptions. Because the transmission connector and the fuel level connector are kinda a pain to reach, I'd start with backprobing the IAT and EGR position sensor ground pins, KOEO. A reading of less than 100mV indicates a good ground. A reading of 5V indicates an open.
I'm happy to track down those codes with you! But I'd really like to stay on the spark path, if you don't mind? :silly: Since we now have strong spark out of the coil wire, try removing the distributor cap and get it facing up at you. Connect the coil wire to the cap terminal (and to the coil, obviously). Get your incandescent test light within 1/2" of the center electrode. Crank the engine and check for the same strength of spark you found at the coil.
No spark out of the center electrode means a defective cap. Strong spark means either the rotor is shorted to the distributor shaft, the cap is not making contact with the rotor, or there's a tremendous air gap problem for some reason. I know all these parts are new, but that doesn't mean anything.
I'm happy to track down those codes with you! But I'd really like to stay on the spark path, if you don't mind? :silly: Since we now have strong spark out of the coil wire, try removing the distributor cap and get it facing up at you. Connect the coil wire to the cap terminal (and to the coil, obviously). Get your incandescent test light within 1/2" of the center electrode. Crank the engine and check for the same strength of spark you found at the coil.
No spark out of the center electrode means a defective cap. Strong spark means either the rotor is shorted to the distributor shaft, the cap is not making contact with the rotor, or there's a tremendous air gap problem for some reason. I know all these parts are new, but that doesn't mean anything.
Last edit: 4 years 4 months ago by Tyler.
Please Log in or Create an account to join the conversation.
- urso6566
-
Topic Author
- Offline
- New Member
-
Less
More
- Posts: 6
- Thank you received: 0
4 years 3 months ago #50090
by urso6566
Replied by urso6566 on topic LOST, Spark at coil not at plugs
It's been a while working on 2000 GMC Safari 4.3 in my spare time. I now have spark at the plugs, the ICM was bad, but still no start.
I also had a weak fuel pump and fuel pressure loss as well and a DTC on the fuel level sender. So I put on a new fuel pump.
I Tested the spider fuel injection SCPI fuel meter body using Chapter 18 in the book and the premium lectures. No injector pulse when cranking (vcm plugged in). With the computer unplugged test light stayed lit and 12V on all 6 control wires. At least I know it's not the driver. I tested all the wires for continuity- all good. I assumed the original fuel injector was shorted So I upgraded to the newer MPI spider. Still the same 12V on control wires.
My questions are: How could all 6 control wires be shorted to ground? Could the connector be bad? How do I test the 12 pin connector? Could the new spider be bad? I hope not it was a pain to change. Any advice would be greatly appreciated. TIA
I also had a weak fuel pump and fuel pressure loss as well and a DTC on the fuel level sender. So I put on a new fuel pump.
I Tested the spider fuel injection SCPI fuel meter body using Chapter 18 in the book and the premium lectures. No injector pulse when cranking (vcm plugged in). With the computer unplugged test light stayed lit and 12V on all 6 control wires. At least I know it's not the driver. I tested all the wires for continuity- all good. I assumed the original fuel injector was shorted So I upgraded to the newer MPI spider. Still the same 12V on control wires.
My questions are: How could all 6 control wires be shorted to ground? Could the connector be bad? How do I test the 12 pin connector? Could the new spider be bad? I hope not it was a pain to change. Any advice would be greatly appreciated. TIA
Please Log in or Create an account to join the conversation.
Time to create page: 0.419 seconds