*** Restricting New Posts to SD Premium Members ONLY *** (09 May 2025)
Just made a new account? Can't post? Click above.
Help us help you. By posting the year, make, model and engine near the beginning of your help request, followed by the symptoms (no start, high idle, misfire etc.) Along with any prevalent Diagnostic Trouble Codes, aka DTCs, other forum members will be able to help you get to a solution more quickly and easily!
No Injector pulse
- Nelsonpacheco23
-
Topic Author
- Offline
- New Member
-
Less
More
- Posts: 2
- Thank you received: 0
4 years 6 months ago #48344
by Nelsonpacheco23
No Injector pulse was created by Nelsonpacheco23
I have a 2020 Mercedes Benz Gla 250 4matic with no injector pulse. All fuses are ok and relay as well, this is driving me crazy, Could it be a bad ECM??
Please Log in or Create an account to join the conversation.
- John Curtis
-
- Offline
- Platinum Member
-
Less
More
- Posts: 344
- Thank you received: 111
4 years 6 months ago - 4 years 6 months ago #48346
by John Curtis
It can. Is the no injector pulse also accompanied by no spark?
And can you communicate with the vehicle with a scan tool?
Making Pressure Differential Sensors (PDA Sensors) for pressure pulse diagnostics.
Currently servicing Central Texas.
Replied by John Curtis on topic No Injector pulse
Nelsonpacheco23 wrote: I have a 2020 Mercedes Benz Gla 250 4matic with no injector pulse. All fuses are ok and relay as well, this is driving me crazy, Could it be a bad ECM??
It can. Is the no injector pulse also accompanied by no spark?
And can you communicate with the vehicle with a scan tool?
Making Pressure Differential Sensors (PDA Sensors) for pressure pulse diagnostics.
Currently servicing Central Texas.
Last edit: 4 years 6 months ago by John Curtis.
The following user(s) said Thank You: Nelsonpacheco23
Please Log in or Create an account to join the conversation.
- Nelsonpacheco23
-
Topic Author
- Offline
- New Member
-
Less
More
- Posts: 2
- Thank you received: 0
4 years 6 months ago #48347
by Nelsonpacheco23
Replied by Nelsonpacheco23 on topic No Injector pulse
Yes we got spark and no problem with the scan tool. It Communicates with the ECU with no problem
Please Log in or Create an account to join the conversation.
- Ben
-
- Offline
- Platinum Member
-
Less
More
- Posts: 1097
- Thank you received: 215
4 years 6 months ago #48349
by Ben
Replied by Ben on topic Re:No Injector pulse
You should have 12v at injector with key on and cranking. Make sure it doesn't disappear when cranking. I don't have a diagram for this 1 but you have to make sure your computer has all powers and grounds. Do you have an oscilloscope? Cam & Crank signals should be checked and several ignition signals should be checked to make sure there not jumping around trying to figure out where the motor is in crank angle space
Sent from my SM-G781U using Tapatalk
Sent from my SM-G781U using Tapatalk
The following user(s) said Thank You: Nelsonpacheco23
Please Log in or Create an account to join the conversation.
- John Curtis
-
- Offline
- Platinum Member
-
Less
More
- Posts: 344
- Thank you received: 111
4 years 6 months ago - 4 years 6 months ago #48352
by John Curtis
Making Pressure Differential Sensors (PDA Sensors) for pressure pulse diagnostics.
Currently servicing Central Texas.
Replied by John Curtis on topic No Injector pulse
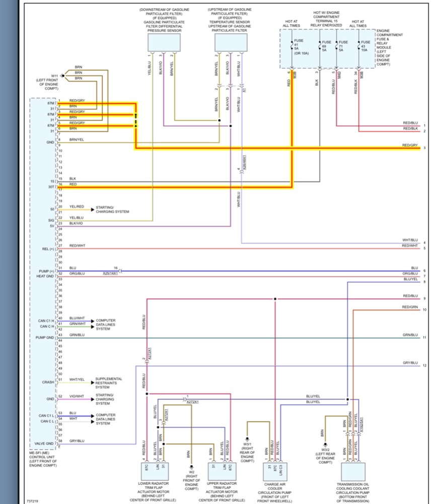
Here’s diagrams if you need em. If you find that you don’t have 12v on power side then you’ll need to check powers going into the module. Same thing goes for the ground. If you don’t have a scope and want to verify a bad ground you can use test light on B- and the ground wire at the injector. It shouldn’t light. You could also go B+ to ground at the injector and crank it and see if it pulses. If not, then check the grounds.
Making Pressure Differential Sensors (PDA Sensors) for pressure pulse diagnostics.
Currently servicing Central Texas.
Last edit: 4 years 6 months ago by John Curtis.
The following user(s) said Thank You: Nelsonpacheco23
Please Log in or Create an account to join the conversation.
Time to create page: 0.317 seconds