*** Restricting New Posts to SD Premium Members ONLY *** (09 May 2025)
Just made a new account? Can't post? Click above.
Help us help you. By posting the year, make, model and engine near the beginning of your help request, followed by the symptoms (no start, high idle, misfire etc.) Along with any prevalent Diagnostic Trouble Codes, aka DTCs, other forum members will be able to help you get to a solution more quickly and easily!
No Spark with 05 cobalt
- twmckune
-
Topic Author
- Offline
- New Member
-
Less
More
- Posts: 4
- Thank you received: 0
4 years 6 months ago #48137
by twmckune
No Spark with 05 cobalt was created by twmckune
Hello all
This is my first post but watched the u tube thing and was impressed.
so I will give all info its sort of long but without the history as long as it is will shorten things I think
05 cobalt 2.2 manual no abs or power anything but a trunk lock.
Motor was installed by one of the donate your car to help troubled youth.
Dealer got it and did whatever to it. Listed it on CL.
Now this is what I did.
Code for crankshaft position sensor – Replaced it. Payed to have it learn that and new alt.
Cleaned the fuel injectors by taking them out and push solvent through them and cycled them new o rings.
New plugs, air filter, fuel filter.
Noticed fuel pump return check valve not working. Lost psi fast. Did not have time to drop the tank so I put a one way valve on the psi side.
Ran lean bank 1. Seen a cheap o2 sensor on it but did not change it.
Car was running in driveway during snow storm – letting it worm up to do the snow thing in wi. It died as I watched it. It sputtered like the fuel pump but gage confirms 60psi
It cranks and has fuel – no spark- Tach works – checked all sensors but the o2 sensors which I replaced because I would have done it anyway with the lean on bank one thing – was going to look for a vacuum leak but it does not run.
Cleaned every connector I could find and used dialectic – ground on alt – lower driver’s side two grounds there.
Bench tested every relay and fuse under the hood all good.
05 have no camshaft sensor just putting that out there.
New coil and icm – cleaned the ecm connectors –
Now the funny thing. Using a unauthorized copy of tech to win I reprogramed the ECM – BCM – Gage cluster I can see all the sensors readings and everything seems to be giving a reading.
Replaced ECM and programed it along with the key – on the GM program there is a spot that will give you id of different modules – It says that it cannot communicate with ECM neither of them but confirms that it is there in the beginning of the program when looking for codes. Which there are none.
Compression is 180 for all four. Will not start with carb clean – plugs wet – Battery passed test.
Thanks to everyone in advance I tried to make it as complete as possible
This is my first post but watched the u tube thing and was impressed.
so I will give all info its sort of long but without the history as long as it is will shorten things I think
05 cobalt 2.2 manual no abs or power anything but a trunk lock.
Motor was installed by one of the donate your car to help troubled youth.
Dealer got it and did whatever to it. Listed it on CL.
Now this is what I did.
Code for crankshaft position sensor – Replaced it. Payed to have it learn that and new alt.
Cleaned the fuel injectors by taking them out and push solvent through them and cycled them new o rings.
New plugs, air filter, fuel filter.
Noticed fuel pump return check valve not working. Lost psi fast. Did not have time to drop the tank so I put a one way valve on the psi side.
Ran lean bank 1. Seen a cheap o2 sensor on it but did not change it.
Car was running in driveway during snow storm – letting it worm up to do the snow thing in wi. It died as I watched it. It sputtered like the fuel pump but gage confirms 60psi
It cranks and has fuel – no spark- Tach works – checked all sensors but the o2 sensors which I replaced because I would have done it anyway with the lean on bank one thing – was going to look for a vacuum leak but it does not run.
Cleaned every connector I could find and used dialectic – ground on alt – lower driver’s side two grounds there.
Bench tested every relay and fuse under the hood all good.
05 have no camshaft sensor just putting that out there.
New coil and icm – cleaned the ecm connectors –
Now the funny thing. Using a unauthorized copy of tech to win I reprogramed the ECM – BCM – Gage cluster I can see all the sensors readings and everything seems to be giving a reading.
Replaced ECM and programed it along with the key – on the GM program there is a spot that will give you id of different modules – It says that it cannot communicate with ECM neither of them but confirms that it is there in the beginning of the program when looking for codes. Which there are none.
Compression is 180 for all four. Will not start with carb clean – plugs wet – Battery passed test.
Thanks to everyone in advance I tried to make it as complete as possible
Please Log in or Create an account to join the conversation.
- twmckune
-
Topic Author
- Offline
- New Member
-
Less
More
- Posts: 4
- Thank you received: 0
4 years 6 months ago - 4 years 6 months ago #48138
by twmckune
Replied by twmckune on topic No Spark with 05 cobalt
By the way it ran for 6 months and I only checked for 5v on the sensors but could read them on scanner so I stoped there
Last edit: 4 years 6 months ago by twmckune. Reason: added
Please Log in or Create an account to join the conversation.
- Cheryl
-
- Offline
- Platinum Member
-
Less
More
- Posts: 1214
- Thank you received: 215
4 years 6 months ago #48142
by Cheryl
Replied by Cheryl on topic No Spark with 05 cobalt
What does engine rpm read while cranking? Also you wouldn’t have a wiring diagram of the coils would you? To see if your missing a power or ground feed
Please Log in or Create an account to join the conversation.
- twmckune
-
Topic Author
- Offline
- New Member
-
Less
More
- Posts: 4
- Thank you received: 0
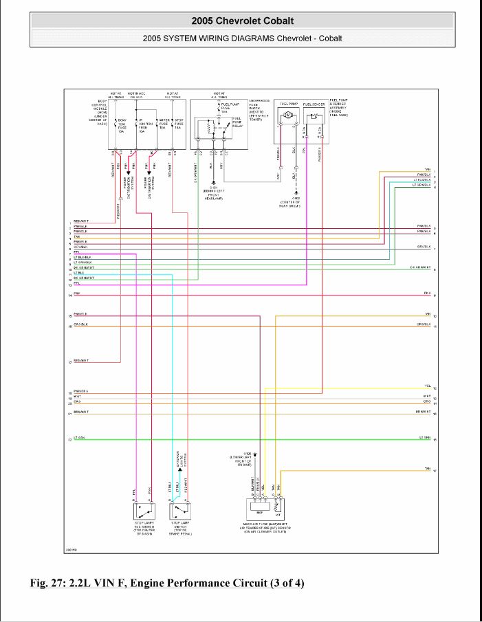
4 years 6 months ago - 4 years 6 months ago #48153
by twmckune
Replied by twmckune on topic No Spark with 05 cobalt
Last edit: 4 years 6 months ago by twmckune. Reason: Added the wiring
Please Log in or Create an account to join the conversation.
- Cheryl
-
- Offline
- Platinum Member
-
Less
More
- Posts: 1214
- Thank you received: 215
4 years 6 months ago #48155
by Cheryl
Replied by Cheryl on topic No Spark with 05 cobalt
I’d definitely use a test light backprobed or pierced on the coil power feed while cranking. Or you can voltage drop it if you want
The following user(s) said Thank You: twmckune
Please Log in or Create an account to join the conversation.
- twmckune
-
Topic Author
- Offline
- New Member
-
Less
More
- Posts: 4
- Thank you received: 0
4 years 6 months ago - 4 years 6 months ago #48162
by twmckune
Replied by twmckune on topic No Spark with 05 cobalt
Found this on forum. So I will install a new battery and check this tomorrow. Can I ground the plugs to look for spark. Thanks
imgur.com/a/zzKj6DN
imgur.com/a/zzKj6DN
Last edit: 4 years 6 months ago by twmckune.
Please Log in or Create an account to join the conversation.
Time to create page: 0.327 seconds