*** Restricting New Posts to SD Premium Members ONLY *** (09 May 2025)

Just made a new account? Can't post? Click above.

Help us help you. By posting the year, make, model and engine near the beginning of your help request, followed by the symptoms (no start, high idle, misfire etc.) Along with any prevalent Diagnostic Trouble Codes, aka DTCs, other forum members will be able to help you get to a solution more quickly and easily!

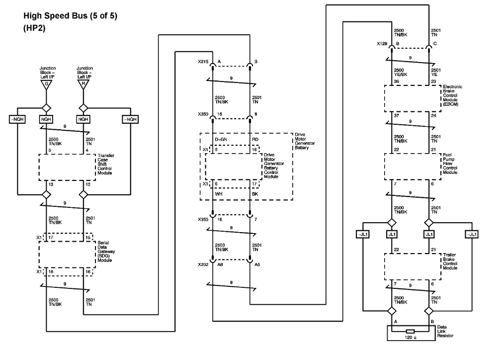
chevy TBCM - EBCM programming. 2011 - 2012

  • cjames22
  • cjames22's Avatar Topic Author
  • Offline
  • New Member
  • New Member
More
4 years 8 months ago #46575 by cjames22
If there are faults on the EBCM ~ DTC's
will programming TBCM be inhibited showing no communication with TBCM when dealer tries to program module.
the dealer stated that it must be a wiring issue.

Powers and Grounds on TBCM, Good
5VRef, good
Data lines high and low. good wave. Mirror imaged.

there are no comm codes on any module

scan data shows TBCM data, but when dealer tries programming *no communication* happens.

needing to replace EBCM on a 2011 chev 1500 and 2012 chev 1500. both needing TBCM Programming.
EBCM Also needs to be programmed by dealer.

In a module needing to be replaced is there any inhibits in communication for programming.

also for a 2012 that needs a new EBCM, will the brake lights remain illuminated for the duration of key on running or not?
Attachments:

Please Log in or Create an account to join the conversation.

More
4 years 8 months ago #46578 by Cheryl
Replied by Cheryl on topic chevy TBCM - EBCM programming. 2011 - 2012
Do you have 60 ohms between data link connector pins 6 and 14?? Also do powers and grounds light a test light?? Or you front probing the connector with a multi meter??
The following user(s) said Thank You: cjames22

Please Log in or Create an account to join the conversation.

  • cjames22
  • cjames22's Avatar Topic Author
  • Offline
  • New Member
  • New Member
More
4 years 8 months ago - 4 years 8 months ago #46590 by cjames22
Replied by cjames22 on topic chevy TBCM - EBCM programming. 2011 - 2012
yes, used a test light for powers and grounds. scope for data lines.
i do not have "no comm." codes for either truck. dealer believes theres a wiring issue but i cant see one.
Last edit: 4 years 8 months ago by cjames22.

Please Log in or Create an account to join the conversation.

  • cjames22
  • cjames22's Avatar Topic Author
  • Offline
  • New Member
  • New Member
More
4 years 8 months ago #46592 by cjames22
Replied by cjames22 on topic chevy TBCM - EBCM programming. 2011 - 2012
i am able to successfully communicate with the module with a scan tool. but as soon as they try to program they have no comm with the module.

Please Log in or Create an account to join the conversation.

More
4 years 8 months ago #46593 by Cheryl
Replied by Cheryl on topic chevy TBCM - EBCM programming. 2011 - 2012
You might have to unplug one module at a time. Jump the data lines in and out to eliminate one module at a time until the issue goes away. Do you have 60 ohms at the dlc??
The following user(s) said Thank You: cjames22

Please Log in or Create an account to join the conversation.

  • cjames22
  • cjames22's Avatar Topic Author
  • Offline
  • New Member
  • New Member
More
4 years 8 months ago #46595 by cjames22
Replied by cjames22 on topic chevy TBCM - EBCM programming. 2011 - 2012
i never thought of jumping data lines. and yes there is 60 ohms on dlc
we have a chey fleet with the odd ford. but i dont have a truck compatible with this unit. even so it would have to be programmed to work. frustrating. already tried two trips to dealer for programming. both unsuccessful

Please Log in or Create an account to join the conversation.

More
4 years 8 months ago #46597 by Cheryl
Replied by Cheryl on topic chevy TBCM - EBCM programming. 2011 - 2012
Be nice if ya could do j2534

Please Log in or Create an account to join the conversation.

  • Tyler
  • Tyler's Avatar
  • Offline
  • Moderator
  • Moderator
  • Full time HACK since 2012
More
4 years 8 months ago #46598 by Tyler
Replied by Tyler on topic chevy TBCM - EBCM programming. 2011 - 2012
In the Control Module Refence in Mitchell ProDemand, I found this for TBCM programming:

File Attachment:

File Name: TBCMprogramming.pdf
File Size:102 KB


You'd think they'd know to look in the FPCM? :huh: But maybe not.

Can you get a hold of a laptop and a J-2534 box? Because GM programming is pretty darn simple. :silly: And a two day subscription is $40 per VIN. Worth it to cut the dealer out of the equation and handle this hassle on your own, IMO.
The following user(s) said Thank You: cjames22

Please Log in or Create an account to join the conversation.

  • cjames22
  • cjames22's Avatar Topic Author
  • Offline
  • New Member
  • New Member
More
4 years 8 months ago #46599 by cjames22
Replied by cjames22 on topic chevy TBCM - EBCM programming. 2011 - 2012
We definetly have an issue with EBCM and TBCM's i also have 2 other trucks with EBCM problems. 2014 2500 diesel and a 2008 2500 EBCM issues, and a misfire.

Please Log in or Create an account to join the conversation.

More
4 years 8 months ago #46600 by Cheryl
Replied by Cheryl on topic chevy TBCM - EBCM programming. 2011 - 2012
They might of tried programming the fpcm and it does no communication. Is this a dorman replacement tbcm??

Please Log in or Create an account to join the conversation.

  • cjames22
  • cjames22's Avatar Topic Author
  • Offline
  • New Member
  • New Member
More
4 years 8 months ago #46601 by cjames22
Replied by cjames22 on topic chevy TBCM - EBCM programming. 2011 - 2012
he was a younger gentleman that was doing the programming. and he did take about 20 25 minutes just to hook up to the vehicle. unsure about the module. i will look into j2534. sounds interesting to cut out the dealer. we have john deere and CAT that we always have to have in the picture due to Dealer computer requirements.

Please Log in or Create an account to join the conversation.

  • Tyler
  • Tyler's Avatar
  • Offline
  • Moderator
  • Moderator
  • Full time HACK since 2012
More
4 years 8 months ago - 4 years 8 months ago #46602 by Tyler
Replied by Tyler on topic chevy TBCM - EBCM programming. 2011 - 2012

Cheryl wrote: Is this a dorman replacement tbcm??


Asking the real questions! :lol:

We definetly have an issue with EBCM and TBCM's i also have 2 other trucks with EBCM problems. 2014 2500 diesel and a 2008 2500 EBCM issues, and a misfire.


Not trying to tell you your business, but it might be time to invest in a GM subscription and a J-box/MDI2. It's easily the most used programming tool at my shop. I've also ended up chasing my tail over lying data PIDs and aftermarket scan tools, which I feel confident would have read correctly with the OE tool:

www.scannerdanner.com/forum/post-your-re...ensor-weirdness.html
Last edit: 4 years 8 months ago by Tyler.

Please Log in or Create an account to join the conversation.

  • cjames22
  • cjames22's Avatar Topic Author
  • Offline
  • New Member
  • New Member
More
4 years 8 months ago #46603 by cjames22
Replied by cjames22 on topic chevy TBCM - EBCM programming. 2011 - 2012
I am Heavy duty mechanic, our automotive journeyman was fired couple weeks ago, so I am trying to familiarize myself with automotive.

Please Log in or Create an account to join the conversation.

Time to create page: 0.618 seconds