*** Restricting New Posts to SD Premium Members ONLY *** (09 May 2025)
Just made a new account? Can't post? Click above.
Help us help you. By posting the year, make, model and engine near the beginning of your help request, followed by the symptoms (no start, high idle, misfire etc.) Along with any prevalent Diagnostic Trouble Codes, aka DTCs, other forum members will be able to help you get to a solution more quickly and easily!
7.3v at the terminal at the coil/FI
- Mars928
-
Topic Author
- Offline
- Junior Member
-
Less
More
- Posts: 30
- Thank you received: 2
4 years 9 months ago - 4 years 9 months ago #46194
by Mars928
7.3v at the terminal at the coil/FI was created by Mars928
Hello guys, (and gals if any). I have a 1994 Jeep Grand Cherokee with the 4.0. As the title says, I am getting 7.3 volts at the coil terminal. Of course, the engine won't start. I checked the Auto Shutdown relay and it is good. I also swapped with other similar ones and there was no change. I get 12.x volts on the 30,87 and on 86 or 85 terminals. I don't have my notes handy. One of the two read nothing. I plugged in a u-connect and was able to get 12v at the coil and fuel injector terminals (since they are in the same circuit) and I was able to start the engine. It ran great. It would not start with any of the relays, including a new one I got just in case. It would seem it is a relay issue, but they work in their respective places, (horn, A/C). Could you point me what to check next? I would appreciate it.
Previously, the Jeep would die in all kinds of circumstances; at stops, on the freeway, etc., and it always restarted, until it would start no more, which is where it's at.
Thank you,
Mario
Previously, the Jeep would die in all kinds of circumstances; at stops, on the freeway, etc., and it always restarted, until it would start no more, which is where it's at.
Thank you,
Mario
Last edit: 4 years 9 months ago by Mars928.
Please Log in or Create an account to join the conversation.
- musicalmechanic
-
- Offline
- New Member
-
Less
More
- Posts: 9
- Thank you received: 0
4 years 9 months ago #46201
by musicalmechanic
Replied by musicalmechanic on topic 7.3v at the terminal at the coil/FI
I'll take a crack at this. No promises though.
I also need a clarification on a couple of things.
"I am getting 7.3 volts at the coil terminal"
It's worth noting on this vehicle that many of the reference signals are only 8 volts.
It appears that battery voltage is supplied to the ignition coil and the fuel injector through the ASD relay. The wire that supplies voltage to everything is the dark green with a black tracer. Those are all grounded by the PCM for activation.
Check to see if you have the same voltage at one of the fuel injectors. If that's the case, take it right to the ASD relay.
Assuming you have some type of scanner, I'd see if your scanner reads RPM while cranking. If not, I'd start with scoping the crankshaft position sensor. Make sure you have a healthy waveform. Crankshaft sensor in many cases provides the PCM with engine position so it knows when to fire the ignition coil and such. PCM likely uses that information to cycle through the fuel injectors as well.
These crank sensors are known for failure. It will absolutely have this type of result.
Good luck!
I also need a clarification on a couple of things.
"I am getting 7.3 volts at the coil terminal"
It's worth noting on this vehicle that many of the reference signals are only 8 volts.
It appears that battery voltage is supplied to the ignition coil and the fuel injector through the ASD relay. The wire that supplies voltage to everything is the dark green with a black tracer. Those are all grounded by the PCM for activation.
Check to see if you have the same voltage at one of the fuel injectors. If that's the case, take it right to the ASD relay.
Assuming you have some type of scanner, I'd see if your scanner reads RPM while cranking. If not, I'd start with scoping the crankshaft position sensor. Make sure you have a healthy waveform. Crankshaft sensor in many cases provides the PCM with engine position so it knows when to fire the ignition coil and such. PCM likely uses that information to cycle through the fuel injectors as well.
These crank sensors are known for failure. It will absolutely have this type of result.
Good luck!
Please Log in or Create an account to join the conversation.
- Mars928
-
Topic Author
- Offline
- Junior Member
-
Less
More
- Posts: 30
- Thank you received: 2
4 years 9 months ago #46232
by Mars928
Replied by Mars928 on topic 7.3v at the terminal at the coil/FI
Thank you very much for the reply with the valuable information. I do indeed have the same 7.3v at the injector and coil. You say to take it to the ASD relay. What can I check there?
I do have a Solus Ultra with the adapter for the data port so I will see what information I can get. It must be an OBD 1 system, being a '94. Thank you for the schematic. It is a far cry from the PDF vehicle manual I have.
I also have a Verus scanner I got with the intention of learning the oscilloscope function. In reviewing the Verus manual, I remember seeing a section on schematics. Do you know if Is that built-in or is that a subscription function?
The Jeep is stored where I don't have immediate access to it. I will get to it as soon as I can.
Thanks again.
I do have a Solus Ultra with the adapter for the data port so I will see what information I can get. It must be an OBD 1 system, being a '94. Thank you for the schematic. It is a far cry from the PDF vehicle manual I have.
I also have a Verus scanner I got with the intention of learning the oscilloscope function. In reviewing the Verus manual, I remember seeing a section on schematics. Do you know if Is that built-in or is that a subscription function?
The Jeep is stored where I don't have immediate access to it. I will get to it as soon as I can.
Thanks again.
Please Log in or Create an account to join the conversation.
- musicalmechanic
-
- Offline
- New Member
-
Less
More
- Posts: 9
- Thank you received: 0
4 years 9 months ago #46239
by musicalmechanic
Replied by musicalmechanic on topic 7.3v at the terminal at the coil/FI
Both the Solus and Verus are actually pretty amazing machines. I've had both. The Solus is a bit more basic than the Verus. My current workhorse is a Verus Edge I just had updated. Love the damned thing.
The Verus does have a neat little feature called the Guided Component Test. I don't remember if it goes back that far, but for some newer stuff, it's great. Gives you an idea of pinout and operation as well as tips for testing without looking them up. It also has a four channel scope. Just a great machine.
Coming back to the problem you're having.
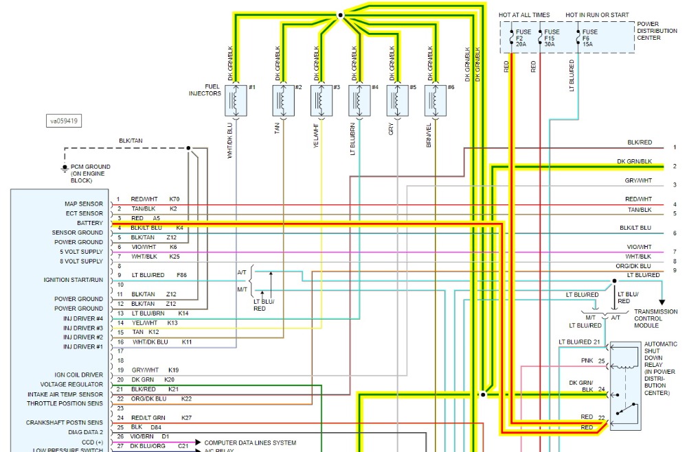
You should have battery voltage where it says "Red 22" by the ASD Relay. Starts at Fuse F2 - 20 Amp, comes down at the red wire to the ASD and splits off from there to the PCM. It appears that when the ASD is energized, battery voltage is transferred through the relay to the green wire with the black tracer Dk Grn / Blk 24
I'd check both sides of that. You should have equal voltage on both sides and it should be 12 volts, I think. If it's lower than 12 volts, you may have to trace that wire back to Fuse F2 - 20 Amps to see what you have there. Really should be battery voltage throughout though, from what I can tell.
I didn't watch the whole video cause I only have a couple of minutes to respond but here's a video where Dan goes through testing a Chrysler Crank Sensor with a Verus, funny enough
I'll try to check in soon if I can. We're moving shops and it's a bit hectic right now
Be safe and good luck!
The Verus does have a neat little feature called the Guided Component Test. I don't remember if it goes back that far, but for some newer stuff, it's great. Gives you an idea of pinout and operation as well as tips for testing without looking them up. It also has a four channel scope. Just a great machine.
Coming back to the problem you're having.
You should have battery voltage where it says "Red 22" by the ASD Relay. Starts at Fuse F2 - 20 Amp, comes down at the red wire to the ASD and splits off from there to the PCM. It appears that when the ASD is energized, battery voltage is transferred through the relay to the green wire with the black tracer Dk Grn / Blk 24
I'd check both sides of that. You should have equal voltage on both sides and it should be 12 volts, I think. If it's lower than 12 volts, you may have to trace that wire back to Fuse F2 - 20 Amps to see what you have there. Really should be battery voltage throughout though, from what I can tell.
I didn't watch the whole video cause I only have a couple of minutes to respond but here's a video where Dan goes through testing a Chrysler Crank Sensor with a Verus, funny enough
I'll try to check in soon if I can. We're moving shops and it's a bit hectic right now
Be safe and good luck!
Please Log in or Create an account to join the conversation.
- Mars928
-
Topic Author
- Offline
- Junior Member
-
Less
More
- Posts: 30
- Thank you received: 2
4 years 8 months ago #46444
by Mars928
Replied by Mars928 on topic 7.3v at the terminal at the coil/FI
Hello MM, reporting an update: Well, last time I worked on the Jeep, it started using the U-connect. I went back this weekend and I tried the Uconnect to start with and It started right up. I then plugged in the relay and it started again, in fact, several times.
I did check the crank sensor voltage (7.8 out of 8v) I hooked up the lab scope to the crank sensor and it showed a steady signal. I will need to play with it to really be able to tell if it is a good signal. I did not know how to adjust the scope but I will learn. The plates are expired so I won't be able to take on test drives for now. I really have not done anything to fix it, so it might be back to its intermittent stalling self. Nevertheless, your advice gave me the confidence to try methods I have not done before. At this point, the fix remains to be determined but I think it has been a good effort.
I thank you profusely for your help.
Mario
I did check the crank sensor voltage (7.8 out of 8v) I hooked up the lab scope to the crank sensor and it showed a steady signal. I will need to play with it to really be able to tell if it is a good signal. I did not know how to adjust the scope but I will learn. The plates are expired so I won't be able to take on test drives for now. I really have not done anything to fix it, so it might be back to its intermittent stalling self. Nevertheless, your advice gave me the confidence to try methods I have not done before. At this point, the fix remains to be determined but I think it has been a good effort.
I thank you profusely for your help.
Mario
Please Log in or Create an account to join the conversation.
Time to create page: 0.268 seconds