*** Restricting New Posts to SD Premium Members ONLY *** (09 May 2025)
Just made a new account? Can't post? Click above.
Help us help you. By posting the year, make, model and engine near the beginning of your help request, followed by the symptoms (no start, high idle, misfire etc.) Along with any prevalent Diagnostic Trouble Codes, aka DTCs, other forum members will be able to help you get to a solution more quickly and easily!
Fixed 2008 Honda CRV no AC
- bj.gibson
-
Topic Author
- Offline
- New Member
-
Less
More
- Posts: 9
- Thank you received: 1
4 years 9 months ago - 4 years 9 months ago #46188
by bj.gibson
Fixed 2008 Honda CRV no AC was created by bj.gibson
Hi guys thank in advance for any help on this. Keeping it short my ex wife is giving her old car to our daughter and it's been sitting for a year and a half so I'm going through and getting it ship shape. 130,00 on the clock. Car was originally parked because a/c was acting up.
Troubleshooting so far again I was told a/c was intermittent to begin with.
So first hooked up gauges and everything looked good a tad low but nothing serious. Engaged ac condensor fan comes on no clutch on compressor. Tested for voltage at compressor and had a good 12 volts that powered a light. Shut car off and disconnected plug and applied 12 volts to clutch and got a slight click but no engagement. So my assessment was a bad clutch.
Doing some research the only clutch available was a dorman and it was 75.00 and 150.00 for uag replacement compressor. I went ahead and opted for replacement compressor. Took it to local shop and evacuated system and looked at oil also removed compressor afterward and drained what little oil was left. No signs of compressor damage so I opted not to replace condensor.
New compressor installed and I vacuumed system down for a hour and it held vacuum for another hour. Put in oil charge and started charging system.
Now no ac fan motor and no power to clutch which tells me system is not being commanded on. I bought a autel ap200 and looked at my PIDs
a/c switch OFF
a/c pressure voltage .41
a/c pressure switch 1.4psi (this one may not be completely accurate going off memory sorry but its very low)
a/c clutch OFF
My guages have 60 on the low side and it does not appear to be balancing to high side.
I removed pressure switch and with car off key on hooked pressure switch back to connector and applied air pressure to switch voltage and pressure changed. How accurate is hard to guess but it did move back and forth.
So my guess is that I either have a blockage and pressure is not making it to switch which means ECU will not turn on clutch or i have another intermittent issue with electrical.
Any advice on next troubleshooting would be greatly appreciated I can get all my schematics Im just confused on whether I should be seeing my high side balance out or not with compressor not turning on. The only pressure switch is on high side..
Thank you
Troubleshooting so far again I was told a/c was intermittent to begin with.
So first hooked up gauges and everything looked good a tad low but nothing serious. Engaged ac condensor fan comes on no clutch on compressor. Tested for voltage at compressor and had a good 12 volts that powered a light. Shut car off and disconnected plug and applied 12 volts to clutch and got a slight click but no engagement. So my assessment was a bad clutch.
Doing some research the only clutch available was a dorman and it was 75.00 and 150.00 for uag replacement compressor. I went ahead and opted for replacement compressor. Took it to local shop and evacuated system and looked at oil also removed compressor afterward and drained what little oil was left. No signs of compressor damage so I opted not to replace condensor.
New compressor installed and I vacuumed system down for a hour and it held vacuum for another hour. Put in oil charge and started charging system.
Now no ac fan motor and no power to clutch which tells me system is not being commanded on. I bought a autel ap200 and looked at my PIDs
a/c switch OFF
a/c pressure voltage .41
a/c pressure switch 1.4psi (this one may not be completely accurate going off memory sorry but its very low)
a/c clutch OFF
My guages have 60 on the low side and it does not appear to be balancing to high side.
I removed pressure switch and with car off key on hooked pressure switch back to connector and applied air pressure to switch voltage and pressure changed. How accurate is hard to guess but it did move back and forth.
So my guess is that I either have a blockage and pressure is not making it to switch which means ECU will not turn on clutch or i have another intermittent issue with electrical.
Any advice on next troubleshooting would be greatly appreciated I can get all my schematics Im just confused on whether I should be seeing my high side balance out or not with compressor not turning on. The only pressure switch is on high side..
Thank you
Last edit: 4 years 9 months ago by bj.gibson.
Please Log in or Create an account to join the conversation.
- Hardtopdr2
-
- Offline
- Platinum Member
-
Less
More
- Posts: 851
- Thank you received: 148
4 years 9 months ago #46191
by Hardtopdr2
Replied by Hardtopdr2 on topic 2008 Honda CRV no AC
pressures should balance out fairly quickly with compressor off. when running high side should be 220-250 psi on high side and low side should be 25-30 psi.
with switch having what it had it would be suspect, however, are you now able to manually engage compressor by bypassing relay
with switch having what it had it would be suspect, however, are you now able to manually engage compressor by bypassing relay
Please Log in or Create an account to join the conversation.
- bj.gibson
-
Topic Author
- Offline
- New Member
-
Less
More
- Posts: 9
- Thank you received: 1
4 years 9 months ago #46192
by bj.gibson
Replied by bj.gibson on topic 2008 Honda CRV no AC
This is a 3 wire switch so no way that I know of to bypass. I am guessing a blockage and I should have went ahead with a condensor, dryer and orifice tube.
Please Log in or Create an account to join the conversation.
- bj.gibson
-
Topic Author
- Offline
- New Member
-
Less
More
- Posts: 9
- Thank you received: 1
4 years 9 months ago #46193
by bj.gibson
Replied by bj.gibson on topic 2008 Honda CRV no AC
Also ac condensor fan not coming on so I know the command is not being given to come on for clutch and fan which is why I am suspecting blockage or bad sensor but with sensor out I can blow shop air on it and make the values change.
Please Log in or Create an account to join the conversation.
- Hardtopdr2
-
- Offline
- Platinum Member
-
Less
More
- Posts: 851
- Thank you received: 148
4 years 9 months ago #46195
by Hardtopdr2
Replied by Hardtopdr2 on topic 2008 Honda CRV no AC
What is your high side pressure reading?
Please Log in or Create an account to join the conversation.
- bj.gibson
-
Topic Author
- Offline
- New Member
-
Less
More
- Posts: 9
- Thank you received: 1
4 years 9 months ago #46196
by bj.gibson
Replied by bj.gibson on topic 2008 Honda CRV no AC
60 on low side high side barely anything after sitting for 2 hours.
Please Log in or Create an account to join the conversation.
- Hardtopdr2
-
- Offline
- Platinum Member
-
Less
More
- Posts: 851
- Thank you received: 148
4 years 9 months ago #46197
by Hardtopdr2
Replied by Hardtopdr2 on topic 2008 Honda CRV no AC
I would start by looking at txv valve/hblock at firewall or orfice tube whichever you have. Pressure should have bled over to high side from txv/orfice tube. Most likely its stuck closed.
Please Log in or Create an account to join the conversation.
- musicalmechanic
-
- Offline
- New Member
-
Less
More
- Posts: 9
- Thank you received: 0
4 years 9 months ago #46200
by musicalmechanic
Replied by musicalmechanic on topic 2008 Honda CRV no AC
I'll take a crack at it. Confession, AC work isn't my strong point. Just being honest here.
Making an assumption that this is manual controlled and not a climate controlled system here. I looked back through your question and I don't see a distinction anywhere. Most of them are manual so if you have an automatic climate control system, this information may differ...
Accessing Alldata to look at the system, I see the following: I'd start with the basics.
First - Check fuse 20 - 7.5 Amp under the hood. Let's make sure that guy is healthy.
Second - Check fuse 36 - 10 Amp under the dash
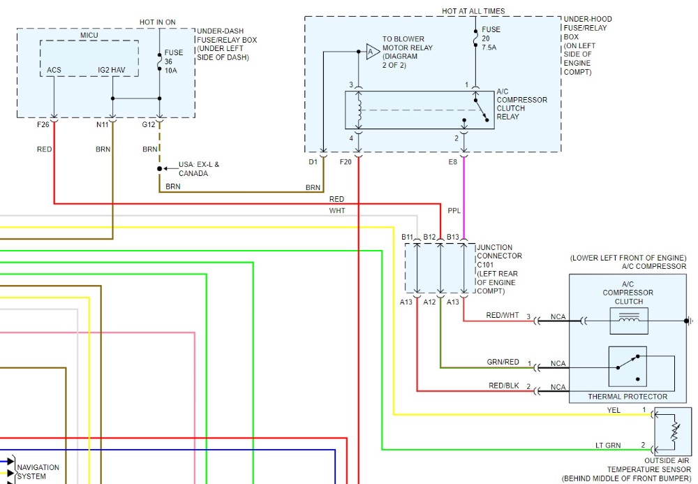
From there, I'd check to make sure you're still getting power on E8. Comes out of the compressor relay as a purple wire, turns into a Red wire with a white tracer at the compressor connector. I'd backprobe it with your gauges on.
If the compressor is just not receiving the appropriate 12 V signal to command the clutch engagement, you should be able to force it on by applying voltage. Apply a fused 12V signal to the clutch. Watch your gauges and see if you get compression. At that point, you should see the low side drop, high side raise, and get compressor engagement.
If you apply 12 V to that red wire with the white tracer and you aren't getting compressor engagement, stop. There's something wrong with this compressor. Compressor is case grounded so the only input for commanding this thing on should be that wire. The other two wires have more to do with thermal protection than compressor operation.
Do not apply voltage for too long. You are bypassing the compressor's safety systems by doing this. Great for testing but disaster if you keep it engaged for long.
I know it's basic but I'd start here.
Making an assumption that this is manual controlled and not a climate controlled system here. I looked back through your question and I don't see a distinction anywhere. Most of them are manual so if you have an automatic climate control system, this information may differ...
Accessing Alldata to look at the system, I see the following: I'd start with the basics.
First - Check fuse 20 - 7.5 Amp under the hood. Let's make sure that guy is healthy.
Second - Check fuse 36 - 10 Amp under the dash
From there, I'd check to make sure you're still getting power on E8. Comes out of the compressor relay as a purple wire, turns into a Red wire with a white tracer at the compressor connector. I'd backprobe it with your gauges on.
If the compressor is just not receiving the appropriate 12 V signal to command the clutch engagement, you should be able to force it on by applying voltage. Apply a fused 12V signal to the clutch. Watch your gauges and see if you get compression. At that point, you should see the low side drop, high side raise, and get compressor engagement.
If you apply 12 V to that red wire with the white tracer and you aren't getting compressor engagement, stop. There's something wrong with this compressor. Compressor is case grounded so the only input for commanding this thing on should be that wire. The other two wires have more to do with thermal protection than compressor operation.
Do not apply voltage for too long. You are bypassing the compressor's safety systems by doing this. Great for testing but disaster if you keep it engaged for long.
I know it's basic but I'd start here.
Please Log in or Create an account to join the conversation.
- Hardtopdr2
-
- Offline
- Platinum Member
-
Less
More
- Posts: 851
- Thank you received: 148
4 years 9 months ago #46202
by Hardtopdr2
Replied by Hardtopdr2 on topic 2008 Honda CRV no AC
Please Log in or Create an account to join the conversation.
- musicalmechanic
-
- Offline
- New Member
-
Less
More
- Posts: 9
- Thank you received: 0
4 years 9 months ago #46206
by musicalmechanic
Replied by musicalmechanic on topic 2008 Honda CRV no AC
You might be right, as I said, AC isn't my strong point.
With a bad expansion valve, you'd still get compressor operation. It sounds like we have none.
That being said, my understanding of compressor off pressures would typically be around 60 PSI. It sounds from what he said like he knows he's not getting a commanded signal to engage the compressor clutch.
Even the video you linked to has low side values of 30 PSI and high side at just above 100 PSI.
"Now no ac fan motor and no power to clutch which tells me system is not being commanded on."
This tells me he probably verified some of the things I even said earlier, although I'd want to double-check.
I'd agree with him at the moment, given the little information that I have. The system isn't even being commanded on, which is why I mentioned starting with the basics.
My guess is that there's a bad signal from either a pressure sensor or a bad wiring issue causing the HVAC system to prevent the compressor from cycling on. Something either didn't get plugged back in when the compressor was replaced, the AC system was not properly refilled, or there is a wiring or sensor issue. Just my guess. Either way, the HVAC control unit is not commanding the clutch to engage to begin with.
Again, I absolutely could be wrong. This is based on my understanding of the system and what he said is happening.
With a bad expansion valve, you'd still get compressor operation. It sounds like we have none.
That being said, my understanding of compressor off pressures would typically be around 60 PSI. It sounds from what he said like he knows he's not getting a commanded signal to engage the compressor clutch.
Even the video you linked to has low side values of 30 PSI and high side at just above 100 PSI.
"Now no ac fan motor and no power to clutch which tells me system is not being commanded on."
This tells me he probably verified some of the things I even said earlier, although I'd want to double-check.
I'd agree with him at the moment, given the little information that I have. The system isn't even being commanded on, which is why I mentioned starting with the basics.
My guess is that there's a bad signal from either a pressure sensor or a bad wiring issue causing the HVAC system to prevent the compressor from cycling on. Something either didn't get plugged back in when the compressor was replaced, the AC system was not properly refilled, or there is a wiring or sensor issue. Just my guess. Either way, the HVAC control unit is not commanding the clutch to engage to begin with.
Again, I absolutely could be wrong. This is based on my understanding of the system and what he said is happening.
Please Log in or Create an account to join the conversation.
Time to create page: 1.147 seconds