*** Restricting New Posts to SD Premium Members ONLY *** (09 May 2025)

Just made a new account? Can't post? Click above.

Help us help you. By posting the year, make, model and engine near the beginning of your help request, followed by the symptoms (no start, high idle, misfire etc.) Along with any prevalent Diagnostic Trouble Codes, aka DTCs, other forum members will be able to help you get to a solution more quickly and easily!

2006 Trailblazer SS Loses Speedometer

  • Tyler
  • Tyler's Avatar Topic Author
  • Offline
  • Moderator
  • Moderator
  • Full time HACK since 2012
More
4 years 9 months ago - 4 years 8 months ago #46183 by Tyler
This 'Blazer belongs to my shop owner. Last year, I pulled the engine to install a lumpy cam, headers, torque converter and some other racecar parts I can't remember. :silly: Tuned by a local shop.

Since the work was done, the owner has noticed that the speedometer will stick at 0 MPH during a WOT acceleration from a stop. The speedometer works perfectly under all other conditions. As soon as you get out of the throttle from a stop, the speedometer needle immediately picks up the speed you're at, and starts indicating correctly. To restate clearly - You can WOT the truck all you want once you're moving, and the speedometer will work correctly. ONLY from a stop is there an issue.

So there's gotta be some codes, right? Nope. :lol:



I decided to start at the ICM. Maybe there's something wrong with the gauge itself? :huh: Wouldn't be the first time on a GM.



The data doesn't paint a perfect picture, but you can get the idea. At about frame 1035 I got WOT. I'm rolling down the street until I let off around 1050. The speedometer didn't indicate anything because there was no speed signal to indicate. :blink:

Well ain't that interesting. Next I decide to kill two birds with one stone by pulling out VCM Scanner. I go this way because it'll allow me to graph the Vehicle Speed signal from the PCM and the wheel speed signals from the ABS simultaneously. It also allows for more graphing options, resulting in a better overall picture of the problem.



You can see the front left wheel trying to spin. :lol: But the vehicle speed signal doesn't catch up with reality until the throttle is lifted.

So, what would be your next move? I honestly can't decide if this is a genuine problem, a side effect of the programming, or just how these SS's behave. I haven't done much in the way of research on how/where the VSS comes from, so feel free to take me to school as needed.
Last edit: 4 years 8 months ago by Tyler.

Please Log in or Create an account to join the conversation.

More
4 years 9 months ago #46184 by Matt T
Replied by Matt T on topic 2006 Trailblazer SS Loses Speedometer

Tyler wrote: So there's gotta be some codes, right? Nope. :lol:


Try a different scan tool. No way does a Failblazer only have two codes set :silly:

Tyler wrote: Next I decide to kill two birds with one stone by pulling out VCM Scanner. I go this way because it'll allow me to graph the Vehicle Speed signal from the PCM and the wheel speed signals from the ABS simultaneously. It also allows for more graphing options, resulting in a better overall picture of the problem.


That one is interesting. VSS does register at the start of the pull then drops out when the vehicle lifts off the throttle. Kinda looks like the PCM is reacting to implausibly fast acceleration caused by all the extra horsepower :lol: Lifts off a bit to see if that drops the accel into believable territory then ignores VSS because it's still too high.

Please Log in or Create an account to join the conversation.

  • Noah
  • Noah's Avatar
  • Offline
  • Moderator
  • Moderator
  • Give code definitions with numbers!
More
4 years 9 months ago #46203 by Noah
Replied by Noah on topic 2006 Trailblazer SS Loses Speedometer
If it's only from a dig, then it must be because the front wheels are coming off the ground when that thing launches.
He must be granny shifting and not double clutching like you should.
Try tuning the wheelie bars to get the front end back on the ground faster.

"Ground cannot be checked with a 10mm socket"

Please Log in or Create an account to join the conversation.

More
4 years 9 months ago #46205 by Hardtopdr2
Replied by Hardtopdr2 on topic 2006 Trailblazer SS Loses Speedometer
Not sure if your data is from pcm or cluster or if it matters but from what i see with it dropping on acceleration from a stop. I think the wiring between sensor and computer is getting pulled or is broken internally.
Now just need to determine which sensor sends the mph info for pcm to ipc.
The following user(s) said Thank You: Noah, Tyler

Please Log in or Create an account to join the conversation.

  • Noah
  • Noah's Avatar
  • Offline
  • Moderator
  • Moderator
  • Give code definitions with numbers!
More
4 years 9 months ago #46215 by Noah
Replied by Noah on topic 2006 Trailblazer SS Loses Speedometer
The VSS looks like it's in the output shaft, 2 wire AC generator.
Feeds the ECM, which relays the information to the cluster over the network for speedometer and odometer operation.
Should be easy enough to scope the signal at the ECM and compare to data.

Maybe some obscure AC ripple interfering with the VSS?

"Ground cannot be checked with a 10mm socket"
The following user(s) said Thank You: Tyler

Please Log in or Create an account to join the conversation.

  • Tyler
  • Tyler's Avatar Topic Author
  • Offline
  • Moderator
  • Moderator
  • Full time HACK since 2012
More
4 years 9 months ago #46236 by Tyler
Replied by Tyler on topic 2006 Trailblazer SS Loses Speedometer

Matt T wrote: Try a different scan tool. No way does a Failblazer only have two codes set :silly:


Right? Actually, it does have P0171 and P0174 set due to... I dunno? :silly: I wanna point the finger at whoever did the tune, but that seems like a cop out.

That one is interesting. VSS does register at the start of the pull then drops out when the vehicle lifts off the throttle. Kinda looks like the PCM is reacting to implausibly fast acceleration caused by all the extra horsepower :lol: Lifts off a bit to see if that drops the accel into believable territory then ignores VSS because it's still too high.


See, I keep coming back to this being a programmed response. I just can't find any documentation to prove it...

He must be granny shifting and not double clutching like you should.


You just couldn't resist. :silly:

The VSS looks like it's in the output shaft, 2 wire AC generator.
Feeds the ECM, which relays the information to the cluster over the network for speedometer and odometer operation.
Should be easy enough to scope the signal at the ECM and compare to data.

Maybe some obscure AC ripple interfering with the VSS?


I'm really not trying to call you out, but do you have anything that says the VSS is wired to the PCM? 'Cause I'm trying to get a straight answer out of service info on how this VSS is wired. :angry: I really hate how GM's vary their VSS signals based on engine/trans/T-case/day-of-the-week.

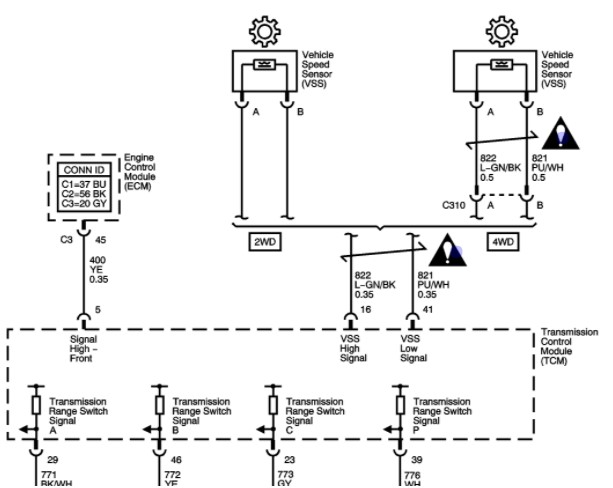
What I found so far says that the VSS is an input to the TCM:



The network diagram says the only way the PCM and TCM talk is over the HS-LAN network. So, I'm assuming that's how the VSS signal gets communicated:



THEN, the VSS is sent by the PCM to the Radio, ICM and Air Suspension compressor:



From what I understand, this isn't a data line, but a pulse width signal based directly on vehicle speed:



Does this seem like a needlessly complex system to anyone else? :silly:

Not sure if your data is from pcm or cluster or if it matters but from what i see with it dropping on acceleration from a stop. I think the wiring between sensor and computer is getting pulled or is broken internally.
Now just need to determine which sensor sends the mph info for pcm to ipc.


Sorry, I should have specified. :blush: The first picture is from the IPC. The top graph in the second picture is from the PCM. The bottom graph is from the ABS.

Please Log in or Create an account to join the conversation.

More
4 years 9 months ago #46240 by gav09
Replied by gav09 on topic 2006 Trailblazer SS Loses Speedometer
Here you go
www.tbssowners.com/threads/speedo-not-working.95202/

I'm assuming the transmission is also modified. Looks like you will need to have 2 ecms wired in to make it work.
The following user(s) said Thank You: Noah, Tyler

Please Log in or Create an account to join the conversation.

More
4 years 9 months ago #46243 by gav09
Replied by gav09 on topic 2006 Trailblazer SS Loses Speedometer
ok after more checking you may also be able to use a speedometer interface from dakota digital and bypass the ecm in the speedometer signal.
Input ac voltage into the speedo interface. output digital signal to IPC.
The following user(s) said Thank You: Noah, Tyler

Please Log in or Create an account to join the conversation.

  • Tyler
  • Tyler's Avatar Topic Author
  • Offline
  • Moderator
  • Moderator
  • Full time HACK since 2012
More
4 years 8 months ago - 4 years 8 months ago #46341 by Tyler
Replied by Tyler on topic 2006 Trailblazer SS Loses Speedometer

gav09 wrote: Here you go
www.tbssowners.com/threads/speedo-not-working.95202/

I'm assuming the transmission is also modified. Looks like you will need to have 2 ecms wired in to make it work.


Many thanks, gav09. B) This thread was very enlightening. I Googled this problem early on? :huh: Probably right in front of me the whole time.

The trans isn't internally modified, only the replacement torque converter. I don't recall the brand/specs. But everything in that thread seems to suggest the TCM doesn't like the change in stall speed over stock, which somehow causes its VSS calculation to fail. Good stuff.

It was also comforting to see that my interpretation of the VSS signal system was correct.

I gave the options to the owner. Source another ECM and have me wire it in to generate the right signal for the IPC, or get a standalone box to do the same. He opted not to worry about it. :lol:

Thanks to everyone that replied!
Last edit: 4 years 8 months ago by Tyler. Reason: punctuation is hard

Please Log in or Create an account to join the conversation.

Time to create page: 0.400 seconds