*** Restricting New Posts to SD Premium Members ONLY *** (09 May 2025)

Just made a new account? Can't post? Click above.

Help us help you. By posting the year, make, model and engine near the beginning of your help request, followed by the symptoms (no start, high idle, misfire etc.) Along with any prevalent Diagnostic Trouble Codes, aka DTCs, other forum members will be able to help you get to a solution more quickly and easily!

Golf 6 dsg U0103 en P2711

  • BollaNc
  • BollaNc's Avatar Topic Author
  • Offline
  • New Member
  • New Member
More
4 years 9 months ago #45776 by BollaNc
Golf 6 dsg U0103 en P2711 was created by BollaNc
Good day I have an mk6 dsg gti doesn't want to enter gears it only show the gears are shifting inside on dash but doesn't enter it....it throw U0103, P2711 fault code out on diagnostic on transmission....hope you can help me please

Please Log in or Create an account to join the conversation.

  • RJMARRA
  • RJMARRA's Avatar
  • Offline
  • Junior Member
  • Junior Member
  • 2018 NAPA/ASE Parts Specialist of the Year
More
4 years 9 months ago #45781 by RJMARRA
Replied by RJMARRA on topic Golf 6 dsg U0103 en P2711
can you provide the year of the car so we can check diagrams? and possibly the motor

Please Log in or Create an account to join the conversation.

  • BollaNc
  • BollaNc's Avatar Topic Author
  • Offline
  • New Member
  • New Member
More
4 years 9 months ago #45784 by BollaNc
Replied by BollaNc on topic Golf 6 dsg U0103 en P2711
Golf 6 gti 2011

Please Log in or Create an account to join the conversation.

  • RJMARRA
  • RJMARRA's Avatar
  • Offline
  • Junior Member
  • Junior Member
  • 2018 NAPA/ASE Parts Specialist of the Year
More
4 years 9 months ago #45786 by RJMARRA
Replied by RJMARRA on topic Golf 6 dsg U0103 en P2711
Does the car shift with the lever but not go into the corresponding gear? or are you unable to move the lever at all? also assuming this is an automatic trans?

Please Log in or Create an account to join the conversation.

  • BollaNc
  • BollaNc's Avatar Topic Author
  • Offline
  • New Member
  • New Member
More
4 years 9 months ago #45850 by BollaNc
Replied by BollaNc on topic Golf 6 dsg U0103 en P2711
The lever are shifting but not go into the corresponding gear and yes it is automatic trans

Please Log in or Create an account to join the conversation.

  • BollaNc
  • BollaNc's Avatar Topic Author
  • Offline
  • New Member
  • New Member
More
4 years 9 months ago #45851 by BollaNc
Replied by BollaNc on topic Golf 6 dsg U0103 en P2711
That are the fault that the trans throw out when you do a diagnostic test
Attachments:

Please Log in or Create an account to join the conversation.

  • BollaNc
  • BollaNc's Avatar Topic Author
  • Offline
  • New Member
  • New Member
More
4 years 9 months ago #45852 by BollaNc
Replied by BollaNc on topic Golf 6 dsg U0103 en P2711
.
Attachments:

Please Log in or Create an account to join the conversation.

  • RJMARRA
  • RJMARRA's Avatar
  • Offline
  • Junior Member
  • Junior Member
  • 2018 NAPA/ASE Parts Specialist of the Year
More
4 years 9 months ago #45853 by RJMARRA
Replied by RJMARRA on topic Golf 6 dsg U0103 en P2711
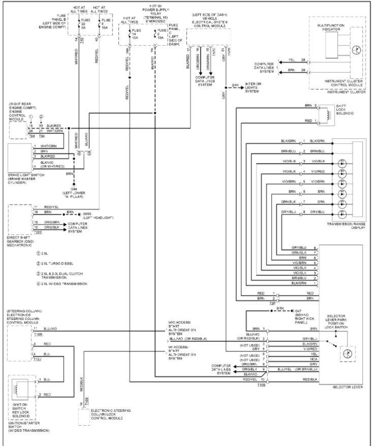
I've attached a gear selector circuit digram (assuming you do not have direct shift)
Attachments:
The following user(s) said Thank You: BollaNc

Please Log in or Create an account to join the conversation.

Time to create page: 0.292 seconds