*** Restricting New Posts to SD Premium Members ONLY *** (09 May 2025)

Just made a new account? Can't post? Click above.

Help us help you. By posting the year, make, model and engine near the beginning of your help request, followed by the symptoms (no start, high idle, misfire etc.) Along with any prevalent Diagnostic Trouble Codes, aka DTCs, other forum members will be able to help you get to a solution more quickly and easily!

Switch input testing

  • autojoe
  • autojoe's Avatar Topic Author
  • Offline
  • Elite Member
  • Elite Member
More
4 years 9 months ago #45765 by autojoe
Need to do switch bypass test was created by autojoe
2008 Chevy trailblazer 4.2. Rear washer pump not working. Washer relay and fuse good. No power to pump. Rear wipers work. I am thinking bad switch. There are 2 wires from bcm. White 12 volt ref and a Grey wire.. Rear wiper switch signal. Don't know if for wiper and washer or just wipers. Series of resistors for wiper. My snap on will bidirectional control wiper not washer through liftgate module. Any help would be appreciated. Joe

Please Log in or Create an account to join the conversation.

More
4 years 9 months ago #45766 by Matt T
Replied by Matt T on topic Need to do switch bypass test
That grey wire to the liftgate module is probably Class 2. Try the BCM for rear washer switch PID and pump control.

Please Log in or Create an account to join the conversation.

  • autojoe
  • autojoe's Avatar Topic Author
  • Offline
  • Elite Member
  • Elite Member
More
4 years 9 months ago #45768 by autojoe
Replied by autojoe on topic Need to do switch bypass test
Rear wiper switch signal to bcm. Not liftgate module.

Please Log in or Create an account to join the conversation.

More
4 years 9 months ago #45769 by Matt T
Replied by Matt T on topic Need to do switch bypass test

autojoe wrote: Rear wiper switch signal to bcm. Not liftgate module.


Misread that part. Either ways it's the BCM that controls the rear washer pump. Liftgate module might be able to inhibit it if there's a problem with liftgate latched switch. Had a problem before with something not working because of that switch but can't remember what it was??

Please Log in or Create an account to join the conversation.

  • autojoe
  • autojoe's Avatar Topic Author
  • Offline
  • Elite Member
  • Elite Member
More
4 years 9 months ago #45770 by autojoe
Replied by autojoe on topic Need to do switch bypass test
Thanks for the reply. I just need to know how to do a switch bypass test for washer. I probably going to use test light to battery positive to Grey wire. Wipers work all speeds.

Please Log in or Create an account to join the conversation.

More
4 years 9 months ago #45772 by Matt T
Replied by Matt T on topic Need to do switch bypass test
I wouldn't put 12 volts on the grey wire personally. It's shown as having a minimum of ~1,200 ohms between Vref and the signal wire. Safer to ohm it out, or backprobing or stabbing the grey wire and checking voltage might work.

BTW you push the rear wiper knob in for squirt. Not sure whether you've already figured that part out.

Please Log in or Create an account to join the conversation.

  • autojoe
  • autojoe's Avatar Topic Author
  • Offline
  • Elite Member
  • Elite Member
More
4 years 9 months ago #45796 by autojoe
Replied by autojoe on topic Need to do switch bypass test
Found out Grey wire for wipers green wire washer. Both 12 volt pull up circuits. Put 12 volts to test both. Bad switch.

Please Log in or Create an account to join the conversation.

  • autojoe
  • autojoe's Avatar Topic Author
  • Offline
  • Elite Member
  • Elite Member
More
4 years 9 months ago #45815 by autojoe
Replied by autojoe on topic Switch input testing
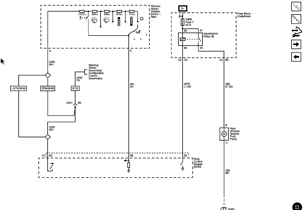
2008 Chevy trailblazer 4.2. Rear washer don't work. Rear wipers work. Fuse and washer pump good. Relay good. Can bypass relay and pump works. Tested relay good. Watched scanner Danner do bypass test on gmc where separate wire for rear washer pump. On my truck one wire Grey for rear wipers and rear washer pump input to bcm. Bcm sends serial data to liftgate control module. When I push wash button no request in bcm or liftgate module. I would like to do a bypass test at switch and don't know how. 4 wires constant power and ground IP Lighting wire and signal wire to bcm. No separate wash signal uses Grey wire for wipers and wash. Don't understand resistors with wash circuit and what voltage will trigger bcm into commanding rear washer pump on bypass test. Rear switch unplugged got 12 volts on white 0 volts on the back wire 0 volts on IP lighting wire if I turn lights on IP brown white wire voltage is 10 volts. Grey wire is zero volts. Plugged in got 12 volts on white 0 volts on black Grey wire 2.49 volts 1st position 2.49 volts 2nd position 2.95 volts 3rd position 3.48 volts when I push wash button voltage stays the same. Any ideas on how to do a washer bypass test. I am thinking switch but can also be bcm. I replaced washer pump thinking it was that before testing. Don't want to throw parts at it. Maybe scanner Danner has a input. Ty all.

Please Log in or Create an account to join the conversation.

  • autojoe
  • autojoe's Avatar Topic Author
  • Offline
  • Elite Member
  • Elite Member
More
4 years 9 months ago #45820 by autojoe
Replied by autojoe on topic Switch input testing
I'm not disconnecting and doing resistance testing. Not worth time besides bcm uses same Grey wire for wipers and washer and the wipers work. Yes know push button for washer used lots of times.

Please Log in or Create an account to join the conversation.

More
4 years 9 months ago #45821 by Matt T
Replied by Matt T on topic Switch input testing

autojoe wrote: Don't understand resistors with wash circuit and what voltage will trigger bcm into commanding rear washer pump on bypass test.


The resistors in the switch are R1 of a voltage divider circuit. R2 is the resistor inside the BCM which appears to be about 630 ohms. BCM senses voltage on the switch side of R2.

www.digikey.com/en/resources/conversion-...ator-voltage-divider

Position 1 switch resistance is 1270+294+348+475 ohms. Resistance steps down thru' positions 2 and 3. Then squirt bypasses everything but the 1270 ohm resistor. Plugging all that into a voltage divider calculator you should have about 4 volts on the grey wire for squirt.

Easiest bypass test would be to put 1270 ohms across the white and grey wires if you've got resistors you can do that with. Or a pot you can adjust to 1270 ohms.

Please Log in or Create an account to join the conversation.

  • autojoe
  • autojoe's Avatar Topic Author
  • Offline
  • Elite Member
  • Elite Member
More
4 years 9 months ago #45822 by autojoe
Replied by autojoe on topic Switch input testing
Thanks Matt for information. I have a sensor simulator tool bought 20 years ago didn't use much. Will give it a try. Want to rule out faulty bcm. Switch ac Delco only costs 25 free shipping on Amazon. My snap on and launch don't have wash bidirectional controls just wiper. Will let you know outcome. Thanks again. JOE

Please Log in or Create an account to join the conversation.

  • autojoe
  • autojoe's Avatar Topic Author
  • Offline
  • Elite Member
  • Elite Member
More
4 years 9 months ago #45823 by autojoe
Replied by autojoe on topic Switch input testing
Thanks Matt for your help. I used the simulator tool and introduced voltage into the signal circuit to bcm. Started at zero then around 2 1/2 volts wipers kicked on then around 4 volts washer kicked on up to I forgot how many volts. I have to study up on voltage dividing circuits I guess. I wonder if a thermistor is one with 2 resistors one fixed and one variable. Ordered a switch. Thanks again.

Please Log in or Create an account to join the conversation.

  • autojoe
  • autojoe's Avatar Topic Author
  • Offline
  • Elite Member
  • Elite Member
More
4 years 9 months ago #45827 by autojoe
Replied by autojoe on topic Switch input testing
I tried to calculate using tool came up different numbers. Could you please explain. I would appreciate it. Thanks again. JOE

Please Log in or Create an account to join the conversation.

  • autojoe
  • autojoe's Avatar Topic Author
  • Offline
  • Elite Member
  • Elite Member
More
4 years 9 months ago #45828 by autojoe
Replied by autojoe on topic Switch input testing
How did you get 630 ohms. Sorry so many questions. Just trying to understand circuit. Ty Matt.

Please Log in or Create an account to join the conversation.

More
4 years 9 months ago #45829 by Matt T
Replied by Matt T on topic Switch input testing

autojoe wrote: I tried to calculate using tool came up different numbers. Could you please explain. I would appreciate it. Thanks again. JOE


I'll use switch position 3 for this example just to keep the math easier. You measured 12V into the switch and 3.48V coming out. R1 in that position is 1270 + 294 ohms for 1564 ohms total. I just plugged 12V and 1564 ohms into the calculator and played around with the R2 value until I got about 3.48V. 3.446V actually so I probably started with one of the other positions. I actually ran all three positions to check they all calculated close to what you actually measured.



Now I've got a believeable number for R2 I changed R1 to 1270 ohms, which is the resistance for squirt, and it calculated about 4 volts.

The following user(s) said Thank You: autojoe

Please Log in or Create an account to join the conversation.

  • autojoe
  • autojoe's Avatar Topic Author
  • Offline
  • Elite Member
  • Elite Member
More
4 years 9 months ago #45830 by autojoe
Replied by autojoe on topic Switch input testing
Thanks for all your help. I appreciate it.

Please Log in or Create an account to join the conversation.

Time to create page: 0.440 seconds