*** Restricting New Posts to SD Premium Members ONLY *** (09 May 2025)
Just made a new account? Can't post? Click above.
Help us help you. By posting the year, make, model and engine near the beginning of your help request, followed by the symptoms (no start, high idle, misfire etc.) Along with any prevalent Diagnostic Trouble Codes, aka DTCs, other forum members will be able to help you get to a solution more quickly and easily!
2014 Kia Forte 1.8L Turn Signals Inop on Intrustment Cluster
- Red X
-
Topic Author
- Offline
- New Member
-
Less
More
- Posts: 4
- Thank you received: 0
4 years 10 months ago #44985
by Red X
2014 Kia Forte 1.8L Turn Signals Inop on Intrustment Cluster was created by Red X
Hey everyone,
New here on the forum but looking forward to everyones input. Also relatively new to the advance diagnostics in electrical/electronic and engine performance areas but Im willing to learn. So the vehicle im currently working on is a 2014 Kia Forte 1.8L. The turn signals work all the way around, the only thing that doesnt work are the indicators on the instrument cluster. You can hear the clicking and everything. Hazard lights do the same thing, they work outside but not on the cluster. i was able to command all the lights on the cluster to turn on and off. When doing that, only the right side turn signal indicator comes on, but not the left side. I was suspecting a faulty cluster. No codes in the cluster. The only code i have is for the airbag. A B24000, I believe. "AIRBAG WARNING LIGHT FAILURE" , which is also weird because the airbag light on the cluster works. Again i was suspecting a faulty cluster. so i made the call, got a used cluster from a salvage yard (yay), installed it and same thing. The only difference is now when i command the dash lights to turn on, BOTH turn signal indicators come on now, not just the right side. So some progress but not a fix. i cant find any information, or TSB related problems. Maybe someone has run into this? Maybe i am missing something here? is the airbag code related to this? ive heard these cars have a lot of problems with the driver side junction box. Again relatively new to diagnosing so if i missed something or if i jumped too fast on making the call, go easy on me haha.
New here on the forum but looking forward to everyones input. Also relatively new to the advance diagnostics in electrical/electronic and engine performance areas but Im willing to learn. So the vehicle im currently working on is a 2014 Kia Forte 1.8L. The turn signals work all the way around, the only thing that doesnt work are the indicators on the instrument cluster. You can hear the clicking and everything. Hazard lights do the same thing, they work outside but not on the cluster. i was able to command all the lights on the cluster to turn on and off. When doing that, only the right side turn signal indicator comes on, but not the left side. I was suspecting a faulty cluster. No codes in the cluster. The only code i have is for the airbag. A B24000, I believe. "AIRBAG WARNING LIGHT FAILURE" , which is also weird because the airbag light on the cluster works. Again i was suspecting a faulty cluster. so i made the call, got a used cluster from a salvage yard (yay), installed it and same thing. The only difference is now when i command the dash lights to turn on, BOTH turn signal indicators come on now, not just the right side. So some progress but not a fix. i cant find any information, or TSB related problems. Maybe someone has run into this? Maybe i am missing something here? is the airbag code related to this? ive heard these cars have a lot of problems with the driver side junction box. Again relatively new to diagnosing so if i missed something or if i jumped too fast on making the call, go easy on me haha.
Please Log in or Create an account to join the conversation.
- Cheryl
-
- Offline
- Platinum Member
-
Less
More
- Posts: 1214
- Thank you received: 215
4 years 10 months ago #44987
by Cheryl
Replied by Cheryl on topic 2014 Kia Forte 1.8L Turn Signals Inop on Intrustment Cluster
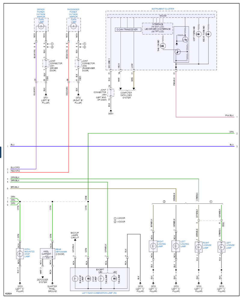
Can you post wiring diagram of turn signals and cluster indicators
Please Log in or Create an account to join the conversation.
- Red X
-
Topic Author
- Offline
- New Member
-
Less
More
- Posts: 4
- Thank you received: 0
4 years 10 months ago #44992
by Red X
Replied by Red X on topic 2014 Kia Forte 1.8L Turn Signals Inop on Intrustment Cluster
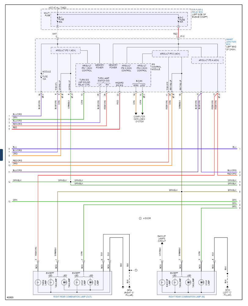
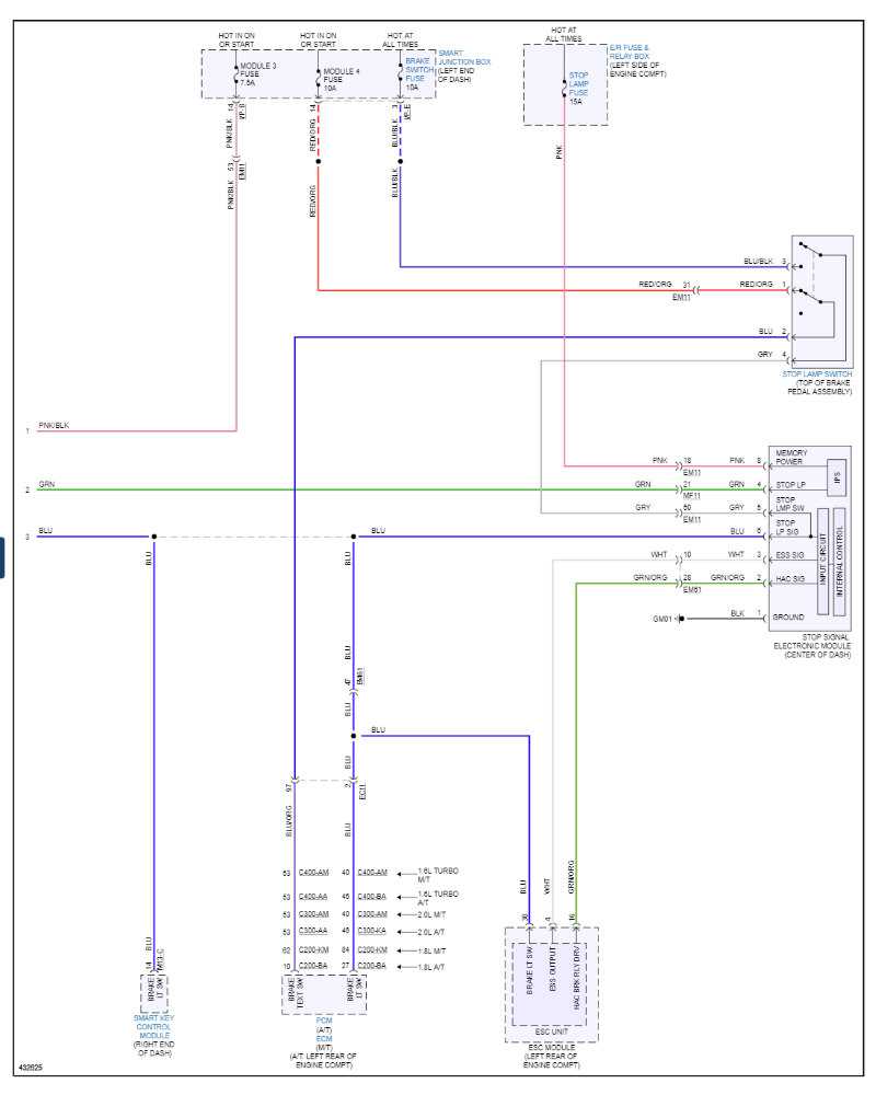
Thats the diagram i am using. Computer data lines are involved but im not very experience in that area.
Please Log in or Create an account to join the conversation.
- Cheryl
-
- Offline
- Platinum Member
-
Less
More
- Posts: 1214
- Thank you received: 215
4 years 10 months ago #44993
by Cheryl
Replied by Cheryl on topic 2014 Kia Forte 1.8L Turn Signals Inop on Intrustment Cluster
Does Mitchell give a description on how the system is supposed to work?
Please Log in or Create an account to join the conversation.
- Red X
-
Topic Author
- Offline
- New Member
-
Less
More
- Posts: 4
- Thank you received: 0
4 years 10 months ago #44994
by Red X
Replied by Red X on topic 2014 Kia Forte 1.8L Turn Signals Inop on Intrustment Cluster
No it does not. I have tried ALLDATA as well and Identifix. The closest useful information i got was how a similar kia had also a suspected faulty cluster. This particular problem was the screen on the cluster was dim. A simple unplugged and plug back in temporally solved the issue, but later came back. After replacing the instrument cluster, vehicle was fixed.
Please Log in or Create an account to join the conversation.
Time to create page: 0.278 seconds