*** Restricting New Posts to SD Premium Members ONLY *** (09 May 2025)

Just made a new account? Can't post? Click above.

Help us help you. By posting the year, make, model and engine near the beginning of your help request, followed by the symptoms (no start, high idle, misfire etc.) Along with any prevalent Diagnostic Trouble Codes, aka DTCs, other forum members will be able to help you get to a solution more quickly and easily!

Exploder doesn't want to run!

More
4 years 10 months ago #44691 by Paul P.
Replied by Paul P. on topic Exploder doesn't want to run!
I looked at both banks .ps files Tyler provided and I see retarded Exhaust Both Banks.

This would help explain higher running compression than the cranking compression.
Running compression is supposed to be less, this engine has more!!!

I would want to check 2 cyls per bank in- cylinder to ultimately prove retarded exhaust both banks.

But, based on the captures, and being SOHC, lash adjuster and cam lobes can APPEAR to affect timing.

A tight valve will open early and close late, increasing duration, whereas the loose valve will open late and close early, decreasing duration.

Try and fill a Pico screen Tyler to get consistent data, that wasn't really enough data in both of those files.

Paul

Never stop Learning.
The following user(s) said Thank You: Chad

Please Log in or Create an account to join the conversation.

  • Chad
  • Chad's Avatar
  • Offline
  • Moderator
  • Moderator
  • I am not a parts changer.
More
4 years 10 months ago #44692 by Chad
Replied by Chad on topic Exploder doesn't want to run!

Tyler wrote: Would there be any value in covering the throttle body during a cranking capture? Maybe make the valve events more discernable?


If you use Clear Flood mode, definitely, yes. Restricting air intake will make the Vacuum areas more pronounced.



While checking cam/crank, I discovered that the latest Snap-On update for my Triton changed saved scope capture file formats. In doing so, they also made it so negative voltages get chopped off the saved waveforms. :angry: The scope displays everything perfectly while capturing, but destroys the waveform once saved.


:ohmy: Wow! That's unacceptable. Was it update 20.4? I wonder if my Veruses have that problem. :huh: I hope they fix it, soon.


"I hope we get to see this one through to the fix. :)"

Please. :silly: When have I not come through with a follow up?


Touché. I embarrass myself. :whistle: I have no doubt in you, Tyler. ;)

"Knowledge is a weapon. Arm yourself, well, before going to do battle."
"Understanding a question is half an answer."

I have learned more by being wrong, than I have by being right. :-)

Please Log in or Create an account to join the conversation.

  • Tyler
  • Tyler's Avatar Topic Author
  • Offline
  • Moderator
  • Moderator
  • Full time HACK since 2012
More
4 years 10 months ago #44693 by Tyler
Replied by Tyler on topic Exploder doesn't want to run!

Weycraze wrote: This would help explain higher running compression than the cranking compression.
Running compression is supposed to be less, this engine has more!!!


I noticed that, too! :woohoo: Actually, I didn't notice it at first, only when I went back to make the screenshots later. I gotta learn to slow down when analyzing these waveforms...

Try and fill a Pico screen Tyler to get consistent data, that wasn't really enough data in both of those files.


Are you looking for a longer screen time? :huh: Or a longer cranking event? Not complaining, just wanna be clear about how I should do the next set of captures. :cheer:

If you use Clear Flood mode, definitely, yes. Restricting air intake will make the Vacuum areas more pronounced.


Will do. I won't be back in the shop 'till Monday. :(

:ohmy: Wow! That's unacceptable. Was it update 20.4? I wonder if my Veruses have that problem. :huh: I hope they fix it, soon.


Yep, 20.4. I've spoken to a Snappy engineer about the problem. Hopefully they'll get it addressed soon.

My coworker has a Zeus. I'll see if his does the same goofiness.

Touché. I embarrass myself. :whistle: I have no doubt in you, Tyler. ;)


Not to worry, sir. Everyone's input on my waveforms has pretty well confirmed it's a timing issue. The only question now is if we'll pull the engine and retime it, or just go with a used engine instead.

I know this thing is valve tweaker? But the RC and in-cylinder suggest the valves aren't bent yet, IMO.
The following user(s) said Thank You: Paul P.

Please Log in or Create an account to join the conversation.

  • Chad
  • Chad's Avatar
  • Offline
  • Moderator
  • Moderator
  • I am not a parts changer.
More
4 years 10 months ago - 4 years 10 months ago #44699 by Chad
Replied by Chad on topic Exploder doesn't want to run!

Matt T wrote: I was thinking the vacuum pocket at the start of the intake stroke looked like a late IVO on both banks. And there appears to be a ~15* difference between the bottom of the pockets.


I see that, now. And, I agree.

I can see late EVO and late IVO. ....But, I just don't see IVC as late, at all. :unsure:

Does anyone have access to a 4.0L to grab a known good? I'll try to find a cam chart.

"Knowledge is a weapon. Arm yourself, well, before going to do battle."
"Understanding a question is half an answer."

I have learned more by being wrong, than I have by being right. :-)
Last edit: 4 years 10 months ago by Chad.
The following user(s) said Thank You: Paul P.

Please Log in or Create an account to join the conversation.

  • Noah
  • Noah's Avatar
  • Offline
  • Moderator
  • Moderator
  • Give code definitions with numbers!
More
4 years 10 months ago #44707 by Noah
Replied by Noah on topic Exploder doesn't want to run!

Tyler wrote: Not to worry, sir. Everyone's input on my waveforms has pretty well confirmed it's a timing issue. The only question now is if we'll pull the engine and retime it, or just go with a used engine instead.

I know this thing is valve tweaker? But the RC and in-cylinder suggest the valves aren't bent yet, IMO.


Toss that grenade!

"Ground cannot be checked with a 10mm socket"

Please Log in or Create an account to join the conversation.

  • Tyler
  • Tyler's Avatar Topic Author
  • Offline
  • Moderator
  • Moderator
  • Full time HACK since 2012
More
4 years 8 months ago #46996 by Tyler
Replied by Tyler on topic Exploder doesn't want to run!
Follow up outta nowhere! :woohoo:

I pulled this engine, retimed both banks, and reinstalled it. It started up the first time! ...after I put the fuel injector fuse back in. :blush: :lol: Same one I pulled four months ago to get the previous waveforms. This Explorer has been on the very backmost burner ever since I started this thread.

Now it's got a dead miss. :angry: No injector pulse on #4. 12V to the injector, 12V all the way to the PCM. No pulse present on a scope. KOER Self-Test passes. INJ4_FLT PID always says NO. No codes set other than P1000.

I'm ready to pull the trigger on a PCM, unless anyone has any other questions/suggestions. I'll also see about opening the old PCM up for injector driver repair.
The following user(s) said Thank You: Chad, AJeep18

Please Log in or Create an account to join the conversation.

  • Tyler
  • Tyler's Avatar Topic Author
  • Offline
  • Moderator
  • Moderator
  • Full time HACK since 2012
More
4 years 7 months ago #47075 by Tyler
Replied by Tyler on topic Exploder doesn't want to run!
Another update. Put this issue aside for a couple days while working on customer vehicles. Came back to it and decided to do some pinpoint testing at the injector itself. Mostly wanted to load both wires end-to-end to make sure there were no voltage drops. I'm taking the opportunity to show other techs what the problem is and... the injector starts firing. :silly: Wiggling the #4 injector harness makes the miss come and go.

So, broken wire in the injector pigtail, right? Nope! I open up the harness and find the #4 injector power feed wire shorted to the control wire. :ohmy: The insulation has just, I dunno, crumbled? Copper to copper. I'm taking the intake back off to open the harness further to see who else might be damaged.

Anyway, I'm bothered by the behavior of the PCM. Making and breaking the short never set a P0204, never showed on the INJ_FLT PID and (for now) didn't appear to damage the injector driver. You'd think if the PCM was shutting a driver off to protect itself, it'd code.

What's weirder is the behavior of the automated injector balance test. When you attempt to run the test with the wires shorted, you're presented with this error message two injectors into the test:



After temporarily separating the wires, the test passes like normal:



Clearly, the PCM is detecting a problem. I guess the detection logic for P020X doesn't provide for a direct short to power? :silly:
The following user(s) said Thank You: Noah, Chad

Please Log in or Create an account to join the conversation.

  • Chad
  • Chad's Avatar
  • Offline
  • Moderator
  • Moderator
  • I am not a parts changer.
More
4 years 7 months ago #47081 by Chad
Replied by Chad on topic Exploder doesn't want to run!

Tyler wrote: I pulled this engine, retimed both banks, and reinstalled it. It started up the first time!


If you get a chance, I would like to see an "after" in-cylinder waveform.

"Knowledge is a weapon. Arm yourself, well, before going to do battle."
"Understanding a question is half an answer."

I have learned more by being wrong, than I have by being right. :-)

Please Log in or Create an account to join the conversation.

More
4 years 7 months ago #47082 by Matt T
Replied by Matt T on topic Exploder doesn't want to run!

Tyler wrote: What's weirder is the behavior of the automated injector balance test. When you attempt to run the test with the wires shorted, you're presented with this error message two injectors into the test:

Clearly, the PCM is detecting a problem.


This part does make some sense. The problem being detected is probably no flow on the second injector, which appears to be #4 judging by the way the results are ordered. Scan tool reporting it as the injector being unplugged for whatever reason.

And FWIW I don't know exactly how the test works. Could be the PCM is just reporting data and the scan tool is what flags the result as a problem??

Please Log in or Create an account to join the conversation.

  • Tyler
  • Tyler's Avatar Topic Author
  • Offline
  • Moderator
  • Moderator
  • Full time HACK since 2012
More
4 years 7 months ago #47084 by Tyler
Replied by Tyler on topic Exploder doesn't want to run!

Chad wrote: If you get a chance, I would like to see an "after" in-cylinder waveform.


Lemme fix the injector mess and I'll get one. ;) It won't be quite the same, since I won't really be able to replicate the whole start/stall business.

I figure one bank will be good enough? Or would you want both banks?

The problem being detected is probably no flow on the second injector


Oooooh, now that's a good thought. B) I wonder if installing a test light across the injector and running the same test would show the same error? I may do that next week.

And FWIW I don't know exactly how the test works. Could be the PCM is just reporting data and the scan tool is what flags the result as a problem??


Same. I've always wanted to investigate more into what is actually taking place during this test. I also don't have an IDS/FJDS subscription to compare to.

Please Log in or Create an account to join the conversation.

More
4 years 7 months ago - 4 years 7 months ago #47087 by Matt T
Replied by Matt T on topic Exploder doesn't want to run!

Tyler wrote: Oooooh, now that's a good thought. B) I wonder if installing a test light across the injector and running the same test would show the same error? I may do that next week.


Something like a tail light bulb should keep the PCM happy electrically.

Same. I've always wanted to investigate more into what is actually taking place during this test. I also don't have an IDS/FJDS subscription to compare to.


You could 'scope injector current and fuel rail pressure while running the test.

Also IIRC Forscan will do injector balance.
Last edit: 4 years 7 months ago by Matt T.

Please Log in or Create an account to join the conversation.

  • Noah
  • Noah's Avatar
  • Offline
  • Moderator
  • Moderator
  • Give code definitions with numbers!
More
4 years 7 months ago #47109 by Noah
Replied by Noah on topic Exploder doesn't want to run!
I was going to ask what happened with that one. Very strange it never set a short to voltage code when it tried driving the injector.
I always kind of thought Ford was pretty good about setting injector codes when there was a problem.

"Ground cannot be checked with a 10mm socket"

Please Log in or Create an account to join the conversation.

  • Tyler
  • Tyler's Avatar Topic Author
  • Offline
  • Moderator
  • Moderator
  • Full time HACK since 2012
More
4 years 7 months ago #47208 by Tyler
Replied by Tyler on topic Exploder doesn't want to run!
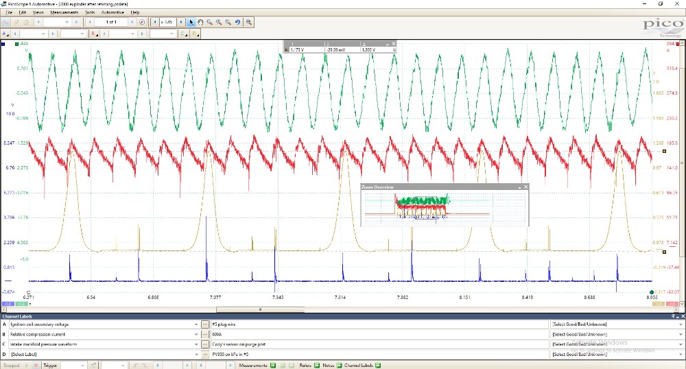
Here's the after cranking waveform of the Exploder. #5 sync, RC, intake pulse and #5 in-cylinder.

File Attachment:

File Name: 2008explod...g.psdata
File Size:2,203 KB


The following user(s) said Thank You: Chad

Please Log in or Create an account to join the conversation.

  • Chad
  • Chad's Avatar
  • Offline
  • Moderator
  • Moderator
  • I am not a parts changer.
More
4 years 7 months ago - 4 years 7 months ago #47219 by Chad
Replied by Chad on topic Exploder doesn't want to run!
Tyler has released his inner coolness! :) ( I, always, knew you were cool, Tyler! B) )

"Knowledge is a weapon. Arm yourself, well, before going to do battle."
"Understanding a question is half an answer."

I have learned more by being wrong, than I have by being right. :-)
Last edit: 4 years 7 months ago by Chad.

Please Log in or Create an account to join the conversation.

  • Tyler
  • Tyler's Avatar Topic Author
  • Offline
  • Moderator
  • Moderator
  • Full time HACK since 2012
More
4 years 7 months ago #47234 by Tyler
Replied by Tyler on topic Exploder doesn't want to run!

Chad wrote: Tyler has released his inner coolness! :) ( I, always, knew you were cool, Tyler! B) )


What about the other 98% of the time when I'm using the PSI scale? Am I still cool? :huh:

Please Log in or Create an account to join the conversation.

Time to create page: 0.342 seconds