Hello there
WORKING ON a 1999 BMW 528i (i.e. E39 generation) with:
- 2.8L DOHC engine (L6-2793cc - M52 TU)
- base instrument cluster (i.e. without IKE)
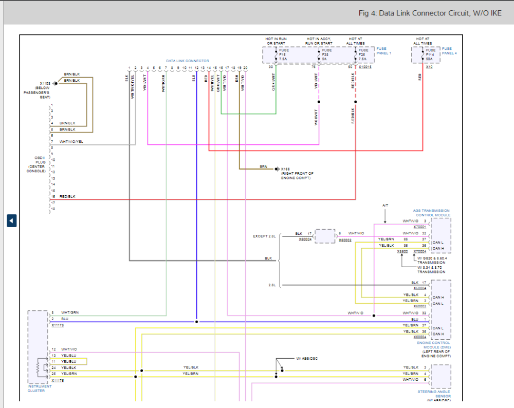
DEFINITIONS for the attached Data Link Connector Circuit
**A) OBDII plug - 16 pin connector at the very end of the left side of the dashboard / driver's left side kick panel just above the dead pedal
**

20 pin Data Link Connector - 20 pin BMW data link connector under the hood just in front of the RF strut tower
**C) Connector X60004 - 1 of 5 connectors on the DME (i.e. engine computer)
**D) Connector X60002 - 1 of 5 connectors on the DME (i.e. engine computer)
**E) DME - engine control module
**F) IKE - instrument cluster
BACKGROUND INFO
- car will start, idle/run, and drive no problems
- engine has a misfire
- I am not able to communicate with any module on the bus either through the 16 pin OBDII connector or the 20 pin connector
WHAT I HAVE DONE SO FAR:
- I checked all the fuses in the glove box as well as the rear of the trunk for power ; all is well with the fuses
- tried 3 different OBDII scan tools on the 16 pin OBDII connector - none of them communicate with the DME / BMW's D-bus
- tried a Mac Mentor (generation 3) on the 20 pin connector - no communication when trying OBDII or enhanced (i.e. manufacturer specific)
- when starting car, I have 12V at pin 2 of the 20 pin connector for about 10 seconds, and then it drops down to 0V
- checked out the 2 BUS systems
- I scoped the CAN bus (i.e. bus between transmission control module and DME) at the DME on pins 3 and 4 of X60002
- CAN H voltage between 2.5V and 3.5V and CAN L voltage between 2.5V and 1.5V. The CAN H and CAN L are miorror
images of themselves.
- I put a graphing mutli-meter on pin 7 [i.e. BMW's diagnostic bus (D-bus)] of the OBDII connector - I have 12V at idle
- when the scan tool (attached to the 16 pin connector) attempts to communicate, the voltage on pin 7 will fluctuate
between 12 and 0V a few times and then go back to 12 V where afterwards I get the message on the scan tool "make
sure ignition is on and scan tool is properly connected"
- disconnected the IKE (as it is the gateway module) - I still could not communicate with the DME on pin 7 of the OBDII connector
HERE IS WHAT I THINK THE PROBLEM IS:
- DME needs to be replaced
As always - thoughts appreciated and thanks in advance