*** Restricting New Posts to SD Premium Members ONLY *** (09 May 2025)

Just made a new account? Can't post? Click above.

Help us help you. By posting the year, make, model and engine near the beginning of your help request, followed by the symptoms (no start, high idle, misfire etc.) Along with any prevalent Diagnostic Trouble Codes, aka DTCs, other forum members will be able to help you get to a solution more quickly and easily!

Re:2010 fusion

  • Cheryl
  • Cheryl's Avatar Topic Author
  • Offline
  • Platinum Member
  • Platinum Member
More
4 years 11 months ago #44397 by Cheryl
2010 fusion was created by Cheryl
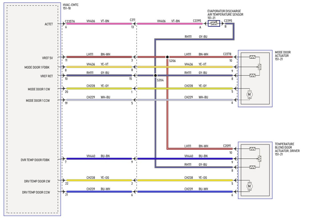
Does anyone know what fords vref return is? That a ground?? I’m working on a single zone ac temp door not working that’s what one wire is labeled on the schematic. It’s a manual system not electronic

Please Log in or Create an account to join the conversation.

More
4 years 11 months ago #44399 by Hardtopdr2
Replied by Hardtopdr2 on topic 2010 fusion
If it connects with another wire/sensor i would say it is a ground. But if you dont have a signal wire it could be your signal as well. Can you post the diagram?

Please Log in or Create an account to join the conversation.

More
4 years 11 months ago #44400 by willco
Replied by willco on topic 2010 fusion
Fyi many fusion and edge from that era had hvac module reflash. not sure if it applies to this exact vehicle but maybe you can look into it if things arent making sense

Please Log in or Create an account to join the conversation.

More
4 years 11 months ago #44435 by Ben
Replied by Ben on topic Re:2010 fusion
Hmm I would have thought it would be a 5vref

Sent from my SM-G781U using Tapatalk

Please Log in or Create an account to join the conversation.

  • Noah
  • Noah's Avatar
  • Offline
  • Moderator
  • Moderator
  • Give code definitions with numbers!
More
4 years 11 months ago #44436 by Noah
Replied by Noah on topic Re:2010 fusion
Sounds like sensor ground to me.
5v (vref)
Signal
Sensor ground (vref return)

"Ground cannot be checked with a 10mm socket"

Please Log in or Create an account to join the conversation.

  • Cheryl
  • Cheryl's Avatar Topic Author
  • Offline
  • Platinum Member
  • Platinum Member
More
4 years 11 months ago #44481 by Cheryl
Replied by Cheryl on topic Re:2010 fusion
Noah that’s what I thought. I went from dlc pin 4 to vref return and got 5 volts. I told the shop sounds like a bad ground but they were all like you sure you know what your talking about etc I said yes. Then left because they didn’t want to pay up for my advice. Haven’t heard back I’m assuming it fixed it running a redundant ground
The following user(s) said Thank You: Noah

Please Log in or Create an account to join the conversation.

More
4 years 11 months ago #44484 by Matt T
Replied by Matt T on topic Re:2010 fusion
Sensor ground shared with mode door and the evap temp sensor. Quick look at the evap temp PID should give some direction ;)

The following user(s) said Thank You: Noah

Please Log in or Create an account to join the conversation.

  • Noah
  • Noah's Avatar
  • Offline
  • Moderator
  • Moderator
  • Give code definitions with numbers!
More
4 years 11 months ago #44538 by Noah
Replied by Noah on topic Re:2010 fusion

Cheryl wrote: Noah that’s what I thought. I went from dlc pin 4 to vref return and got 5 volts. I told the shop sounds like a bad ground but they were all like you sure you know what your talking about etc I said yes. Then left because they didn’t want to pay up for my advice. Haven’t heard back I’m assuming it fixed it running a redundant ground


Looks like you won't exactly trip over your own shoe laces to help that shop again...

"Ground cannot be checked with a 10mm socket"

Please Log in or Create an account to join the conversation.

Time to create page: 0.284 seconds