*** Restricting New Posts to SD Premium Members ONLY *** (09 May 2025)

Just made a new account? Can't post? Click above.

Help us help you. By posting the year, make, model and engine near the beginning of your help request, followed by the symptoms (no start, high idle, misfire etc.) Along with any prevalent Diagnostic Trouble Codes, aka DTCs, other forum members will be able to help you get to a solution more quickly and easily!

[FIXED] 2013 Taurus, No Crank

  • Noah
  • Noah's Avatar Topic Author
  • Offline
  • Moderator
  • Moderator
  • Give code definitions with numbers!
More
5 years 1 month ago - 5 years 1 month ago #43268 by Noah
2013 Taurus, No Crank was created by Noah
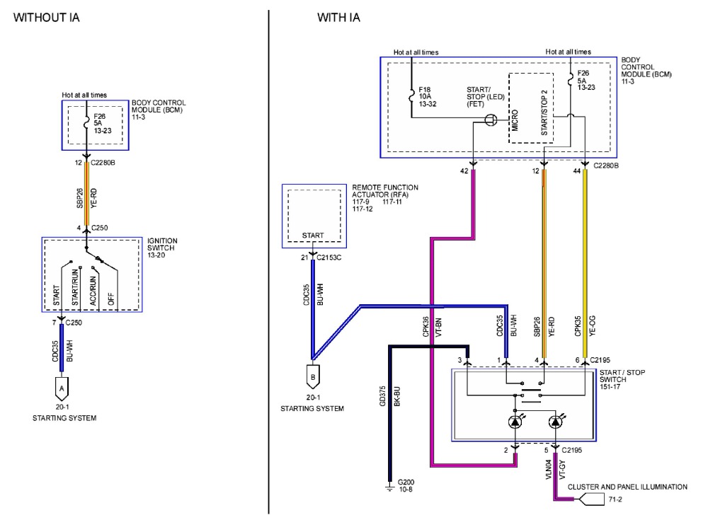
2013 Ford Taurus 3.5l NA v6 Push button ignition.
No crank, no start, no codes.

I was called two weeks ago about this Taurus by the shop that I will be moving to after next week (yay me :P ).

At that time, the customer complaint was of the car stalling and not restarting with the AC on. The shop foreman determined that with the AC compressor engaged, the fuse for the AC would open, as would the Run/Crank fuse, resulting in the engine stall.
I advised him over the phone to substitute the compressor with a light bulb to rule out a short to ground, which he did and the car no longer stalled.
A tech replaced the compressor and sent the car on it's way.

A few days later, the shop received a call from the owner of the Taurus saying that the AC was no longer blowing cold.
Since it is an extra car, he would drop it off for them to look at.

The foreman was assisting an inexperienced tech with troubleshooting the no AC issue. It was determined that the PCM was not energizing the compressor relay. With a Power Probe ( :dry: ) in the relay box, they determined they could activate the compressor.

The foreman had to step away from the car to handle a customer and left the inexperienced tech to check the fuses in the under hood box with said Power Probe.
Upon returning to the car to see what the tech had found, it was discovered that the car is now a no crank, no start.
Mind you, the car was driven in by the customer, and subsequently started and driven into the shop.

The foreman has little faith in the tech and believes that he may have applied power somewhere he shouldn't have. I wasn't there and cannot speculate, I'm merely relaying the information as I received it in the interest of painting the whole picture.

They looked it over for the better part of a week and asked if I would come look at it. The customer is patient, but would like some answers.

I arrive and verify the car is indeed a no crank.
Live data confirmed the following:
Brake input is received, start request is received, start request is not denied, engine crank changed from inactive to active, module voltage is equal the battery (charger) voltage, reference voltage is 5v, starter relay is commanded on.
Apparently, there is not an input or anti theft issue. So why no crank?

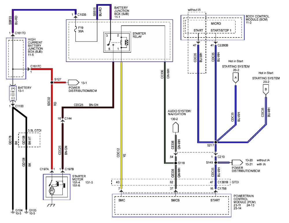
With the starter motor relay removed, there is power and a ground path on the load side of the relay. I bypassed the relay and the engine cranked over very strong , started, and stalled.
The stall is peculiar, but I'm not going to follow that path just yet.
The point is that there is sufficient load side voltage to operate the starter motor, and that the circuit from the relay to the starter is intact and the block ground is good.

With the starter relay removed from the box, I put my test light across the control side terminals.
With the brake applied and the Start/Stop switch applied, the test light lights, presumably confirming that the PCM is supplying ground (SMC) and power (SMC S) as it should.



Slam dunk! Bad relay seems the obvious offender.

Well... Not so much.

A new (well, different) relay installed makes no difference.
They have a little box that tests relays, and it shows that both the original relay and the replacement relay are functioning.

Starter relay reinstalled using a relay break out like this one:

Pin 1 of the control side of the starter relay is SMC (starter motor control) ground side switched. With the my meter connected to this pin, it is observed that ground is applied.
Pin 2 of the control side of the starter relay is SMC S (starter motor control something else, lol).
With my meter connected to that circuit I get this:


7ish volt spikes...
(The battery is low at this point, but even with a charger on the battery charging at 13v this voltage is never greater than 9v)
So this kind of explains why my test light would illuminate when placed across the starter relay control terminals, and is likely the reason that the starter relay is not being activated.

The same voltage is measured at the base of the under hood battery junction box, and directly at Pin #37 of the PCM.
So the irregular voltage is not the result of voltage drop on the SMC S circuit.

According to service information, the PCM requires voltage input from the Run/Crank relay to activate the starter motor relay:

My interpretation of this information is that the power from the Run/Crank relay is literally the power that the PCM is switching to the SMC S circuit of the starter relay.

I verify power and ground on the load side of the Run/Crank relay with my test light and my meter.
I decide to bypass the Run/Crank relay in an attempt to determine if it will change the voltage the applied to the SMC S circuit, which it does not.
The same rapid low voltage spikes are observed on the starter relay control circuit with the Run/Crank relay bypassed.

At this point, since they're all on the same connector and since I have the PCM exposed, I decide to check powers and grounds at the PCM with my test light, including the Run/Crank voltage input.
All powers and grounds check out, and my test light lights with the starter button engaged on pin #16, the Run/Crank voltage input to the PCM.

However, with my meter in place on pin #16 of the PCM (Run/Crank relay voltage input), as well as pin #37 of the PCM (SMC S starter relay power side control) I observe this:
:blink:

Battery (charger) voltage pulses into the PCM from the run crank relay and the same significantly lower voltage pulses on the starter relay control power side switched circuit!

I am leaning towards a bad PCM since the voltage output from the PCM to activate the starter relay is quite low and irregular.
But the voltage into the PCM from the Run/Crank relay, all be it source voltage, is also irregular.
However supplying constant source voltage to this circuit by bypassing the Run/Crank relay, and with a fused jumper wire directly at pin #16 of the PCM does not change the PCM output to the starter relay control circuit.

At this point the batteries died in my Vantage, and I was ready to call it a day after working half a day at the junk yard and half a day on this resistant Taurus.

If anyone sees any faults in my testing methods or has any suggestions to further testing I would be very grateful to hear from them.
Thank you for sticking with me to the end of this post B)

"Ground cannot be checked with a 10mm socket"
Last edit: 5 years 1 month ago by Noah.

Please Log in or Create an account to join the conversation.

  • Noah
  • Noah's Avatar Topic Author
  • Offline
  • Moderator
  • Moderator
  • Give code definitions with numbers!
More
5 years 1 month ago #43269 by Noah
Replied by Noah on topic 2013 Taurus, No Crank
The PCM was abused by the high current draw of the AC compressor in my opinion, and potentially abused by some power probe shenanigans.
I'm still not 100% confident that a replacement PCM will correct the no crank condition.

"Ground cannot be checked with a 10mm socket"

Please Log in or Create an account to join the conversation.

  • Chad
  • Chad's Avatar
  • Offline
  • Moderator
  • Moderator
  • I am not a parts changer.
More
5 years 1 month ago - 5 years 1 month ago #43273 by Chad
Replied by Chad on topic 2013 Taurus, No Crank

I was called two weeks ago about this Taurus by the shop that I will be moving to after next week (yay me :P ).


Congratulations!!!

left the inexperienced tech to check the fuses in the under hood box with said Power Probe.


Inexperienced techs and Power-Probes are a BAD combination. I know because I used to BE and inexperienced tech with a Power-Probe. :woohoo: :whistle:

It looks like you have been very thorough in your testing. Without specific questions, I hesitate to offer anything out of fear of muddying your waters. I'm sure you are on the right track.

I wish I had more to offer. :)

"Knowledge is a weapon. Arm yourself, well, before going to do battle."
"Understanding a question is half an answer."

I have learned more by being wrong, than I have by being right. :-)
Last edit: 5 years 1 month ago by Chad.
The following user(s) said Thank You: Noah

Please Log in or Create an account to join the conversation.

More
5 years 1 month ago #43274 by Matt T
Replied by Matt T on topic 2013 Taurus, No Crank
Just because the PCM needs to see the Run/Crank relay doesn't mean it uses that feed to supply the Starter relay. So your power feed bypass test isn't conclusive. And you only tested the other PCM powers with a test light so there could be others pulsing too.

Personally I'd work back along the Run/Crank relay circuit to find where that pulsing is coming from. Preferably after the shop has fully charged the battery and disconnected the charger.

I'd also take a look at power distribution to see if the AC clutch popping the Run/Crank fuse is believable..........
The following user(s) said Thank You: Noah

Please Log in or Create an account to join the conversation.

  • Noah
  • Noah's Avatar Topic Author
  • Offline
  • Moderator
  • Moderator
  • Give code definitions with numbers!
More
5 years 1 month ago #43278 by Noah
Replied by Noah on topic 2013 Taurus, No Crank

Matt T wrote: Just because the PCM needs to see the Run/Crank relay doesn't mean it uses that feed to supply the Starter relay. So your power feed bypass test isn't conclusive.


Completely agree, that was a hypothesis on my part and as you correctly assert is inconclusive based on the Run/Crank bypass alone.

Matt T wrote: Personally I'd work back along the Run/Crank relay circuit to find where that pulsing is coming from. Preferably after the shop has fully charged the battery and disconnected the charger.


The battery condition certainly was a hurdle and made the process unnecessarily difficult.
They knew I was coming and had enough time to make sure at least the battery was charged, but that's how it goes sometimes...

Matt T wrote: I'd also take a look at power distribution to see if the AC clutch popping the Run/Crank fuse is believable..........


I have no reason to doubt it, but I see your point. In the interest of being thorough I think it's a worth while investigation, but it wasn't what I focused on while I was in front of the car.

As always, your input is appreciated. Thank you for reading my post and taking time to respond. :)

"Ground cannot be checked with a 10mm socket"

Please Log in or Create an account to join the conversation.

  • Tyler
  • Tyler's Avatar
  • Offline
  • Moderator
  • Moderator
  • Full time HACK since 2012
More
5 years 1 month ago - 5 years 1 month ago #43306 by Tyler
Replied by Tyler on topic 2013 Taurus, No Crank
I don't have any advice to offer. :blush: Every time I think of a test for you to do, I find that you covered it at some point.

Mostly just want to get updates on this thread when you fix it/find the thermal event/exceed the owners budget/whatever.
Last edit: 5 years 1 month ago by Tyler.
The following user(s) said Thank You: Noah

Please Log in or Create an account to join the conversation.

  • Hardtopdr2
  • Hardtopdr2's Avatar
  • Away
  • Platinum Member
  • Platinum Member
More
5 years 1 month ago #43313 by Hardtopdr2
Replied by Hardtopdr2 on topic 2013 Taurus, No Crank
My hunch on this is leaning towards a melted wire pulling down your circuit.
Have you depinned #16 to see if voltage rises on ECM #16 pin?
The following user(s) said Thank You: Noah

Please Log in or Create an account to join the conversation.

  • Noah
  • Noah's Avatar Topic Author
  • Offline
  • Moderator
  • Moderator
  • Give code definitions with numbers!
More
5 years 1 month ago #43316 by Noah
Replied by Noah on topic 2013 Taurus, No Crank

Hardtopdr2 wrote: My hunch on this is leaning towards a melted wire pulling down your circuit.
Have you depinned #16 to see if voltage rises on ECM #16 pin?


Thank you for your input!
I did not try that. They have had the car there for quite some time and the customer is understandably ready to pull the plug. They're handling it as a come back and not billing for the diagnostic, so it's more of a time factor than it is a cost factor,(for the customer and way), but if I am given more time to go back and play, I will add your suggestion to the list of follow up tests I want to perform.

"Ground cannot be checked with a 10mm socket"

Please Log in or Create an account to join the conversation.

More
5 years 1 month ago #43318 by Matt T
Replied by Matt T on topic 2013 Taurus, No Crank

Noah wrote:



However, with my meter in place on pin #16 of the PCM (Run/Crank relay voltage input)


I'm going by a '14 wiring diagram so check the '13 agrees with what I'm saying.

They could've worded that better. Pin # 16 is the "request to start" mentioned in the first sentence. It's drawn as an always hot fused feed from the BCM to the start switch then on to the modules. Simple circuit that shouldn't be pulsing.

"The PCM also requires input voltage from the Run/Crank relay" would be a better way to word the second sentence. It should be energized in both Run and Crank by the BCM.
The following user(s) said Thank You: Noah

Please Log in or Create an account to join the conversation.

More
5 years 1 month ago #43323 by Matronix
Replied by Matronix on topic 2013 Taurus, No Crank
The system looks more difficult as it is, though too many fail possiblilties will deny the car from starting here:

Your measured voltage at pin 16 is 'in rest' I guess, might not be an issue at all but more like bias voltage / diagnostic signal. Only when pressing the start button all kinds of exciting actions find place like B+ on pin 16 but also via the distribution point to BCM and the RFA.
As I read it, all of these need this signal to give the ECU an OK for start. Beside all these modules to approve start, you'll need the brake pedal signal.

If not all of these are available, you may give power to the feed side of the relay and the engine will crank over, but still PCM won't be firing injectors and/or give spark.

Is it easy to see in live data in BCM and RFA or this 'go'signal is achieved. Or even better, in the PCM response for start activation from BCM and RFA plus brake pedal?

if all this has already ben checked... never mind this post
The following user(s) said Thank You: Noah

Please Log in or Create an account to join the conversation.

  • Noah
  • Noah's Avatar Topic Author
  • Offline
  • Moderator
  • Moderator
  • Give code definitions with numbers!
More
5 years 1 month ago #43338 by Noah
Replied by Noah on topic 2013 Taurus, No Crank

Matronix wrote: The system looks more difficult as it is, though too many fail possiblilties will deny the car from starting here:

Your measured voltage at pin 16 is 'in rest' I guess, might not be an issue at all but more like bias voltage / diagnostic signal. Only when pressing the start button all kinds of exciting actions find place like B+ on pin 16 but also via the distribution point to BCM and the RFA.
As I read it, all of these need this signal to give the ECU an OK for start. Beside all these modules to approve start, you'll need the brake pedal signal.

If not all of these are available, you may give power to the feed side of the relay and the engine will crank over, but still PCM won't be firing injectors and/or give spark.

Is it easy to see in live data in BCM and RFA or this 'go'signal is achieved. Or even better, in the PCM response for start activation from BCM and RFA plus brake pedal?

if all this has already ben checked... never mind this post

Thank you for your reply! I appreciate you taking the time to familiarize yourself with the system.
All of the start criteria appears to have been met in all of the modules responsible for giving starter activation the go ahead.
I know the OP is lengthy, but I did cover that.
Brake pedal position pid is correct, start command is received, start relay command goes to on, cranking goes from inactive to active.
I do appreciate your input, thank you!

"Ground cannot be checked with a 10mm socket"

Please Log in or Create an account to join the conversation.

  • Noah
  • Noah's Avatar Topic Author
  • Offline
  • Moderator
  • Moderator
  • Give code definitions with numbers!
More
5 years 1 month ago - 5 years 1 month ago #43339 by Noah
Replied by Noah on topic 2013 Taurus, No Crank

Matt T wrote:

Noah wrote:



However, with my meter in place on pin #16 of the PCM (Run/Crank relay voltage input)


I'm going by a '14 wiring diagram so check the '13 agrees with what I'm saying.

They could've worded that better. Pin # 16 is the "request to start" mentioned in the first sentence. It's drawn as an always hot fused feed from the BCM to the start switch then on to the modules. Simple circuit that shouldn't be pulsing.

"The PCM also requires input voltage from the Run/Crank relay" would be a better way to word the second sentence. It should be energized in both Run and Crank by the BCM.

If I can get more time with the car at some point I want to scope fuse 25 at the bcm that is the hot at all times power feed to start stop switch.
I agree with you that it looks s though there should be no pulsing. If there's steady voltage in and irregular voltage out of the start stop switch, then I'll have to investigate the possibility of a faulty push button. So I'm either in a place where the test light has let me down, or the scope has over complicated the issue, lol.
Thank you for your continued interest Matt, I appreciate you!

I think a fresh head, and new batteries will prove useful.
Not to mention a fully charged Taurus battery...

"Ground cannot be checked with a 10mm socket"
Last edit: 5 years 1 month ago by Noah.
The following user(s) said Thank You: markc

Please Log in or Create an account to join the conversation.

  • Noah
  • Noah's Avatar Topic Author
  • Offline
  • Moderator
  • Moderator
  • Give code definitions with numbers!
More
5 years 3 weeks ago - 5 years 3 weeks ago #43658 by Noah
Replied by Noah on topic 2013 Taurus, No Crank
She's fixed and gone :)
I went back over my work came to the same conclusions.

I discovered that the voltage pulsing into the PCM while operating the start button was my helper trying to do Sub-Zero's finishing move....

With myself in the driver's seat and my Vantage at a 20 second time base, I had plenty of time to press the button and go under the hood to look at the meter. The voltage from the ignition button was indeed full system voltage for the entire duration of the button press. However the starter relay control voltage supplied by the PCM was still low, pulsed voltage.
After another check if the PCM powers and grounds with my meter and test light, I called the PCM.

I was incapable of marrying the PCM with my tooling and was forced to call in an outside mobile diagnostic company.
Nice guys, MLM diagnostics out of New Hampshire.
Man was I relieved to hear that car crank over and fire up!

Thank you all for your interest and support, and for taking the time look into the working of the system to give me insight and direction. What a fantastic resource this forum is!

"Ground cannot be checked with a 10mm socket"
Last edit: 5 years 3 weeks ago by Noah.
The following user(s) said Thank You: Tyler

Please Log in or Create an account to join the conversation.

  • Chad
  • Chad's Avatar
  • Offline
  • Moderator
  • Moderator
  • I am not a parts changer.
More
5 years 3 weeks ago #43660 by Chad
Replied by Chad on topic 2013 Taurus, No Crank

Noah wrote: She's fixed and gone :)...Man was I relieved to hear that car crank over and fire up!


That's a great feeling! :)

Well, done. :cheer:

"Knowledge is a weapon. Arm yourself, well, before going to do battle."
"Understanding a question is half an answer."

I have learned more by being wrong, than I have by being right. :-)
The following user(s) said Thank You: Noah

Please Log in or Create an account to join the conversation.

  • Noah
  • Noah's Avatar Topic Author
  • Offline
  • Moderator
  • Moderator
  • Give code definitions with numbers!
More
5 years 3 weeks ago #43662 by Noah
Replied by Noah on topic 2013 Taurus, No Crank
You're not kidding!
This is my first diag at the new shop and I really didn't want to blow the call! (My second diag was equally difficult, I'll post a summary).
First the junk yard sent me an Interceptor PCM. Totally different.
Another day waiting for the correct PCM and I STILL can't crank the damn thing. Had to wait the weekend for the mobile appointment.
Very relieved to have nailed this one.

Oh, and the AC works, which was the customer complaint, let's see... Over a month ago.

"Ground cannot be checked with a 10mm socket"

Please Log in or Create an account to join the conversation.

Time to create page: 0.479 seconds