*** Restricting New Posts to SD Premium Members ONLY *** (09 May 2025)
Just made a new account? Can't post? Click above.
Help us help you. By posting the year, make, model and engine near the beginning of your help request, followed by the symptoms (no start, high idle, misfire etc.) Along with any prevalent Diagnostic Trouble Codes, aka DTCs, other forum members will be able to help you get to a solution more quickly and easily!
2016 Nissan Frontier CAN BUS ISSUES
- BLEE
-
Topic Author
- Offline
- Senior Member
-
Less
More
- Posts: 67
- Thank you received: 9
5 years 1 month ago #42731
by BLEE
2016 Nissan Frontier CAN BUS ISSUES was created by BLEE
Hello, I am working on a 2016 Nissan Frontier with the V6 4.0. It has a crank no start and also sometimes will not even crank. All lights on dash come on and battery is good. Using Autel MS906BT and no communication to the ECM but I have communication to other modules such as TCM, ABS, & 4WD but these modules have U-codes for CAN Bus communication circuit. I hooked up oscilliscope and pins 6 and 14 on DLC and I should have a 2.5VDC bias voltage but I have 6.25VDC bias voltage and the waveform looks very corrupt. I also checked across pins 6 and 14 for resistance and get anywhere from 10 million to 18 million ohms when I should be getting 60. Is there a central joint connector to help troubleshoot these Nissan's...any help is greatly appreciated.
Thank you,
Brian
Thank you,
Brian
Please Log in or Create an account to join the conversation.
- BLEE
-
Topic Author
- Offline
- Senior Member
-
Less
More
- Posts: 67
- Thank you received: 9
5 years 1 month ago #42974
by BLEE
Replied by BLEE on topic 2016 Nissan Frontier CAN BUS ISSUES
I honestly believe it is a short to voltage on the CAN lines, but now that the temperature here in Idaho dropped 30 degrees it is no longer acting up. I did isolate the CAN issue down to the TCM or the pigtail harness which are both located inside the transmission. When the vehicle was acting up if I unplugged the harness to the TCM, the bias voltage of 2.5vdc all came back good. Now that the temperature is lower, it is no longer acting up. I will have to further troubleshoot this issue.
Please Log in or Create an account to join the conversation.
- BLEE
-
Topic Author
- Offline
- Senior Member
-
Less
More
- Posts: 67
- Thank you received: 9
5 years 1 month ago - 5 years 1 month ago #42981
by BLEE
Replied by BLEE on topic 2016 Nissan Frontier CAN BUS ISSUES
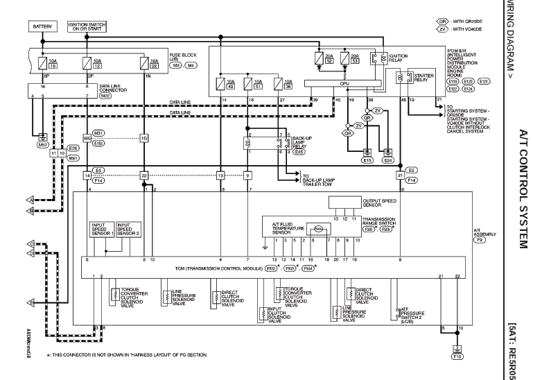
You are correct this TCM does control the control side of the starter relay. I am still not sure where the high bias voltage of 3.5vdc - 7vdc was coming from. I believe it was from the TCM or the pigtail harness possibly shorted, but again now it is good. Maybe a loose connection or a wire chaffing...I also added the wire diagram.
Last edit: 5 years 1 month ago by BLEE.
Please Log in or Create an account to join the conversation.
- Matt T
-
- Offline
- Platinum Member
-
Less
More
- Posts: 751
- Thank you received: 276
5 years 1 month ago #42982
by Matt T
Replied by Matt T on topic 2016 Nissan Frontier CAN BUS ISSUES
Does it drop back out when the transmission warms up? Running the vehicle should push the internal tranny temp higher than whatever your ambient temp was when the problem was present.
Please Log in or Create an account to join the conversation.
- BLEE
-
Topic Author
- Offline
- Senior Member
-
Less
More
- Posts: 67
- Thank you received: 9
5 years 1 month ago - 5 years 1 month ago #42983
by BLEE
Replied by BLEE on topic 2016 Nissan Frontier CAN BUS ISSUES
I ran it for several hours and hit several bumps and cannot get the problem to duplicate. I even wiggled wire harness around too. I am wondering if the problem is in the pigtail harness inside the transmission itself...
Last edit: 5 years 1 month ago by BLEE.
Please Log in or Create an account to join the conversation.
- BLEE
-
Topic Author
- Offline
- Senior Member
-
Less
More
- Posts: 67
- Thank you received: 9
5 years 1 month ago - 5 years 1 month ago #42989
by BLEE
Replied by BLEE on topic 2016 Nissan Frontier CAN BUS ISSUES
Sounds good. I will take a look at that. Thank you. When you said you had a leak what was actually happening?
Last edit: 5 years 1 month ago by BLEE.
Please Log in or Create an account to join the conversation.
- Tutti57
-
- Offline
- Platinum Member
-
Less
More
- Posts: 1096
- Thank you received: 253
5 years 1 month ago #43051
by Tutti57
Replied by Tutti57 on topic Re:2016 Nissan Frontier CAN BUS ISSUES
Also, when doing the ohm test at the dlc, you want to disconnect the battery negative terminal on Nissan/In Infiniti. You get wacky readings if you don't.
Nissan Technician
Nissan Technician
Please Log in or Create an account to join the conversation.
- BLEE
-
Topic Author
- Offline
- Senior Member
-
Less
More
- Posts: 67
- Thank you received: 9
5 years 4 weeks ago #43150
by BLEE
Replied by BLEE on topic 2016 Nissan Frontier CAN BUS ISSUES
I need to check for the coolant leaking issue too, just in case. Thank you.
Please Log in or Create an account to join the conversation.
Time to create page: 0.387 seconds