*** Restricting New Posts to SD Premium Members ONLY *** (09 May 2025)
Just made a new account? Can't post? Click above.
2013 Dodge Grand Caravan
- Reddie1337
-
Topic Author
- Offline
- New Member
-
- Posts: 15
- Thank you received: 1
The codes are as follows
P0300 | Multiple Cylinder Misfire
P0152 | O2 Sensor 2/1 Circuit High
P0175 | Fuel System 2/1 Rich
So looking at these codes I figured I should look at the Oxygen sensor first, so I do my resistance check (to verify the heater integrity) and then I verify it has it's 2.5V at the sensor ground for its bias voltage. All of that checks out good.
So I scope the sensor signal and I have a couple times that the signal drops breifly to around 1.5V which is way low for what it should be seeing as a lean condition should be 2.5V at the most.
The really weird thing I noticed was after shutting the vehicle off, but leaving the key in the on position I saw the voltage creeping upwards, coming to rest around 4V after a couple minutes.
What could be causing this?
I attached the scope captures I grabbed from the Triton D8 incase anyone else has some insight into it.
Thanks in Advance!
Please Log in or Create an account to join the conversation.
- Tyler
-
- Offline
- Moderator
-
- Full time HACK since 2012
- Posts: 6039
- Thank you received: 1518
When you're talking about seeing the signal drop briefly, you're talking about this part, correct? That's very likely to be ignition interference from the ignition coils. It doesn't matter if your scope or your leads were anywhere close to the coils- at a 50ms time base, you'll pick up all kinds of noise.

The fact that the O2 signal reads rich most of the time suggests the rich condition isn't a sensor problem, IMO. What are the trims doing at idle? Does the engine run significantly better in Open Loop?
What are the misfire counts in Mode $06?
If you haven't already, I strongly suggest doing a relative compression test before going much further. These engines eat cam lobes and roller followers like it's their job. And bank two is the one under recall, IIRC.
Please Log in or Create an account to join the conversation.
- Hardtopdr2
-
- Offline
- Platinum Member
-
- Posts: 849
- Thank you received: 148
Please Log in or Create an account to join the conversation.
- Reddie1337
-
Topic Author
- Offline
- New Member
-
- Posts: 15
- Thank you received: 1
I have added the live data, mode 6 and the relative compression test.
I don't notice much on the compression test, but if there is something I missed, let me know.
In response to checking coils and such, they are under the intake manifold so it's difficult to run it and get reading, I guess I could try to follow where the wires are connected on an engine harness plug and watch there? I would assume the signal wouldn't be as good further away.
Very helpful advice, I am new to scoping, and relative compression testing, I have seen it done multiple times, but it was fun to do it myself. Luckily I am slow today, and I've had this time to play with it.
Please Log in or Create an account to join the conversation.
- Hardtopdr2
-
- Offline
- Platinum Member
-
- Posts: 849
- Thank you received: 148
Please Log in or Create an account to join the conversation.
- Tyler
-
- Offline
- Moderator
-
- Full time HACK since 2012
- Posts: 6039
- Thank you received: 1518

The RC is tough to tell... Are you using a low amp probe? Maybe try retaking the same capture with a 500ms time base. That'll allow for more detail, and you can always hit the Zoom feature if you need to.
If you want, there's a bulk connector on the back of the front cylinder head that contains ALL the ignition coil control wires. All the injectors, too. This location is my first choice for testing injectors and coils on this engine.
Check out this thread for more info:
www.scannerdanner.com/forum/post-your-re...avan-3-6l-p0304.html
Please Log in or Create an account to join the conversation.
- Chad
-
- Offline
- Moderator
-
- I am not a parts changer.
- Posts: 2118
- Thank you received: 708
Reddie1337 wrote: The really weird thing I noticed was after shutting the vehicle off, but leaving the key in the on position I saw the voltage creeping upwards, coming to rest around 4V after a couple minutes.
What could be causing this?
That is the Oxygen sensors cooling off.
"Knowledge is a weapon. Arm yourself, well, before going to do battle."
"Understanding a question is half an answer."
I have learned more by being wrong, than I have by being right.

Please Log in or Create an account to join the conversation.
- Cheryl
-
- Offline
- Platinum Member
-
- Posts: 1214
- Thank you received: 215
Please Log in or Create an account to join the conversation.
- Chad
-
- Offline
- Moderator
-
- I am not a parts changer.
- Posts: 2118
- Thank you received: 708
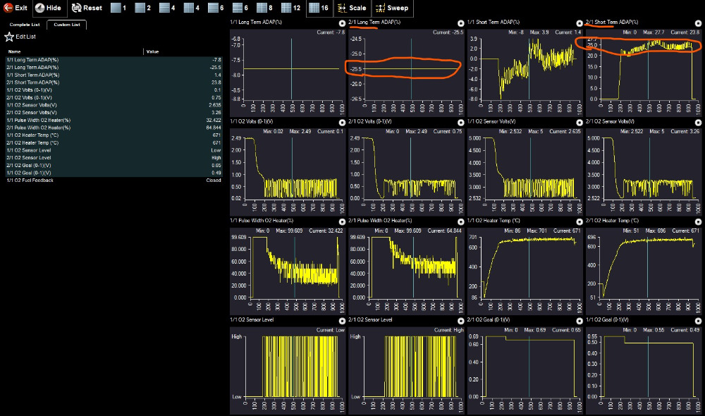
Reddie1337 wrote: Bank 2 is pegged at -24% fuel trim
At the same time, STFT is at +25%
Does it have an aftermarket O2 sensor?
Here's a video that might be relevant.
"Knowledge is a weapon. Arm yourself, well, before going to do battle."
"Understanding a question is half an answer."
I have learned more by being wrong, than I have by being right.

Please Log in or Create an account to join the conversation.