Help us help you. By posting the year, make, model and engine near the beginning of your help request, followed by the symptoms (no start, high idle, misfire etc.) Along with any prevalent Diagnostic Trouble Codes, aka DTCs, other forum members will be able to help you get to a solution more quickly and easily!
2005 Altima 2.4L cooked ignition coils #1 and #3 (drivers?)
- tigersfan1
-
Topic Author
- Offline
- New Member
-
Less
More
- Posts: 5
- Thank you received: 2
5 years 11 months ago - 5 years 11 months ago #40164
by tigersfan1
2005 Altima 2.4L cooked ignition coils #1 and #3 (drivers?) was created by tigersfan1
bought this car cranks/wont run. they also stole all ign coils. I put all new denso coils in and new NGk's immediately upon cranking Ign coils 1 & 3 got real hot(still not running btw) no codes except P0300. so I compared the signal wires to coil from ecm and 2 & 4 have about .7-.8v bias koeo. but # 1 & 3 have about 2.8v and 3.2v respectively, so it seems coils are staying on (according to diagram this is a power feed signal driver to coils (not ground side driver). so I pulled ecm and checked cont. for all signal pins to coils (pins-61, 62, 80 and 81, all ok and none are shorted to each other or powers/grounds. Im ready to call the ECM drivers for #1 and #3 as shorted, those coils wont shut off, please tell me I'm wrong.. thanks a ton.
Tom
Fedex Freight til death or retirement whichever comes first
Tom
Fedex Freight til death or retirement whichever comes first
Last edit: 5 years 11 months ago by tigersfan1. Reason: editied subject line
Please Log in or Create an account to join the conversation.
- John Clark
-
- Offline
- Premium Member
-
Less
More
- Posts: 139
- Thank you received: 46
5 years 11 months ago - 5 years 11 months ago #40182
by John Clark
Replied by John Clark on topic 2005 Altima 2.4L cooked ignition coils #1 and #3 (drivers?)
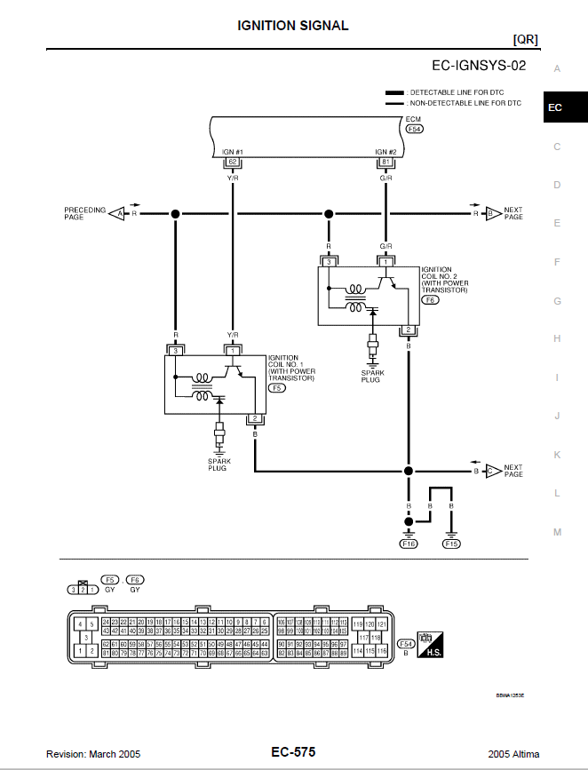
Do the good coils fire normally when cranking? Do you have a scope to watch the signal wires on a known good and then on the suspected bad? Also it would be handy to check the current ramps while cranking, as well. I found a service manual on nicoclub and thought I'd post a screen shot of it so others could help you better. Just looking at the diagram, and by what you describe, it does sound like the ECM is keeping them powered.
Last edit: 5 years 11 months ago by John Clark.
Please Log in or Create an account to join the conversation.
- Tyler
-
- Offline
- Moderator
-
- Full time HACK since 2012
Less
More
- Posts: 6120
- Thank you received: 1540
5 years 11 months ago #40183
by Tyler
Replied by Tyler on topic 2005 Altima 2.4L cooked ignition coils #1 and #3 (drivers?)
Do the connectors for the #1 and #3 coils appear new? I've seen replacement pigtails that got wired in with reverse polarity, and it results in the coils cooking themselves. :lol:
Is that a steady voltage measured with a DMM? Was that reading taken with the coil connected or disconnected?
I think you need to prove that the stray voltage is coming from the ECM, and nowhere else. KOEO, coil disconnected, does the voltage remain? If yes, turn the key off, disconnect the ECM, then turn the key on again. Does the voltage remain?
but # 1 & 3 have about 2.8v and 3.2v respectively
Is that a steady voltage measured with a DMM? Was that reading taken with the coil connected or disconnected?
I think you need to prove that the stray voltage is coming from the ECM, and nowhere else. KOEO, coil disconnected, does the voltage remain? If yes, turn the key off, disconnect the ECM, then turn the key on again. Does the voltage remain?
Please Log in or Create an account to join the conversation.
- tigersfan1
-
Topic Author
- Offline
- New Member
-
Less
More
- Posts: 5
- Thank you received: 2
5 years 11 months ago #40193
by tigersfan1
Replied by tigersfan1 on topic 2005 Altima 2.4L cooked ignition coils #1 and #3 (drivers?)
John I have the exact diagram, I do not have a scope, but the other coils are not firing either, plus there are no codes in vehicles at all. I could pick up a scrap yard ecm but I dont have a programmer. so we will see what happens, thanks.
Please Log in or Create an account to join the conversation.
- tigersfan1
-
Topic Author
- Offline
- New Member
-
Less
More
- Posts: 5
- Thank you received: 2
5 years 11 months ago #40194
by tigersfan1
Replied by tigersfan1 on topic 2005 Altima 2.4L cooked ignition coils #1 and #3 (drivers?)
Ill try, thanks Tyler
Please Log in or Create an account to join the conversation.
- tigersfan1
-
Topic Author
- Offline
- New Member
-
Less
More
- Posts: 5
- Thank you received: 2
5 years 10 months ago #40794
by tigersfan1
Replied by tigersfan1 on topic fixed..but...2005 Altima 2.4L cooked ignition coils #1 and #3 (drivers?)
so thanks for your help you auto pros. replaced the ecm with a used one, replaced ground cable to body, added another ground to body and engine, but... I have one more question, how do I get rid of P0605? or can I?
Please Log in or Create an account to join the conversation.
- Hardtopdr2
-
- Offline
- Platinum Member
-
Less
More
- Posts: 853
- Thank you received: 150
5 years 10 months ago #40799
by Hardtopdr2
Replied by Hardtopdr2 on topic fixed..but...2005 Altima 2.4L cooked ignition coils #1 and #3 (drivers?)
If you replaced the ecu with a used one and that code poped up with the replacement ecu then the only way to get rid of that code is a checking powers and grounds to ecu by back probing connector. If theyre good and no green crusties and no resistance in wires from power or to ground then you will need a new (brand new) ecu
The following user(s) said Thank You: tigersfan1
Please Log in or Create an account to join the conversation.
- Hardtopdr2
-
- Offline
- Platinum Member
-
Less
More
- Posts: 853
- Thank you received: 150
5 years 10 months ago #40851
by Hardtopdr2
Replied by Hardtopdr2 on topic fixed..but...2005 Altima 2.4L cooked ignition coils #1 and #3 (drivers?)
Here is a tsb I found regarding this code as well. I would check this first before buying ecu.
The following user(s) said Thank You: tigersfan1
Please Log in or Create an account to join the conversation.
- frankc1969
-
- Offline
- New Member
-
Less
More
- Posts: 3
- Thank you received: 0
5 years 9 months ago #40955
by frankc1969
Replied by frankc1969 on topic 2005 Altima 2.4L cooked ignition coils #1 and #3 (drivers?)
Hi there.
I had this before on 2 Nissan’s. Both times the coils were on constantly and red hot.
ECM coil drivers were at fault. The customer had somehow jumpstarted the vehicle and blown a main fuse on one of them and the other vehicle was just sitting around for 8 months and couldn’t get it started. One was a micra and the other was a maxima.
Sent ECM away for repair as a new one was sooooo expensive!
I had this before on 2 Nissan’s. Both times the coils were on constantly and red hot.
ECM coil drivers were at fault. The customer had somehow jumpstarted the vehicle and blown a main fuse on one of them and the other vehicle was just sitting around for 8 months and couldn’t get it started. One was a micra and the other was a maxima.
Sent ECM away for repair as a new one was sooooo expensive!
Please Log in or Create an account to join the conversation.
Time to create page: 0.302 seconds