*** Restricting New Posts to SD Premium Members ONLY *** (09 May 2025)

Just made a new account? Can't post? Click above.

Help us help you. By posting the year, make, model and engine near the beginning of your help request, followed by the symptoms (no start, high idle, misfire etc.) Along with any prevalent Diagnostic Trouble Codes, aka DTCs, other forum members will be able to help you get to a solution more quickly and easily!

1997 honda Civic 1.6 (MT) Code P01509/P0505

  • Mechanic 350
  • Mechanic 350's Avatar Topic Author
  • Offline
  • Elite Member
  • Elite Member
More
5 years 11 months ago - 5 years 11 months ago #35246 by Mechanic 350
1997 honda Civic 1.6 (MT) Code P01509/P0505 was created by Mechanic 350
So I have come to this conclusion on this vehicle. Well, let me provide some information as far as what I've done.

number 1= this circuit is ground side switched
number 2= the symptom, high volts all the time with the driver commanded ON

With the Key off engine off, according to page 14 on the paper book, I'm suppose to see 12v on the control wire.
With the key On Engine off, I'm suppose to see 0v on the control wire (transistor ON) What I saw though was 12v on that wire. and I was
suppose to see 0v.

So I'm checking for 2 possible problems: Open driver or open control wire.
When I took my voltmeter to the control wire at the computer, it showed 12 volts on the control wire. That automatically threw me to think
I have a open driver issue. Am I correct in this assessment? Now for the real question, before i condemn this pcm, according to page 13 on the
book, how do I check for all INPUTS that affect this driver?
I checked for pin contact problems. that's good.
How do I check for power and grounds on this pcm on this car?

I performed a bypass test on the IAC VALVE to see if it reacted, and it did. jumper wire to battery ground, went to the control wire and the idle
changed immediately telling me that the IAC VALVE is good. plus i cleaned it mechanically.

Performed on ohms test just because the I had the pcm out already, so I disconnected the pcm and the solenoid from the IAC VALVE and I read
on the ohm meter 0.05 ohms. telling me its good. all the way from the pcm to the solenoid. So, do I have a pcm issue?

thanks Paul.
Last edit: 5 years 11 months ago by Mechanic 350.

Please Log in or Create an account to join the conversation.

More
5 years 11 months ago #35254 by Paul P.
Replied by Paul P. on topic 1997 honda Civic 1.6 (MT) Code P01509/P0505

number 1= this circuit is ground side switched

Yes, It is GND Side Switched.;)

number 2= the symptom, high volts all the time with the driver commanded ON

How are you verifying that the Driver is in fact commanded 'ON'? Scan Data?

When you are in a state of KOEO (Key-On-Engine-Off) and the driver is 'OFF' you'll have 12V at the PCM.( IAC Coil is Good )

You will only see 0v at the PCM when the driver is commanded 'ON'.

You need to be 100% certain that the PCM is commanding the Driver to 'ON'

On this vehicle, the PCM will control the current to the IAC when: ( These are your 'Inputs' )

1.Engine Warm-up
2.A/C compressor is on
3.Transmission in gear
4. Brake pedal Depressed
5.P/S Load is HIGH
6. Alternator is charging.

Since it is ground side switched, using an LED style test lamp, attach test lamp to B+, Backprobe the Control wire @ PCM and touch the test lamp to the back probe. When the PCM commands it 'ON' under any of the above criteria, the test lamp should Light or Blink.

This is how to be certain that the driver in the PCM is being commanded on.

With the key On Engine off, I'm suppose to see 0v on the control wire (transistor ON) What I saw though was 12v on that wire. and I was
suppose to see 0v.

Only IF the driver is commanded 'ON'!

So I'm checking for 2 possible problems: Open driver or open control wire.


IF you had an Open control wire you would not have B+ at the PCM, so long as the coil in the IAC is intact.

At this point, you need to verify 100% that the driver IS or ISNT being commanded by the PCM.

If the PCM is not capable of commanding the driver, NOW, you can load test PCM Power and Grounds. So you would be measuring Voltage drop.

There are various methods to load test. This is one of them. Load test a PCM B+ wire, KOEO, Backprobe at PCM, Voltmeter to B+ and Voltmeter to the backprobe, you'll want to see under 300mV. This is the quick way, keep in mind the true drop is to measure the wire end to end under load.

Do the same for your Grounds.

I performed a bypass test on the IAC VALVE to see if it reacted, and it did. jumper wire to battery ground, went to the control wire and the idle
changed immediately telling me that the IAC VALVE is good. plus i cleaned it mechanically.


Perfect!

Post back with your results!

Paul

Never stop Learning.
The following user(s) said Thank You: Monde

Please Log in or Create an account to join the conversation.

  • Mechanic 350
  • Mechanic 350's Avatar Topic Author
  • Offline
  • Elite Member
  • Elite Member
More
5 years 11 months ago #35272 by Mechanic 350
Replied by Mechanic 350 on topic 1997 honda Civic 1.6 (MT) Code P01509/P0505
Of course it will Monde. Thank you so much.

Please Log in or Create an account to join the conversation.

  • Mechanic 350
  • Mechanic 350's Avatar Topic Author
  • Offline
  • Elite Member
  • Elite Member
More
5 years 11 months ago #35273 by Mechanic 350
Replied by Mechanic 350 on topic 1997 honda Civic 1.6 (MT) Code P01509/P0505
Thank you Weycraze. I will let you know my findings buddy. Thanks again for your direction.
The following user(s) said Thank You: Paul P.

Please Log in or Create an account to join the conversation.

  • Mechanic 350
  • Mechanic 350's Avatar Topic Author
  • Offline
  • Elite Member
  • Elite Member
More
5 years 11 months ago #35300 by Mechanic 350
Replied by Mechanic 350 on topic 1997 honda Civic 1.6 (MT) Code P01509/P0505
Weycraze, this at my findings at the moment:

State= key on engine running.
scan data information: it read 45 with the high beams on, a/c running, coolant fan on. As I turn off these inputs, the number tends to go lower until it reaches 0, when nothing is on.

State= key on engine off
12 volts at pcm IAC coil is definitely ok.

STATE= KEY ON ENGINE RUNNING
Input testing the following:
1. a/c compressor on
2. engine warmed up and at operating temperature.
3. brake depressed
4. alternator charging.

LED light to B+, control wire (black/blue) back probed at the pcm, the led light stayed lit. it did not go off.
Plus, the scan data IAC information was changing. i'm assuming that's telling me that the driver is good?
The iac info is staying at zero when everything is OFF.

The test I wasn't able to do was load testing my power and grounds to the pcm. Why? because i can't find the B+ wire from the wiring diagram. They are numberous other wires, so i wasn't sure Weycraze. This is all the info i was able
to obtain as of now. What do i do next? Or did i miss something?

thank you sir.

Please Log in or Create an account to join the conversation.

More
5 years 11 months ago - 5 years 11 months ago #35302 by Paul P.
Replied by Paul P. on topic 1997 honda Civic 1.6 (MT) Code P01509/P0505




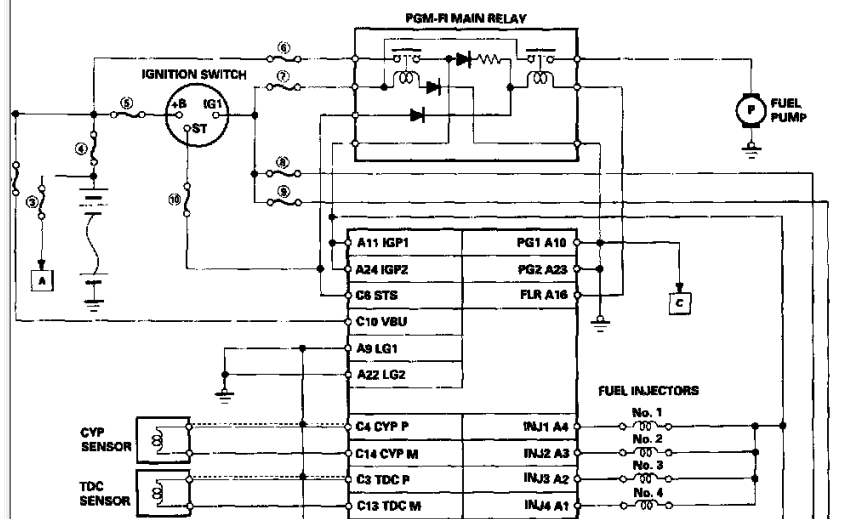
Here's some wire diagrams for you, your power for the IAC also feeds the 4 Injectors.

Scan Data shows the IAC counts from 0-45. This tells me that the PCM is Good and the IAC is moving in and out. What is not good is the 0 count value. According to Specification at idle,warm engine the IAC count should be 1 or 7., This can be adjusted by accessing the air bleed screw on the throttle body.






So from what I can gather the PCM set the P01509 because it didn't see a IAC value of 1 or 7 at idle.

But these IAC codes can also be caused from air leaks Vacuum leaks as well, and you end up chasing your tail.

Paul

Never stop Learning.
Last edit: 5 years 11 months ago by Paul P.. Reason: Content

Please Log in or Create an account to join the conversation.

  • Mechanic 350
  • Mechanic 350's Avatar Topic Author
  • Offline
  • Elite Member
  • Elite Member
More
5 years 11 months ago - 5 years 11 months ago #35308 by Mechanic 350
Replied by Mechanic 350 on topic 1997 honda Civic 1.6 (MT) Code P01509/P0505
I am turning the screw trying to set it at 1, but it goes to 0 while engine is warmed up and at idle. it doesn't move until i press the throttle. i have moved this idle bleed screw before, but it never get any problems. yep, scan data still showing 0 volts. do i have a pcm or driver problem Weycraze?
Last edit: 5 years 11 months ago by Mechanic 350.

Please Log in or Create an account to join the conversation.

  • Mechanic 350
  • Mechanic 350's Avatar Topic Author
  • Offline
  • Elite Member
  • Elite Member
More
5 years 11 months ago - 5 years 11 months ago #35311 by Mechanic 350
Replied by Mechanic 350 on topic 1997 honda Civic 1.6 (MT) Code P01509/P0505
By the way, i forgot to mention that when i turned the bleed screw clockwise, closing the valve all the way, the count remained at 0. there was no change until i hit the gas pedal. Also, when initial startup, the count goes way above 45. i've seen it to over 67 and then it gradually goes down as it warms up.
Last edit: 5 years 11 months ago by Mechanic 350.

Please Log in or Create an account to join the conversation.

  • Mechanic 350
  • Mechanic 350's Avatar Topic Author
  • Offline
  • Elite Member
  • Elite Member
More
5 years 11 months ago #35313 by Mechanic 350
Replied by Mechanic 350 on topic 1997 honda Civic 1.6 (MT) Code P01509/P0505
So for the 0 count value, what other tests can I perform in order to be 100% sure?

Please Log in or Create an account to join the conversation.

More
5 years 11 months ago #35316 by Paul P.
Replied by Paul P. on topic 1997 honda Civic 1.6 (MT) Code P01509/P0505
From what you have stated, I would be led to believe your PCM is Good.

My next move would be to by-pass test the IAC solenoid to see if scan data counts function and most importantly if there is an increase or decrease in engine RPM.

Incandescent Test Lamp to ground, backprobe the control wires one at a time, to open or close the IAC, listen fro rpm change and watch scan data.

Lets verify a functioning valve first, also are the idle rpms?

Also, what are the fuel trims at idle, and at 2500 rpm, both short term and long term?

Never stop Learning.

Please Log in or Create an account to join the conversation.

  • Mechanic 350
  • Mechanic 350's Avatar Topic Author
  • Offline
  • Elite Member
  • Elite Member
More
5 years 11 months ago #35318 by Mechanic 350
Replied by Mechanic 350 on topic 1997 honda Civic 1.6 (MT) Code P01509/P0505
Ok I will let you know my findings in the order you have requested.

Please Log in or Create an account to join the conversation.

  • Mechanic 350
  • Mechanic 350's Avatar Topic Author
  • Offline
  • Elite Member
  • Elite Member
More
5 years 11 months ago #35344 by Mechanic 350
Replied by Mechanic 350 on topic 1997 honda Civic 1.6 (MT) Code P01509/P0505
BYPASS TEST
Test light to ground
touching control wire (black/blue)
at the IAC VALVE
RESULTS=
Engine rpm increases with little bit of surging if you hold the jumper too long.

IAC COUNTS
at time of this test, 35 with no change in rpm. So when i touched the control wire
there was no change in counts.

NOTE: Don't have ST/LF fuel trim on my old modes. Had to do it with another
scanner.

2nd bypass test= iac counts are at 0. touching wire counts went up to 22.

FUEL TRIM NUMBERS AT IDLE=
short term= 3.1

Long term = 0

RPM = 688

Please Log in or Create an account to join the conversation.

  • Mechanic 350
  • Mechanic 350's Avatar Topic Author
  • Offline
  • Elite Member
  • Elite Member
More
5 years 11 months ago #35346 by Mechanic 350
Replied by Mechanic 350 on topic 1997 honda Civic 1.6 (MT) Code P01509/P0505
I performed a signature test according to the scope. Tell me what you think?
Attachments:

Please Log in or Create an account to join the conversation.

More
5 years 11 months ago #35349 by Paul P.
Replied by Paul P. on topic 1997 honda Civic 1.6 (MT) Code P01509/P0505
Ok, I should have been more clear,

There are 2 control wires correct? (they are the ORG and BLK/BLU)
The YEL/BLK is the B+.

One control wire will open the IAC, and one will close it.

"0" counts on scan data is a fully 'Closed' blocked off idle air.
"255" counts on scan data is a fully 'Open" idle air.

Some vehicles only show 0-50 on scan data, but you did have a 67 count, so I'll ASSUME (LOL) yours should show you 0-255!

So, you have previously stated you have seen the Counts rise and fall on scan data. ( PCM & Drivers Good)

The purpose of the by-pass test while plugged in is to move the valve fully open and fully closed by repeatedly tapping the control wire(S). And seeing the count reflect accordingly in scan data.

The highest you verified so far was a count of 67. IF, you can't repeatedly 'tap' the respective control wire to achieve more than this, it is very likely that the rotary valve is Sticking when it is trying to open. Try smartly tapping the valve itself while activating the control wire that opens the valve to see if you can get the counts higher than 67.

Cold Engine Start you should have high revs.

Snap throttle with warm engine should cause the counts to go high. ( valve fully open)

On a warm engine, every start should have a idle flare up, a quick high to normal idle, this indicated movement both directions of the valve.

If you prove your valve is 'Good', the next check is the TPS sensor minimum voltage level.

If TPS min voltage is too high, the PCM will 0 count the IAC at idle.

You may also have to disconnect the battery in between key cycles to 'reset' the PCM so it can 'Learn' new positions

Your fuel trims are low at idle, so I wouldn't suspect air leaks.



This is not at all technical by any means, but this is kinda looking like a stuck valve that won't fully open.

Never stop Learning.
Attachments:

Please Log in or Create an account to join the conversation.

  • Mechanic 350
  • Mechanic 350's Avatar Topic Author
  • Offline
  • Elite Member
  • Elite Member
More
5 years 11 months ago #35378 by Mechanic 350
Replied by Mechanic 350 on topic 1997 honda Civic 1.6 (MT) Code P01509/P0505
2nd bypass test:
Black/blue control wire, idle increases when applying ground. Counts do not change.

Orange Control Wire:
idle decreases when ground is applied to it. no change in counts. At the time that
i performed this test, the scan data counts were at 42, slowly decreasing over time. Both control wires are responding. PCM is good. No leaks according the fuel trims.

But the counts on both wires are not moving when i apply a ground to both of them. One goes up and the other goes down.

i saw a count of 122 when the car was first started this morning. iac count now decreasing to 27.

TPS INFORMATION:
yellow/blue= 4.97 i believe that's my reference circuit Weycraze. You can correct me if i'm wrong.

Green/black= 0.0v

red/black= 0.50v

besides the reading the yellow/blue wire, i don't know the meaning of the voltage of these other 2 wires.

State= key on/engine off

Please Log in or Create an account to join the conversation.

More
5 years 11 months ago #35415 by Paul P.
Replied by Paul P. on topic 1997 honda Civic 1.6 (MT) Code P01509/P0505
From all your posts I would have to conclude you have a functioning IAC valve, both control drivers are operational (PCM is Good). However, the counts remain O at idle, and the hesitation from idle.

Have you cleaned the Throttle Body unit fully and the IAC port fully?

It's also very possible that your throttle plate is open too much at idle ( when it is at rest) this will also cause a low IAC count because the engine already has more air so it is closing the IAC. Also causes a little elevated RPM.

1. See if you can physically close the throttle plate a bit more, or physically start restricting the airflow to see if the PCM will respond with a positive count which indicates it is opening the valve for more air.

2. A voltage drop test on the power feed to the IAC is also in order.

Your TPS voltages seem relevant. One is the 5v reference, 0v is the reference ground, 0.5v is the reference signal. It's a 3 wire pot. Usually, 0.5-.9v is normal for the signal wire at idle.

Never stop Learning.

Please Log in or Create an account to join the conversation.

  • Mechanic 350
  • Mechanic 350's Avatar Topic Author
  • Offline
  • Elite Member
  • Elite Member
More
4 years 11 months ago #44068 by Mechanic 350
Replied by Mechanic 350 on topic 1997 honda Civic 1.6 (MT) Code P01509/P0505
Weycraze, I performed the following test:
circuit intergrity/control wire test:
KOEO
connector unplugged
transistor off (circuit off)
test light to B+
I touched both control wires and the test light both times. One brighter than the other. The black/blue control wire has 12+ volts. And the orange wire has 2.55v. why did my test light light when it wasn't suppose to?

Please Log in or Create an account to join the conversation.

  • Mechanic 350
  • Mechanic 350's Avatar Topic Author
  • Offline
  • Elite Member
  • Elite Member
More
4 years 11 months ago #44069 by Mechanic 350
Replied by Mechanic 350 on topic 1997 honda Civic 1.6 (MT) Code P01509/P0505
Weycraze, also why am I seeing 2.56v on the orange control wire when I'm suppose to see 12 volts? Where is the voltage drop coming from? I went to the pcm unplugged it, and the volts shot up to system voltage. I'm totally lost dude.

Please Log in or Create an account to join the conversation.

  • Mechanic 350
  • Mechanic 350's Avatar Topic Author
  • Offline
  • Elite Member
  • Elite Member
More
4 years 11 months ago #44073 by Mechanic 350
Replied by Mechanic 350 on topic 1997 honda Civic 1.6 (MT) Code P01509/P0505
I thoughly clean the throttle body. spotless. I also adjusted the rpm that I moved in the past and could never get it back to where it was, but I got it as close as I can. the rpm now is 680 to 720 rpm with no a/c on.

Please Log in or Create an account to join the conversation.

Time to create page: 0.467 seconds