*** Restricting New Posts to SD Premium Members ONLY *** (09 May 2025)
Just made a new account? Can't post? Click above.
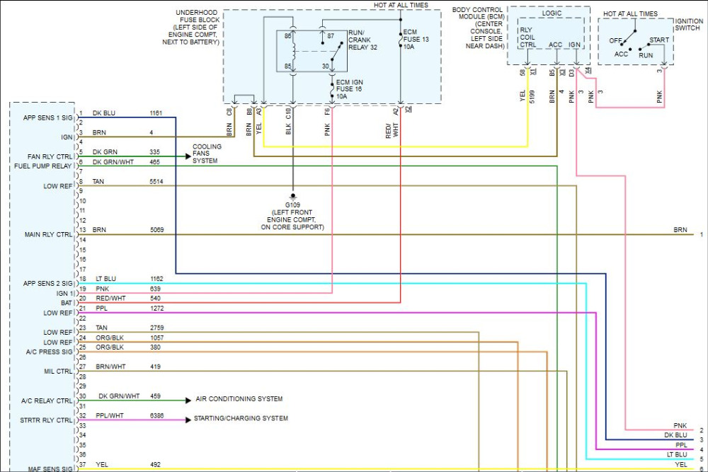
08 Saturn aura 4cyl No crank no start
- barry.hyrne
-
Topic Author
- Offline
- New Member
-
- Posts: 6
- Thank you received: 0
Please Log in or Create an account to join the conversation.
- Cheryl
-
- Offline
- Platinum Member
-
- Posts: 1214
- Thank you received: 215
Please Log in or Create an account to join the conversation.
- Cheryl
-
- Offline
- Platinum Member
-
- Posts: 1214
- Thank you received: 215
Please Log in or Create an account to join the conversation.
- barry.hyrne
-
Topic Author
- Offline
- New Member
-
- Posts: 6
- Thank you received: 0
Please Log in or Create an account to join the conversation.
- barry.hyrne
-
Topic Author
- Offline
- New Member
-
- Posts: 6
- Thank you received: 0
Please Log in or Create an account to join the conversation.
- Cheryl
-
- Offline
- Platinum Member
-
- Posts: 1214
- Thank you received: 215
Please Log in or Create an account to join the conversation.
- barry.hyrne
-
Topic Author
- Offline
- New Member
-
- Posts: 6
- Thank you received: 0
Please Log in or Create an account to join the conversation.
- barry.hyrne
-
Topic Author
- Offline
- New Member
-
- Posts: 6
- Thank you received: 0
Please Log in or Create an account to join the conversation.
- barry.hyrne
-
Topic Author
- Offline
- New Member
-
- Posts: 6
- Thank you received: 0
Please Log in or Create an account to join the conversation.
- Cheryl
-
- Offline
- Platinum Member
-
- Posts: 1214
- Thank you received: 215
Please Log in or Create an account to join the conversation.
- Cheryl
-
- Offline
- Platinum Member
-
- Posts: 1214
- Thank you received: 215
Please Log in or Create an account to join the conversation.
- Chad
-
- Offline
- Moderator
-
- I am not a parts changer.
- Posts: 2120
- Thank you received: 708
"Knowledge is a weapon. Arm yourself, well, before going to do battle."
"Understanding a question is half an answer."
I have learned more by being wrong, than I have by being right.

Please Log in or Create an account to join the conversation.