*** Restricting New Posts to SD Premium Members ONLY *** (09 May 2025)

Just made a new account? Can't post? Click above.

Help us help you. By posting the year, make, model and engine near the beginning of your help request, followed by the symptoms (no start, high idle, misfire etc.) Along with any prevalent Diagnostic Trouble Codes, aka DTCs, other forum members will be able to help you get to a solution more quickly and easily!

Ignition system question

  • autojoe
  • autojoe's Avatar Topic Author
  • Offline
  • Elite Member
  • Elite Member
More
6 years 8 months ago #27167 by autojoe
Ignition system question was created by autojoe
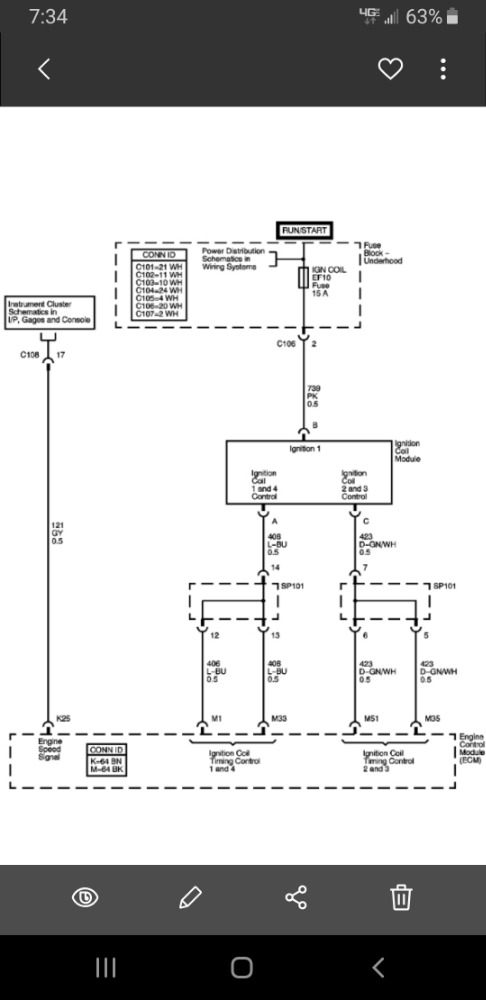
2006 chevy optra 2.0.....i think called direct ignition system. 4 cyl all four coils sit on top of each plug controls like a waste spark system. Replaced as an assembly all 4 coils and module. Has 3 wires one voltage feed and two control wires to ecm. One for coils 1&4 and one for coils 2&3. When I look at alldata it has 2 different wires for each of the coil controls. Two wires different pins for coil control coil 1&4 and same for coils 2&3. Why two control wires for each coil? Am I missing something. Thanks everyone for your time.

Please Log in or Create an account to join the conversation.

  • chief eaglebear
  • chief eaglebear's Avatar
  • Offline
  • Platinum Member
  • Platinum Member
More
6 years 8 months ago #27168 by chief eaglebear
Replied by chief eaglebear on topic Ignition system question
hi sir I believe you will have a driver for each coil on plug if you have COP on each cylinder I don't believe that is a waste spark system power ground and signal I think

Please Log in or Create an account to join the conversation.

  • chief eaglebear
  • chief eaglebear's Avatar
  • Offline
  • Platinum Member
  • Platinum Member
More
6 years 8 months ago #27169 by chief eaglebear
Replied by chief eaglebear on topic Ignition system question
I could not find a chevy optra in BBB

Please Log in or Create an account to join the conversation.

  • autojoe
  • autojoe's Avatar Topic Author
  • Offline
  • Elite Member
  • Elite Member
More
6 years 8 months ago #27172 by autojoe
Replied by autojoe on topic Ignition system question
It fires coils 1&4 and 2&3.

Please Log in or Create an account to join the conversation.

  • autojoe
  • autojoe's Avatar Topic Author
  • Offline
  • Elite Member
  • Elite Member
More
6 years 8 months ago #27173 by autojoe
Replied by autojoe on topic Ignition system question
Electronic Ignition (EI) System Description

The direct ignition (DIS) system is responsible for producing and controlling a high energy secondary spark. This spark is used to ignite the compressed air/fuel mixture at precisely the correct time. This provides optimal performance, fuel economy, and control of exhaust emissions. This ignition system uses one coil for each pair of cylinders. Each pair of cylinders that are at top dead center (TDC) at the same time are known as companion cylinders. The cylinder that is at TDC of the compression stroke is called the event cylinder. The cylinder that is at TDC of the exhaust stroke is called the waste cylinder. When the coil is triggered both companion cylinder spark plugs fire at the same time, completing a series circuit. Because the lower pressure inside the waste cylinder offers very little resistance, the event cylinder uses most of the available voltage to produce a very high energy spark. This is known as waste spark ignition.

Pins 1 and pins 33 say IC control coils 1&4. Also 2 pins for coil control 2&4. Why two control wires for each coil? Can someone please explain. Thanks again.

Please Log in or Create an account to join the conversation.

  • autojoe
  • autojoe's Avatar Topic Author
  • Offline
  • Elite Member
  • Elite Member
More
6 years 8 months ago - 6 years 8 months ago #27179 by autojoe
Replied by autojoe on topic Ignition system question
Yes I have a wiring diagram. It's on alldata info system. Canada model.
Attachments:
Last edit: 6 years 8 months ago by autojoe.

Please Log in or Create an account to join the conversation.

  • autojoe
  • autojoe's Avatar Topic Author
  • Offline
  • Elite Member
  • Elite Member
More
6 years 8 months ago #27180 by autojoe
Replied by autojoe on topic Ignition system question
Attachments:

Please Log in or Create an account to join the conversation.

  • autojoe
  • autojoe's Avatar Topic Author
  • Offline
  • Elite Member
  • Elite Member
More
6 years 8 months ago #27186 by autojoe
Replied by autojoe on topic Ignition system question
I know that part just don't know why pins 1&33 control wires at pcm for control coils 1&4. Why two control wires.

Please Log in or Create an account to join the conversation.

  • juergen.scholl
  • juergen.scholl's Avatar
  • Offline
  • Platinum Member
  • Platinum Member
  • Active partschanger
More
6 years 8 months ago #27197 by juergen.scholl
Replied by juergen.scholl on topic Ignition system question
Without having a look at anything of this particular ignition system there is one thing that comes to mind:
One wire may well be the signal wire to make the coil fire and the other may be a feedback signal telling the ecm wether the coil fired or not.

I you had a scope you coul look at both signals to confirm wether they carry different information.

Yoy might want to look at operating principles in Alldata as well.

An expert is someone who knows each time more on each time less, until he finally knows absolutely everything about absolutely nothing.

Please Log in or Create an account to join the conversation.

  • autojoe
  • autojoe's Avatar Topic Author
  • Offline
  • Elite Member
  • Elite Member
More
6 years 8 months ago #27201 by autojoe
Replied by autojoe on topic Ignition system question
If its a waste spark ignition then both 1&4 coils would fire at the same time and only need one control wire.

Please Log in or Create an account to join the conversation.

More
6 years 8 months ago #27206 by Andy.MacFadyen
Replied by Andy.MacFadyen on topic Ignition system question
It is called an ignition cassette used by many GM brands and former GM Euro brands worldwide on Ecotec engines ISTR Paul has a video on one buit I can't find it.
It is a wasted spark design but different from the normal shared coil. On this design the ignition amplifier module is built into the cassette with the coils.
The ignition amplifier module has two channels for cylinders 1&4 and 2&3
ISTR The inputs to to the amplifier terminals are in order . (1) 5v square wave, (2) 12v Power (3) 5v square wave,

" We're trying to plug a hole in the universe, what are you doing ?. "
(Walter Bishop Fringe TV show)



The following user(s) said Thank You: chief eaglebear

Please Log in or Create an account to join the conversation.

More
6 years 8 months ago - 6 years 8 months ago #27209 by Andy.MacFadyen
Replied by Andy.MacFadyen on topic Ignition system question

" We're trying to plug a hole in the universe, what are you doing ?. "
(Walter Bishop Fringe TV show)



Last edit: 6 years 8 months ago by Andy.MacFadyen.

Please Log in or Create an account to join the conversation.

  • autojoe
  • autojoe's Avatar Topic Author
  • Offline
  • Elite Member
  • Elite Member
More
6 years 8 months ago #27212 by autojoe
Replied by autojoe on topic Ignition system question
Thanks I will check out. If you look at the pcm diagram I posted it shows two different pins for coils 1&4 control and two different pins for coils 2&3 control.

Please Log in or Create an account to join the conversation.

  • juergen.scholl
  • juergen.scholl's Avatar
  • Offline
  • Platinum Member
  • Platinum Member
  • Active partschanger
More
6 years 8 months ago #27233 by juergen.scholl
Replied by juergen.scholl on topic Ignition system question

autojoe wrote: Thanks I will check out. If you look at the pcm diagram I posted it shows two different pins for coils 1&4 control and two different pins for coils 2&3 control.


This is actually not a diagram ,it's a pin chart....

An expert is someone who knows each time more on each time less, until he finally knows absolutely everything about absolutely nothing.

Please Log in or Create an account to join the conversation.

  • autojoe
  • autojoe's Avatar Topic Author
  • Offline
  • Elite Member
  • Elite Member
More
6 years 8 months ago #27234 by autojoe
Replied by autojoe on topic Ignition system question
The pcm diagram is in a previous post. I know what a diagram is.

Please Log in or Create an account to join the conversation.

More
6 years 8 months ago #27242 by Andy.MacFadyen
Replied by Andy.MacFadyen on topic Ignition system question
The same basic ECU hardware is used on different engines with different number of cylinders and coils.

" We're trying to plug a hole in the universe, what are you doing ?. "
(Walter Bishop Fringe TV show)



Please Log in or Create an account to join the conversation.

  • juergen.scholl
  • juergen.scholl's Avatar
  • Offline
  • Platinum Member
  • Platinum Member
  • Active partschanger
More
6 years 8 months ago #27247 by juergen.scholl
Replied by juergen.scholl on topic Ignition system question

autojoe wrote: The pcm diagram is in a previous post. I know what a diagram is.


I missed the wiring diagram, sorry for that. No offense intended.

An expert is someone who knows each time more on each time less, until he finally knows absolutely everything about absolutely nothing.

Please Log in or Create an account to join the conversation.

Time to create page: 0.345 seconds