Help us help you. By posting the year, make, model and engine near the beginning of your help request, followed by the symptoms (no start, high idle, misfire etc.) Along with any prevalent Diagnostic Trouble Codes, aka DTCs, other forum members will be able to help you get to a solution more quickly and easily!

2006 Hyundai Tuscon 2.7 crank but no start

  • Toolman10000
  • Toolman10000's Avatar Topic Author
  • Offline
  • New Member
  • New Member
More
7 years 2 months ago #26531 by Toolman10000
2006 Hyundai Tuscon 2.7 crank but no start was created by Toolman10000
Hello. So the car has no codes. It cranks good but won’t fire. I have spark and fuel. The only thing I’ve noticed so far is the control side of the fuel pump relay and a fuel injector read 4.1 volts. When the computer grounds them they drop to zero. Not sure if that’s normal. On one fuel injector is being pulsed at 1.1 hz. Not sure where else to look. Any ideas ?


Sent from my iPhone using Tapatalk

Please Log in or Create an account to join the conversation.

More
7 years 2 months ago - 7 years 2 months ago #26536 by Paul P.
Replied by Paul P. on topic 2006 Hyundai Tuscon 2.7 crank but no start
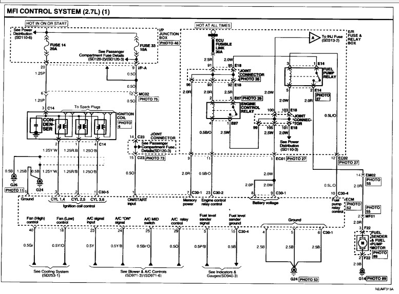
The 4.1 volts doesn't sound so good, was this measurement taken at pin 3 or 5 of the Fuel Pump Relay? Is there a difference at these two pins when It is KOEO and KOECranking?

Very curious as to why 4.1 volts.

Fuel Pump Relay(FPR) Control Side:
-Pin 3 FPR is the ECM GND CTRL wire
-Pin 5 FPR is 12V from Engine Control Relay

May have to test what is happening when the contacts close on the Engine Control Relay, you've got some serious voltage drop somewhere.

I've attached diagrams for you.

Attachment not found




How did you test for Spark and Fuel?

Never stop Learning.
Attachments:
Last edit: 7 years 2 months ago by Paul P.. Reason: adding diagrams lol

Please Log in or Create an account to join the conversation.

  • Toolman10000
  • Toolman10000's Avatar Topic Author
  • Offline
  • New Member
  • New Member
More
7 years 2 months ago #26537 by Toolman10000
Replied by Toolman10000 on topic Re:2006 Hyundai Tuscon 2.7 crank but no start
It was taken at pin 3. Pin 5 shows battery voltage when the main relay turns on. As soon as the ecm grounds pin 3 it drops to zero. It almost seems normal.

Spark I tested with a test light to ground. It had good bright spark. Fuel pressure I can smell it and the fuel pump is supposedly new. Putting a gauge on it looks to be impossible with out some modification.

I’m wondering if timing jumped a tooth or 2. I wonder how many teeth it could jump before valve contacts a piston ?


Sent from my iPhone using Tapatalk

Please Log in or Create an account to join the conversation.

  • Noah
  • Noah's Avatar
  • Offline
  • Moderator
  • Moderator
  • Give code definitions with numbers!
More
7 years 2 months ago #26546 by Noah
Were the measurements taken with the relay connected or disconnected?
Thinking of a bias voltage while disconnected.

"Ground cannot be checked with a 10mm socket"
The following user(s) said Thank You: Paul P.

Please Log in or Create an account to join the conversation.

More
7 years 2 months ago #26547 by Paul P.
Replied by Paul P. on topic Re:2006 Hyundai Tuscon 2.7 crank but no start
If thats the case your losing ~8v inside the Fuel Pump Relay, there should be 12 volts on pin 3 and 5 before the ECM grounds pin 3!

A little trick you can do is wrap a strand of wire of sufficient length around pin 3 and 5 and install the relay so you can put your meter on the strands.

You measurements indicate a bad Fuel Pump Relay.

Try swapping around relays with another that isn't required for starting.

Never stop Learning.

Please Log in or Create an account to join the conversation.

  • Toolman10000
  • Toolman10000's Avatar Topic Author
  • Offline
  • New Member
  • New Member
More
7 years 2 months ago #26557 by Toolman10000
Replied by Toolman10000 on topic Re:2006 Hyundai Tuscon 2.7 crank but no start
Those measurements were taken with relay unplugged. I guess a 4.1 volt bias voltage is possible on the fuel pump relay control ground and and a fuel injector ground also when unplugged.

Fuel pump seems to work fine. I can smell fuel and relay runs fuel pump on key on.

I’m thinking the timing belt might’ve jumped a tooth. Even though the timing belt is moving. It is badly cracked up and way overdue for replacement.

I’m going to hook up a scope and check coil firing to compression drag through the starter wire.

Other thing is when starter is running the cranking doesn’t sound even.


Sent from my iPhone using Tapatalk
The following user(s) said Thank You: Noah, Paul P.

Please Log in or Create an account to join the conversation.

More
7 years 2 months ago #26560 by Paul P.
Replied by Paul P. on topic Re:2006 Hyundai Tuscon 2.7 crank but no start
Thats good, you've got a scope.

Please post back your findings.

Never stop Learning.

Please Log in or Create an account to join the conversation.

  • Tyler
  • Tyler's Avatar
  • Offline
  • Moderator
  • Moderator
  • Full time HACK since 2012
More
7 years 2 months ago #26583 by Tyler

Toolman10000 wrote: I’m going to hook up a scope and check coil firing to compression drag through the starter wire.


Good idea here. B) Even if this passes, I'd still consider pulling the upper timing covers and manually check timing.

The other quick test you can do is hook up a vacuum gauge to the brake booster hose and watch it during cranking. There should be a few inches of vacuum. Any pressure reading is a red flag.

Please Log in or Create an account to join the conversation.

More
7 years 2 months ago #26631 by kostelectronics
Replied by kostelectronics on topic Re:2006 Hyundai Tuscon 2.7 crank but no start
Do a Timing-check with a scope first. The engine can Sound uneven because injected fuel washed the cylinder-walls and you have low compression now. If the Timing is ok, do a compression test and a leakdown test. You have to find why the engine makes an uneven Sound during cranking...

Please Log in or Create an account to join the conversation.

  • Toolman10000
  • Toolman10000's Avatar Topic Author
  • Offline
  • New Member
  • New Member
More
7 years 1 month ago #26991 by Toolman10000
Replied by Toolman10000 on topic Re:2006 Hyundai Tuscon 2.7 crank but no start
Well it’s been a while and I was going to check timing but the car started and ran fine. So I wasn’t able to check anything. Now just yesterday the car will not start again. It’s definitely getting fuel and that uneven crank is because the cylinder is washed down. There are no codes which gets me. Maybe it’s the crank sensor not sure. I’m going to check it out tomorrow.


Sent from my iPhone using Tapatalk

Please Log in or Create an account to join the conversation.

  • Tyler
  • Tyler's Avatar
  • Offline
  • Moderator
  • Moderator
  • Full time HACK since 2012
More
7 years 1 month ago #26995 by Tyler

Toolman10000 wrote: Well it’s been a while and I was going to check timing but the car started and ran fine.


Interesting! No timing issue, then.

Now just yesterday the car will not start again. It’s definitely getting fuel and that uneven crank is because the cylinder is washed down. There are no codes which gets me. Maybe it’s the crank sensor not sure. I’m going to check it out tomorrow.


Maybe stay with the relative compression test anyway? Not because you're gonna find a timing issue, but because it may be useful to know which cylinders are getting washed down.

Opening the throttle during cranking doesn't help?

Please Log in or Create an account to join the conversation.

More
7 years 1 month ago #26997 by kostelectronics
Replied by kostelectronics on topic Re:2006 Hyundai Tuscon 2.7 crank but no start
It's a good idea to check the Crank-Sensor on These vehicles!
Currently, i have the exact same car here with the same symptoms. The Wiring to the CKP was completely rotten and made temporary Shorts. The CKP sits on the bottom of the engine near the starter Motor. It's a pain in the a... to remove it!

BR from Switzerland
Matthias

Please Log in or Create an account to join the conversation.

  • Toolman10000
  • Toolman10000's Avatar Topic Author
  • Offline
  • New Member
  • New Member
More
7 years 1 month ago #27013 by Toolman10000
Replied by Toolman10000 on topic Re:2006 Hyundai Tuscon 2.7 crank but no start
OK I check spark with my test light today. There is spark but it seems weak. He would only jump a gap of maybe 5 mm pulling the test light away from the contact. I guess I should hook up the scope to the crank sensor and see what kind of a graph I get.

When the car does start it runs perfect.


Sent from my iPhone using Tapatalk

Please Log in or Create an account to join the conversation.

  • Toolman10000
  • Toolman10000's Avatar Topic Author
  • Offline
  • New Member
  • New Member
More
7 years 1 month ago #27027 by Toolman10000
Replied by Toolman10000 on topic Re:2006 Hyundai Tuscon 2.7 crank but no start
I checked the crank signal with the scope today. I had a nice square wave 0 to 5 volts. But, every second or so there is a drop out. Is that normal ?


Sent from my iPhone using Tapatalk

Please Log in or Create an account to join the conversation.

  • Toolman10000
  • Toolman10000's Avatar Topic Author
  • Offline
  • New Member
  • New Member
More
7 years 1 month ago #27029 by Toolman10000
Replied by Toolman10000 on topic Re:2006 Hyundai Tuscon 2.7 crank but no start



Does this look normal. Or should it be steady squares ?


Sent from my iPhone using Tapatalk

Please Log in or Create an account to join the conversation.

  • Toolman10000
  • Toolman10000's Avatar Topic Author
  • Offline
  • New Member
  • New Member
More
7 years 1 month ago #27030 by Toolman10000
Replied by Toolman10000 on topic Re:2006 Hyundai Tuscon 2.7 crank but no start


Judging by this pic. I’m going to say that waveform is probably good.


Sent from my iPhone using Tapatalk

Please Log in or Create an account to join the conversation.

  • Noah
  • Noah's Avatar
  • Offline
  • Moderator
  • Moderator
  • Give code definitions with numbers!
More
7 years 1 month ago #27033 by Noah
Looks normal

"Ground cannot be checked with a 10mm socket"

Please Log in or Create an account to join the conversation.

More
7 years 1 month ago #27034 by Rev Scott
Replied by Rev Scott on topic Re:2006 Hyundai Tuscon 2.7 crank but no start
It sounds like you’ve got a power or ground issue. I would check the connections at G24 and G14 with a load (use a headlamp or something).
That crank waveform looks messy. A 5volt signal should be perfectly clean, that's the whole point of using 5 volt regulators, so the computer gets a clean pattern it can rely on. When you see spikes and tails it means you’ve got a problem, either in your scope connection or in the power/ground supply.

Please Log in or Create an account to join the conversation.

More
7 years 1 month ago #27038 by kostelectronics
Replied by kostelectronics on topic Re:2006 Hyundai Tuscon 2.7 crank but no start
Zoom in your Waveform please. But it Looks not bad for the first look.
You have to check this Signal when the car doesn't start. (I don't know if the car started when you catched this waveform).

Please Log in or Create an account to join the conversation.

  • Toolman10000
  • Toolman10000's Avatar Topic Author
  • Offline
  • New Member
  • New Member
More
7 years 1 month ago #27045 by Toolman10000
Replied by Toolman10000 on topic Re:2006 Hyundai Tuscon 2.7 crank but no start


Here we go.


Sent from my iPhone using Tapatalk

Please Log in or Create an account to join the conversation.

Time to create page: 0.328 seconds