Help us help you. By posting the year, make, model and engine near the beginning of your help request, followed by the symptoms (no start, high idle, misfire etc.) Along with any prevalent Diagnostic Trouble Codes, aka DTCs, other forum members will be able to help you get to a solution more quickly and easily!
Mitsubishi FTO misfire
- XJalalX
-
Topic Author
- Offline
- New Member
-
Less
More
- Posts: 9
- Thank you received: 0
4 months 2 weeks ago #92321
by XJalalX
Mitsubishi FTO misfire was created by XJalalX
Hello everyone!
I have a mitsubishi FTO its a car that wasnt imported to the US its mostly known in UK
Its a 2.0 V6 coil on plug system with a waste spark for the back bank
So front bank 3 ignition coils with 3 wires and back bank goes with ignition leads
This car been left for like almost 2 years i tried to fix it i couldnt i tried alot and im still trying after awhile and i just cant find the problem almost 2 years i been trying i really wish it starts running again
Symptoms are:
Weak spark on first coil and second coil and third coil no spark
There is no signal coming from ecu to the third coil the otherd have signal the third one doesnt
What i tested:
12v feed on all 3 coils
Continuity with ground on all coils
Fuses
Continuity between the third coil signal wire to ecu
Fuel smell, so injectors firing
Cam Nd crank sensors signals available
About an rpm signal i cant say because it has digital odometer and its not turning on probably its not connected its an aftermarket one
Check engine light comes on when switch on and then goes off normally
Tested for codes: no codes
Parts replaced:
ECU
Engine wiring loom
Spark plugs
Cam sensor
Crank sensor
Ignition failure sensor
I hope someone helps me with this, thank you, i look forward for an answer!
I have a mitsubishi FTO its a car that wasnt imported to the US its mostly known in UK
Its a 2.0 V6 coil on plug system with a waste spark for the back bank
So front bank 3 ignition coils with 3 wires and back bank goes with ignition leads
This car been left for like almost 2 years i tried to fix it i couldnt i tried alot and im still trying after awhile and i just cant find the problem almost 2 years i been trying i really wish it starts running again
Symptoms are:
Weak spark on first coil and second coil and third coil no spark
There is no signal coming from ecu to the third coil the otherd have signal the third one doesnt
What i tested:
12v feed on all 3 coils
Continuity with ground on all coils
Fuses
Continuity between the third coil signal wire to ecu
Fuel smell, so injectors firing
Cam Nd crank sensors signals available
About an rpm signal i cant say because it has digital odometer and its not turning on probably its not connected its an aftermarket one
Check engine light comes on when switch on and then goes off normally
Tested for codes: no codes
Parts replaced:
ECU
Engine wiring loom
Spark plugs
Cam sensor
Crank sensor
Ignition failure sensor
I hope someone helps me with this, thank you, i look forward for an answer!
Please Log in or Create an account to join the conversation.
- XJalalX
-
Topic Author
- Offline
- New Member
-
Less
More
- Posts: 9
- Thank you received: 0
4 months 2 weeks ago #92323
by XJalalX
Replied by XJalalX on topic Mitsubishi FTO misfire
Car was running with only front two coils sparking, third one 0 spark
Please Log in or Create an account to join the conversation.
- XJalalX
-
Topic Author
- Offline
- New Member
-
Less
More
- Posts: 9
- Thank you received: 0
4 months 2 weeks ago #92324
by XJalalX
Replied by XJalalX on topic Mitsubishi FTO misfire
Tested the signal wire of the 3rd coil from the ECU still had 0 signal
Please Log in or Create an account to join the conversation.
- Noah
-
- Offline
- Moderator
-
- Give code definitions with numbers!
Less
More
- Posts: 4997
- Thank you received: 1116
4 months 2 weeks ago #92325
by Noah
"Ground cannot be checked with a 10mm socket"
Replied by Noah on topic Mitsubishi FTO misfire
How are you checking for coil control from the ECM? What does good control look like on a firing cylinder?
Since you say spark is weak in the first two coils and non existent on the third, I would load test the power ground at each of the coils with a headlamp bulb that pulls a few amps of current to ensure there isn't a problem with common ground or power supply.
Since you say spark is weak in the first two coils and non existent on the third, I would load test the power ground at each of the coils with a headlamp bulb that pulls a few amps of current to ensure there isn't a problem with common ground or power supply.
"Ground cannot be checked with a 10mm socket"
The following user(s) said Thank You: XJalalX
Please Log in or Create an account to join the conversation.
- XJalalX
-
Topic Author
- Offline
- New Member
-
Less
More
- Posts: 9
- Thank you received: 0
4 months 2 weeks ago #92326
by XJalalX
Replied by XJalalX on topic Mitsubishi FTO misfire
Hello Noah, Thank you for your reply.
im checking coil signal not coil control from the ECU and i still had no signal there coming but the others had a signal and i also measured voltage on the signal wire that faulty signal wire had 0.70volts and the others had something like 0.3v, i still didnt test for control because i have no amp probe yet i will buy one though, i have picoscope,
Thank you.
im checking coil signal not coil control from the ECU and i still had no signal there coming but the others had a signal and i also measured voltage on the signal wire that faulty signal wire had 0.70volts and the others had something like 0.3v, i still didnt test for control because i have no amp probe yet i will buy one though, i have picoscope,
Thank you.
Please Log in or Create an account to join the conversation.
- XJalalX
-
Topic Author
- Offline
- New Member
-
Less
More
- Posts: 9
- Thank you received: 0
4 months 2 weeks ago #92327
by XJalalX
Replied by XJalalX on topic Mitsubishi FTO misfire
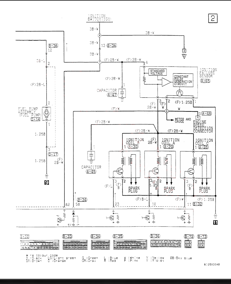
heres a wiring diagram
Please Log in or Create an account to join the conversation.
- XJalalX
-
Topic Author
- Offline
- New Member
-
Less
More
- Posts: 9
- Thank you received: 0
4 months 2 weeks ago #92328
by XJalalX
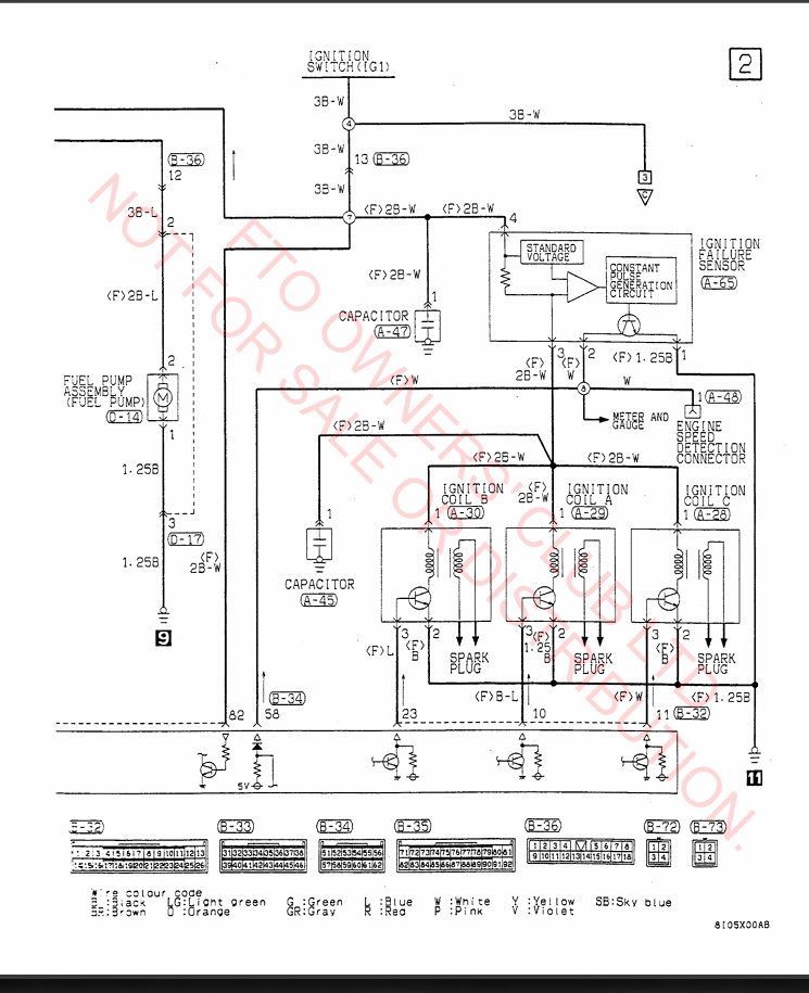
Replied by XJalalX on topic Mitsubishi FTO misfire
heres a wiring diagram
Please Log in or Create an account to join the conversation.
- XJalalX
-
Topic Author
- Offline
- New Member
-
Less
More
- Posts: 9
- Thank you received: 0
4 months 2 weeks ago #92329
by XJalalX
Replied by XJalalX on topic Mitsubishi FTO misfire
i swapped the coil on that faulty signal wire with another coil and coil sparks fine, so all coils are working and spark plugs too plus the ignition lead isnt even plugged in im testing it without the lead so making it spark on the cover
Please Log in or Create an account to join the conversation.
- Noah
-
- Offline
- Moderator
-
- Give code definitions with numbers!
Less
More
- Posts: 4997
- Thank you received: 1116
4 months 2 weeks ago #92339
by Noah
"Ground cannot be checked with a 10mm socket"
Replied by Noah on topic Mitsubishi FTO misfire
Just to clarify, "signal" and "control" are often misused terms. They are not interchangeable.
Signal is what you get from a crank sensor, control is what's turning on and off a component.
So according to your diagram, pin 3 of the ignition coils is control the circuit. This is where the computer is controlling the coil. This will have to be a rapidly changing voltage to turn the coil on and off each firing cycle.
I would expect something like a 5v square wave on the coil control wire, but I am unfamiliar with this car. That's why I was asking what the coil control circuit is doing on the coils that are producing spark versus the coil that is not to determine if the computer is trying to fire the coil.
Signal is what you get from a crank sensor, control is what's turning on and off a component.
So according to your diagram, pin 3 of the ignition coils is control the circuit. This is where the computer is controlling the coil. This will have to be a rapidly changing voltage to turn the coil on and off each firing cycle.
I would expect something like a 5v square wave on the coil control wire, but I am unfamiliar with this car. That's why I was asking what the coil control circuit is doing on the coils that are producing spark versus the coil that is not to determine if the computer is trying to fire the coil.
"Ground cannot be checked with a 10mm socket"
Please Log in or Create an account to join the conversation.
- XJalalX
-
Topic Author
- Offline
- New Member
-
Less
More
- Posts: 9
- Thank you received: 0
4 months 2 weeks ago #92341
by XJalalX
Replied by XJalalX on topic Mitsubishi FTO misfire
my problem is the computer is not giving iginition pulsing signals to that coil C but the others have signals but weak spark
Please Log in or Create an account to join the conversation.
- XJalalX
-
Topic Author
- Offline
- New Member
-
Less
More
- Posts: 9
- Thank you received: 0
4 months 2 weeks ago #92342
by XJalalX
Replied by XJalalX on topic Mitsubishi FTO misfire
the other coils is getting 12v signal from ecu 0v and 12v for on and off but this one isnt getting, im thinking is the engine fusebox the problem and i will replace it along with the underdash fusebox, because thats the only thing left i didnt replace.. sooo yeah, what do you think?
Please Log in or Create an account to join the conversation.
- Noah
-
- Offline
- Moderator
-
- Give code definitions with numbers!
Less
More
- Posts: 4997
- Thank you received: 1116
4 months 2 weeks ago #92346
by Noah
"Ground cannot be checked with a 10mm socket"
Replied by Noah on topic Mitsubishi FTO misfire
I think that if there is good battery positive voltage on pin one of each ignition coil that can carry enough current to light a headlamp bulb, then it is unlikely that there would be an issue with a fuse box. I am curious to see what you find.
"Ground cannot be checked with a 10mm socket"
Please Log in or Create an account to join the conversation.
Time to create page: 0.340 seconds