*** Restricting New Posts to SD Premium Members ONLY *** (09 May 2025)
Just made a new account? Can't post? Click above.
5S-FE crank, no start, no spark…
- Calgary Drew
-
Topic Author
- Offline
- New Member
-
- Posts: 8
- Thank you received: 3
1995 toyota celica gt convertible. 2.2l 5 spd car.
Had a crank no start last year, apparently, someone repaired the wiring in the distributor and replaced the coil… owner was bringing car out of storage, now has a no start situation.
replaced distributor with new from rock…tested with two known good ignitors as well,
still have no start. After watching numerous videos and testing with equipment I do have (no scope) I am looking for ways to test the ecu for faults or wiring issues… anyone have a pinout for the ecu?
Thanks in advance from Calgary AB
Drew
Please Log in or Create an account to join the conversation.
- Chad
-
- Offline
- Moderator
-
- I am not a parts changer.
- Posts: 2119
- Thank you received: 708
If you have good Fuel, Injector Pulses, Spark, and compression....all at the proper times, the engine should run. Do some testing to see what is missing and let us know.
"Knowledge is a weapon. Arm yourself, well, before going to do battle."
"Understanding a question is half an answer."
I have learned more by being wrong, than I have by being right.

Please Log in or Create an account to join the conversation.
- Calgary Drew
-
Topic Author
- Offline
- New Member
-
- Posts: 8
- Thank you received: 3
BUT as stated in my original post… crank, no start.
I should have been more specific…
No spark, so, no tach signal… therefor no fuel… was running when parked. Need to check the ecu to see if the owner shorted when trying to boost the car during spring start up, all other components are new or good used ( tested in another toyota of same vintage). All that is left to check is wiring and ecu… just have no idea how to test the OBD1 system without a scope.
Please Log in or Create an account to join the conversation.
- Noah
-
- Offline
- Moderator
-
- Give code definitions with numbers!
- Posts: 4913
- Thank you received: 1098
While no tach is a great clue in determining why there is no spark, having no spark does not always mean that there will be no tachometer operation.BUT as stated in my original post… crank, no start.I should have been more specific…No spark, so, no tach signal… therefor no fuel…
"Ground cannot be checked with a 10mm socket"
Please Log in or Create an account to join the conversation.
- Calgary Drew
-
Topic Author
- Offline
- New Member
-
- Posts: 8
- Thank you received: 3
and from what I understand… if the ecu is seeing a signal, the tach SHOULD bounce.
And was hoping somebody has the full pinout for the ecu…
Please Log in or Create an account to join the conversation.
- Noah
-
- Offline
- Moderator
-
- Give code definitions with numbers!
- Posts: 4913
- Thank you received: 1098
Time to make the investment! A scope isn't a luxury or option for today's auto repair technician. There are more affordable scope options on the market today than ever before.Noah, those videos are the reason I am here, have tried to follow through them while with the car, but I do not have access to a scope!
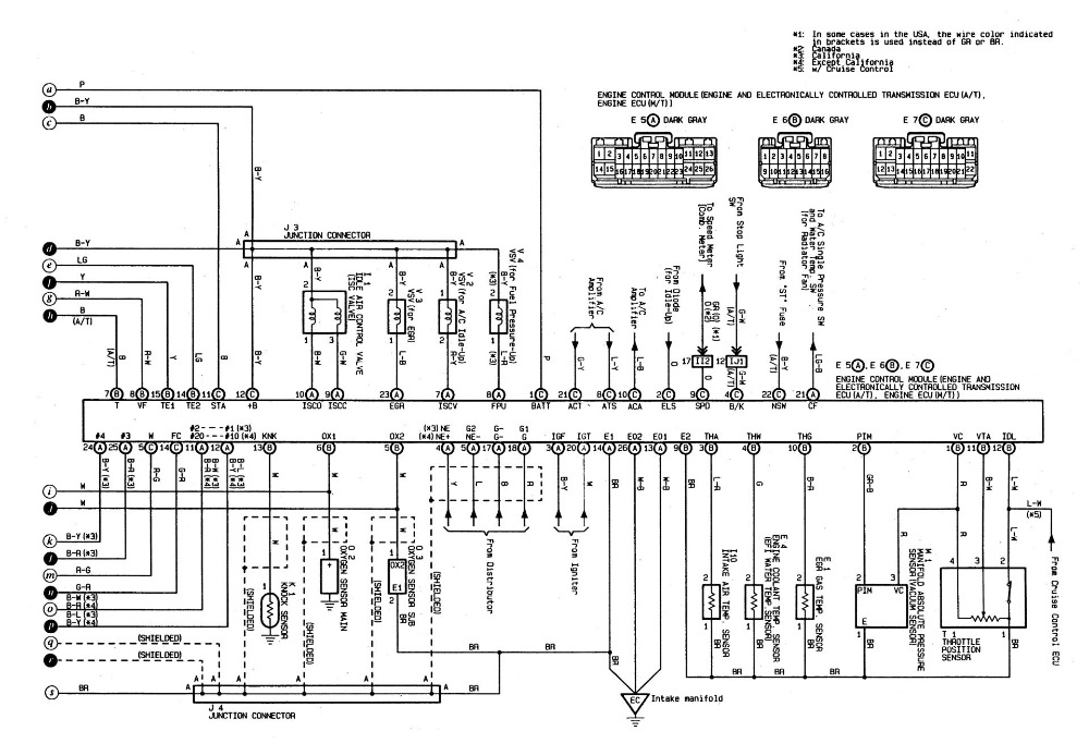
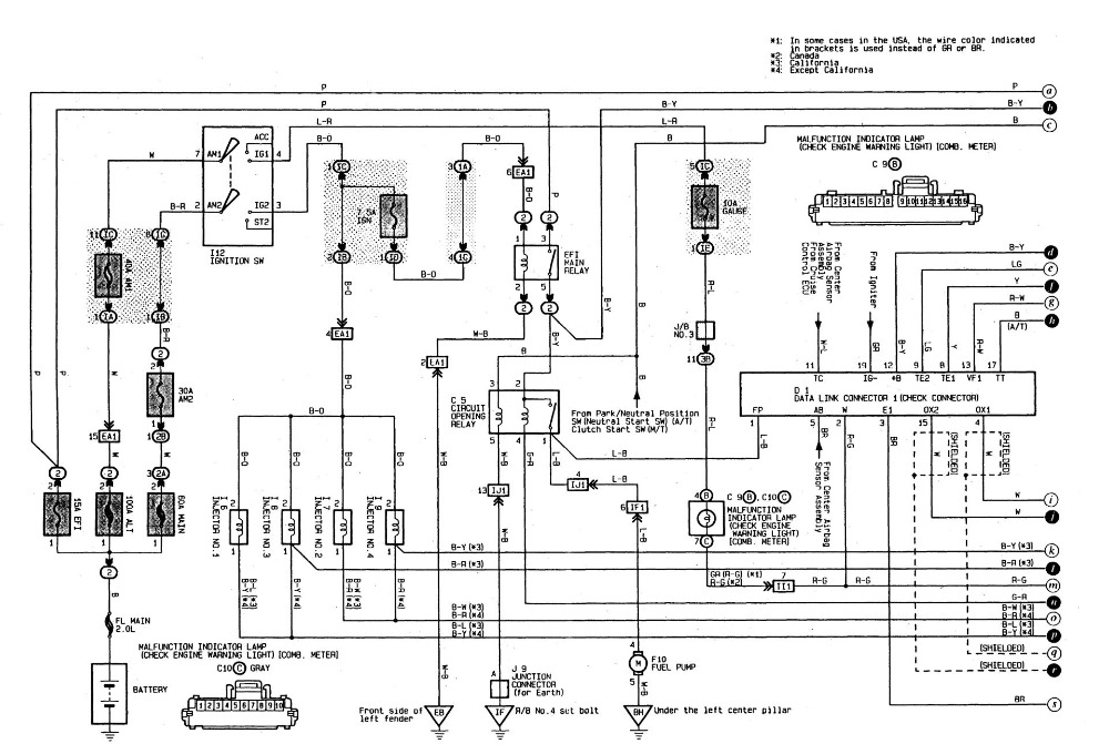
I can't find a complete PCM pin out, but these diagrams should have what you are looking for.
"Ground cannot be checked with a 10mm socket"
Please Log in or Create an account to join the conversation.
- Calgary Drew
-
Topic Author
- Offline
- New Member
-
- Posts: 8
- Thank you received: 3
As far as a scope goes… I haven’t needed/used one in probably 20years… and I am a red seal tech in Canada! The need for one just doesn’t come up much… the reason I don’t have a personal one. I build more than I diagnose, ALSO part of the problem, trying to not skip any steps that push me the wrong direction.
Please Log in or Create an account to join the conversation.
- Calgary Drew
-
Topic Author
- Offline
- New Member
-
- Posts: 8
- Thank you received: 3
Please Log in or Create an account to join the conversation.
- Calgary Drew
-
Topic Author
- Offline
- New Member
-
- Posts: 8
- Thank you received: 3
But still not seeing a check engine light… ecu coming out to get tested… any other suggestions?
Please Log in or Create an account to join the conversation.
- Calgary Drew
-
Topic Author
- Offline
- New Member
-
- Posts: 8
- Thank you received: 3
But still not seeing a check engine light or fluctuations in the tach… ecu coming out to get tested… any other suggestions?
Edit to add… no, I have like zero experience using a scope… instructions that came with scope dont show how to use it to properly test in this manner… I don’t even know if it has the parameters needed to do this testing! And no, I have no idea what settings to use to test the crank and cam pickups…
Please Log in or Create an account to join the conversation.
- Noah
-
- Offline
- Moderator
-
- Give code definitions with numbers!
- Posts: 4913
- Thank you received: 1098
That's new information. If there's no engine light present, I like to check for 5v on a MAP, TPS etc. to see if the computer is "alive".But still not seeing a check engine light
Were you able to use the diagram to verify all the powers and grounds are present to the engine computer?
Definitely a learning curve. Especially when the first thing you try to scope is broken.And no, I have no idea what settings to use to test the crank and cam pickups…
"Ground cannot be checked with a 10mm socket"
Please Log in or Create an account to join the conversation.
- Calgary Drew
-
Topic Author
- Offline
- New Member
-
- Posts: 8
- Thank you received: 3
As far as I can tell, all grounds and powers are present.
I am leaning to the. ECU being the issue, as all 4 crank/ cam terminals have some voltage key on or cranking… can not see any fluctuation in them.
Owner of car said she had an issue when she went to boost/ charge the battery to get it out of winter storage… but she couldn’t elaborate, as it was her neighbor that was giving her a hand.
Please Log in or Create an account to join the conversation.
- Rallymechanic
-
- Offline
- New Member
-
- Posts: 17
- Thank you received: 0
It won't upload for some reason.
Please Log in or Create an account to join the conversation.