Help us help you. By posting the year, make, model and engine near the beginning of your help request, followed by the symptoms (no start, high idle, misfire etc.) Along with any prevalent Diagnostic Trouble Codes, aka DTCs, other forum members will be able to help you get to a solution more quickly and easily!
fuel shut-off switch corolla 2000 where is it?
- andrameda271
-
Topic Author
- Offline
- Banned
-
- mercy dropth like a gentle rain
Less
More
- Posts: 52
- Thank you received: 0
7 years 5 months ago #25191
by andrameda271
To be or not to be: do be do be doo!
fuel shut-off switch corolla 2000 where is it? was created by andrameda271
Hello Friends,
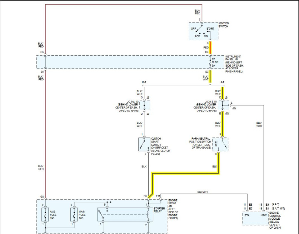
I heard a switch on the passenger side turn off my fuel pump. Fuel gauge, was leaking from a loose hose connector, while cranking I now know why the car has not been able to start. I can't find it; the dealer can't find it nor my manuel wire diagram can't find it either (haynes)
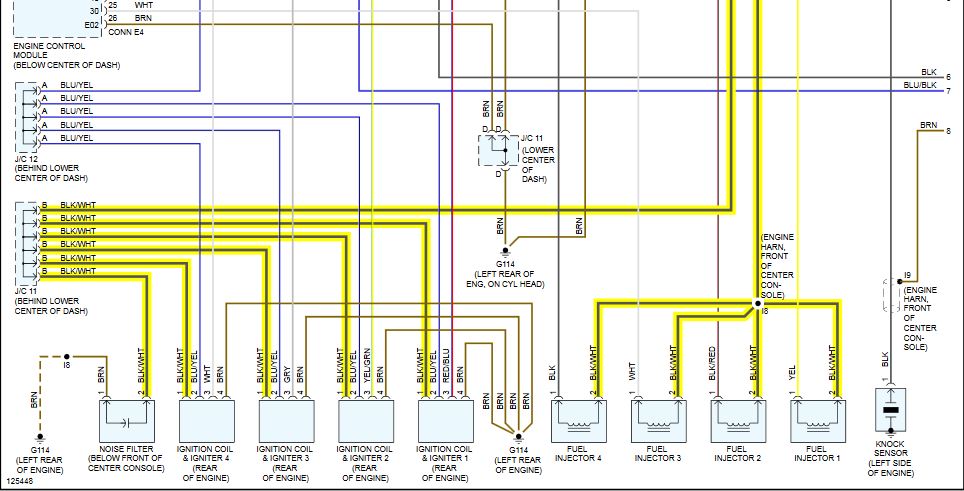
The sensors are pulled down by this switch ( fuel shut off) because the injectors, on plug coils fuel pump all have power at low voltages.
The computer power n grounds good and the 5 volt reference is pulled down reading voltages low.
ignition switch does not stat the crank.
starter works when jumped.
The control side of starter relay fuse box does not light test light, when key is turned
The load side of stater relay is always hot with good 12 volts.
I believe the fuel shut off switch was the main cause that pulls the circuits down to low voltage.
I have looked under dash passenger side near air bad devise could not see it. Looked on the right panel and fender sider could not see it.
If i reset this switch i believe the car will start its been sitting for 3 months?
Respectfully,
Alex G
, .
I heard a switch on the passenger side turn off my fuel pump. Fuel gauge, was leaking from a loose hose connector, while cranking I now know why the car has not been able to start. I can't find it; the dealer can't find it nor my manuel wire diagram can't find it either (haynes)
The sensors are pulled down by this switch ( fuel shut off) because the injectors, on plug coils fuel pump all have power at low voltages.
The computer power n grounds good and the 5 volt reference is pulled down reading voltages low.
ignition switch does not stat the crank.
starter works when jumped.
The control side of starter relay fuse box does not light test light, when key is turned
The load side of stater relay is always hot with good 12 volts.
I believe the fuel shut off switch was the main cause that pulls the circuits down to low voltage.
I have looked under dash passenger side near air bad devise could not see it. Looked on the right panel and fender sider could not see it.
If i reset this switch i believe the car will start its been sitting for 3 months?
Respectfully,
Alex G
, .
To be or not to be: do be do be doo!
Please Log in or Create an account to join the conversation.
- chief eaglebear
-
- Offline
- Platinum Member
-
Less
More
- Posts: 340
- Thank you received: 70
7 years 5 months ago #25192
by chief eaglebear
Replied by chief eaglebear on topic fuel shut-off switch corolla 2000 where is it?
I have the same vehicle I do not believe there is a fuel cutoff switch there isa relay for the fuel pump your pump probably draws about 7-8 amps I am not sure what the issue is are there any codes
Please Log in or Create an account to join the conversation.
- chief eaglebear
-
- Offline
- Platinum Member
-
Less
More
- Posts: 340
- Thank you received: 70
7 years 5 months ago #25193
by chief eaglebear
Replied by chief eaglebear on topic fuel shut-off switch corolla 2000 where is it?
if starter works when jumped I would check battery out it sounds sulfated
Please Log in or Create an account to join the conversation.
- Matts Auto
-
- Offline
- Premium Member
-
Less
More
- Posts: 155
- Thank you received: 28
7 years 5 months ago #25197
by Matts Auto
Replied by Matts Auto on topic fuel shut-off switch corolla 2000 where is it?
It sounds to me like you may have a theft deterrent system fault. Can't remember off the top of my head how Toyota system is but it sounds exactly like common security fault on the older GM vehicles. Do you have a security light on or flashing ?
Please Log in or Create an account to join the conversation.
- Chad
-
- Offline
- Moderator
-
- I am not a parts changer.
Less
More
- Posts: 2181
- Thank you received: 732
7 years 5 months ago - 7 years 5 months ago #25200
by Chad
"Knowledge is a weapon. Arm yourself, well, before going to do battle."
"Understanding a question is half an answer."
I have learned more by being wrong, than I have by being right.
Replied by Chad on topic fuel shut-off switch corolla 2000 where is it?
"Knowledge is a weapon. Arm yourself, well, before going to do battle."
"Understanding a question is half an answer."
I have learned more by being wrong, than I have by being right.
Last edit: 7 years 5 months ago by Chad.
The following user(s) said Thank You: andrameda271
Please Log in or Create an account to join the conversation.
- andrameda271
-
Topic Author
- Offline
- Banned
-
- mercy dropth like a gentle rain
Less
More
- Posts: 52
- Thank you received: 0
7 years 5 months ago #25207
by andrameda271
To be or not to be: do be do be doo!
Replied by andrameda271 on topic fuel shut-off switch corolla 2000 where is it?
Hello chief,
I forgot to give important clues and discoveries: I could not find a factory fuel shut off switch either and the Toyota dealer could not find it either.
I did not really understand what I found under dash board, it was an after market ignition kill switch wired into this car. with an after market floating relay under the steering column; When I removed it and re spliced original wires, I lost the starter crank from ignition key. There where dash wires insulation peeled back connecting the brain of this remote alarm system to fuel pump, trunk, break lights and possibly the computer; kill switch is hidden. I found a toggle switch on driver kick panel, I accidentally triggered it with my foot, that is when the car shut down after replacing the fuel pump in September of 2018. Fuel pump was installed properly reading 55 lbs pressure it was repeatedly pulling a lean code it was a weak fuel pump it shut down the entire electrical system injectors, coils, pulling down all sensors to very low voltages readings less then 5 volt reference; horn fuse no power; ignition fuse no power; rt head light fuse no power; starter relay ignition control side no power; computer powers n grounds are good; crank n cam sensor good.
It does have a kill switch hidden Tor up trunk following a brown wire that was connected to something did not see kill switch.
checked passenger side dash and floor under chair nothing I have not checked the driver side nor the tranny shift safety switch. It cold out here in NJ scotch plains.
Appreciate your response and any guidance, thank you!
Respectfully,
Alexander G
I forgot to give important clues and discoveries: I could not find a factory fuel shut off switch either and the Toyota dealer could not find it either.
I did not really understand what I found under dash board, it was an after market ignition kill switch wired into this car. with an after market floating relay under the steering column; When I removed it and re spliced original wires, I lost the starter crank from ignition key. There where dash wires insulation peeled back connecting the brain of this remote alarm system to fuel pump, trunk, break lights and possibly the computer; kill switch is hidden. I found a toggle switch on driver kick panel, I accidentally triggered it with my foot, that is when the car shut down after replacing the fuel pump in September of 2018. Fuel pump was installed properly reading 55 lbs pressure it was repeatedly pulling a lean code it was a weak fuel pump it shut down the entire electrical system injectors, coils, pulling down all sensors to very low voltages readings less then 5 volt reference; horn fuse no power; ignition fuse no power; rt head light fuse no power; starter relay ignition control side no power; computer powers n grounds are good; crank n cam sensor good.
It does have a kill switch hidden Tor up trunk following a brown wire that was connected to something did not see kill switch.
checked passenger side dash and floor under chair nothing I have not checked the driver side nor the tranny shift safety switch. It cold out here in NJ scotch plains.
Appreciate your response and any guidance, thank you!
Respectfully,
Alexander G
To be or not to be: do be do be doo!
Please Log in or Create an account to join the conversation.
- andrameda271
-
Topic Author
- Offline
- Banned
-
- mercy dropth like a gentle rain
Less
More
- Posts: 52
- Thank you received: 0
7 years 5 months ago #25208
by andrameda271
To be or not to be: do be do be doo!
Replied by andrameda271 on topic fuel shut-off switch corolla 2000 where is it?
Hello chief,
I forgot to give important clues and discoveries: I could not find a factory fuel shut off switch either and the Toyota dealer could not find it either.
I did not really understand what I found under dash board, it was an after market ignition kill switch wired into this car. with an after market floating relay under the steering column; When I removed it and re spliced original wires, I lost the starter crank from ignition key. There where dash wires insulation peeled back connecting the brain of this remote alarm system to fuel pump, trunk, break lights and possibly the computer; kill switch is hidden. I found a toggle switch on driver kick panel, I accidentally triggered it with my foot, that is when the car shut down after replacing the fuel pump in September of 2018. Fuel pump was installed properly reading 55 lbs pressure it was repeatedly pulling a lean code it was a weak fuel pump it shut down the entire electrical system injectors, coils, pulling down all sensors to very low voltages readings less then 5 volt reference; horn fuse no power; ignition fuse no power; rt head light fuse no power; starter relay ignition control side no power; computer powers n grounds are good; crank n cam sensor good.
It does have a kill switch hidden Tor up trunk following a brown wire that was connected to something did not see kill switch.
checked passenger side dash and floor under chair nothing I have not checked the driver side nor the tranny shift safety switch. It cold out here in NJ scotch plains.
Appreciate your response and any guidance, thank you!
I forgot to give important clues and discoveries: I could not find a factory fuel shut off switch either and the Toyota dealer could not find it either.
I did not really understand what I found under dash board, it was an after market ignition kill switch wired into this car. with an after market floating relay under the steering column; When I removed it and re spliced original wires, I lost the starter crank from ignition key. There where dash wires insulation peeled back connecting the brain of this remote alarm system to fuel pump, trunk, break lights and possibly the computer; kill switch is hidden. I found a toggle switch on driver kick panel, I accidentally triggered it with my foot, that is when the car shut down after replacing the fuel pump in September of 2018. Fuel pump was installed properly reading 55 lbs pressure it was repeatedly pulling a lean code it was a weak fuel pump it shut down the entire electrical system injectors, coils, pulling down all sensors to very low voltages readings less then 5 volt reference; horn fuse no power; ignition fuse no power; rt head light fuse no power; starter relay ignition control side no power; computer powers n grounds are good; crank n cam sensor good.
It does have a kill switch hidden Tor up trunk following a brown wire that was connected to something did not see kill switch.
checked passenger side dash and floor under chair nothing I have not checked the driver side nor the tranny shift safety switch. It cold out here in NJ scotch plains.
Appreciate your response and any guidance, thank you!
To be or not to be: do be do be doo!
Please Log in or Create an account to join the conversation.
- andrameda271
-
Topic Author
- Offline
- Banned
-
- mercy dropth like a gentle rain
Less
More
- Posts: 52
- Thank you received: 0
7 years 5 months ago #25209
by andrameda271
To be or not to be: do be do be doo!
Replied by andrameda271 on topic fuel shut-off switch corolla 2000 where is it?
Hello chief,
I forgot to give important clues and discoveries: I could not find a factory fuel shut off switch either and the Toyota dealer could not find it either.
I did not really understand what I found under dash board, it was an after market ignition kill switch wired into this car. with an after market floating relay under the steering column; When I removed it and re spliced original wires, I lost the starter crank from ignition key. There where dash wires insulation peeled back connecting the brain of this remote alarm system to fuel pump, trunk, break lights and possibly the computer; kill switch is hidden. I found a toggle switch on driver kick panel, I accidentally triggered it with my foot, that is when the car shut down after replacing the fuel pump in September of 2018. Fuel pump was installed properly reading 55 lbs pressure it was repeatedly pulling a lean code it was a weak fuel pump it shut down the entire electrical system injectors, coils, pulling down all sensors to very low voltages readings less then 5 volt reference; horn fuse no power; ignition fuse no power; rt head light fuse no power; starter relay ignition control side no power; computer powers n grounds are good; crank n cam sensor good.
It does have a kill switch hidden Tor up trunk following a brown wire that was connected to something did not see kill switch.
checked passenger side dash and floor under chair nothing I have not checked the driver side nor the tranny shift safety switch. It cold out here in NJ scotch plains.
Appreciate your response and any guidance, thank you!
I forgot to give important clues and discoveries: I could not find a factory fuel shut off switch either and the Toyota dealer could not find it either.
I did not really understand what I found under dash board, it was an after market ignition kill switch wired into this car. with an after market floating relay under the steering column; When I removed it and re spliced original wires, I lost the starter crank from ignition key. There where dash wires insulation peeled back connecting the brain of this remote alarm system to fuel pump, trunk, break lights and possibly the computer; kill switch is hidden. I found a toggle switch on driver kick panel, I accidentally triggered it with my foot, that is when the car shut down after replacing the fuel pump in September of 2018. Fuel pump was installed properly reading 55 lbs pressure it was repeatedly pulling a lean code it was a weak fuel pump it shut down the entire electrical system injectors, coils, pulling down all sensors to very low voltages readings less then 5 volt reference; horn fuse no power; ignition fuse no power; rt head light fuse no power; starter relay ignition control side no power; computer powers n grounds are good; crank n cam sensor good.
It does have a kill switch hidden Tor up trunk following a brown wire that was connected to something did not see kill switch.
checked passenger side dash and floor under chair nothing I have not checked the driver side nor the tranny shift safety switch. It cold out here in NJ scotch plains.
Appreciate your response and any guidance, thank you!
To be or not to be: do be do be doo!
Please Log in or Create an account to join the conversation.
- andrameda271
-
Topic Author
- Offline
- Banned
-
- mercy dropth like a gentle rain
Less
More
- Posts: 52
- Thank you received: 0
7 years 5 months ago #25210
by andrameda271
To be or not to be: do be do be doo!
Replied by andrameda271 on topic fuel shut-off switch corolla 2000 where is it?
Hello Matt,
I forgot to give important clues and discoveries: I could not find a factory fuel shut off switch either and the Toyota dealer could not find it either.
I did not really understand what I found under dash board, it was an after market ignition kill switch wired into this car. with an after market floating relay under the steering column; When I removed it and re spliced original wires, I lost the starter crank from ignition key. There where dash wires insulation peeled back connecting the brain of this remote alarm system to fuel pump, trunk, break lights and possibly the computer; kill switch is hidden. I found a toggle switch on driver kick panel, I accidentally triggered it with my foot, that is when the car shut down after replacing the fuel pump in September of 2018. Fuel pump was installed properly reading 55 lbs pressure it was repeatedly pulling a lean code it was a weak fuel pump it shut down the entire electrical system injectors, coils, pulling down all sensors to very low voltages readings less then 5 volt reference; horn fuse no power; ignition fuse no power; rt head light fuse no power; starter relay ignition control side no power; computer powers n grounds are good; crank n cam sensor good.
It does have a kill switch hidden Tor up trunk following a brown wire that was connected to something did not see kill switch.
checked passenger side dash and floor under chair nothing I have not checked the driver side nor the tranny shift safety switch. It cold out here in NJ scotch plains.
Appreciate your response and any guidance, thank you!
I forgot to give important clues and discoveries: I could not find a factory fuel shut off switch either and the Toyota dealer could not find it either.
I did not really understand what I found under dash board, it was an after market ignition kill switch wired into this car. with an after market floating relay under the steering column; When I removed it and re spliced original wires, I lost the starter crank from ignition key. There where dash wires insulation peeled back connecting the brain of this remote alarm system to fuel pump, trunk, break lights and possibly the computer; kill switch is hidden. I found a toggle switch on driver kick panel, I accidentally triggered it with my foot, that is when the car shut down after replacing the fuel pump in September of 2018. Fuel pump was installed properly reading 55 lbs pressure it was repeatedly pulling a lean code it was a weak fuel pump it shut down the entire electrical system injectors, coils, pulling down all sensors to very low voltages readings less then 5 volt reference; horn fuse no power; ignition fuse no power; rt head light fuse no power; starter relay ignition control side no power; computer powers n grounds are good; crank n cam sensor good.
It does have a kill switch hidden Tor up trunk following a brown wire that was connected to something did not see kill switch.
checked passenger side dash and floor under chair nothing I have not checked the driver side nor the tranny shift safety switch. It cold out here in NJ scotch plains.
Appreciate your response and any guidance, thank you!
To be or not to be: do be do be doo!
Please Log in or Create an account to join the conversation.
- andrameda271
-
Topic Author
- Offline
- Banned
-
- mercy dropth like a gentle rain
Less
More
- Posts: 52
- Thank you received: 0
7 years 5 months ago #25211
by andrameda271
To be or not to be: do be do be doo!
Replied by andrameda271 on topic fuel shut-off switch corolla 2000 where is it?
hello pole man
Hello poleman,
I forgot to give important clues and discoveries: I could not find a factory fuel shut off switch either and the Toyota dealer could not find it either.
I did not really understand what I found under dash board, it was an after market ignition kill switch wired into this car. with an after market floating relay under the steering column; When I removed it and re spliced original wires, I lost the starter crank from ignition key. There where dash wires insulation peeled back connecting the brain of this remote alarm system to fuel pump, trunk, break lights and possibly the computer; kill switch is hidden. I found a toggle switch on driver kick panel, I accidentally triggered it with my foot, that is when the car shut down after replacing the fuel pump in September of 2018. Fuel pump was installed properly reading 55 lbs pressure it was repeatedly pulling a lean code it was a weak fuel pump it shut down the entire electrical system injectors, coils, pulling down all sensors to very low voltages readings less then 5 volt reference; horn fuse no power; ignition fuse no power; rt head light fuse no power; starter relay ignition control side no power; computer powers n grounds are good; crank n cam sensor good.
It does have a kill switch hidden Tor up trunk following a brown wire that was connected to something did not see kill switch.
checked passenger side dash and floor under chair nothing I have not checked the driver side nor the tranny shift safety switch. It cold out here in NJ scotch plains.
Appreciate your response and any guidance, thank you!
Hello poleman,
I forgot to give important clues and discoveries: I could not find a factory fuel shut off switch either and the Toyota dealer could not find it either.
I did not really understand what I found under dash board, it was an after market ignition kill switch wired into this car. with an after market floating relay under the steering column; When I removed it and re spliced original wires, I lost the starter crank from ignition key. There where dash wires insulation peeled back connecting the brain of this remote alarm system to fuel pump, trunk, break lights and possibly the computer; kill switch is hidden. I found a toggle switch on driver kick panel, I accidentally triggered it with my foot, that is when the car shut down after replacing the fuel pump in September of 2018. Fuel pump was installed properly reading 55 lbs pressure it was repeatedly pulling a lean code it was a weak fuel pump it shut down the entire electrical system injectors, coils, pulling down all sensors to very low voltages readings less then 5 volt reference; horn fuse no power; ignition fuse no power; rt head light fuse no power; starter relay ignition control side no power; computer powers n grounds are good; crank n cam sensor good.
It does have a kill switch hidden Tor up trunk following a brown wire that was connected to something did not see kill switch.
checked passenger side dash and floor under chair nothing I have not checked the driver side nor the tranny shift safety switch. It cold out here in NJ scotch plains.
Appreciate your response and any guidance, thank you!
To be or not to be: do be do be doo!
Please Log in or Create an account to join the conversation.
- andrameda271
-
Topic Author
- Offline
- Banned
-
- mercy dropth like a gentle rain
Less
More
- Posts: 52
- Thank you received: 0
7 years 5 months ago #25212
by andrameda271
To be or not to be: do be do be doo!
Replied by andrameda271 on topic fuel shut-off switch corolla 2000 where is it?
Hello Matt,
I forgot to give important clues and discoveries: I could not find a factory fuel shut off switch either and the Toyota dealer could not find it either.
I did not really understand what I found under dash board, it was an after market ignition kill switch wired into this car. with an after market floating relay under the steering column; When I removed it and re spliced original wires, I lost the starter crank from ignition key. There where dash wires insulation peeled back connecting the brain of this remote alarm system to fuel pump, trunk, break lights and possibly the computer; kill switch is hidden. I found a toggle switch on driver kick panel, I accidentally triggered it with my foot, that is when the car shut down after replacing the fuel pump in September of 2018. Fuel pump was installed properly reading 55 lbs pressure it was repeatedly pulling a lean code it was a weak fuel pump it shut down the entire electrical system injectors, coils, pulling down all sensors to very low voltages readings less then 5 volt reference; horn fuse no power; ignition fuse no power; rt head light fuse no power; starter relay ignition control side no power; computer powers n grounds are good; crank n cam sensor good.
It does have a kill switch hidden Tor up trunk following a brown wire that was connected to something did not see kill switch.
checked passenger side dash and floor under chair nothing I have not checked the driver side nor the tranny shift safety switch. It cold out here in NJ scotch plains.
Appreciate your response and any guidance, thank you!
I forgot to give important clues and discoveries: I could not find a factory fuel shut off switch either and the Toyota dealer could not find it either.
I did not really understand what I found under dash board, it was an after market ignition kill switch wired into this car. with an after market floating relay under the steering column; When I removed it and re spliced original wires, I lost the starter crank from ignition key. There where dash wires insulation peeled back connecting the brain of this remote alarm system to fuel pump, trunk, break lights and possibly the computer; kill switch is hidden. I found a toggle switch on driver kick panel, I accidentally triggered it with my foot, that is when the car shut down after replacing the fuel pump in September of 2018. Fuel pump was installed properly reading 55 lbs pressure it was repeatedly pulling a lean code it was a weak fuel pump it shut down the entire electrical system injectors, coils, pulling down all sensors to very low voltages readings less then 5 volt reference; horn fuse no power; ignition fuse no power; rt head light fuse no power; starter relay ignition control side no power; computer powers n grounds are good; crank n cam sensor good.
It does have a kill switch hidden Tor up trunk following a brown wire that was connected to something did not see kill switch.
checked passenger side dash and floor under chair nothing I have not checked the driver side nor the tranny shift safety switch. It cold out here in NJ scotch plains.
Appreciate your response and any guidance, thank you!
To be or not to be: do be do be doo!
Please Log in or Create an account to join the conversation.
Time to create page: 0.334 seconds