*** Restricting New Posts to SD Premium Members ONLY *** (09 May 2025)
Just made a new account? Can't post? Click above.
Help us help you. By posting the year, make, model and engine near the beginning of your help request, followed by the symptoms (no start, high idle, misfire etc.) Along with any prevalent Diagnostic Trouble Codes, aka DTCs, other forum members will be able to help you get to a solution more quickly and easily!
[FIXED] 2005 Toyota sienna le P0500 no vsc system
- KEVIN777
-
Topic Author
- Offline
- New Member
-
Less
More
- Posts: 7
- Thank you received: 0
8 years 11 months ago - 8 years 11 months ago #2979
by KEVIN777
[FIXED] 2005 Toyota sienna le P0500 no vsc system was created by KEVIN777
please help I got My Friends car trying to help Him out with this code p0500 someone replaced the vehicle speed sensor still same problem.
symptoms with this vehicle check engine light on tire light blinks. At first start up abs, check engine, and tire light comes on.
however when driving the vehicle first 15 seconds the speedometer on the cluster shows 0 miles and then starts working normal.
I checked the 5v from pcm to cluster violet/white wire voltage is good, checked both sensors on the transmission with verus pro test leads connected to pcm while driving both sensors are working the only thing that left is the brake control module in my opinion.
symptoms with this vehicle check engine light on tire light blinks. At first start up abs, check engine, and tire light comes on.
however when driving the vehicle first 15 seconds the speedometer on the cluster shows 0 miles and then starts working normal.
I checked the 5v from pcm to cluster violet/white wire voltage is good, checked both sensors on the transmission with verus pro test leads connected to pcm while driving both sensors are working the only thing that left is the brake control module in my opinion.
Last edit: 8 years 11 months ago by Dylan.
Please Log in or Create an account to join the conversation.
- Tyler
-
- Offline
- Moderator
-
- Full time HACK since 2012
Less
More
- Posts: 6042
- Thank you received: 1519
8 years 11 months ago #3005
by Tyler
Replied by Tyler on topic 2005 Toyota sienna le P0500 none vsc system
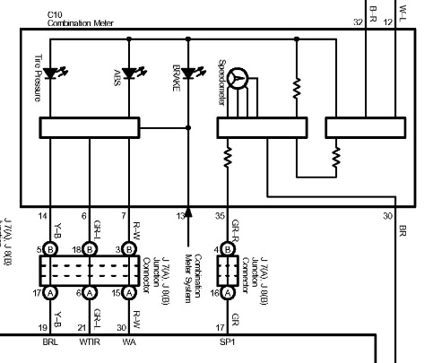
Hey Kevin! I've been down this road on another Sienna, but I really need access to a good diagram. BBB Industries is killing me right now. Love Toyota products, hate their OE diagrams
Let me see what I can find tomorrow?
I saw that you found 5V on the violet/white wire from the cluster to the PCM, but was there any kind of square wave signal there? Also, I did dig up this one piece:
I think this is the speedo link between the ABS module and the cluster? I'd be interested to know what's happening on that wire when the speedo shows zero.
The other thing I can think of off the top of my head is an air gap problem at the VSS, causing the sensor to produce a weak signal until the vehicle speeds up. You did mention that someone else did the VSS previously... Any chance that they botched it?

I saw that you found 5V on the violet/white wire from the cluster to the PCM, but was there any kind of square wave signal there? Also, I did dig up this one piece:
I think this is the speedo link between the ABS module and the cluster? I'd be interested to know what's happening on that wire when the speedo shows zero.
The other thing I can think of off the top of my head is an air gap problem at the VSS, causing the sensor to produce a weak signal until the vehicle speeds up. You did mention that someone else did the VSS previously... Any chance that they botched it?
Please Log in or Create an account to join the conversation.
- Rallymechanic
-
- Offline
- New Member
-
Less
More
- Posts: 17
- Thank you received: 0
8 years 11 months ago - 8 years 11 months ago #3016
by Rallymechanic
Replied by Rallymechanic on topic 2005 Toyota sienna le P0500 none vsc system
Last edit: 8 years 11 months ago by Rallymechanic.
Please Log in or Create an account to join the conversation.
- KEVIN777
-
Topic Author
- Offline
- New Member
-
Less
More
- Posts: 7
- Thank you received: 0
8 years 11 months ago - 8 years 11 months ago #3095
by KEVIN777
Replied by KEVIN777 on topic [FIXED] 2005 Toyota sienna le P0500 no vsc system
ABS MODULE FIXED IT. THANK YOU!
Last edit: 8 years 11 months ago by Dylan.
Please Log in or Create an account to join the conversation.
- Ramses
-
- Offline
- New Member
-
Less
More
- Posts: 1
- Thank you received: 0
6 years 8 months ago #26929
by Ramses
Replied by Ramses on topic [FIXED] 2005 Toyota sienna le P0500 no vsc system
Hi Kevin. New to the forum but having exact same problem (speedometer at zero for a few seconds then works fine). What did you do to fix this? Replace ABS Module?
Please Log in or Create an account to join the conversation.
Time to create page: 0.292 seconds