*** Restricting New Posts to SD Premium Members ONLY *** (09 May 2025)

Just made a new account? Can't post? Click above.

Help us help you. By posting the year, make, model and engine near the beginning of your help request, followed by the symptoms (no start, high idle, misfire etc.) Along with any prevalent Diagnostic Trouble Codes, aka DTCs, other forum members will be able to help you get to a solution more quickly and easily!

P0449

  • prorec
  • prorec's Avatar Topic Author
  • Offline
  • New Member
  • New Member
More
7 years 2 months ago #23641 by prorec
P0449 was created by prorec
Hi. I have a 2009 Chevy HHR LT with 2.2 engine. It shows a P0449 code for Evap Canister Solenoid fault. I disconnected the connector at the solenoid and applied 12v to the solenoid to test it. The solenoid clicked each time I applied the current. I would think this indicates that the solenoid is working and does not need replacement. Is this reasonable or can it be be faulty regardless of the clicking? I tried to see if the harness wires going to the solenoid had power with a multimeter but it didn't seem like it did. Maybe I didn't do the test correctly. The meter just displayed random values; it didn't stay on any value. Thanks.

Please Log in or Create an account to join the conversation.

More
7 years 2 months ago #23658 by Paul P.
Replied by Paul P. on topic P0449
Clicking is good, but it does not confirm full open or closure of the vent solenoid. I use a smoke machine to confirm opening or closing of the vent solenoid commanded with bi-directional control.

In the absence of that equipment, you would have to energize the solenoid while trying to force low air pressure <3psi through the inlet side to prove if the solenoid is truly opening or closing.

The PCM has detected that the commanded state of the drive, and the actual state of the control circuit did not match for a minimum of 6 seconds.

In other words while the PCM could not build vacuum in the system while performing its small and large leak tests which requires a closed valve. Or you have a leak in the system, the P0449 code is specific to the vent solenoid.

In my dealings with GM vents of that year, they are usually defective.

The red/white is the 12v power feed KOEO, the white is the PCM supplied ground path.

With the Key ON, you can backprobe the connector while connected to the vent to the white wire and supply a ground path through your test light, or jumper wire (fused) to activate the solenoid as well.

Never stop Learning.
The following user(s) said Thank You: Noah

Please Log in or Create an account to join the conversation.

  • prorec
  • prorec's Avatar Topic Author
  • Offline
  • New Member
  • New Member
More
7 years 2 months ago #23660 by prorec
Replied by prorec on topic P0449
Thanks for your reply. I do appreciate it.

Can you recommend a way to supply the low air pressure and if the solenoid is on the car how will I know if the air passes through or not?

Is the inlet side of the solenoid the side that goes to the canister?

I got the P0449 code instantly when I accelerated quickly to get into traffic. I thought maybe the sudden jerk might have broken a wire or loosened a connector.

Please Log in or Create an account to join the conversation.

More
7 years 2 months ago #23667 by Paul P.
Replied by Paul P. on topic P0449
Thats awesome info!

You can supply the air with you own lungs, just use a clean hose.

The side that goes to the charcoal cannister is the side your gonna blow into, if the air exhausts out, power up the solenoid to try and close it.
If air still exhausts the solenoid isn't closing.

Now the next part, it happened on motor acceleration.

This is when the PCM will activate the evap system (very quickly) to purge/reclaim some fuel vapors from the Charcoal Cannister.
***The PCM has detected that the commanded state of the drive(PCM Grounded), and the actual state of the control circuit did not match for a minimum of 6 seconds*** So in other words, the PCM tried to ground the solenoid but did not 'see' enough voltage drop across the PWR feed for it to determine a state of change(open/close) in the solenoid.

Never stop Learning.

Please Log in or Create an account to join the conversation.

  • prorec
  • prorec's Avatar Topic Author
  • Offline
  • New Member
  • New Member
More
7 years 2 months ago #23671 by prorec
Replied by prorec on topic P0449
Thanks again. I plan on testing the solenoid as you described tomorrow. My test light is the bulb type. Do I need an LED test light for this? I've heard the bulb test lights can damage the computer.

Please Log in or Create an account to join the conversation.

More
7 years 2 months ago #23672 by Paul P.
Replied by Paul P. on topic P0449
An LED wont provide enough current flow to energize it, try a test light first, then the jumper wire

Very Important, the white/red is you PWR feed, the White is the PCM controlled ground.

With the key on, engine off, you'll supply the path to GND to activate the solenoid.

Test lamp, jumper used properly, and understanding circuit design will absolutely not harm a PCM.

If you're not comfortable doing this, power it up like you have previously done.

Never stop Learning.

Please Log in or Create an account to join the conversation.

More
7 years 2 months ago #23708 by bruce.oliver
Replied by bruce.oliver on topic P0449

prorec wrote: Hi. I have a 2009 Chevy HHR LT with 2.2 engine. It shows a P0449 code for Evap Canister Solenoid fault. I disconnected the connector at the solenoid and applied 12v to the solenoid to test it. The solenoid clicked each time I applied the current. I would think this indicates that the solenoid is working and does not need replacement. Is this reasonable or can it be be faulty regardless of the clicking? I tried to see if the harness wires going to the solenoid had power with a multimeter but it didn't seem like it did. Maybe I didn't do the test correctly. The meter just displayed random values; it didn't stay on any value. Thanks.


I tried to see if the harness wires going to the solenoid had power with a multimeter but it didn't seem like it did. Maybe I didn't do the test correctly. The meter just displayed random values; it didn't stay on any value.
This sounds like what is called ghost voltage. The wire may be broken somewhere. You may need to trace the wire to find the break, but check your fuse first.

Please Log in or Create an account to join the conversation.

More
7 years 2 months ago #23736 by Paul P.
Replied by Paul P. on topic P0449
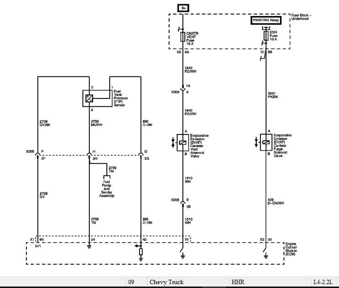
Here's a diagram, that fuse will have B+ with the KEY ON/Engine OFF.


Never stop Learning.
Attachments:

Please Log in or Create an account to join the conversation.

  • prorec
  • prorec's Avatar Topic Author
  • Offline
  • New Member
  • New Member
More
7 years 2 months ago #23753 by prorec
Replied by prorec on topic P0449
Thanks for the diagram and the info about ghost voltage.

I took the solenoid off the car and tested it as you described. I blew into it from the canister side and applied 12v. It held the plunger closed as long as the current was on; about 10 seconds. No air passed through.

I checked for the correct fuse and the only thing that seemed like it was for the solenoid is called EMISSIONS #33. Is that the one?

Is it safe to test the fuse with a bulb test light?

What is the best way to find a wire break if the fuse is good?

Please Log in or Create an account to join the conversation.

More
7 years 2 months ago - 7 years 2 months ago #23757 by Paul P.
Replied by Paul P. on topic Re:P0449
Well, im glad your getting some where. Bruce hit the nail on the head, a power issue.

Yes you can check fuse power with a test lamp connected to ground.

Ill try and send you a harness picture later.

As for the best way, trace from either end, checking for B+, so long as 12v is passing thru the fuse

Sent from my SM-G930W8 using Tapatalk

Edit, I do not have a harness photo

Never stop Learning.
Last edit: 7 years 2 months ago by Paul P.. Reason: no harness photo

Please Log in or Create an account to join the conversation.

  • prorec
  • prorec's Avatar Topic Author
  • Offline
  • New Member
  • New Member
More
7 years 2 months ago - 7 years 2 months ago #23822 by prorec
Replied by prorec on topic P0449
Too bad you don't have the harness photo. Thanks for trying.

I didn't have time today to check more than the fuse. I think it's the right one as I mentioned. It's #33 in my manual. It's labeled EMISSIONS so I think it's the one for the solenoid. There was power on both sides of the fuse. So I guess that means either the wire or connector is at fault. It must also mean there is no short because the fuse is good.

I am thinking of getting a tone generator to trace the wire. Have you ever used one to find open circuits?
Last edit: 7 years 2 months ago by prorec. Reason: Left out a word

Please Log in or Create an account to join the conversation.

More
7 years 2 months ago #23823 by Paul P.
Replied by Paul P. on topic P0449
I thought of buying one a couple of years ago, but I got to thinking, if a wire was damaged somewhere where it could possibly be a couple of hours to repair, it would probably be much faster to run another one on an alternate route.

I'm sure they have their place though!

Good Luck!

Never stop Learning.

Please Log in or Create an account to join the conversation.

More
7 years 2 months ago #23828 by ptebo1
Replied by ptebo1 on topic P0449
Try fuse #64 instead of fuse #33. I have seen a broken wire on these within one foot of the fuse block... Also GM has a Technical Service Bulletin for the underhood fuse block connector pin being backed out. Im sure it probably wont apply in your case but something to keep in mind...

Please Log in or Create an account to join the conversation.

  • prorec
  • prorec's Avatar Topic Author
  • Offline
  • New Member
  • New Member
More
7 years 2 months ago - 7 years 2 months ago #23855 by prorec
Replied by prorec on topic P0449
Thanks for the fuse #64 suggestion. I tested it and it's fine too.

I took a look at the wiring at the solenoid and I see there's a short wire from the solenoid to a connector on the bottom of the underside. I back probed that connector and the one on the solenoid with the key on/engine off and found no current. Maybe I wasn't getting good ground so I'll try that again.

I looked inside the well where the spare tire is to see if I could find wires from that other connector but I didn't see any so I don't know where they are. I'll have to keep looking.

The picture shows the other connector. The solenoid connector is the lower left with 2 wires.
Attachments:
Last edit: 7 years 2 months ago by prorec.

Please Log in or Create an account to join the conversation.

  • prorec
  • prorec's Avatar Topic Author
  • Offline
  • New Member
  • New Member
More
7 years 2 months ago #23930 by prorec
Replied by prorec on topic P0449
I probed the red/white wire that goes to fuse #64 near the fuse block and it had current. I think that indicates that the wire is open between that spot and the vent solenoid since there is no current at the solenoid connector.

It looks to me that the wire runs inside the cab which I guess would be under the carpet/seats and probably the console. Rather than opening up all that I thought I could run another fused wire right from the battery positive terminal.

Will this work and be safe?

Please Log in or Create an account to join the conversation.

More
7 years 2 months ago #23931 by Paul P.
Replied by Paul P. on topic P0449
Yes, that does indicate an open circuit.

I would try to tap into the red/white as close to the fuse block as possible, so you are still using part of the original circuit. This is a key-on circuit. Then take your time to run a wire to the back routed as safely as you can from moving parts, heat sources, use wire loom. My Rule of thumb when installing wiring is to make it 'look' like the factory did it.

That will make a fine repair!

Never stop Learning.

Please Log in or Create an account to join the conversation.

  • prorec
  • prorec's Avatar Topic Author
  • Offline
  • New Member
  • New Member
More
7 years 2 months ago #23935 by prorec
Replied by prorec on topic P0449
Your suggestion sounds great for the final repair.

I am wondering if there could be also be an issue with the ECM not commanding the circuit closed. So maybe I could test the circuit briefly going with a short fused wire directly to the battery as I mentioned.

If I disconnect the battery for a few minutes to turn off the CEL and then attach it along with the fused test wire and it doesn't solve the problem will the CEL come on again right away? I hope this would be safe of course.

Thank you.

Please Log in or Create an account to join the conversation.

More
7 years 2 months ago #23951 by Paul P.
Replied by Paul P. on topic P0449
I wouldn't bother testing it, the PCM tried to use it, it failed the test and the MIL turned on.

After the repair the MIL will turn off after 4 consecutive test passes, which in your case will happen the first four times you start and run the vehicle and the PCM performs its Evap Check.

I would continue on with the repair using most of the original circuit.

Never stop Learning.

Please Log in or Create an account to join the conversation.

  • prorec
  • prorec's Avatar Topic Author
  • Offline
  • New Member
  • New Member
More
7 years 1 month ago #24059 by prorec
Replied by prorec on topic P0449
I was about to run a new wire using a better light when I noticed that the wire I thought was red/white at the solenoid connector is not red /white. It looks more like purple with no white at all. The other wire is white.

Have you ever heard of GM using a different color wire for power to the vent canister solenoid?
Attachments:

Please Log in or Create an account to join the conversation.

  • prorec
  • prorec's Avatar Topic Author
  • Offline
  • New Member
  • New Member
More
7 years 1 month ago #24194 by prorec
Replied by prorec on topic P0449
I pulled the wires out of the pigtail loom and found that someone had spliced a new solenoid connector to the pigtail. Probably came from a salvage yard. That's why it was not red/white at the end.

I removed the pigtail from the car and tested for continuity. There was none on either side so I replaced the wires. Now there is continuity.

I tested the body connector for continuity too with the engine off. There was none there as expected. I tested the body connector for voltage with the ignition on and there was current on the red/white terminal.

I removed the negative battery cable to clear the code then reconnected it and reinstalled the pigtail.

I started the car; the CEL is now off. It hasn't come back after 3 cold starts.

Thanks to everyone who contributed to my post.
The following user(s) said Thank You: Paul P.

Please Log in or Create an account to join the conversation.

Time to create page: 0.379 seconds