Help us help you. By posting the year, make, model and engine near the beginning of your help request, followed by the symptoms (no start, high idle, misfire etc.) Along with any prevalent Diagnostic Trouble Codes, aka DTCs, other forum members will be able to help you get to a solution more quickly and easily!

Toyota headlight issue

  • Ash03
  • Ash03's Avatar Topic Author
  • Offline
  • Premium Member
  • Premium Member
More
7 years 8 months ago #22728 by Ash03
Toyota headlight issue was created by Ash03
Hey guys

I have a friend who owns a 2007 toyota yaris, this car has a problem with the low beams not working, but the high beam works normal. It uses the H4 type bulbs and i believe the head lights are ground side switched..

Fuses are all ok, i cant seem to find the relays for headlights.

Im assuming the ground switch thats in the stalk is faulty but i want to confirm it before replacing.

I have done a few tests..
1. Lights off - all 3 pins have 12v power
2. Low beams on - all 3 pins have 12v power
3. High beams on - 2 pins have 12v power and 1 pin has ground

How do i go about testing this system? I have no experience on ground side switched headlights. I have a wiring diagram for this vehicles headlights, but its not so clear (there arent many "labels" as to what is going on there)

Please help


Sent from my SM-J500F using Tapatalk

Please Log in or Create an account to join the conversation.

  • Tyler
  • Tyler's Avatar
  • Offline
  • Moderator
  • Moderator
  • Full time HACK since 2012
More
7 years 8 months ago - 7 years 8 months ago #22731 by Tyler
Replied by Tyler on topic Toyota headlight issue
You weren't kidding about this that wiring diagram. :angry: Love Toyota products, but the diagrams make your head hurt.

I *think* the circuit you're interested in is the one labeled HL at the headlight switch (which they call the headlight dimmer switch assembly). It's a pretty simple system until you add in the DRL garbage. :sick: If it doesn't have DRL's, then the headlight switch grounds the HL circuit directly. If it does have DRL, then the headlight switch grounds the control side of the H-LP/AMT relay, which then switches the HL circuit to ground.

You know that the ground for the headlight switch is good, 'cause the high beams share it. Non-DRL just needs a voltage check at the headlight switch before replacement. DRL gets more complicated. Find the H-LP/AMT relay and go from there.
Last edit: 7 years 8 months ago by Tyler.
The following user(s) said Thank You: ScannerDanner, Ash03

Please Log in or Create an account to join the conversation.

  • Chad
  • Chad's Avatar
  • Offline
  • Moderator
  • Moderator
  • I am not a parts changer.
More
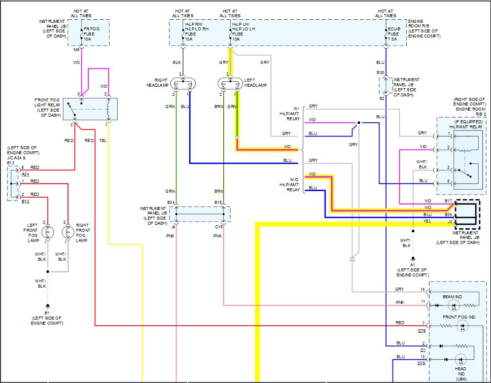
7 years 8 months ago #22732 by Chad
Replied by Chad on topic Toyota headlight issue

Ash03 wrote: How do i go about testing this system?




"Knowledge is a weapon. Arm yourself, well, before going to do battle."
"Understanding a question is half an answer."

I have learned more by being wrong, than I have by being right. :-)
Attachments:
The following user(s) said Thank You: ScannerDanner, Noah

Please Log in or Create an account to join the conversation.

  • Ash03
  • Ash03's Avatar Topic Author
  • Offline
  • Premium Member
  • Premium Member
More
7 years 8 months ago #22740 by Ash03
Replied by Ash03 on topic Re:Toyota headlight issue
Thanks bud, it's the non drl version..

Do u perhaps have a better diagram for this? The 1 i have doesnt show me the switch pin outs or the actual switch circuit..

I dont understand why toyota wants to have the wiring the opposite of every other car lol

Sent from my SM-J500F using Tapatalk

Please Log in or Create an account to join the conversation.

  • ScannerDanner
  • ScannerDanner's Avatar
  • Offline
  • Administrator
  • Administrator
  • Religion says do, Jesus says done!
More
7 years 8 months ago #22761 by ScannerDanner
Replied by ScannerDanner on topic Toyota headlight issue

Tyler wrote: You weren't kidding about this that wiring diagram. :angry: Love Toyota products, but the diagrams make your head hurt.

I *think* the circuit you're interested in is the one labeled HL at the headlight switch (which they call the headlight dimmer switch assembly). It's a pretty simple system until you add in the DRL garbage. :sick: If it doesn't have DRL's, then the headlight switch grounds the HL circuit directly. If it does have DRL, then the headlight switch grounds the control side of the H-LP/AMT relay, which then switches the HL circuit to ground.

You know that the ground for the headlight switch is good, 'cause the high beams share it. Non-DRL just needs a voltage check at the headlight switch before replacement. DRL gets more complicated. Find the H-LP/AMT relay and go from there.


You the man Tyler. Thanks for helping me my friend. You're answers are always spot on.

Don't be a parts changer!

Please Log in or Create an account to join the conversation.

  • ScannerDanner
  • ScannerDanner's Avatar
  • Offline
  • Administrator
  • Administrator
  • Religion says do, Jesus says done!
More
7 years 8 months ago #22762 by ScannerDanner
Replied by ScannerDanner on topic Toyota headlight issue
Thank you too pole71, when I am here, which isn't often enough, I always see your name and recognize how much you help out this awesome community. I really appreciate you being here.

Don't be a parts changer!
The following user(s) said Thank You: Noah, Chad

Please Log in or Create an account to join the conversation.

Time to create page: 0.334 seconds