Help us help you. By posting the year, make, model and engine near the beginning of your help request, followed by the symptoms (no start, high idle, misfire etc.) Along with any prevalent Diagnostic Trouble Codes, aka DTCs, other forum members will be able to help you get to a solution more quickly and easily!
Error code P0016
- thegrandvoyager
-
Topic Author
- Offline
- New Member
-
Less
More
- Posts: 16
- Thank you received: 0
7 years 9 months ago #22509
by thegrandvoyager
Error code P0016 was created by thegrandvoyager
2006 Chrysler Grand Voyager 3.3l gas (same as Grand Caravan/Town & Country) RHD
It's the cam/crank (P0016) sensors that has got me beat.
I have replaced the flexplate that was cracked as well as both cam and crank sensors
The check engine light only pops up when the engine reaches normal operating temp.
I can run the car up to 5000 RMP without a problem when its warming up thru all the gears and up to highway speed.
I have not heard of any connection between the operating temperature and P0016
When P0016 came up the second time I replaced both sensors again and cleared the code only to have it come up again as soon as the engine warmed up.
Any suggestions?
It's the cam/crank (P0016) sensors that has got me beat.
I have replaced the flexplate that was cracked as well as both cam and crank sensors
The check engine light only pops up when the engine reaches normal operating temp.
I can run the car up to 5000 RMP without a problem when its warming up thru all the gears and up to highway speed.
I have not heard of any connection between the operating temperature and P0016
When P0016 came up the second time I replaced both sensors again and cleared the code only to have it come up again as soon as the engine warmed up.
Any suggestions?
Please Log in or Create an account to join the conversation.
- Chad
-
- Offline
- Moderator
-
- I am not a parts changer.
Less
More
- Posts: 2181
- Thank you received: 732
7 years 9 months ago #22510
by Chad
"Knowledge is a weapon. Arm yourself, well, before going to do battle."
"Understanding a question is half an answer."
I have learned more by being wrong, than I have by being right.
Replied by Chad on topic Error code P0016
SYMPTOM
P0016-CRANKSHAFT/CAMSHAFT TIMING MISALIGNMENT
WHEN MONITORED
Engine cranking and Engine running
SET CONDITION
Powertrain Control Module detects an error when the camshaft position is out of phase with the crankshaft position. One trip fault.
POSSIBLE CAUSES
- Intermittent condition
- Checking intermittent CMP signal with lab
- CMP wire harness inspection
- Tone wheel/pulse ring inspection
- CKP wire harness inspection
- Tone wheel/pulse ring inspection
- Intermittent CKP signal
- Camshaft position sensor
- Crankshaft position sensor
Do you have access to a labscope?
P0016-CRANKSHAFT/CAMSHAFT TIMING MISALIGNMENT
WHEN MONITORED
Engine cranking and Engine running
SET CONDITION
Powertrain Control Module detects an error when the camshaft position is out of phase with the crankshaft position. One trip fault.
POSSIBLE CAUSES
- Intermittent condition
- Checking intermittent CMP signal with lab
- CMP wire harness inspection
- Tone wheel/pulse ring inspection
- CKP wire harness inspection
- Tone wheel/pulse ring inspection
- Intermittent CKP signal
- Camshaft position sensor
- Crankshaft position sensor
Do you have access to a labscope?
"Knowledge is a weapon. Arm yourself, well, before going to do battle."
"Understanding a question is half an answer."
I have learned more by being wrong, than I have by being right.
Please Log in or Create an account to join the conversation.
- thegrandvoyager
-
Topic Author
- Offline
- New Member
-
Less
More
- Posts: 16
- Thank you received: 0
7 years 9 months ago #22516
by thegrandvoyager
Replied by thegrandvoyager on topic Error code P0016
thanks for your reply.
Tomorrow I am taking the car to someone who has an oscilloscope and he will check the pattern.
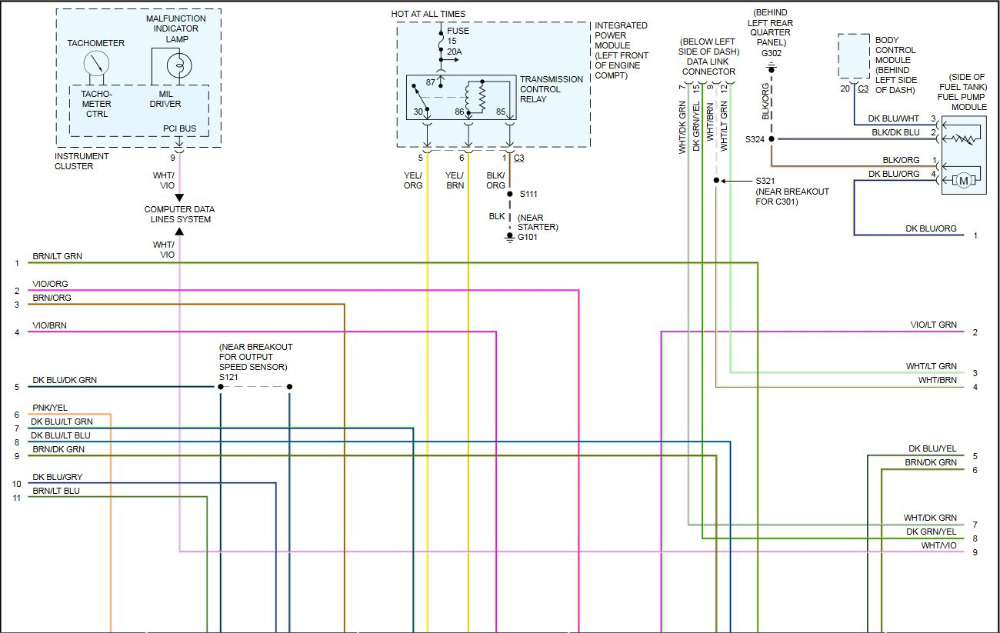
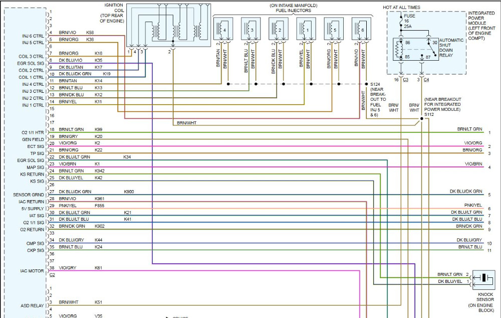
I checked the voltage to the sensors and found it was reading 4.75v. I understand it should be 8volts.
my next step is to discover the corresponding pin numbers on the ecu so I can continue checking. So any assistance you can provide will be muck appreciated
Tomorrow I am taking the car to someone who has an oscilloscope and he will check the pattern.
I checked the voltage to the sensors and found it was reading 4.75v. I understand it should be 8volts.
my next step is to discover the corresponding pin numbers on the ecu so I can continue checking. So any assistance you can provide will be muck appreciated
Please Log in or Create an account to join the conversation.
- Chad
-
- Offline
- Moderator
-
- I am not a parts changer.
Less
More
- Posts: 2181
- Thank you received: 732
7 years 9 months ago - 7 years 9 months ago #22517
by Chad
The Pink/yellow wires should be 5 volts.
"Knowledge is a weapon. Arm yourself, well, before going to do battle."
"Understanding a question is half an answer."
I have learned more by being wrong, than I have by being right.
Replied by Chad on topic Error code P0016
thegrandvoyager wrote: I checked the voltage to the sensors and found it was reading 4.75v. I understand it should be 8volts.
The Pink/yellow wires should be 5 volts.
"Knowledge is a weapon. Arm yourself, well, before going to do battle."
"Understanding a question is half an answer."
I have learned more by being wrong, than I have by being right.
Last edit: 7 years 9 months ago by Chad.
The following user(s) said Thank You: thegrandvoyager
Please Log in or Create an account to join the conversation.
- thegrandvoyager
-
Topic Author
- Offline
- New Member
-
Less
More
- Posts: 16
- Thank you received: 0
7 years 9 months ago #22547
by thegrandvoyager
Replied by thegrandvoyager on topic Error code P0016
thanks for your valuable assistance pole 71. We discovered we have a cam/crank misalignment of 5.90 degree. The sensors I used were aftermarket and perhaps this was a mistake. I have ordered a new set from the Chrysler dealer and we will see if genuine makes any difference. I've come to the conclusion that the reason its not coming up with a cel until the engine is at normal operating temperature is that the timing is advanced when the engine is cold and it doesn't fall outside the set parameters until it's warmed up. Whould you agree?
Please Log in or Create an account to join the conversation.
- thegrandvoyager
-
Topic Author
- Offline
- New Member
-
Less
More
- Posts: 16
- Thank you received: 0
7 years 9 months ago #22548
by thegrandvoyager
Replied by thegrandvoyager on topic Error code P0016
thanks for your valuable assistance pole 71. We discovered we have a cam/crank misalignment of 5.90 degree. The sensors I used were aftermarket and perhaps this was a mistake. I have ordered a new set from the Chrysler dealer and we will see if genuine makes any difference. I've come to the conclusion that the reason its not coming up with a cel until the engine is at normal operating temperature is that the timing is advanced when the engine is cold and it doesn't fall outside the set parameters until it's warmed up. Would you agree?
Please Log in or Create an account to join the conversation.
- Ben
-
- Offline
- Platinum Member
-
Less
More
- Posts: 1098
- Thank you received: 215
7 years 9 months ago #22552
by Ben
Replied by Ben on topic Re:Error code P0016
Doesn't this engine still have the crank sensor on the flexplate? If so that would be my first suspect instead of faulty sensors
Sent from my SM-N920P using Tapatalk
Sent from my SM-N920P using Tapatalk
Please Log in or Create an account to join the conversation.
- thegrandvoyager
-
Topic Author
- Offline
- New Member
-
Less
More
- Posts: 16
- Thank you received: 0
7 years 9 months ago #22560
by thegrandvoyager
Replied by thegrandvoyager on topic Re:Error code P0016
thanks for your reply Ben.
The crank sensor is on the firewall side of the engine near the transmission housing
The crank sensor is on the firewall side of the engine near the transmission housing
Please Log in or Create an account to join the conversation.
- Ben
-
- Offline
- Platinum Member
-
Less
More
- Posts: 1098
- Thank you received: 215
7 years 9 months ago #22562
by Ben
Replied by Ben on topic Re:Error code P0016
Ok that's what I thought. The sensor only reads the timing slots I highly doubt a sensor will have a good waveform and be able to throw the Timing off I would suspect the flexplate crank holes were not drilled in the correct position (assuming it was an aftermarket flexplate installed). I know that's horrible news in that the transmission will have to be removed again to replace the flexplate but I'm 99.9%sure sensors will not fix this (I've never seen cam crank correlation be caused by sensors)
Sent from my SM-N920P using Tapatalk
Sent from my SM-N920P using Tapatalk
The following user(s) said Thank You: Chad
Please Log in or Create an account to join the conversation.
- thegrandvoyager
-
Topic Author
- Offline
- New Member
-
Less
More
- Posts: 16
- Thank you received: 0
7 years 9 months ago #22566
by thegrandvoyager
Replied by thegrandvoyager on topic Re:Error code P0016
Thanks Ben, I'm thinking you have hit the nail on the head. I got the flexplate from the Chrysler dealer and when I ordered it I gave them my vin # so it should have matched it up. But, looks like it's a case of pulling the trans apart again.
Please Log in or Create an account to join the conversation.
Time to create page: 0.368 seconds