*** Restricting New Posts to SD Premium Members ONLY *** (09 May 2025)

Just made a new account? Can't post? Click above.

Help us help you. By posting the year, make, model and engine near the beginning of your help request, followed by the symptoms (no start, high idle, misfire etc.) Along with any prevalent Diagnostic Trouble Codes, aka DTCs, other forum members will be able to help you get to a solution more quickly and easily!

Short or bad ground problem

  • Rotatingrotar89
  • Rotatingrotar89's Avatar Topic Author
  • Offline
  • New Member
  • New Member
More
7 years 4 months ago #21569 by Rotatingrotar89
Short or bad ground problem was created by Rotatingrotar89
Hope someone has a few ideas they can throw my way.

Okay so I am working on A 2004 audi a4 convertible w/ a 3.0 v6. Problem is I caused a short. Had the entire top end of the engine torn apart for a valve job. Then put it all back together only I made a huge mistake!! it's European and I'm use to working on domestic and jdm cars.... Well I accidently plugged a hot wire going from the starter to the alternator into a block ground. That wire should have been plugged to the alternator but I hot confused as blk can also be ground on the cars. Well any way the car started after realizing my mess up. Only started twice though and on the second time it shut off and just cranks sometimes it won't crank though.

It has no codes through regular obd2 only has codes using obd11 scan tool. The main one I saw was low voltage to ecu and the fuel pump doesn't sound.

I also noticed with a test light after unplugging negative terminal from batt...batt post[neg] to any ground on the car gets voltage it lights up....
The second I put the test light on the negative terminal of the vehicle and plug it to the negative battery post the light goes away

Some other strange things I noticed when I unplugged the vehicle computer and set my test light to ground when touching the wht/blk wire on the computer harness I would get the ecu relay to activate with the key out of the ignition. Also noticed when I activated the relay I checked the voltage only had 3.52 volts with a voltage drop of 8.89volts

I have plenty of schematics if someone with more knowledge is willing to help me out and teach me something or point out what I'm missing been working on this self caused electrical issue for a month now this is where I'm at

Please Log in or Create an account to join the conversation.

  • Chad
  • Chad's Avatar
  • Offline
  • Moderator
  • Moderator
  • I am not a parts changer.
More
7 years 4 months ago - 7 years 4 months ago #21581 by Chad
Replied by Chad on topic Short or bad ground problem
Do you have a ground distribution diagram? I think you have burnt 1, or more, grounds. You must have put the battery cable on very quickly, and completely, to avoid being showered with sparks instantly. Since you mentioned no sparks, I can only assume that smaller ground wires were burnt and acted as fuses.

"Knowledge is a weapon. Arm yourself, well, before going to do battle."
"Understanding a question is half an answer."

I have learned more by being wrong, than I have by being right. :-)
Last edit: 7 years 4 months ago by Chad.

Please Log in or Create an account to join the conversation.

  • Chad
  • Chad's Avatar
  • Offline
  • Moderator
  • Moderator
  • I am not a parts changer.
More
7 years 4 months ago - 7 years 4 months ago #21583 by Chad
Replied by Chad on topic Short or bad ground problem

Rotatingrotar89 wrote: I also noticed with a test light after unplugging negative terminal from batt...batt post[neg] to any ground on the car gets voltage it lights up....
The second I put the test light on the negative terminal of the vehicle and plug it to the negative battery post the light goes away



That is to be expected, if there is something using the BAT + , (such as a dome light, radio, various modules, etc).

Every thing needs power and ground to work. When you disconnected the negative battery cable, somewhere, a light went out, a module powered down, etc. That/those components are still looking for a ground. When you connect a test light to battery negative, and then touch the engine block, you completed the circuit and gave those components the path to ground they were waiting for. Because the test light it is, essentially, a resistor, the components do not get a GOOD ground and will not work. But, the current flow is still there. That is why the test light illuminates. Or, this could be a shorted component finding ground.

"Knowledge is a weapon. Arm yourself, well, before going to do battle."
"Understanding a question is half an answer."

I have learned more by being wrong, than I have by being right. :-)
Last edit: 7 years 4 months ago by Chad.

Please Log in or Create an account to join the conversation.

  • Rotatingrotar89
  • Rotatingrotar89's Avatar Topic Author
  • Offline
  • New Member
  • New Member
More
7 years 4 months ago #21599 by Rotatingrotar89
Replied by Rotatingrotar89 on topic Short or bad ground problem
Only ground diagram I could find on Mitchell's but I have another I could post from another manual if this isn't good enough. I'm wondering would a bad relay cause a voltage drop? With the ecu relay unplugged I have a 12volt signal, the second I plug in the relay I get a drop to 3.52 volts when commanding the relay to close. Thanks for your interest in my problem!

Please Log in or Create an account to join the conversation.

  • Chad
  • Chad's Avatar
  • Offline
  • Moderator
  • Moderator
  • I am not a parts changer.
More
7 years 4 months ago #21601 by Chad
Replied by Chad on topic Short or bad ground problem

Rotatingrotar89 wrote: I'm wondering would a bad relay cause a voltage drop? With the ecu relay unplugged I have a 12volt signal, the second I plug in the relay I get a drop to 3.52 volts when commanding the relay to close.


Yes, a bad relay could cause a voltage drop and it sounds like you have a bad relay. 12v going in and 3.52v coming out? On the load side?

"Knowledge is a weapon. Arm yourself, well, before going to do battle."
"Understanding a question is half an answer."

I have learned more by being wrong, than I have by being right. :-)

Please Log in or Create an account to join the conversation.

  • Chad
  • Chad's Avatar
  • Offline
  • Moderator
  • Moderator
  • I am not a parts changer.
More
7 years 4 months ago #21602 by Chad
Replied by Chad on topic Short or bad ground problem
Like this?



Or, are you saying the 12v going in on pins 1 and 2 is dropping to 3.52v? If the 12v on pins 1 and 2, of the relay, are losing voltage, then the problem is not the relay. The voltage drop is happening BEFORE the relay.

If the 3.52v is on pins 5 and 8, with 12v holding on pins 1 and 2, then the problem is the relay.

"Knowledge is a weapon. Arm yourself, well, before going to do battle."
"Understanding a question is half an answer."

I have learned more by being wrong, than I have by being right. :-)
Attachments:

Please Log in or Create an account to join the conversation.

  • Rotatingrotar89
  • Rotatingrotar89's Avatar Topic Author
  • Offline
  • New Member
  • New Member
More
7 years 4 months ago #21604 by Rotatingrotar89
Replied by Rotatingrotar89 on topic Short or bad ground problem
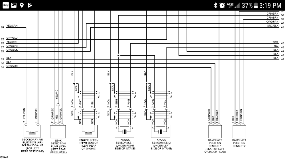
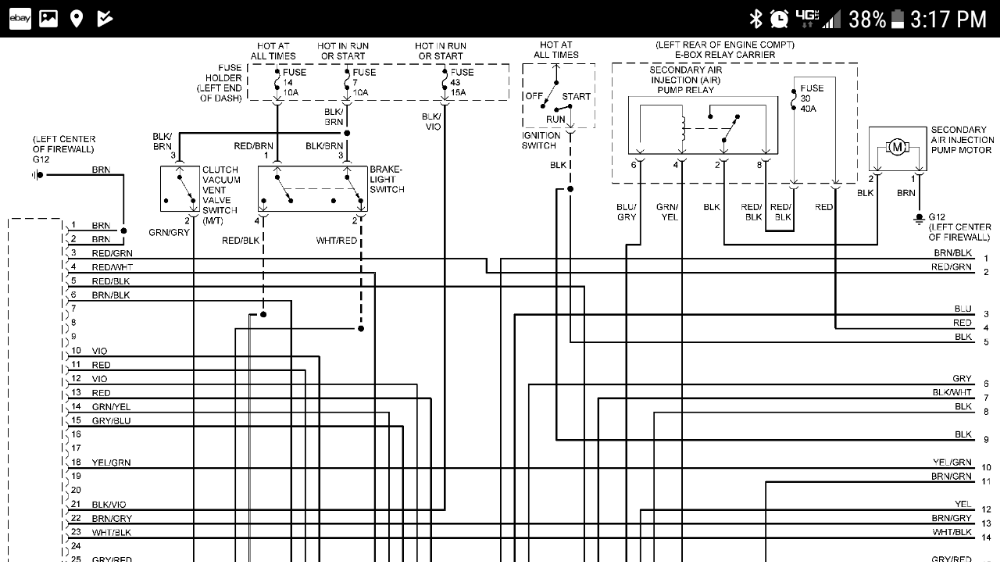
3.0 v6 engine performance schematic page 1 and 2 out of 4

Voltage drop on ecu relay when grounded with a test light

When I wired the starter incorrectly I did have sparks on the negative batt terminal and heard sparks or electrical circuits near the starter

I already replaced the started and solenoid.

Please Log in or Create an account to join the conversation.

  • Rotatingrotar89
  • Rotatingrotar89's Avatar Topic Author
  • Offline
  • New Member
  • New Member
More
7 years 4 months ago #21605 by Rotatingrotar89
Replied by Rotatingrotar89 on topic Short or bad ground problem
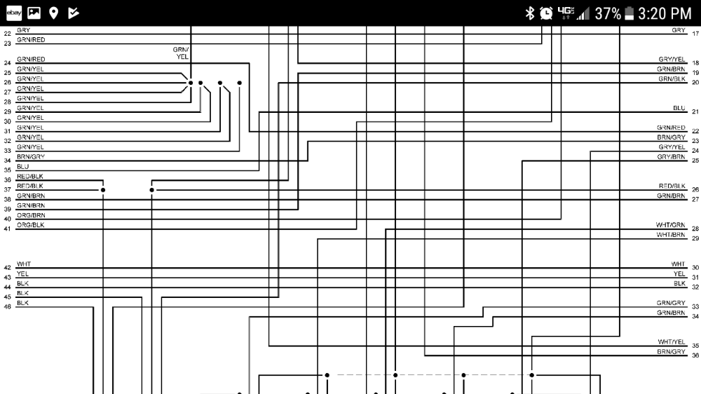
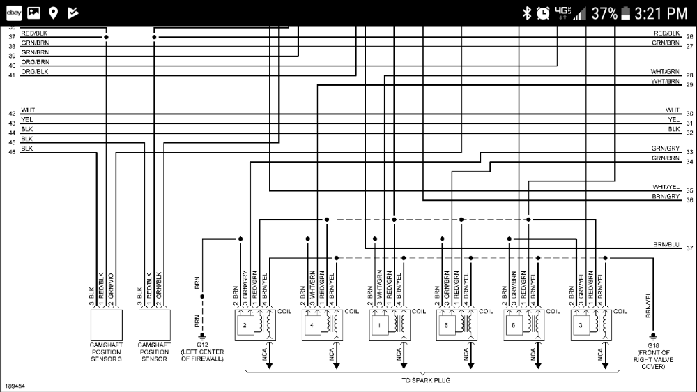
3.0 engine performance schematic pg 3 and 4

Please Log in or Create an account to join the conversation.

  • Rotatingrotar89
  • Rotatingrotar89's Avatar Topic Author
  • Offline
  • New Member
  • New Member
More
7 years 4 months ago #21606 by Rotatingrotar89
Replied by Rotatingrotar89 on topic Short or bad ground problem
Thank you pole71! Just gives me a little more confidence that it's the relay I mean I tested it... it clicked...did a continuity test and it passed. Just kinda curious on why it would be causing such a drop or how the relay failed. Opened up the relay had no markings burn etc.

The low side of the relay 1 and 2 are good no issues there but yes you understood perfectly the high side of the relay5 and 6 is dropping once grounded out by the ecu or with a test light. I'll purchase a relay and let ya know if it fixed my situation

Please Log in or Create an account to join the conversation.

  • Rotatingrotar89
  • Rotatingrotar89's Avatar Topic Author
  • Offline
  • New Member
  • New Member
More
7 years 4 months ago #21607 by Rotatingrotar89
Replied by Rotatingrotar89 on topic Short or bad ground problem
5 and 8 I meant

Please Log in or Create an account to join the conversation.

Time to create page: 0.353 seconds