*** Restricting New Posts to SD Premium Members ONLY *** (09 May 2025)

Just made a new account? Can't post? Click above.

Help us help you. By posting the year, make, model and engine near the beginning of your help request, followed by the symptoms (no start, high idle, misfire etc.) Along with any prevalent Diagnostic Trouble Codes, aka DTCs, other forum members will be able to help you get to a solution more quickly and easily!

No spark at the ign coil tower on Camry 2.2

  • gnx547
  • gnx547's Avatar Topic Author
  • Offline
  • Junior Member
  • Junior Member
More
7 years 3 months ago #21527 by gnx547
On my 1995 Camry 2.2, yesterday it rained really hard and i hit a few heavy puddles and after that the car just died and it cranked but wouldn't start.

I got the car towed home and after a few hrs the car started but it was running rough. I checked for spark there was hardly any spark coming out of the wires on all 4 cylinders. I checked for spark at the ign coil tower and theres no spark at all. There is power on the positive side of the coil and there is power at the 2 wire connector. I checked the power and ground at the igniter and it's good.

I have my original distributor and coil, which I know is good. I put back the original distributor and still there's no spark at all coming from the coil? I have a spare igniter and i tried it and still no spark at the tower. Any ideas why I'm not getting any spark? I dont know what direction to go from here

Please Log in or Create an account to join the conversation.

More
7 years 3 months ago #21530 by Tutti57
Replied by Tutti57 on topic No spark at the ign coil tower on Camry 2.2
When you say hardly any spark coming from the wires, does that mean you are getting some? If that's the case the coil must be doing something. What method are you using to test for spark?

Please Log in or Create an account to join the conversation.

  • gnx547
  • gnx547's Avatar Topic Author
  • Offline
  • Junior Member
  • Junior Member
More
7 years 3 months ago - 7 years 3 months ago #21534 by gnx547
Replied by gnx547 on topic No spark at the ign coil tower on Camry 2.2
I'm using a test light to test for spark. I'm testing the spark air gap at the end of the plug wire and no spark is coming out. If I put the test light inside right next to the electrode it will spark very lightly. If I go to the coil tower no spark at all. I checked for coil power and it's good.

The igniter power and ground is good. I don't think it's a bad igniter because the car fires up easily but you can hear the miss due to weak spark. I have a spare distributor and coil and i tried that and still no spark coming out of the coil. I'm lost on this one. I checked the grounds and its all tight and clean.

When i hit those heavy puddles i know i shorted something but hrs later the car started up but with weak spark. What else could the problen be? Why isn't there spark coming out of the coil? Possible bad pcm?
Last edit: 7 years 3 months ago by gnx547.

Please Log in or Create an account to join the conversation.

More
7 years 3 months ago #21542 by Ninjaxchicken
Replied by Ninjaxchicken on topic No spark at the ign coil tower on Camry 2.2
Your ecm is in your dash behind your glove box it looks like

Please Log in or Create an account to join the conversation.

  • gnx547
  • gnx547's Avatar Topic Author
  • Offline
  • Junior Member
  • Junior Member
More
7 years 3 months ago - 7 years 3 months ago #21544 by gnx547
Replied by gnx547 on topic No spark at the ign coil tower on Camry 2.2
This message contains confidential information
What wires would I check on the pcm to make sure 100 % the pcm is bad. I'm thinking the igniter, and coil?
Last edit: 7 years 3 months ago by gnx547.

Please Log in or Create an account to join the conversation.

  • juergen.scholl
  • juergen.scholl's Avatar
  • Offline
  • Platinum Member
  • Platinum Member
  • Active partschanger
More
7 years 3 months ago #21548 by juergen.scholl
Replied by juergen.scholl on topic No spark at the ign coil tower on Camry 2.2
Is it that you get the (weak) spark at the coil wire and no spark at the plug wires?
If so look into the distributer, there might be water/humidity inside.

An expert is someone who knows each time more on each time less, until he finally knows absolutely everything about absolutely nothing.

Please Log in or Create an account to join the conversation.

More
7 years 3 months ago #21549 by JustJuan
Replied by JustJuan on topic No spark at the ign coil tower on Camry 2.2
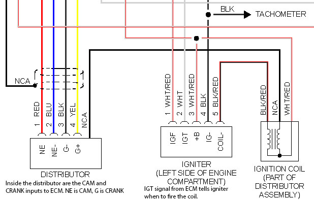
The fact that you have weak spark rules out ECM control issues. I would focus on the IGNITION COIL or wires connected to the IGNITION COIL (see diagram).

Take the DISTRIBUTOR and ECM out of the picture. Unplug the wire labeled NCA (see attachment) from the distributor and give it a good 1 inch air gap to ground.

Key on, and see if you have power at the white IGT wire on the IGNITER. If you have power there, connect test light to ground and touch the IGT wire. If you have no power there, connect test light to BATTERY and touch the IGT wire.

This will fire the IGNITION COIL. If the wire labelled NCA coming from the IGNITION COIL has weak spark then it's the coil.
Attachments:

Please Log in or Create an account to join the conversation.

More
7 years 3 months ago - 7 years 3 months ago #21550 by JustJuan
Replied by JustJuan on topic No spark at the ign coil tower on Camry 2.2
IGNITION COIL RESISTANCE test with ohmmeter.

imgur.com/a/BUYu7yR
Last edit: 7 years 3 months ago by JustJuan.

Please Log in or Create an account to join the conversation.

  • gnx547
  • gnx547's Avatar Topic Author
  • Offline
  • Junior Member
  • Junior Member
More
7 years 3 months ago - 7 years 3 months ago #21553 by gnx547
Replied by gnx547 on topic No spark at the ign coil tower on Camry 2.2
Yes no spark at the coil and very light spark comes out the plug wire. I have to put my test light right next to the electrode and it will spark but if I move the test light half an inch no spark jumps out.

I also have a good spare distributor and coil that I tried and still the same results, no spark at the coil.

The car has 119k and i believe the wires are original. But if the wires are weak that shouldn't prevent the coil from producing spark?

I will try the igniter test with the test light. What does NCA stand for? I can't read the attachment for the coil resistance check.
Last edit: 7 years 3 months ago by gnx547.

Please Log in or Create an account to join the conversation.

More
7 years 3 months ago - 7 years 3 months ago #21554 by JustJuan
Replied by JustJuan on topic No spark at the ign coil tower on Camry 2.2
Oops, I fixed my post. NCA means no color available.
Last edit: 7 years 3 months ago by JustJuan.

Please Log in or Create an account to join the conversation.

  • gnx547
  • gnx547's Avatar Topic Author
  • Offline
  • Junior Member
  • Junior Member
More
7 years 3 months ago - 7 years 3 months ago #21557 by gnx547
Replied by gnx547 on topic No spark at the ign coil tower on Camry 2.2
On the igniter white wire I checked for power key on and test light didn't light. Switched the test light to B+ and I'm able to fire the coil. A good gap of spark is coming out. So then the igniter, the pcm and wiring, inputs and the distributor is all good. So then the coil is at fault?
Last edit: 7 years 3 months ago by gnx547.

Please Log in or Create an account to join the conversation.

More
7 years 3 months ago - 7 years 3 months ago #21562 by JustJuan
Replied by JustJuan on topic No spark at the ign coil tower on Camry 2.2
If you have good spark jumping the gap out of the IGNITION COIL, then you have proved that the IGNITER is good, and the IGNITION COIL is good. I am also going to assume the ECM is good from what you wrote previously but let's test that as well just to be sure.

Same instructions I gave before, only don't touch the IGT white wire. Let the ECM provide power on the IGT wire by cranking the car over and watching for spark. You should see good spark, good jumping and cracking until you stop cranking.

Don't crank for too long as the injectors will be spraying into your cylinders and you may flood the engine. Or just disconnect the injectors if you can.

If this tests good, the leftover culprits are CAP and ROTOR, the PLUG WIRES and SPARK PLUGS.

Thinking ahead, you wrote that you installed your old DISTRIBUTOR back and had still had no spark. I'm assuming you also changed the CAP and ROTOR as well to no avail. This leaves the PLUG WIRES as the primary culprit in my opinion.
Last edit: 7 years 3 months ago by JustJuan.
The following user(s) said Thank You: juergen.scholl

Please Log in or Create an account to join the conversation.

  • gnx547
  • gnx547's Avatar Topic Author
  • Offline
  • Junior Member
  • Junior Member
More
7 years 3 months ago - 7 years 3 months ago #21563 by gnx547
Replied by gnx547 on topic No spark at the ign coil tower on Camry 2.2
I remember at the beginning I did this test. I had my test light right next to the coil tower and i cranked it for a few seconds and no spark out of the coil. I will try again and see. If I do this test and no spark out of the coil, what does this mean? Input problem?

How do I know if the white/red igf wire from the igniter to the pcm is good? Is there a bypass test that I can do? Or just a voltage check?
Last edit: 7 years 3 months ago by gnx547.

Please Log in or Create an account to join the conversation.

More
7 years 3 months ago #21564 by JustJuan
Replied by JustJuan on topic No spark at the ign coil tower on Camry 2.2
If no spark from COIL, then ECM or input problem (which I don't think it is since you wrote previously car ran rough, so the same inputs are also controlling injector pulse).

Okay this: if no spark from COIL while cranking, put test light to ground and leave it touching the IGT wire. The test light should pulse. If not pulsing, then it's a ECM or wire from the ECM issue.

Please Log in or Create an account to join the conversation.

More
7 years 3 months ago - 7 years 3 months ago #21565 by JustJuan
Replied by JustJuan on topic No spark at the ign coil tower on Camry 2.2
Unless you have any trouble codes related to IGNITION then the ECM is receiving a confirmation on the IGF wire and there's no need to test that wire. Testing if ECM provides power (pulsing) on IGT is good enough.
Last edit: 7 years 3 months ago by JustJuan.

Please Log in or Create an account to join the conversation.

  • juergen.scholl
  • juergen.scholl's Avatar
  • Offline
  • Platinum Member
  • Platinum Member
  • Active partschanger
More
7 years 3 months ago #21571 by juergen.scholl
Replied by juergen.scholl on topic No spark at the ign coil tower on Camry 2.2
Some thoughts....

To me it`s almost next to impossible to figure that you would have a spark - even a weak one - at the plug terminal of the wire while not having a spark at the coil . But then again, I haven“t seen it all....

Additionally to the proposals of JustJuan you might want to check for cam and crank sensor signals from the pick up coils in the dizzy going to the pcm, just in case there was no IGT signal while cranking.

If good cam/crank signals are present and not even one initial IGT signal shows up move to power and grounds of the ecu before condeming it.

If there was only one or a couple of IGT signals during cranking then check the IGF wire for a short to ground/lower than normal resistance or an open.

An expert is someone who knows each time more on each time less, until he finally knows absolutely everything about absolutely nothing.

Please Log in or Create an account to join the conversation.

  • juergen.scholl
  • juergen.scholl's Avatar
  • Offline
  • Platinum Member
  • Platinum Member
  • Active partschanger
More
7 years 3 months ago - 7 years 3 months ago #21572 by juergen.scholl
Replied by juergen.scholl on topic No spark at the ign coil tower on Camry 2.2
Double post...

An expert is someone who knows each time more on each time less, until he finally knows absolutely everything about absolutely nothing.
Last edit: 7 years 3 months ago by juergen.scholl.

Please Log in or Create an account to join the conversation.

  • gnx547
  • gnx547's Avatar Topic Author
  • Offline
  • Junior Member
  • Junior Member
More
7 years 3 months ago - 7 years 3 months ago #21594 by gnx547
Replied by gnx547 on topic No spark at the ign coil tower on Camry 2.2
I found a bad ign wire on the distributor cap. The coil also had a small crack. I did crank it over I've got spark on the coil. I got new plugs, wires, cap, rotor, coil. I got all the new parts in and i do have spark coming out of the ign wire. Not a big spark gap as I thought it would be but much better than before.

I removed the distributor to remove the coil and i did marked it before I removed it. Do I have to set the timing?
Last edit: 7 years 3 months ago by gnx547.

Please Log in or Create an account to join the conversation.

Time to create page: 0.503 seconds