Help us help you. By posting the year, make, model and engine near the beginning of your help request, followed by the symptoms (no start, high idle, misfire etc.) Along with any prevalent Diagnostic Trouble Codes, aka DTCs, other forum members will be able to help you get to a solution more quickly and easily!
87 Camaro vats system
- Lui
-
Topic Author
- Offline
- New Member
-
Less
More
- Posts: 4
- Thank you received: 0
7 years 11 months ago #21126
by Lui
87 Camaro vats system was created by Lui
Hi there my name is Lui and i'm new here on this sight but was a member on Youtube Premium till it got shutdown or transfered over here, anyway i live in Perth Western Australia,need some help with a mates 87 Camaro's Vats system please, limited information here. I have done some research on the Vats and i know all about the resistor and that is not the problem, i should mention no cranking and no pulse to injectors. I have noticed there is no security light coming on the dash so i dont think its getting power to the Vats or Vats has completely shat itself or the security globe is blown. I have checked all fuses Anyway i would like to know if it is possible to bypass the Vats system completely,remove Vats completely e.g like power the ecm directly and rewire with just an earth i think with a relay to power the starter, its even hard to find a decent proper diagram online i dont mind paying for one if anyone can help with a good sight. If i cant fix this then was going to fit a carby on it to get it going again. So if anyone has actually done this can share some info would be great thanks in advance
Please Log in or Create an account to join the conversation.
- Chad
-
- Offline
- Moderator
-
- I am not a parts changer.
Less
More
- Posts: 2181
- Thank you received: 732
7 years 11 months ago #21141
by Chad
"Knowledge is a weapon. Arm yourself, well, before going to do battle."
"Understanding a question is half an answer."
I have learned more by being wrong, than I have by being right.
Replied by Chad on topic 87 Camaro vats system
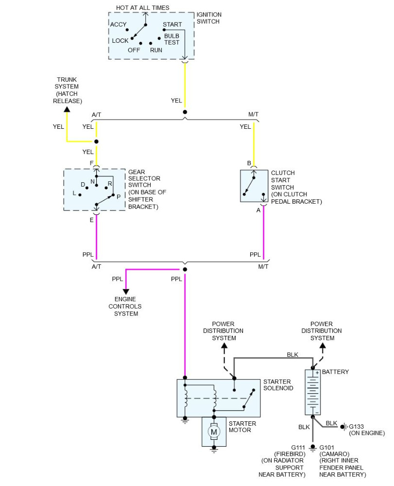
Are you sure this has VATS. I'm not seeing any reference to it in that year Camaro. Most models, other than Corvettes, didn't get VATS until 1989, I think. I'm sure there are some exceptions. Here is a Starting Circuit diagram. Maybe this will help you get cranking.
"Knowledge is a weapon. Arm yourself, well, before going to do battle."
"Understanding a question is half an answer."
I have learned more by being wrong, than I have by being right.
Please Log in or Create an account to join the conversation.
- Lui
-
Topic Author
- Offline
- New Member
-
Less
More
- Posts: 4
- Thank you received: 0
7 years 11 months ago #21177
by Lui
Replied by Lui on topic 87 Camaro vats system
Gday pole71 thanks for taking the time to get back to me, it could be an 89, sorry about that, i have had the Vats unit out to check and smell if it was burnt or shorted out but couldn't see anything obvious. I have since found a decent diagram with wire colours i'll try get it up on here, thanks for your help appreciate it
Please Log in or Create an account to join the conversation.
- Chad
-
- Offline
- Moderator
-
- I am not a parts changer.
Less
More
- Posts: 2181
- Thank you received: 732
7 years 11 months ago - 7 years 11 months ago #21180
by Chad
"Knowledge is a weapon. Arm yourself, well, before going to do battle."
"Understanding a question is half an answer."
I have learned more by being wrong, than I have by being right.
Replied by Chad on topic 87 Camaro vats system
It looks like all you will have to due is eliminate the Starter Enable relay. I could be wrong, but I don't see where there is any fuel disabling involved. The hardest part will be to get to the relay. I have by-passed it on other GM's and it is very hard to find, if you don't know where it is. I can't say what you have, but on early 90's models, the relay is hidden behind the instrument cluster. The best way to get to it is thought the speaker hole on the top of the dash, below the windshield (even if there is no speaker). And even then, you have to fish for it. Looking at the schematic though, you should be able to activate the relay by grounding circuit 965.
Here is the schematic for 1989
Here is the schematic for 1989
"Knowledge is a weapon. Arm yourself, well, before going to do battle."
"Understanding a question is half an answer."
I have learned more by being wrong, than I have by being right.
Last edit: 7 years 11 months ago by Chad.
Please Log in or Create an account to join the conversation.
- Chad
-
- Offline
- Moderator
-
- I am not a parts changer.
Less
More
- Posts: 2181
- Thank you received: 732
7 years 11 months ago - 7 years 11 months ago #21181
by Chad
"Knowledge is a weapon. Arm yourself, well, before going to do battle."
"Understanding a question is half an answer."
I have learned more by being wrong, than I have by being right.
Replied by Chad on topic 87 Camaro vats system
I can't find a complete Vats Diagram, but I see that it DOES have Circuit 229, a DK BLU wire. This is the Fuel Enable circuit. The ECM sends 5 volt ref to the VATS module. If everything checks out, the vats module pulses the 5 volt ref to ground at a frequency of 50 hz. With a 50% duty cycle, you should read 2.5 volts circuit 229 with a volt meter. That is the first thing to check. If you have 2.5 volts on circuit 229, your problem is probably something else. If you have any other reading, then you can blame the VATS module. If you DO need to by-pass the VATS, I can guide you through building a by-pass module, if you are handy with a soldering pencil. Alternatively, I can give you a link to order a by-pass module from the guy that figured out how to do it.
"Knowledge is a weapon. Arm yourself, well, before going to do battle."
"Understanding a question is half an answer."
I have learned more by being wrong, than I have by being right.
Last edit: 7 years 11 months ago by Chad.
Please Log in or Create an account to join the conversation.
- Chad
-
- Offline
- Moderator
-
- I am not a parts changer.
Less
More
- Posts: 2181
- Thank you received: 732
7 years 11 months ago #21182
by Chad
"Knowledge is a weapon. Arm yourself, well, before going to do battle."
"Understanding a question is half an answer."
I have learned more by being wrong, than I have by being right.
Replied by Chad on topic 87 Camaro vats system
Yes. Bypass the starter enable relay and feed a 50 hz signal into the ECM on Circuit 229. The VATS module can be tossed out.
"Knowledge is a weapon. Arm yourself, well, before going to do battle."
"Understanding a question is half an answer."
I have learned more by being wrong, than I have by being right.
Please Log in or Create an account to join the conversation.
- Lui
-
Topic Author
- Offline
- New Member
-
Less
More
- Posts: 4
- Thank you received: 0
7 years 11 months ago #21190
by Lui
Replied by Lui on topic 87 Camaro vats system
Gday Chad firstly thank you for all your time and effort so far, yes that is a very similar diagram i found aswell, bypassing the starter is not a problem but ye the other part sounds more complicated, the problem i am facing is this car is in the country 3hrs away from me, i've been there twice checking the basics so i need to arm myself with as much info as possible for next time i go there, but the part that really bothers me is the security light not lighting up which doesn't look good for the Vats system, i can see it has a fuse i did check all fuses but need to do it again to be sure. If its not too much trouble when you have time if you can please tell me how to build this bypass module and also a link to that dude that builds them please and i'll let the owner know and he can decide what to do next, thanks again for all your help, really appreciate it.
Please Log in or Create an account to join the conversation.
- Chad
-
- Offline
- Moderator
-
- I am not a parts changer.
Less
More
- Posts: 2181
- Thank you received: 732
7 years 11 months ago #21192
by Chad
"Knowledge is a weapon. Arm yourself, well, before going to do battle."
"Understanding a question is half an answer."
I have learned more by being wrong, than I have by being right.
Replied by Chad on topic 87 Camaro vats system
"Knowledge is a weapon. Arm yourself, well, before going to do battle."
"Understanding a question is half an answer."
I have learned more by being wrong, than I have by being right.
Please Log in or Create an account to join the conversation.
- Lui
-
Topic Author
- Offline
- New Member
-
Less
More
- Posts: 4
- Thank you received: 0
7 years 11 months ago #21194
by Lui
Replied by Lui on topic 87 Camaro vats system
Thank you mate, enjoy your weekend
Please Log in or Create an account to join the conversation.
Time to create page: 0.446 seconds