Help us help you. By posting the year, make, model and engine near the beginning of your help request, followed by the symptoms (no start, high idle, misfire etc.) Along with any prevalent Diagnostic Trouble Codes, aka DTCs, other forum members will be able to help you get to a solution more quickly and easily!

70 olds 442 charging issue

More
8 years 2 days ago #20647 by Leon
70 olds 442 charging issue was created by Leon
I was called in to have a go at this car, Haven't seen the car yet, just gathering information.

The shop working on it cannot figure it what's wrong with the charging system, Drains the battery when driving but idles fine. Car had Been restored, May have a wiring issue or any slew of variables lol. Might be something as simple as having an internal regulated alternator where an external alternator should be....hopefully this is the issue, 2 jumper wires and id be done lol

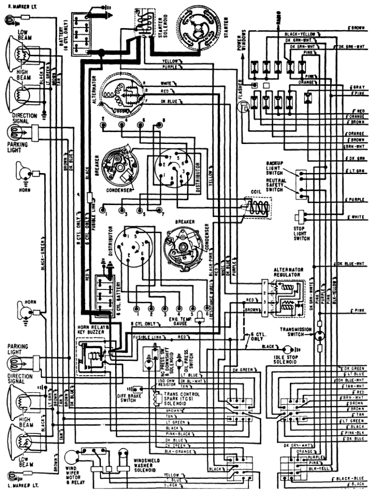
Anyone have a good detailed diagram for the charging system?

Please Log in or Create an account to join the conversation.

  • Dave101
  • Dave101's Avatar
  • Offline
  • Premium Member
  • Premium Member
  • Show me what it's not!!
More
7 years 11 months ago #20754 by Dave101
Replied by Dave101 on topic 70 olds 442 charging issue
Here is what Mitchell has. I have found that on older cars, they are usually pretty good.
Attachments:

Please Log in or Create an account to join the conversation.

More
7 years 11 months ago #20758 by Leon
Replied by Leon on topic 70 olds 442 charging issue
Thank you! I only have identifix and its garbage for this car.

Just found out more details on this car today, problem is over charging, they are not giving up yet and throwing a few more parts at it so we'll see if i get the job after that.

Thanks again! This will help me!

Please Log in or Create an account to join the conversation.

Time to create page: 0.331 seconds