Help us help you. By posting the year, make, model and engine near the beginning of your help request, followed by the symptoms (no start, high idle, misfire etc.) Along with any prevalent Diagnostic Trouble Codes, aka DTCs, other forum members will be able to help you get to a solution more quickly and easily!

GM 3100, No spark!!

  • cdakan841
  • cdakan841's Avatar Topic Author
  • Offline
  • New Member
  • New Member
More
8 years 1 week ago #19265 by cdakan841
GM 3100, No spark!! was created by cdakan841
Hey guys, ok I have a 1998 Chevy lumina, picked this car up the other day and the guy I bought it from said he was driving down the interstate and it just shut off, never did restart, so the first thing I did was check for spark, there was none, so then I checked my power and ground at the coil pack and it was good so I then did a bypass test on the ignition coil by taking my test light to battery positive and touching a t-pin I had probed into the yellow low resolution crank sensor wire, I had spark! So I resistance checked the wiring going down to the crank sensor and it checked out good, so I put a new crank sensor in it, still no spark!?!?!? I can do the same bypass test and the coils will spark and the fuel pump kicks on and everything. I don’t have a scope, so I used my multimeter set on AC voltage and checked the yellow wire coming from the crank sensor while cranking and was getting 1 to 1.5 volts steady while cranking, same reading I got on a known good crank sensor that will start another lumina that I have! So what am I missing!?!?!? I thought that this low resolution crank sensor was the only signal the coil needed to see until it got to a certain rpm?? Any help would be appreciated!!!

Please Log in or Create an account to join the conversation.

More
8 years 1 week ago #19268 by Paul P.
Replied by Paul P. on topic GM 3100, No spark!!
The PCM also uses the 24x CKP sensor to improve Spark Control up to ~1600rpm.
The Vehicle will run without it, and just on the 7X and CMP signals. The PCM needs the 3x reference from the Ignition Module though. Have u tried the module from the other car to rule it out?

Never stop Learning.

Please Log in or Create an account to join the conversation.

  • cdakan841
  • cdakan841's Avatar Topic Author
  • Offline
  • New Member
  • New Member
More
8 years 1 week ago #19269 by cdakan841
Replied by cdakan841 on topic GM 3100, No spark!!
I did try swapping to ignition module with one that I had in my building. It was off of a car that ran about 5 months ago, I’m assuming it’s good but I thought about swapping the one off the known running car now before I tried anything else. Do you know if it’s an accuarate test checking the voltage from the crank sensor while cranking? I’m leaning toward maybe a junk crank sensor (it is aftermarket, bought on eBay for $6). It just seems weird that I can bypass it and the ignition sparks but even with new crank sensor it still doesn’t.

Please Log in or Create an account to join the conversation.

  • juergen.scholl
  • juergen.scholl's Avatar
  • Offline
  • Platinum Member
  • Platinum Member
  • Active partschanger
More
8 years 1 week ago #19272 by juergen.scholl
Replied by juergen.scholl on topic GM 3100, No spark!!
The crank sensor's resistance should be between 800 and 1200 ohms and it should generate around 2 volts AC while cranking. That's what SI (mitchell) says...

An expert is someone who knows each time more on each time less, until he finally knows absolutely everything about absolutely nothing.

Please Log in or Create an account to join the conversation.

  • cdakan841
  • cdakan841's Avatar Topic Author
  • Offline
  • New Member
  • New Member
More
8 years 1 week ago #19273 by cdakan841
Replied by cdakan841 on topic GM 3100, No spark!!
OK, I will check the crank sensor resistance tomorrow, the voltage seems to be ok, it was bouncing from 1.0-1.5 but I have a known good Chevy lumina crank sensor that gives me the same reading when cranking, if the resistance measures good I might try and swap the known good ignition module first before I tackle the crank sensor again, although a tip for anyone doing a crank sensor on this engine, if you take off the passenger wheel and come in from the side it is a lot easier to get to than from the top of the engine, still can’t see anything just more room to maneuver. Thanks for all the info guys!!!

Please Log in or Create an account to join the conversation.

More
8 years 6 days ago #19288 by Paul P.
Replied by Paul P. on topic GM 3100, No spark!!
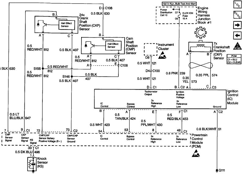
There is a Purple/White wire from your Ignition Control Module(ICM) to the PCM. This is the 3X High Reference used by the PCM to Calculate Crankshaft Position and Speed as well as trigger the injectors.While cranking the engine over, Tpin this wire at the ICM and place your test light on Battery Negative and the other on the Tpin. You should see flashes as the engine rolls over. If you don't the problem is either the ICM itself or the 7X CKP sensor your having trouble with.

You should also check your By-pass Wire for Voltage(5v) while cranking.(Use a test light again connected to Battery Negative) It's the TAN/BLK wire out of the ICM which goes directly to the PCM.
While the engine is cranking(not Running) the PCM applies 5v to the ICM, this voltage is turned off by the PCM once the engine is running At which point the PCM takes over Ignition Spark and Timing.

Hope this Helps you Out

Never stop Learning.
Attachments:

Please Log in or Create an account to join the conversation.

  • cdakan841
  • cdakan841's Avatar Topic Author
  • Offline
  • New Member
  • New Member
More
8 years 6 days ago #19289 by cdakan841
Replied by cdakan841 on topic GM 3100, No spark!!
Ok so a little update on what I did today, I checked the voltage on my known good car again, and it was around 1-1.5 volts while cranking, I then unhooked the computer connector to where the only thing I had hooked up to the ignition module was the crank sensor connector and the power and ground connector, I then cranked it over and had good spark, this tells me the only thing the ignition module needs to see is power, and a signal from the crank sensor to spark, I took that ignition module off and put it on the car that won’t run and had the same result as before, showing good voltage 1-1.3 volts while cranking but no spark! I picked up a new crank sensor at Autozone on my way to work tonight so tomorrow I will try and change it out! It’s the only logical explanation for no spark on this system!

Please Log in or Create an account to join the conversation.

More
8 years 6 days ago #19290 by Paul P.
Replied by Paul P. on topic GM 3100, No spark!!
I stand corrected, The PCM will apply 5v on the bypass wire when the PCM is in control of the spark, I had it backwards.
Yes, You are correct the next logical step is the CKP 7X sensor. It is the most critical part in this Delco By-Pass Ignition system, without its signal the engine will NOT start.

Good luck

Never stop Learning.

Please Log in or Create an account to join the conversation.

  • cdakan841
  • cdakan841's Avatar Topic Author
  • Offline
  • New Member
  • New Member
More
8 years 6 days ago #19306 by cdakan841
Replied by cdakan841 on topic GM 3100, No spark!!
Ok so I got home from work this morning and I threw the 2nd new crank sensor in (this one from Autozone) and still no spark!!! I’m beginning to pull my hair out!! I have a voltage signal just like the last crank sensor but no spark, and I can still bypass test it ans make it spark! Any more suggestions??? I’ve attached borescope pictures of each notch on crank sensor, I know one of the notches looks a little messed up but that shouldn’t cause a no spark condition would it??? I am beginning to think maybe something internal??? I hope not but i don’t know what else it could be!!! Thanks guys!!

Please Log in or Create an account to join the conversation.

More
8 years 6 days ago #19308 by Ben
Replied by Ben on topic Re:GM 3100, No spark!!
If you plug the sensor in to the harness and wave a wrench or something metallic past the sensor does it spark? My thoughts are that maybe the air gap between the crank sensor and the tone ring is to big you can measure the depth of the tone ring from the case and comparing it to the length of the crank sensor.

Sent from my SM-N920P using Tapatalk

Please Log in or Create an account to join the conversation.

  • cdakan841
  • cdakan841's Avatar Topic Author
  • Offline
  • New Member
  • New Member
More
8 years 5 days ago #19330 by cdakan841
Replied by cdakan841 on topic Re:GM 3100, No spark!!

Ben wrote: If you plug the sensor in to the harness and wave a wrench or something metallic past the sensor does it spark? My thoughts are that maybe the air gap between the crank sensor and the tone ring is to big you can measure the depth of the tone ring from the case and comparing it to the length of the crank sensor.

Sent from my SM-N920P using Tapatalk





Ok so I tried this this evening and it worked, I could make it spark waving a screwdriver in front of the crank sensor. So what would cause an air gap issue with the tone ring? I didn’t measure the gap but it can’t be off by much because I’m getting a voltage reading from the sensor. Both of the new sensors went in all the way and I tightened the bolt down with a 1/4” ratchet. I can’t get my head in there to see but it doesn’t feel like there’s anything behind it that would stop in from going in all the way. Could the tone ring be messed up on the crank?

Please Log in or Create an account to join the conversation.

More
8 years 5 days ago #19353 by Ben
Replied by Ben on topic Re:GM 3100, No spark!!
That's my thought maybe the tone ring is bent can you get something in there to measure the distance from the ring to the mounting on the case and compare it to the mounting tab to the tip of the sensor?

Sent from my SM-N920P using Tapatalk

Please Log in or Create an account to join the conversation.

  • cdakan841
  • cdakan841's Avatar Topic Author
  • Offline
  • New Member
  • New Member
More
8 years 5 days ago #19357 by cdakan841
Replied by cdakan841 on topic Re:GM 3100, No spark!!
I’ll have to check tomorrow when I get home, do you know if that tone ring is replaceable or if it’s part of the crank shaft?

Please Log in or Create an account to join the conversation.

  • cdakan841
  • cdakan841's Avatar Topic Author
  • Offline
  • New Member
  • New Member
More
8 years 5 days ago #19359 by cdakan841
Replied by cdakan841 on topic GM 3100, No spark!!
Ok so I just watched a video on a tear down of this engine, the tone ring is part of the crank, so if it is indeed a damaged or bent tone ring I would have to replace the crankshaft in order to fix this. I will not be doing that, I will just swap another 3100 into it. I will try and get a measurement tomorrow on the depth of the sensor but it still amazes me how I can have a voltage reading coming from the crank sensor but it’s not enough to make it spark??? That to me just seems wrong??

Please Log in or Create an account to join the conversation.

More
8 years 5 days ago #19365 by Ben
Replied by Ben on topic Re:GM 3100, No spark!!
Well with a large gap it's possible to get a voltage but when it's not a clean square wave the computer can translate

Sent from my SM-N920P using Tapatalk

Please Log in or Create an account to join the conversation.

  • juergen.scholl
  • juergen.scholl's Avatar
  • Offline
  • Platinum Member
  • Platinum Member
  • Active partschanger
More
8 years 4 days ago - 8 years 4 days ago #19382 by juergen.scholl
Replied by juergen.scholl on topic Re:GM 3100, No spark!!
The 7x is a VR sensor, no square wave. The module translates this 7x into the 3x dignal and sends it to the pcm....

Try to get hold on a scope and see the actual 7x signature.

Did you check wether the crank sensor wires aren't inverted in the icm connecter???

An expert is someone who knows each time more on each time less, until he finally knows absolutely everything about absolutely nothing.
Last edit: 8 years 4 days ago by juergen.scholl.

Please Log in or Create an account to join the conversation.

  • cdakan841
  • cdakan841's Avatar Topic Author
  • Offline
  • New Member
  • New Member
More
8 years 4 days ago #19387 by cdakan841
Replied by cdakan841 on topic Re:GM 3100, No spark!!
I can take the crank sensor out and wave a screwdriver in front of it and make the ignition module spark, I’m assuming this means it has to be a gap problem with the tone ring. I haven’t got a chance to take any measurements yet, been raining here since yesterday!

Please Log in or Create an account to join the conversation.

  • cdakan841
  • cdakan841's Avatar Topic Author
  • Offline
  • New Member
  • New Member
More
8 years 2 days ago #19461 by cdakan841
Replied by cdakan841 on topic GM 3100, No spark!!
Ok guys here’s the YouTube video I made on this car



You can check it out here, I have verified that it is either a gap issue or an internal issue. Either way I probably will not pursue it any further, if I do decide to I will update this post, until then thanks for all the comments and suggestions! I really appreciate it!

Please Log in or Create an account to join the conversation.

More
7 years 3 months ago #25716 by Shawn Mendes
Replied by Shawn Mendes on topic GM 3100, No spark!!
Here you can find an article about top 5 spark plugs for Vortec:

autokwix.com/review/best-spark-plugs-for-vortec/

Please Log in or Create an account to join the conversation.

Time to create page: 0.709 seconds