Help us help you. By posting the year, make, model and engine near the beginning of your help request, followed by the symptoms (no start, high idle, misfire etc.) Along with any prevalent Diagnostic Trouble Codes, aka DTCs, other forum members will be able to help you get to a solution more quickly and easily!

Power door locks

  • mike126
  • mike126's Avatar Topic Author
  • Offline
  • Junior Member
  • Junior Member
More
7 years 11 months ago #17687 by mike126
Power door locks was created by mike126
2004 Chevy Colorado 2 Dr, 3.5 liter 5 cylinder. I want to know how to remove the driver side power door lock actuator connector without removing the whole assembly. The fuse blows everytime the I press the switch ,and want to disconnected to see if the actuator is shorted to ground. Thank you for any help.

Please Log in or Create an account to join the conversation.

  • Tyler
  • Tyler's Avatar
  • Offline
  • Moderator
  • Moderator
  • Full time HACK since 2012
More
7 years 11 months ago #17725 by Tyler
Replied by Tyler on topic Power door locks
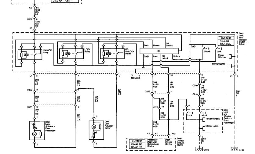
Hey mike! I looked at the wiring diagram on your Colorado:



File Attachment:

File Name: document13.pdf
File Size:307 KB


Isolating just the drivers door lock actuator will be tough without taking the door panel off, because all the wiring is in the door itself. :unsure:

What I suggest is this: Remove the drivers lock/window switch from the door panel, and disconnect C1 (which has the lock actuator wires in it). Connect a test light to B+ and touch on pins 2, 4 and 5. With C1 disconnected, none should light up when probed. If any do, that represents a short to ground in the wiring and not a shorted motor. Find C211 (probably in the passenger door flex) and disconnect it. Now probe those same pins again. If the test light won't light up, then the short is in the passenger door. If it still lights, the problem is in the drivers door. Remove the corresponding door panel and inspect the wiring.

If the test light never lit in the first place, then use a ohm meter and measure resistance between pins 4 and 2 (the drivers actuator) and pins 4 and 5 (the passenger actuator). OR, use some jumper wires and a circuit breaker (10 or 15A, preferably) and manually run the actuators by jumping power and ground to them at C1 of the lock switch. If you can run one actuator normally, but the other pops the breaker, then you know which actuator is shorted. ;)
Attachments:

Please Log in or Create an account to join the conversation.

Time to create page: 0.255 seconds