Help us help you. By posting the year, make, model and engine near the beginning of your help request, followed by the symptoms (no start, high idle, misfire etc.) Along with any prevalent Diagnostic Trouble Codes, aka DTCs, other forum members will be able to help you get to a solution more quickly and easily!
No crank
- Emmerooski6180
-
Topic Author
- Offline
- New Member
-
Less
More
- Posts: 1
- Thank you received: 0
7 years 11 months ago #17509
by Emmerooski6180
No crank was created by Emmerooski6180
Hi all,
I have a 2002 Hyundai Accent that does not crank. I replaced the battery(the one in the car had a cracked case and was leaking). I check one of the videos that was trouble shooting a no crank condition with a Elantra. My interior dome light does not dim when the ignition switch is moved to the start position. I checked the starter relay. On pins 87 & 30, I was able to confirm both power and ground at the power distribution block. The relay looks new. I have power at the battery side of the solenoid but I get nothing from the test light when I place it on the S tabe of the solenoid. I am not sure where to go from here. Any thoughts or suggestions...? Thanks, Roy.
I have a 2002 Hyundai Accent that does not crank. I replaced the battery(the one in the car had a cracked case and was leaking). I check one of the videos that was trouble shooting a no crank condition with a Elantra. My interior dome light does not dim when the ignition switch is moved to the start position. I checked the starter relay. On pins 87 & 30, I was able to confirm both power and ground at the power distribution block. The relay looks new. I have power at the battery side of the solenoid but I get nothing from the test light when I place it on the S tabe of the solenoid. I am not sure where to go from here. Any thoughts or suggestions...? Thanks, Roy.
Please Log in or Create an account to join the conversation.
- Scannerfanner
-
- Offline
- Junior Member
-
Less
More
- Posts: 30
- Thank you received: 7
7 years 11 months ago #17525
by Scannerfanner
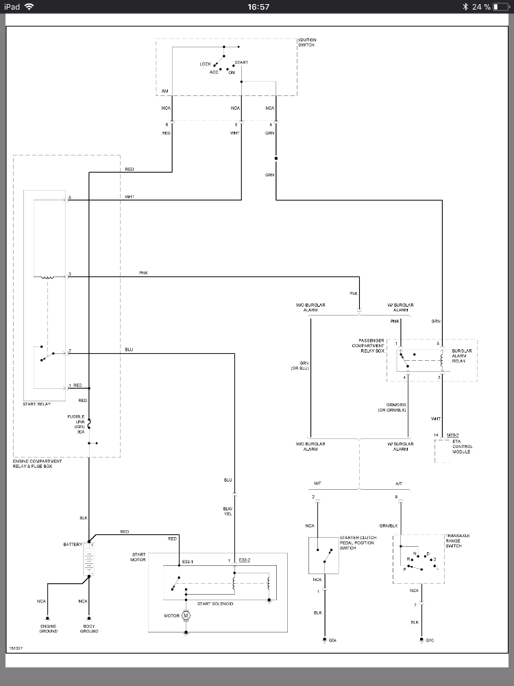
Here is the diagram, The relay if operating correctly Will switch power on load side from term 30 to 87. Quickly You can jump these terminals to prove your circuit to the starter terminal is ok. If it cranks, your relay or control side wiring is defective.
If it doesn't crank jiggle the shift selector or press the clutch pedal right to the bottom. You will have to check if there is power from ign switch WHEN THE SWITCH IS IN START POSITION to the control side of your relay, terminal 5 on the diagram, 85 or 86 on your relay, and check for ground coming from either the clutch pedal or automatic trans position sensor on relay terminal 4 on diagram 85 or 86 on your relay. Also There is a junction on the wire from the relay to starter which may be defective/corroded.
Replied by Scannerfanner on topic No crank
Here is the diagram, The relay if operating correctly Will switch power on load side from term 30 to 87. Quickly You can jump these terminals to prove your circuit to the starter terminal is ok. If it cranks, your relay or control side wiring is defective.
If it doesn't crank jiggle the shift selector or press the clutch pedal right to the bottom. You will have to check if there is power from ign switch WHEN THE SWITCH IS IN START POSITION to the control side of your relay, terminal 5 on the diagram, 85 or 86 on your relay, and check for ground coming from either the clutch pedal or automatic trans position sensor on relay terminal 4 on diagram 85 or 86 on your relay. Also There is a junction on the wire from the relay to starter which may be defective/corroded.
The following user(s) said Thank You: Tyler
Please Log in or Create an account to join the conversation.
- Tyler
-
- Offline
- Moderator
-
- Full time HACK since 2012
Less
More
- Posts: 6064
- Thank you received: 1531
7 years 11 months ago #17565
by Tyler
Replied by Tyler on topic No crank
Scannerfanner and Monde are ON IT. :lol:
Please Log in or Create an account to join the conversation.
- Scannerfanner
-
- Offline
- Junior Member
-
Less
More
- Posts: 30
- Thank you received: 7
7 years 11 months ago #17576
by Scannerfanner
Replied by Scannerfanner on topic No crank
Youbetcha! I’ll leave the fuel nanoparticles interfering with the wiperswitch flux generator issues to you guys!!Tyler wrote: Scannerfanner and Monde are ON IT. :lol:
Please Log in or Create an account to join the conversation.
- Tyler
-
- Offline
- Moderator
-
- Full time HACK since 2012
Less
More
- Posts: 6064
- Thank you received: 1531
7 years 11 months ago #17577
by Tyler
:lol::lol: Any more, I read the title of a thread and say to myself, "Hey, I know how to diag that!" Then I read the thread, and five other members already took the words out of my mouth. :silly:
Replied by Tyler on topic No crank
Scannerfanner wrote: Youbetcha! I’ll leave the fuel nanoparticles interfering with the wiperswitch flux generator issues to you guys!!
:lol::lol: Any more, I read the title of a thread and say to myself, "Hey, I know how to diag that!" Then I read the thread, and five other members already took the words out of my mouth. :silly:
Please Log in or Create an account to join the conversation.
Time to create page: 0.313 seconds