Help us help you. By posting the year, make, model and engine near the beginning of your help request, followed by the symptoms (no start, high idle, misfire etc.) Along with any prevalent Diagnostic Trouble Codes, aka DTCs, other forum members will be able to help you get to a solution more quickly and easily!

1989 Bronco ll--low idle and bucking

  • emo666
  • emo666's Avatar Topic Author
  • Offline
  • New Member
  • New Member
More
8 years 4 months ago #16253 by emo666
1989 Bronco ll--low idle and bucking was created by emo666
OK-- we're playing with OBD0(1) so this is why I need as much help as possible. First this bronco ll is air conditioned and access to plugs ,injectors, etc.are not really accessible. Recommend and absolutely necessary to service the distributor and wires you have to remove the upper manifold--this tells you how I have to work. So far I.ve tried to read all posts (to many avenues--confusing). So what I have done is --vacuum gauge- which reads good --just a miner waver at 16 at idle--good return to around 5 then 26 or so when goosed. Attached fuel pressure gauge to Schrader valve got 30 psi at idle. Replaced MAP sensor-- cleaned IAC valve replaced gasket. On this bronco ll the TPS has an adjustment screw on the opposite end of the throttle shaft --adjusted it back to just touching linkage arm--but only reads .084 volts--recommended .09 volts--can obtain this if I adjust tps to.09 with screw (not recommended ) Now after I started diagnosing I've developed a rocking engine syndrome --like a misplaced plug wire--checked last night --going to recheck this afternoon. Going to get new plugs and wires
also this afternoon --I'm leaning toward injectors but those are reasonably new and I don't know how to check them with just a voltmeter. need to know if the injectors working and the wiring is good. Also plugs on drivers side look decent except for #4 --had carbon on upper threads of plug but had light tan tip. Pulling plugs again this afternoon. I need some direction??

Please Log in or Create an account to join the conversation.

More
8 years 4 months ago #16285 by Tutti57
Replied by Tutti57 on topic Re:RE: 1989 Bronco ll--low idle and bucking

emo666 wrote: OK-- we're playing with OBD0(1) so this is why I need as much help as possible. First this bronco ll is air conditioned and access to plugs ,injectors, etc.are not really accessible. Recommend and absolutely necessary to service the distributor and wires you have to remove the upper manifold--this tells you how I have to work. So far I.ve tried to read all posts (to many avenues--confusing). So what I have done is --vacuum gauge- which reads good --just a miner waver at 16 at idle--good return to around 5 then 26 or so when goosed. Attached fuel pressure gauge to Schrader valve got 30 psi at idle. Replaced MAP sensor-- cleaned IAC valve replaced gasket. On this bronco ll the TPS has an adjustment screw on the opposite end of the throttle shaft --adjusted it back to just touching linkage arm--but only reads .084 volts--recommended .09 volts--can obtain this if I adjust tps to.09 with screw (not recommended ) Now after I started diagnosing I've developed a rocking engine syndrome --like a misplaced plug wire--checked last night --going to recheck this afternoon. Going to get new plugs and wires
also this afternoon --I'm leaning toward injectors but those are reasonably new and I don't know how to check them with just a voltmeter. need to know if the injectors working and the wiring is good. Also plugs on drivers side look decent except for #4 --had carbon on upper threads of plug but had light tan tip. Pulling plugs again this afternoon. I need some direction??

You can do an injector balance test if you want to check them. You would need a fuel pressure guage and a way to pulse each Injector, watching for the fuel pressure to drop the same amount on each Injector. You can buy a tool online for about $40 that does this.

Sent from my Moto G Play using Tapatalk

Please Log in or Create an account to join the conversation.

  • emo666
  • emo666's Avatar Topic Author
  • Offline
  • New Member
  • New Member
More
8 years 4 months ago #16316 by emo666
Replied by emo666 on topic Re:RE: 1989 Bronco ll--low idle and bucking
I have a fuel pressure gauge --what kind of tool are you talking about?? I saw one of SC,s video done on a GM with a fuel pump test plug and a tool -- mine does not have a test plug-but I could use the key on -off. I saw a schematic on another problem answer but can't seem to find it again--I need the color codes.
I also have another slight problem--the person who owned this before tore loose the main harness that contains all the injector and other sensor wires and is just laying on the hot lower manifold--I need to see something to show me where this was routed and to what ??

Please Log in or Create an account to join the conversation.

  • Chad
  • Chad's Avatar
  • Offline
  • Moderator
  • Moderator
  • I am not a parts changer.
More
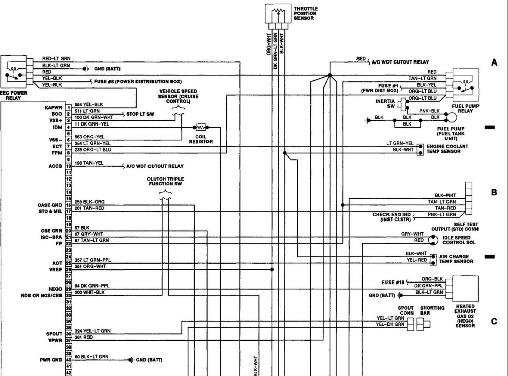
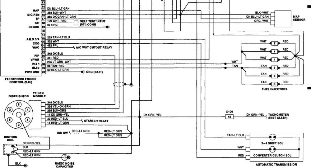
8 years 4 months ago - 8 years 4 months ago #16323 by Chad

"Knowledge is a weapon. Arm yourself, well, before going to do battle."
"Understanding a question is half an answer."

I have learned more by being wrong, than I have by being right. :-)
Attachments:
Last edit: 8 years 4 months ago by Chad.

Please Log in or Create an account to join the conversation.

  • emo666
  • emo666's Avatar Topic Author
  • Offline
  • New Member
  • New Member
More
8 years 2 months ago #17991 by emo666
Replied by emo666 on topic Re:RE: 1989 Bronco ll--low idle and bucking
FIXED---took to garage and had it scanned --#5 fuel injector not pulsing correctly.
brought it home -tore off upper manifold -fuel rail, and injectors--went on U-tube saw how to make a fuel injector cleaner with just a 9 volt battery and a can of carb cleaner. cleaned all injectors put everything back and it runs really good now.

Please Log in or Create an account to join the conversation.

Time to create page: 0.306 seconds